Главная // Актуальные документы // Акт (форма)СПРАВКА
Источник публикации
М.: ООО Издательство "БСТ", 2015
Примечание к документу
Текст данного документа приведен с учетом
поправки, утв. Ассоциацией "Национальное объединение строителей", "НОСТРОЙ" 02.06.2017.
Название документа
"СТО НОСТРОЙ 2.12.119-2013. Стандарт организации. Защита строительных конструкций, трубопроводов и оборудования. Огнезащита стальных конструкций. Монтаж покрытия огнезащитного. Правила, контроль выполнения и требования к результатам работ"
(утв. и введен в действие Протоколом Ассоциации "Национальное объединение строителей", "НОСТРОЙ" от 19.09.2013 N 46)
"СТО НОСТРОЙ 2.12.119-2013. Стандарт организации. Защита строительных конструкций, трубопроводов и оборудования. Огнезащита стальных конструкций. Монтаж покрытия огнезащитного. Правила, контроль выполнения и требования к результатам работ"
(утв. и введен в действие Протоколом Ассоциации "Национальное объединение строителей", "НОСТРОЙ" от 19.09.2013 N 46)
Утвержден и введен в действие
Протоколом Совета Национального
объединения строителей
от 19 сентября 2013 г. N 46
СТАНДАРТ ОРГАНИЗАЦИИ
ЗАЩИТА СТРОИТЕЛЬНЫХ КОНСТРУКЦИЙ,
ТРУБОПРОВОДОВ И ОБОРУДОВАНИЯ
ОГНЕЗАЩИТА СТАЛЬНЫХ КОНСТРУКЦИЙ.
МОНТАЖ ПОКРЫТИЯ ОГНЕЗАЩИТНОГО
ПРАВИЛА, КОНТРОЛЬ ВЫПОЛНЕНИЯ И ТРЕБОВАНИЯ
К РЕЗУЛЬТАТАМ РАБОТ
Protection of building structures, pipelines and equipment.
Fire protection of steel structures. Installation fire
protection coat. Rules, control of performance
and requires to the of results works
СТО НОСТРОЙ 2.12.119-2013
1 РАЗРАБОТАН | ООО "Проектно-конструкторское бюро "ПРОЕКТЭНЕРГО" |
2 ПРЕДСТАВЛЕН НА УТВЕРЖДЕНИЕ | Комитетом по промышленному строительству Национального объединения строителей, протокол от 30 августа 2013 г. N 24 |
3 УТВЕРЖДЕН И ВВЕДЕН В ДЕЙСТВИЕ | Решением Совета Национального объединения строителей, протокол от 19 сентября 2013 г. N 46 |
4 ВВЕДЕН | ВПЕРВЫЕ |
Настоящий стандарт разработан в целях реализации приоритетных направлений деятельности и задач Национального объединения строителей и направлен на реализацию целей и принципов стандартизации в Российской Федерации, установленных Градостроительным
кодексом Российской Федерации, Федеральным
законом от 27 декабря 2002 г. N 184-ФЗ "О техническом регулировании", Федеральным
законом от 30 декабря 2009 г. N 384-ФЗ "Технический регламент о безопасности зданий и сооружений", Федеральным
законом от 1 декабря 2007 г. N 315-ФЗ "О саморегулируемых организациях".
Настоящий стандарт по организации и правилам выполнения работ обеспечивает единство подхода к выполнению работ, оказывающих влияние на безопасность объекта капитального строительства.
Авторский коллектив: М.А. Забегина (ООО "Проектно-конструкторское бюро "ПРОЕКТЭНЕРГО"), Д.М. Абрамов (ЗАО "ПАРОК"), А.Б. Бутузов (НПТО "Корда").
1.1 Настоящий стандарт распространяется на работы по монтажу покрытий огнезащитных, монтируемых на несущие стальные конструкции жилых, общественных, промышленных или административных зданий и сооружений (далее - конструкции).
1.2 Настоящий стандарт устанавливает требования к исходным материалам, правилам выполнения работ по монтажу, контролю за выполнением работ и к результатам выполненных работ. Положения
разделов 4,
7 являются рекомендуемыми.
1.3 Настоящий стандарт распространяется на стальные строительные конструкции из стали марок не выше С440, предназначенные для применения в любых климатических районах с сейсмичностью до 9 баллов включительно, и устанавливает общие требования к этим конструкциям.
Примечание - Испытания на соответствие требованиям пожарной безопасности строительных конструкций со средствами огнезащиты, применяемых в районах с сейсмичностью более 6 баллов, следует проводить по СТО 36554501-031-2013
[1].
1.4 Стандарт не распространяется на конструкции, выполняющие роль технологического оборудования (стальные конструкции доменных печей и воздухонагревателей, резервуары и газгольдеры, излучающие конструкции антенных сооружений, надшахтные копры, конструкции подъемно-транспортного оборудования и лифтов, магистральные и технологические трубопроводы), а также на конструкции железнодорожных и автодорожных мостов и гидротехнических сооружений.
1.5 В настоящем стандарте рассматриваются конструктивные способы огнезащиты. Огнезащитная обработка и комбинированные способы огнезащиты рассматриваются только, если они являются частью технологического процесса по монтажу конструктивной огнезащиты.
В настоящем стандарте использованы нормативные ссылки на следующие стандарты и своды правил:
ГОСТ 12.1.033-81 Система стандартов безопасности труда. Пожарная безопасность. Термины и определения
ГОСТ 427-75 Линейки измерительные металлические. Технические условия
ГОСТ 7502-98 Рулетки измерительные металлические. Технические условия
ГОСТ 9533-81 Кельмы, лопатки и отрезовки. Технические условия
ГОСТ 26020-83 Двутавры стальные горячекатаные с параллельными гранями полок. Сортамент
ГОСТ 27321-87 Леса стоечные приставные для строительно-монтажных работ. Технические условия
ГОСТ 28498-90 Термометры жидкостные стеклянные. Общие технические требования. Методы испытаний
ГОСТ 28638-90 Изделия щетинно-щеточные бытового назначения. Общие технические условия
ГОСТ 30244-94 Материалы строительные. Методы испытаний на горючесть
ГОСТ 30247.0-94 Конструкции строительные. Методы испытаний на огнестойкость. Общие требования
ГОСТ 30247.1-94 Конструкции строительные. Методы испытаний на огнестойкость. Несущие и ограждающие конструкции
ГОСТ 30403-2012 Конструкции строительные. Метод испытаний на пожарную опасность
ГОСТ Р 21.1101-2013 Система проектной документации для строительства. Основные требования к проектной и рабочей документации
ГОСТ Р 53293-2009 Пожарная опасность веществ и материалов. Материалы, вещества и средства огнезащиты. Идентификация методами термического анализа
ГОСТ Р 53295-2009 Средства огнезащиты для стальных конструкций. Общие требования. Метод определения огнезащитной эффективности
ГОСТ Р 53786-2010 Системы фасадные теплоизоляционные композиционные с наружными штукатурными слоями. Термины и определения
СП 2.13130.2012 "Системы противопожарной защиты. Обеспечение огнестойкости объектов защиты"
СТО НОСТРОЙ 2.33.51-2011 Организация строительного производства. Подготовка и производство строительных и монтажных работ
Примечание - При пользовании настоящим стандартом целесообразно проверять действие ссылочных нормативных документов в информационной системе общего пользования - на официальных сайтах национального органа Российской Федерации по стандартизации и НОСТРОЙ в сети Интернет или по ежегодно издаваемым информационным указателям, опубликованным по состоянию на 1 января текущего года. Если ссылочный документ заменен (изменен), то при пользовании настоящим стандартом следует руководствоваться новым (измененным) документом. Если ссылочный стандарт отменен без замены, то положение, в котором дана ссылка на него, применяется в части, не затрагивающей эту ссылку.
3.1 антипирен: Вещества или смеси, добавляемые в материал (вещество) органического происхождения для снижения его горючести. |
3.2
застройщик: Физическое или юридическое лицо, обеспечивающее на принадлежащем ему земельном участке строительство, реконструкцию, капитальный ремонт объектов капитального строительства, а также выполнение инженерных изысканий, подготовку проектной документации для их строительства, реконструкции, капитального ремонта (по Градостроительному кодексу Российской Федерации
[2],
статья 1, пункт 16).
3.3 плита кашированная: Плита минераловатная, с покрытием из плотного материала (например, фольги алюминиевой, стеклоткани) с одной или двух сторон.
3.4 комбинированный способ огнезащиты: Сочетания различных способов огнезащитной обработки.
3.5 конструктивная огнезащита: Способ огнезащиты строительных конструкций, основанный на создании на обогреваемой поверхности конструкции теплоизоляционного слоя средства огнезащиты. К конструктивной огнезащите относятся толстослойные напыляемые составы, огнезащитные обмазки, штукатурки, облицовка плитными, листовыми и другими огнезащитными материалами, в том числе на каркасе, с воздушными прослойками, а также комбинации данных материалов, в том числе с тонкослойными вспучивающимися покрытиями. Способ нанесения (крепления) огнезащиты должен соответствовать способу, описанному в протоколе испытаний на огнестойкость и в проекте огнезащиты. |
3.6
лицо, осуществляющее строительство, реконструкцию объекта капитального строительства: Застройщик либо привлекаемое застройщиком или заказчиком на основании договора физическое или юридическое лицо (по Градостроительному кодексу Российской Федерации
[2],
статья 52).
3.7 материал базальтовый огнезащитный рулонный; МБОР: Холст, выполненный из супертонкого базальтового волокна без связующего, не прошитый либо прошитый вязально-прошивным способом с использованием базальтовой или стекловолоконной нити, с обкладочным материалом или без него.
3.8 объект огнезащиты: Конструкция или изделие, подвергаемые обработке средством огнезащиты в целях снижения их пожарной опасности и (или) повышения предела огнестойкости.
3.9 огнезащита: Снижение пожарной опасности материалов и конструкции путем специальной обработки или нанесения покрытия (слоя). |
3.10 огнезащитная обработка: Нанесение огнезащитного состава на поверхность объекта огнезащиты (окраска, обмазка, напыление и т.п.).
3.11 огнезащитное покрытие: Слой, полученный в результате нанесения (монтажа) средства огнезащиты на поверхность объекта огнезащиты.
3.12 огнезащитный состав: Вещество или смесь веществ, обладающих огнезащитной эффективностью и предназначенных для огнезащиты различных объектов.
3.13 приведенная толщина металла: Отношение площади поперечного сечения металлической конструкции к периметру ее обогреваемой поверхности.
3.14 технологический комплект (нормокомплект): Комплект средств малой механизации, ручного и механизированного инструмента, приспособлений, инвентаря, контрольно-измерительных приборов, подобранный в соответствии с применяемой технологией и оптимальным составом бригады.
4 Общие положения о применении и классификация покрытий огнезащитных стальных конструкций
4.1 Общие положения о применении покрытий огнезащитных и их классификация приведены в
приложении А. Общие положения о проектировании огнезащиты стальных конструкций приведены в
приложении Б. Способы определения предела огнестойкости металлоконструкций изложены в
приложении В.
5 Правила выполнения работ по монтажу покрытия огнезащитного стальных конструкций
5.1 Подготовку к работам по монтажу покрытия, выполнение работ и контроль проводят с учетом
СП 48.13330,
СТО НОСТРОЙ 2.33.51,
СТО НОСТРОЙ 2.33.52. Работы по монтажу покрытия огнезащитного следует производить специализированными организациями, имеющими допуск на их выполнение, полученный в соответствии с
Приказом Министерства регионального развития Российской Федерации от 30 декабря 2009 г. N 624
[5], по утвержденному проекту производства работ (ППР).
5.2 Работы по выполнению монтажа покрытия разделяют на следующие этапы:
- подготовительный этап - включает в себя организационно-технические мероприятия по приемке, проверке необходимой документации, приемке изделий и материалов покрытия, проведению входного контроля, складированию изделий и материалов покрытия;
- основной этап - включает в себя организационно-технические мероприятия и непосредственно работы по монтажу и операционному контролю. К организационно-техническим мероприятиям относят приемку и подготовку основания, приемку изделий и материалов и их оценку;
- завершающий этап - контроль и сдача выполненных работ.
5.3 Подготовка документации, материалов и инструментов.
5.3.1 Входной контроль документации и материалов осуществляют в соответствии с 6.1 настоящего стандарта.
5.3.2 Приемку, складирование изделий и материалов следует выполнять в соответствии с условиями хранения, которые указаны в нормативных документах на конкретный вид изделий и материалов, а также в ППР.
Для производства работ по монтажу покрытия огнезащитного в ППР или в технологической карте монтажной организацией разрабатывается технологический комплект (нормокомплект) инструментов, оборудования, средств измерения и контроля, а также средств индивидуальной защиты в зависимости от типа покрытия огнезащитного и объема выполняемых работ (таблица 5.1).
Таблица 5.1
Перечень инструментов, оборудования,
средств измерения и контроля
Наименование | Тип, марка | Назначение | Основные технические характеристики |
Валик малярный | | Нанесение краски | Ширина >= 250 мм |
Ведро пластмассовое | - | Тара для подачи раствора | Объем >= 15 л |
Динамометр | | Измерение усилия отрыва | - |
Дрель электрическая | - | Размешивание раствора | Мощность >= 700 Вт |
Емкость полиэтиленовая | - | Тара для перемешивания раствора | Объем >= 40 л |
Измерительная гребенка универсальная Константа ГУ | | Измерение толщины клея для установки плит | - |
Кельма для отделочных работ | | Штукатурные работы | - |
Кисть-макловица малярная | | Обеспыливание, огрунтовка, окраска | Размер 195 x 65 мм |
Леса строительные | | Средства подмащивания | - |
Линейка измерительная металлическая | | Измерение линейных размеров | - |
Насадка для смешивания | - | Подготовка клея из сухих строительных смесей | - |
Нож строительный | - | Резка плит минераловатных | - |
Пила ручная (ножовка) | | Резка плит минераловатных | - |
Пила циркулярная ручная | - | Резка плит минераловатных | - |
Полутерок стальной | | Штукатурные работы | Ширина 140 мм Длина от 280 до 500 мм |
Растворосмеситель | - | Перемешивание раствора | Мощность >= 1,2 кВт Объем >= 50 л |
Рулетка измерительная металлическая | | Измерение линейных размеров | - |
Терка пластиковая | | Затирание декоративных составов | Размер 140 x 280 мм |
Терка шлифовальная | - | Шлифовка стыков, неровностей | - |
Термометр жидкостный стеклянный | | Измерение температуры окружающего воздуха и температуры основания | - |
Уровень строительный | | - | Длина 2 м |
Шпатель, шпатель зубчатый | | Разравнивание клея | - |
Щетка стальная ручная | - | Очистка основания | - |
Щетка-сметка | | Очистка основания | - |
Электролебедка | - | Подача материалов | Грузоподъемность >= 60 кг |
Электромешалка ручная | - | Перемешивание раствора | Мощность >= 700 Вт Частота вращения от 400 до 800 об/мин |
Перфоратор электрический | - | Сверление отверстий, удаление выступов и наплывов на поверхности бетона | Мощность >= 700 Вт |
5.4 Монтаж покрытия огнезащитного осуществляют со строительных лесов, лестниц, стремянок и строительных подъемников.
Строительные леса следует устанавливать в соответствии с ППР на жесткие недеформируемые основания. Сборку конструкций строительных лесов проводят согласно паспорту изготовителя.
В случае невозможности установки строительных лесов допускается проводить монтаж покрытия огнезащитного с лестниц, стремянок и строительных подъемников. Указание на использование данных средств приводят в ППР.
5.5 Оборудование, строительные леса, ограждения и подъемные механизмы должны соответствовать ППР объекта. После их монтажа и установки выполняются мероприятия по приемке этого оборудования в эксплуатацию.
5.6 Подготовка материалов для нанесения покрытия огнезащитного из плит минераловатных и материала базальтового огнезащитного рулонного (МБОР) <1> осуществляется по следующим технологиям с применением следующих инструментов.
--------------------------------
<1> Материалы выпускаются по нормативным документам (стандартам организации), содержащим технические условия на огнезащитные материалы. Для оценки их применения в качестве огнезащиты материалы должны быть испытаны по
ГОСТ 30244 или
ГОСТ Р 53295.
5.6.1 Используемый инструмент:
- линейка металлическая или рулетка металлическая для измерения линейных размеров плит покрытия огнезащитного;
- ножовка, нож строительный или пила циркулярная ручная для отрезки плит;
- дрель-миксер или перфоратор с насадкой для подготовки клея;
- кельма, шпатель, шпатель зубчатый для нанесения клея.
5.6.2 Раскрой плит минераловатных производится ножовкой, ножом строительным или пилой циркулярной ручной для отрезки плит отрезными или алмазными кругами (без зубьев). Раскрой материала базальтового огнезащитного рулонного производится ножом строительным.
5.6.3 Для крепления плит минераловатных рекомендовано использовать клеевые составы, которые указываются производителем плит минераловатных или МБОР. Основная характеристика клея - адгезия к стали не менее 1,0 МПа.
5.6.4 В качестве клеевых составов используются готовые к применению клеи или клеи, приготовляемые из специальной сухой строительной смеси. Марка или тип клеевого состава выбирается в соответствии с ППР.
5.6.5 Клеевые составы приготавливают в соответствии с технической документацией, указанной на упаковке клеевого состава, или в сопровождающей документации к сухой строительной смеси. Общие требования к клеевым составам приведены в
ГОСТ 28013.
После вскрытия упаковки клеевого состава необходимо убедиться, что материал сохранил сыпучесть, в его составе отсутствуют комки, уплотнения, свидетельствующие о проникновении влаги или иной жидкости внутрь упаковки.
Приготовление клеевого состава осуществляется в соответствии с рабочей инструкцией клея, применяемого в покрытии, непосредственно на строительной площадке ручным способом и с использованием дрели-миксера электрической, перфоратора электрического в режиме дрели с использованием специальной насадки или с применением стационарных миксеров. Размешивание следует продолжать до получения однородной консистенции. Через 10 мин после первого размешивания необходимо осуществить повторное размешивание клея. Температура воздуха при приготовлении раствора должна быть выше плюс 5 °C.
5.6.6 Объем подготавливаемого клеевого состава подбирается исходя из возможности монтажа системы в течение 20 - 25 мин, после чего клеевой состав теряет свои свойства.
5.7 Для предотвращения повреждения покрытия рекомендуется монтаж покрытия начинать после завершения следующих работ:
- монтажа кровельного покрытия;
- монтажа оконных и дверных блоков;
- внутренних отделочных работ, связанных с использованием большого количества воды: черновых штукатурных работ, устройства стяжки и т.п.
5.8 В процессе выполнения монтажных работ необходимо предусмотреть разработанные в ППР мероприятия по предотвращению попадания влаги на поверхности стальных конструкций и огнезащитного покрытия.
5.9 Перед нанесением клеевого состава необходимо счистить со склеиваемых участков минеральной ваты тонкий поверхностный слой. Удаление слоя производится ребром шпателя, которым следует несколько раз с нажимом провести по поверхности. Поверхность плиты из минеральной ваты, на которую наносится клеевой состав, перед его нанесением рекомендуется загрунтовать тонким слоем подготовленного клеевого состава.
5.10 После грунтового слоя наносится основной слой клеевого состава, его разравнивают шпателем по поверхности, предназначенной для установки на конструкцию металлическую. Допускается механизированное нанесение клеевого состава. Толщина слоя контролируется измерительной гребенкой универсальной.
Толщина наносимого слоя клея составляет не менее 2 мм.
Рекомендуемый расход клея составляет от 0,5 до 0,7 кг/м2.
5.11 Приклеивание плиты на клеевом растворе выполняется один раз. В случае необходимости демонтажа приклеенной плиты повторное ее приклеивание следует осуществлять только после полного удаления с поверхности прежнего клеевого состава и нанесения нового клеевого состава, предварительно очистив участки шпателем.
При монтаже следует не допускать просыхания нанесенного клеевого состава (клеевой состав не остается на пальцах при касании). В случае подсыхания, слой клеевого состава следует полностью удалить, очистив участки шпателем, и затем нанести повторно.
5.12 Клеевые загрязнения следует удалять с внешней поверхности покрытия огнезащитного сразу после нанесения клеевого состава, не допуская его засыхания.
5.13 После завершения монтажа покрытия стыки плит минераловатных следует укрыть клеевым составом. Дальнейшие работы, проводимые при соприкосновении с покрытием огнезащитным, допускается производить не ранее чем через 24 часа.
5.14 Конструктивные особенности размещения покрытия огнезащитного на конструкции металлической указываются в ППР в зависимости от размера конструкции металлической и защищаемых поверхностей.
5.15 Особенности монтажа плит минераловатных и МБОР на балках и колоннах по поверхности металлических конструкций (облицовка по контуру).
5.15.1 Покрытие по поверхности металлических конструкций на балках и колоннах выполняется из плит минераловатных и МБОР по схеме, указанной на рисунке 5.1.
Рисунок 5.1 - Схема устройства покрытия
по поверхности металлической конструкции
5.15.2 Последовательность монтажа плит на конструкцию металлическую определяется в проекте огнезащиты. При отсутствии указаний рекомендуется придерживаться следующей последовательности: сначала плиты наклеиваются на полки профиля металлической конструкции, затем на стенку профиля, в последнюю очередь - на торцы полок.
Необходимо подготовить плиты в соответствии с размерами, указанными в проекте покрытия, или по реальным размерам профиля, полученных с помощью измерений линейкой металлической. Раскрой плит осуществляется согласно
5.6.2. Рекомендуется сначала раскроить плиты, которые полностью примыкают к стальным поверхностям, например, полкам и фланцам, а затем оставшиеся части.
5.15.3 Клеевой состав в соответствии с
5.6.5 следует наносить и закреплять на конструкции, удерживая до схватывания клея не менее 5 минут. Дополнительно рекомендуется фиксировать плиты гвоздями строительными по
ГОСТ 4028 с шагом не более 200 мм по всей длине профиля в торцах покрытия
(рисунок 5.1).
5.15.4 Последовательность нанесения покрытия из МБОР определяется по
5.19.
5.16 Особенности монтажа плит минераловатных на балках и колоннах с сечением тавр и швеллер (облицовка в виде короба).
5.16.1 Покрытие на балках и колоннах с сечением тавр и швеллер (облицовка в виде короба) выполняется из плит минераловатных по схеме, указанной на рисунке 5.2.
Рисунок 5.2 - Схема устройства покрытия из плит
минераловатных на балках и колоннах с сечением тавр
и швеллер (облицовка в виде короба)
5.16.2 Требуется подготовить вставки из плит минераловатных, необходимое количество которых указывается в ППР.
При отсутствии указаний в ППР предлагается использовать следующие рекомендации.
5.16.2.1 Расчет необходимого количество вставок зависит от размера конструкции и толщины покрытия. Размеры вставок должны быть не менее 100 мм по ширине и 50 мм в толщину. Если толщина вставки больше ширины фланца тавра или швеллера, вставка изготовляется толщиной, равной ширине фланца.
Шаг между двумя вставками составляет в наибольшем значении 600 мм и определяется длиною внешних плит, т.е. вставка должна находиться посередине под стыками покрывающих плит (см.
рисунок 5.3).
Рисунок 5.3 - Пример расположения
плит и вставок на двутавре
5.16.3 Нанести подготовленный в соответствии с
5.6.5 клеевой состав на боковые торцы минераловатных вставок и закрепить их на конструкции. Вставки должны выступать за концы фланцев на 1 - 2 мм.
Перед выполнением дальнейшего монтажа покрытия необходимо дать высохнуть вклеенным вставкам не менее 12 часов.
5.16.4 Необходимо подготовить плиты в соответствии с размерами, указанными в проекте покрытия, или по реальным размерам профиля, измеренным линейкой металлической. Рекомендуется сначала раскроить плиты, которые прилагаются полностью к стальным поверхностям, например, к полкам.
5.16.5 Нанести клеевой состав на приклеиваемые участки внешних плит покрытия и закрепить их на конструкции. Клей необходимо наносить на места контактов плиты с металлической конструкцией, вставками и прилегающими плитами. Дополнительно плиты фиксируются между собой и вставками в торцах гвоздями строительными по
ГОСТ 4028 с шагом не более 200 мм и не менее 2 гвоздей на вставку (рисунок 5.4).
Рисунок 5.4 - Фиксация плит минераловатных
5.17 Особенность монтажа плит минераловатных и МБОР на балках и колоннах прямоугольного сечения.
5.17.1 Покрытие по поверхности металлических конструкций прямоугольного сечения выполняется из плит минераловатных и МБОР по схеме, указанной на рисунке 5.5.
Рисунок 5.5 - Схема покрытия по поверхности
металлической конструкции прямоугольного сечения
5.17.2 Последовательность монтажа плит на конструкцию металлическую определяется в проекте огнезащиты. При отсутствии указаний рекомендуется придерживаться следующей последовательности: необходимо подготовить плиты в соответствии с размерами, указанными в проекте покрытия, или по реальным размерам профиля, измеренным линейкой металлической. Рекомендуется сначала вырезать плиты, которые прилагаются полностью к стальным поверхностям, например, верхней и нижней частям профиля. Нарезать плиты минераловатные согласно
5.6.2. Дальнейшие работы проводить в соответствии с
5.15.3.
5.17.3 Последовательность нанесения покрытия из МБОР по
5.19.
5.18 Особенность монтажа плит на балках и колоннах круглого сечения.
5.18.1 Покрытие по поверхности металлических конструкций круглого сечения выполняется из плит минераловатных и МБОР по схеме, указанной на рисунке 5.6.
Рисунок 5.6 - Схема покрытия на балках
и колоннах круглого сечения
5.18.2 Необходимо подготовить плиты в соответствии с размерами, указанными в проекте покрытия, или по реальным размерам конструкции, измеренным линейкой металлической. Нанести подготовленный в соответствии с
5.6.5 клеевой состав на приклеиваемые участки внешних плит системы и закрепить их на конструкции. Клей необходимо наносить на места контактов плиты с металлоконструкцией и прилегающими плитами.
Профили большого диаметра обклеиваются нарезанными плитами по поверхности. Для плотного прилегания плит выполняется обрезка их торцевых частей для создания углов примыкания. Размеры углов определяются в проекте покрытия огнезащитного.
Для профилей малых диаметров огнезащитное покрытие выполняется в виде короба прямоугольного в сечении.
5.18.3 Последовательность нанесения покрытия из МБОР по
5.19.
5.19 Особенность монтажа покрытия огнезащитного из МБОР.
5.19.1 Схемы покрытий аналогичны схемам покрытий из минеральной ваты (
рисунки 5.1,
5.5,
5.6).
5.19.2 Нарезать МБОР в соответствии с размерами, указанными в проекте покрытия огнезащитного, или по фактическим размерам, измеренным линейкой металлической. Рекомендуется первый лист покрытия проверить по фактическим размерам, для чего его следует поместить на защищаемую поверхность без использования клеевого состава. При необходимости провести корректировку отрезаемых частей МБОР.
5.19.3 Нанести подготовленный в соответствии с
5.6.5 клеевой состав на конструкцию металлическую. Клей наносить на всю поверхность металлической конструкции, на которую будет приклеиваться покрытие огнезащитное из МБОР. Состав наносится на оцинкованную поверхность без предварительной грунтовки, на черный металл - на грунтовку ГФ 0119
(ГОСТ 23343). Состав наносится послойно. Оптимальная толщина одного мокрого слоя от 0,8 до 0,9 мм при нанесении методом безвоздушного распыления; вручную допускается за один проход наносить слой толщиной до 2,5 мм. Толщину влажного слоя контролируют гребенкой измерительной.
5.19.4 В случае наличия обкладочного материала, МБОР накладывается обкладочным материалом наружу на влажный слой клеевого состава. Края МБОР монтируются внахлест от 50 до 100 мм с нанесением клеевого состава между слоями.
5.20 Особенность монтажа покрытия огнезащитного из плит гипсовых и гипсоволоконных огнезащитных.
5.20.1 Провести разметку проектного положения облицовки. Вначале на полу разметить проектные оси облицовок с переносом их положения на потолок с использованием отвеса или лазерного нивелира. Затем от проектных осей при помощи линейки металлической или рулетки по полу делается разметка внутренних сторон покрытия с ее последующим зеркальным переносом на потолок.
5.20.2 Монтируют элементы стального каркаса, устанавливая зажимы для крепления профилей на край каждой полки колонны с шагом не более 1000 мм. Если высота облицовки меньше 1000 мм, то устанавливается не менее трех зажимов на каждый край полки. Отступ от перекрытий до первого зажима должен составлять не более 150 мм.
Профили нарезаются необходимой длины и вставляются в установленные зажимы. В случае, если длины профиля не хватает для облицовки, следует применять удлинитель для профилей. Удлинитель вставляется внутрь профилей, после чего фиксируется через полку профиля при помощи шурупов с полукруглой головкой.
5.20.3 Проводят крепление покрытия из плит. Крепление покрытия осуществляется в направлении от пола к потолку. К несущим основаниям плиты огнезащитной покрытие устанавливают так, чтобы они примыкали друг к другу полной площадью своего сечения. Рекомендуется сначала крепить плиты со стороны полок колонны. Крепление плит к каркасу осуществляется шурупами длиной 25 мм с шагом не более 150 мм.
Для того, чтобы шуруп крепился в центр полки или стенки профиля, расстояние от края кромки плиты должно составлять от 25 до 30 мм. Горизонтальные (торцевые) стыки, образованные прямыми кромками плит, устраиваются на вставках профилей. Вначале вставка подставляется под верхний край нижней плиты и крепится шурупами, после этого крепится нижний край верхней плиты.
Между верхней плитой и перекрытием делается зазор 5 мм, который после монтажа заполняется клеевым составом. Горизонтальные стыки заделываются с применением клеевого состава со стекловолокнистой армирующей лентой. Образованные внешние углы защищаются при помощи профиля. Профиль вдавливается в предварительно нанесенный на угол клеевой состав и выравнивается по вертикали. После этого наносится выравнивающий слой клеевого состава.
5.20.4 При подготовке поверхности под чистовую отделку проводят шпаклевание клеевым составом всей поверхности покрытия и последующее шлифование. Для заделки горизонтальных стыков облицовок используется армирующая лента, после чего на них наносится клеевой состав.
5.21 При выполнении финишных работ на покрытии применяют фольгированные плиты или материал базальтовый огнезащитный рулонный, при этом места крепления и стыки листов необходимо заклеить алюминиевым скотчем без последующей отделки.
5.22 Защита покрытия огнезащитного штукатурным слоем с последующей окраской.
5.22.1 Перед созданием армированного базового штукатурного слоя необходимо подготовить (нарезать) полотна армирующей стеклотканевой щелочестойкой сетки требуемого размера и в количестве, достаточном для укрытия всей плоскости поверхности покрытия огнезащитного (с учетом нахлеста соседних полотен не менее 10 см). Для достижения более высокого уровня ударной прочности все наружные углы армируются специальным профилем из сетки. Расход сетки на 1 м2 составляет 1,15 м2.
5.22.2 С помощью гладкой стальной терки нанести на покрытие огнезащитное клеевой состав ровным слоем толщиной от 3 до 4 мм. Эта операция выполняется на всю ширину плоскости покрытия. Перед нанесением клеевого состава поверхность плиты из минеральной ваты следует загрунтовать тонким слоем того же клеевого состава. Расход клеевого состава составляет 4 кг/м
2.
Приготовленный рулон сетки размотать на длину подготовленной поверхности, натянуть полотно сетки и прижать к покрытию с нанесенным клеевым составом, зафиксировать сетку в клеевом составе и установить второе полотно сетки с нахлестом не менее 10 см на предыдущее, прижать сетку предыдущего полотна к клеевому составу. Нанести второй слой клеевого состава толщиной до 3 мм, ровно разглаживая поверхность так, чтобы скрыть сетку под клеевым составом.
Примечание - Операции выполняются последовательно, без перерывов во времени.
5.22.3 Армирующую сетку запрещается укладывать непосредственно на покрытие. Сетка должна располагаться внутри клеевого слоя и не просматриваться на его поверхности. Неровности на поверхности армированного базового штукатурного слоя следует удалять при помощи терки с наждачной бумагой и/или острым краем кельмы на следующий день после выполнения работ, описанных в
5.22.2.
5.22.4 К нанесению декоративно-защитного финишного слоя приступают после полного высыхания армированного базового штукатурного слоя. Перед нанесением декоративно-защитного финишного слоя поверхность армированного базового штукатурного слоя необходимо загрунтовать адгезионной грунтовкой.
Примечание - Адгезионную грунтовку рекомендуется применять в цвете, близком к цвету используемой впоследствии декоративной штукатурки. Перед нанесением грунтовку необходимо тщательно перемешать.
5.22.5 Грунтовку наносят на поверхность армированного базового штукатурного слоя кистью равномерным слоем за один проход. Возможно механизированное нанесение в соответствии с инструкцией изготовителя материала. Декоративно-защитный финишный слой наносят после полного высыхания грунтовки.
Декоративную штукатурку наносят на основание механизировано или вручную при помощи терки из нержавеющей стали, при этом терку держат под углом около 60° к поверхности. Толщина наносимого слоя, как правило, должна соответствовать размеру зерна минерального заполнителя. Расход покрытия составляет от 2,5 до 2,8 кг/м2. Работы по нанесению декоративной штукатурки на одной поверхности следует выполнять непрерывно.
Если необходимо прервать работу, вдоль линии, где заканчивается штукатурный слой, крепят самоклеящуюся малярную ленту. Затем следует нанести штукатурку, удалить малярную ленту вместе с остатками штукатурки до ее схватывания. При возобновлении работ край уже оштукатуренного участка, на котором работы были прерваны, закрывают малярной лентой. Ленту следует удалить сразу после формирования структуры на новом участке штукатурки до того, как декоративная штукатурка начнет схватываться.
5.22.6 Окраску покрытия огнезащитного производят при помощи колерованной краски, соответствующей типу имеющегося на покрытии защитного слоя, окраску минеральных защитных штукатурок проводят с применением наиболее подходящей краски на силикатной основе. Не предназначенные под покраску поверхности рекомендуется закрывать пленкой или бумагой.
5.22.7 Краски перед применением следует тщательно перемешать. Краску рекомендуется наносить не менее чем за два прохода. Первый слой краски или грунтовки наносят кистью. При нанесении первого слоя краску доводят до нужной консистенции, добавив чистой воды в соответствии с инструкцией изготовителя краски и повторно перемешав. Второй слой краски наносят не разбавляя. При этом необходимо визуально следить за равномерностью нанесения краски. Возможно механизированное нанесение краски в соответствии с инструкцией изготовителя краски. Расход краски составляет 0,2 л на 1 м2.
6 Входной контроль, операционный контроль и контроль результатов работ
6.1 Входной контроль
6.1.1 Входной контроль проводят до начала работ по выполнению покрытия огнезащитного.
6.1.2 Проводят входной контроль документации покрытия огнезащитного. В состав документации представляемой застройщиком (заказчиком) подрядчику должны входить:
- проектная документация на объект капитального строительства, прошедшая экспертизу проекта и имеющая положительное заключение;
- спецификация на применяемые материалы, изделия и комплектующие.
6.1.3 Рабочая документация на покрытие теплоизоляционное и огнезащитное должна отвечать требованиям
ГОСТ Р 21.1101.
6.1.4 Лицо, осуществляющее строительство, проверяет качество и наличие исполнительной документации на выполнение предшествующих работ (отметки опорных поверхностей; отклонение размеров несущих и ненесущих металлических конструкций, допущенные при монтаже).
6.1.5 Каждая партия <1> изделий должна сопровождаться документом о качестве (паспортом). Документ о качестве (паспорт) должен иметь знак (штамп), подтверждающий приемку партии изделий техническим контролем предприятия-изготовителя.
--------------------------------
<1> Партия - группа строительных изделий одного наименования и типоразмера, изготовленных в течение определенного промежутка времени.
Примечание - В состав паспорта входят: наименование и адрес предприятия-изготовителя или его товарный знак; условное обозначение изделия; информация о сертификации изделий; номер партии (заказа); количество изделий в партии (шт. и м2); спецификация комплектующих деталей; дата изготовления и отгрузки.
6.1.6 В сопроводительных документах на плиты из минеральной ваты должно присутствовать указание на область их применения.
В комплекте сопроводительной документации должны присутствовать документы, подтверждающие соответствие продукции требованиям пожарной безопасности, прописанным в Федеральном
законе N 123-ФЗ
[6].
6.1.7 Порядок приемки и комплектность поставки материалов и изделий покрытия определяют условиями договора между лицом, осуществляющим строительство, и поставщиком материалов.
6.1.8 Комплектность поставки материалов и изделий покрытия контролируется лицом, осуществляющим строительство, по спецификациям, входящим в состав рабочей документации.
6.1.9 Проверяют комплектность элементов покрытия и соответствие их параметров рабочей документации.
6.1.10 При входном контроле лицо, осуществляющее строительство, устанавливает соответствие параметров материалов, изделий и комплектующих технической документации.
6.1.11 При входном контроле поставляемых плит минераловатных и МБОР осматривается их упаковка. Упаковка не должна иметь повреждений, приводящих к повреждению плит. Плиты минераловатные не должны иметь изломов, поверхностных повреждений, дефектов поверхности. С использованием линейки металлической контролируется соответствие заявленных линейных размеров.
Для плит и рулонов с кашированной поверхностью проверяют сохранность поверхностного покрытия. Использование плит с поврежденным поверхностным слоем не допускается.
6.1.12 Материалы, поставляемые в жидком виде (вяжущие, клеевые составы, мастики) должны иметь не поврежденную герметичную тару.
Новые материалы должны сохранять заводскую упаковку. Во время перерыва в работе должно быть обеспечено герметичное закрытие тары.
Материалы, герметичная тара которых вскрывалась и при работе с которыми был перерыв, после возобновления работ должны быть проверены на отсутствие посторонних включений в составе материала, а также на отсутствие пленок или иных следов естественного высыхания материала.
6.1.13 Материалы, поставляемые в сухом виде, должны иметь неповрежденную упаковку (мешки, пакеты). На таре должны отсутствовать следы воды, иных жидкостей.
6.1.14 Для клеевого состава рекомендуется проверить его адгезивную способность к стальной поверхности. Для этого следует приготовить клеевой состав в соответствии с инструкцией к клею или взять готовый жидкий клей из упаковки. В качестве контрольного образца поверхности используется контрольная стальная поверхность, которая аналогична по поверхности стальной конструкции, которую необходимо защищать. В качестве образца плиты минераловатной используются обрезки плиты, остающиеся после раскроя материала, или специально вырезаемый образец размером не менее 100 x 100 мм. На плиту минераловатную наносится клеевой состав, затем образец прикладывается к стальной поверхности. После высыхания клеевого состава в сроки, указанные в документации на клей, производится ручной отрыв образца минеральной ваты от металлической конструкции. Адгезия считается приемлемой, если отрыв происходит при прилагаемом усилии не менее 100 Н и плоскость отрыва приходится на минеральную вату. Измерение усилия проводят с помощью динамометра
(ГОСТ 13837), имеющего наибольший предел измерения не менее 500 Н и класс точности 1 или 2.
6.1.15 Приемка конструкций стальных производится после окончания монтажа конструкции.
6.1.16 Механическую очистку основания от остатков строительного раствора, загрязнений (пыли, мела и т.д.) проводят щеткой стальной ручной (рисунок 6.1). Удаление ржавчины проводят щеткой металлической ручной и/или с использованием специальных растворов. Поверхность конструкции стальной требуется обезжирить. Обезжиривание проводится ацетоном
(ГОСТ 2768) или его аналогом.
Рисунок 6.1
Обработка основания проводится при указании на такой вид работ в ППР.
6.1.17 Проверяют соответствие фактических размеров стальной конструкции их значениям, указанным в проектной документации. Если фактические размеры стальной конструкции отличаются от проектных, то дальнейшие действия производят, исходя из фактических размеров конструкции.
6.2 Операционный контроль в процессе выполнения покрытия огнезащитного
6.2.1 Технологические решения по выполнению покрытия огнезащитного приводятся в проекте организации строительства (ПОС) в составе проектной документации, разрабатываемой проектной организацией в соответствии с требованиями СП 48.13330.2011
(пункт 5.4).
6.2.2 В процессе выполнения монтажа должен производиться операционный контроль.
6.2.3 Операционный контроль выполнения работ по монтажу покрытия огнезащитного осуществляется производителем работ и специалистом технического заказчика (при необходимости).
6.2.4 При операционном контроле в процессе монтажных работ проверяют:
- соответствие установленных элементов покрытия огнезащитного рабочим чертежам;
- соблюдение технологии выполнения строительно-монтажных работ;
- соответствие выполняемых работ рабочим чертежам (инструментальным способом).
6.2.5 После раскроя плит и до момента нанесения клея на плиту минераловатную или конструкцию металлическую проводят контроль соответствия линейных размеров раскроенных плит фактическому размеру конструкции, на которую они крепятся. Для осуществления контроля плита прикладывается к поверхности металлической конструкции или ранее смонтированного покрытия огнезащитного. Отклонение фактических линейных размеров плиты и места ее установки не должно превышать предельного отклонения, установленного в проектной документации. Размер контролируется линейкой металлической или рулеткой металлической измерительной.
В случае, когда размер плиты превышает размер конструкции, допускается удаление излишков с использованием ножа строительного. В случае, когда размер плиты меньше размера конструкции, такая плита должна быть отбракована. Ее использование возможно для защиты других частей конструкции, чьи линейные размеры соответствуют линейным размерам плиты или которые могут быть получены путем обрезки излишних частей.
6.2.6 Контролируют прочность крепления покрытия после высыхания клеевого состава, но не ранее чем через 24 часа после выполнения работ. Для этого осматривают покрытие огнезащитное на предмет отслаивания, вспучивания, сползания и иных дефектов, которые могут обнажить металлические конструкции. Дефектные плиты снимаются до выяснения причин возникновения дефекта. Повторный монтаж покрытия возможен после повторной подготовки конструкции металлической, при этом используются материалы, обработанные в соответствии с настоящим стандартом.
6.2.7 Рекомендуется ручным способом проверить устойчивость покрытия. Для этого рукой приложить легкое усилие к плите покрытия. Данное усилие не должно вызывать смятие минеральной ваты. Плиты, к которым прилагалось усилие, не должны от приложенного усилия сдвигаться и/или отслаиваться от конструкции металлической.
6.2.8 Результаты операционного контроля на всех этапах монтажа фиксируются в журнале производства работ и актах скрытых работ.
6.3 Контроль покрытия огнезащитного на этапе сдачи-приемки
6.3.1 После завершения работ по монтажу покрытия огнезащитного проводится сдача работ.
6.3.2 Параметры, подлежащие проверке при контроле покрытия на этапе сдачи-приемки, их величины и основные требования, приведены в таблице 6.1.
Таблица 6.1
Параметры, подлежащие проверке при контроле
Контролируемые параметры | Предельная величина параметра, основные требования | Контроль (метод, объем, вид регистрации) |
Отклонения от плоскости покрытия | по горизонтали +/- 5 мм на 2 м основания; по вертикали от -5 мм до +10 мм | Измерительный, журнал работ |
Зазоры на лицевых поверхностях конструкций в местах соединения деталей | 0,3 мм | Измерительный, каждый элемент, журнал работ |
Целостность покрытия. Отсутствие припусков покрытия | Соответствие участков с нанесенным покрытием проекту нанесения покрытия и ППР | Визуальный, журнал работ |
6.3.3 Отклонения от номинальных размеров зазоров между смонтированными элементами покрытия огнезащитного определяют при помощи линейки
(ГОСТ 7502).
6.3.4 Отклонение от вертикали между смежными элементами покрытия определяют путем приложения строительного уровня
(ГОСТ 9416) к проверяемому элементу и замером наибольшего зазора между ними.
6.3.5 Окончание монтажных работ должно подтверждаться подписанием акта сдачи-приемки покрытия огнезащитного представителями авторского надзора (в случае, если подписан договор авторского надзора между заказчиком и проектной организацией на контроль за выполнением данных работ), технического надзора застройщика, генеральной подрядной организации и субподрядной организации
(приложение Г).
6.3.6 Нарушения, выявленные представителями авторского надзора (проектной организации) или генеральной подрядной организации (Градостроительный кодекс Российской Федерации
(пункт 2 статьи 53) [2]) в ходе контроля за монтажом покрытия огнезащитного, и рекомендуемые меры по их устранению фиксируются в форме предписания контроля качества (журнале производства работ и журнале авторского надзора)
(приложение Д).
6.3.7 Скрытые работы на всех этапах монтажа подлежат освидетельствованию представителями авторского надзора (проектной организации), технического надзора застройщика, генеральной подрядной организации и субподрядной организации с составлением актов скрытых работ (РД 11-02-2006
(приложение N 3) [7]). До проведения работ предоставляются: акт приемки основания, акт приемки материалов покрытия (при необходимости).
7 Обеспечение требований по безопасности при производстве работ
7.1 В процессе производства строительно-монтажных работ должны соблюдаться нормативные требования по технике безопасности в строительстве, установленные системой стандартов безопасности труда.
(справочное)
О ПРИМЕНЕНИИ И КЛАССИФИКАЦИЯ ПОКРЫТИЙ ОГНЕЗАЩИТНЫХ
В КОНСТРУКЦИЯХ СТАЛЬНЫХ
А.1 К металлическим несущим конструкциям относят:
- балки;
- колонны;
- стальные покрытия (настилы);
- натяжные тросы (стержни).
Покрытие огнезащитное предназначено для защиты конструкции в связи с достижением ею одного из предельных состояний при огневом (температурном) воздействии.
А.2 Предел огнестойкости строительных конструкций устанавливается по времени (в минутах) наступления одного или последовательно нескольких, нормируемых для данной конструкции, признаков предельных состояний:
- несущей способности вследствие обрушения конструкции или возникновения предельных деформаций (R);
- целостности в результате образования в конструкциях сквозных трещин или отверстий, через которые на необогреваемую поверхность проникают продукты горения или пламя (E);
- теплоизолирующей способности вследствие повышения температуры на необогреваемой поверхности конструкции до предельных для данной конструкции значений (I).
Предельные состояния описываются следующими количественными показателями:
а) несущая способность вследствие обрушения конструкции или возникновения предельных деформаций (R):
1) для изгибаемых конструкций следует считать, что предельное состояние наступило, если прогиб достиг величины L/20 или скорость нарастания деформаций достигла L2/(9000h) см/мин (где L - пролет, см; h - расчетная высота сечения конструкции, см);
2) для вертикальных конструкций предельным состоянием следует считать условие, когда вертикальная деформация достигает L/100 или скорость нарастания вертикальных деформаций достигает 10 мм/мин для образцов высотой (3 +/- 0,5) м;
б) целостность в результате образования в конструкциях сквозных трещин или отверстий, через которые на необогреваемую поверхность проникают продукты горения или пламя (E):
1) в процессе испытания потерю целостности определяют при помощи тампона по
ГОСТ 30247.0, который помещают в металлическую рамку с держателем и подносят к местам, где ожидается проникновение пламени или продуктов горения, и в течение 10 с держат на расстоянии от 20 до 25 мм от поверхности образца. Время от начала испытания до воспламенения или возникновения тления со свечением тампона является пределом огнестойкости конструкции по признаку потери целостности. Обугливание тампона, происходящее без воспламенения или без тления со свечением, не учитывают;
в) теплоизолирующая способность вследствие повышения температуры на необогреваемой поверхности конструкции до предельных для данной конструкции значений (I):
1) потеря теплоизолирующей способности I вследствие повышения температуры на необогреваемой поверхности конструкции в среднем более чем на 140 °C или в любой точке этой поверхности более чем на 180 °C в сравнении с температурой конструкции до испытания или более 220 °C независимо от температуры конструкции до испытания.
А.3 Пределы огнестойкости строительных конструкций в зависимости от степени огнестойкости здания указаны в
таблице Е.1.
А.4 Для нормирования пределов огнестойкости металлических конструкций используют следующие предельные состояния:
- для колонн, балок, ферм, арок и рам - только потеря несущей способности конструкции и узлов R;
- натяжные тросы не классифицируются, а предел их огнестойкости определяется для каждого конкретного случая.
А.5 В зависимости от формы поставки изделия огнезащитные подразделяются на штучные и рулонные.
А.5.1 К штучным изделиям относят блоки, листы, плиты и т.п., выполненные из различного вида материалов.
А.5.2 К рулонным изделиям относят волокнистые изделия в виде матов из минерального и стеклянного волокна на синтетическом связующем или прошивные, скрепленных между собой силами естественного сцепления.
А.6 Покрытия в зависимости от состава материала наносимого покрытия и свойств огнезащиты подразделяются на:
- конструкции, состоящие из однослойного и/или многослойного покрытия, выполненные из штучных изделий;
- штукатурки огнезащитные, представляющие собой композиции, по содержанию компонентов аналогичные штукатуркам, но отличающиеся составом наполнителей и антипиренов.
А.7 Для покрытия огнезащитного должны использоваться материалы, имеющие группу горючести НГ и в сопроводительной документации которых указано, что такие материалы специально предназначены для огнезащиты. Также такие материалы должны иметь соответствующие сертификаты и протоколы испытаний для подтверждения их огнезащитной эффективности.
А.8 Огнезащита стальных несущих конструкций проектируется на основании требований
ГОСТ Р 53295. Огнезащитное покрытие на стальные конструкции монтируется таким образом, чтобы вся поверхность конструкции оказалась закрыта.
А.9 Выделяют два варианта нанесения огнезащитного покрытия на стальные конструкции:
- обкладка профиля стального по периметру;
- устройство защитного кожуха вокруг профиля.
А.10 Расчет периметра обогреваемой поверхности выполняется при проектировании конструкции. Площадь обогреваемой поверхности выбирается из соответствующего сортамента либо рассчитывается.
А.11 Пределы огнестойкости стальных несущих конструкций указаны в
приложении Е.
Приведенные толщины двутавров для расчета толщины облицовки конструкций металлических приведены в
приложении Ж.
Показатели огнестойкости стальных конструкций указаны в
приложении И.
Примечание - Так как в данном стандарте не рассматриваются покрытия (настилы) и натяжные тросы (стержни), то в настоящем стандарте рассматривается защита от потери несущей способности (R).
Таблица А.1
Обогреваемый периметр при различных видах облицовки обогрева
В миллиметрах
Профиль | Облицовка по контуру | Облицовка в виде короба |
с 4 сторон | с 3 сторон | с 4 сторон | с 3 сторон |
| | ИС МЕГАНОРМ: примечание. Формулы даны в соответствии с официальным текстом документа. | |
|
| 2B + D + 2(B - 1) = 4B - 2D - 2t | 2B + D + 2(B - 1) - 4B + 2D - 2t | 2B + 2D | B + 2D |
| 2B + 2D | B + 2D | 2B + 2D | B + 2D |
| 2B + 2D + 2(B - t) = 4B + 2D - 2t | B - 2D + 2(B·t) = 3B + 2D - 2t | 2B + 2D | B + 2D |
| 2B + 2D | B + 2D | 2B + 2D | B + 2D |
| | - | | - |
(рекомендуемое)
ОГНЕЗАЩИТА СТАЛЬНЫХ НЕСУЩИХ КОНСТРУКЦИЙ. ОБЩИЕ ПОЛОЖЕНИЯ
К ПРОЕКТИРОВАНИЮ ОГНЕЗАЩИТЫ СТАЛЬНЫХ КОНСТРУКЦИЙ
Б.1 Область применения различных способов огнезащиты определяют с учетом требуемого предела огнестойкости металлической конструкции, ее типа и ориентации в пространстве (колонны, стойки, ригели, балки, связи), вида нагрузки, действующей на конструкцию (статическая, динамическая), температурно-влажностного режима эксплуатации и производства работ по огнезащите (сухие, мокрые процессы), степени агрессивности окружающей среды, увеличения нагрузки на конструкцию за счет огнезащиты, эстетических требований и др.
Строительные металлические конструкции, не распространяющие огонь, имеют неорганическую структуру и являются негорючими. В условиях пожара металлические конструкции в основном теряют свою несущую способность через 15 мин, поэтому в тех случаях, когда требуемый предел огнестойкости превышает это значение, металлические колонны, фермы и балки подвергают огнезащите.
Требование по огнезащите конструкций сооружений регламентируется Федеральным
законом N 123-ФЗ
[6]. Требуемая степень огнестойкости зданий, сооружений и класс их конструктивной пожарной опасности устанавливается нормативными документами по пожарной безопасности.
Огнезащита должна обеспечить высокую сопротивляемость конструкций действию огня и высоких температур, иметь низкую теплопроводность и достаточную адгезию к металлу. Она должна быть долговечной, технология нанесения должна быть доступной.
Б.2 В соответствии с требованиями Федерального
закона N 123-ФЗ
[6] здания, сооружения и пожарные отсеки по степени огнестойкости подразделяются на здания, сооружения и пожарные отсеки I, II, III, IV и V степеней огнестойкости, которые устанавливаются в зависимости от их этажности, класса функциональной пожарной опасности, площади пожарного отсека и пожарной опасности происходящих в них технологических процессов. Пределы огнестойкости строительных конструкций должны соответствовать принятой степени огнестойкости зданий, сооружений и пожарных отсеков.
Степени огнестойкости зависят от значений пределов огнестойкости основных строительных конструкций, принимаемых в часах или минутах, и пределов распространения огня по ним, принимаемым в сантиметрах. Нормированию подлежат стены, перегородки, колонны, элементы лестничных клеток, перекрытий и покрытий. При несоответствии хотя бы одного из элементов здания (сооружения) требуемым значениям степень огнестойкости всего здания уменьшается до степени огнестойкости, при которой значение фактического предела огнестойкости соответствует требуемому.
В зависимости от степени огнестойкости здания или сооружения нормы пожарной безопасности регламентируют их назначение, противопожарные разрывы, этажность, площадь пожарных отсеков, длину путей эвакуации и т.п.
Б.3 Строительные конструкции характеризуются огнестойкостью и пожарной опасностью.
Предел огнестойкости строительных конструкций устанавливается по времени наступления одного или последовательно нескольких нормируемых для данной конструкции признаков предельных состояний:
- потери несущей способности;
- потери целостности;
- потери теплоизолирующей способности.
Пределы огнестойкости строительных конструкций устанавливаются по
ГОСТ 30247.0.
По пожарной опасности строительные конструкции подразделяются на 4 класса:
К0 - непожароопасные;
К1 - малопожароопасные;
К2 - умереннопожароопасные;
К3 - пожароопасные.
Класс пожарной опасности строительных конструкций устанавливают по
ГОСТ 30403.
Б.4 Факторами, определяющими воздействие пожара на стальные конструкции, являются уровень рабочих напряжений, температура прогрева конструкции и длительность воздействий. Влияние повышенных температур пожара приводит к изменению прочностных и деформационных свойств применяемых сталей, появлению температурных напряжений и деформаций, а длительность процесса обусловливает возможность возникновения значительных деформаций ползучести. Все это может привести к получению стальными конструкциями необратимых деформаций, потери ими несущей или ограждающей способности. В свою очередь, потеря ограждающей способности может явиться причиной распространения пожара в смежных помещениях здания со стальным пространственным каркасом, а потеря несущей способности конструкций может вызвать обрушение самих конструкций.
Б.5 С ростом температуры теплопроводность сталей падает, а удельная теплоемкость увеличивается.
В процессе нагрева несущие стальные конструкции находятся под действием постоянной рабочей нагрузки, а металл этих конструкций нагревается в напряженном состоянии. В этом случае рост деформации и снижение прочности металла зависят от режима его нагрева, так как эти процессы происходят во времени, и, следовательно, связаны с явлением ползучести.
До определенной температуры деформация стали увеличивается примерно с постоянной скоростью (в основном за счет температурного расширения). Затем начинает проявляться температурная ползучесть стали, при этом скорость роста деформации образца плавно возрастает.
Б.6 Незащищенные несущие металлические конструкции, как правило, имеют очень низкий предел огнестойкости (в среднем 15 мин).
(рекомендуемое)
СПОСОБЫ ОПРЕДЕЛЕНИЯ ПРЕДЕЛА
ОГНЕСТОЙКОСТИ МЕТАЛЛОКОНСТРУКЦИЙ
В.1 Для определения огнестойкости несущих и ограждающих металлических конструкций используются методики согласно
ГОСТ 30247.1. Они предназначаются для:
- колонн и столбов;
- балок, ригелей, элементов арок и рам, а также других несущих и ограждающих конструкций.
Сущность метода заключается в определении огнезащитной эффективности покрытия при тепловом воздействии на опытный образец и определении времени от начала теплового воздействия до наступления предельного состояния этого образца. За предельное состояние принимается время достижения стали опытных образцов температуры 500 °C (средняя температура по трем термоэлектрическим преобразователям (ТЭП)).
Должны использоваться стальные колонны двутаврового сечения профиля 20 по
ГОСТ 8239 или профиля 20Б1 по
ГОСТ 26020. Высота образца должна составлять (1700 +/- 10) мм.
В.2 Приведенная толщина металла стальной колонны определяется непосредственно перед каждым испытанием.
В.3 В процессе проведения испытаний регистрируются следующие показатели:
- время наступления предельного состояния;
- изменение температуры в печи;
- поведение огнезащитного покрытия (вспучивание, обугливание, отслоение, выделение дыма, продуктов горения и т.д.);
- изменение температуры металла опытного образца.
Испытания проводятся без статической нагрузки при четырехстороннем тепловом воздействии до наступления предельного состояния опытного образца.
За результат одного испытания принимается время (в минутах) достижения предельного состояния опытного образца.
В.4 Контрольный метод испытания огнезащитных составов используется при контроле огнезащитной эффективности огнезащитных составов при их производстве, а также при поставках крупных партий огнезащитных покрытий.
Сущность метода заключается в тепловом воздействии на опытный образец и определении времени от начала теплового воздействия до наступления предельного состояния опытного образца.
Необогреваемая поверхность опытного образца должна быть теплоизолирована материалом с величиной термического сопротивления не менее 1,9 Вт/(м2·°C) и толщиной не менее 100 мм.
В.5 Состав, толщина и технология нанесения огнезащитного состава, а именно способ нанесения (механизированный способ или вручную), качество стальной поверхности, на которую наносится покрытие (неокрашенная очищенная поверхность или поверхность, загрунтованная лакокрасочными покрытиями), должны быть идентичными составу, толщине и технологии нанесения, применявшимся при испытаниях по оценке огнезащитной эффективности покрытий для несущих стальных конструкций.
В.6 В процессе проведения испытаний регистрируются следующие показатели:
- время наступления предельного состояния;
- изменение температуры в печи;
- поведение огнезащитного покрытия (вспучивание, обугливание, отслоение, выделение дыма, продуктов горения и т.д.);
- изменение температуры на необогреваемой поверхности опытного образца.
За предельное состояние принимается время достижения стали опытных образцов температуры 500 °C (средняя температура по трем ТЭП).
В.7 Согласно
ГОСТ Р 53293 работа по контролю за соблюдением требований нормативных документов на средства огнезащиты на предприятиях и объектах строительства должна проводиться, в том числе, по следующим направлениям:
- контроль качества выпускаемых и применяемых средств огнезащиты и их соответствия требованиям нормативных документов;
- проверка пригодности состояния технического оборудования для приготовления огнезащитных составов;
- проверка наличия на рабочих местах выписок из технологических карт по приготовлению и нанесению средств огнезащиты;
- контроль состояния огнезащитных покрытий, нанесенных на защищаемые материалы и конструкции, по истечении различных сроков их эксплуатации;
- проверка соответствия условий эксплуатации огнезащитных покрытий требованиям нормативных документов.
В.8 В целях определения качества производимых и применяемых средств огнезащиты проводятся контрольные испытания отобранных проб огнезащитных составов на соответствие требованиям нормативных документов
(ГОСТ Р 53293). Испытания проводятся в аккредитованных в установленном порядке испытательных лабораториях (центрах).
В.9 В целях определения качества выполненной огнезащитной обработки металлоконструкций, защищенных огнезащитными средствами, проводится визуальный осмотр нанесенных огнезащитных покрытий для выявления необработанных мест, трещин, отслоений, изменения цвета, повреждений, а также замер толщины нанесенного слоя. Внешний вид и толщина слоя огнезащитного покрытия, нанесенного на защищаемую поверхность, должны соответствовать требованиям нормативных документов на данные покрытия.
Требования нормативных документов на средства огнезащиты считаются несоблюдаемыми, если выпускаемая продукция, выполненные работы (оказанные услуги), режимы эксплуатации не соответствуют хотя бы одному из требований нормативных документов на средства огнезащиты.
В.10 Способы определения толщины огнезащитного покрытия для данного предела огнестойкости конкретной конструкции.
Расчетный метод определения толщины огнезащитного покрытия.
Для незащищенных металлических конструкций температура стали в процессе нагрева описывается уравнением:

(В.1)
где tст - температура стержня;

- расчетный интервал времени;

- плотность стали;

- приведенная толщина металла;
Cст - начальный коэффициент теплоемкости металла;
Dст - коэффициент теплоемкости металла при нагреве;
tв - температура нагревающей среды в данный момент времени.
В результате расчета оказывается, что температура незащищенных металлических конструкций в процессе нагрева зависит только от одного геометрического параметра - приведенной толщины металла

. Это позволяет для каждого вида металла составить одну номограмму, с помощью которой можно определить температуру незащищенных конструкций любых сечений.
В.11 Зависимость предела огнестойкости статически определимых конструкций от приведенной толщины при условиях, вызываемых нормативной нагрузкой, выражается значениями, указанными в таблице В.1.
Таблица В.1
Зависимость собственного предела огнестойкости
металлоконструкций от приведенной толщины металла
Приведенная толщина, мм | Предел огнестойкости, мин |
3 | 5 |
5 | 9 |
10 | 15 |
15 | 18 |
20 | 21 |
30 | 27 |
Промежуточные значения пределов огнестойкости определяются методом линейной интерполяции.
Толщину слоя огнезащитного покрытия для каждой конкретной конструкции можно получить двумя путями: расчетным и экспериментальным.
В.12 Экспериментальный метод расчета толщины покрытия заключается в том, что на основании ряда экспериментальных оценок предела огнестойкости конструкции с различной приведенной толщиной и разными толщинами покрытий строятся зависимости, с помощью которых рассчитываются параметры наносимого слоя.
В отдельных случаях информация по необходимым толщинам покрытий для различных конструкций и пределов огнестойкости выполняется в виде таблиц.
Проект огнезащиты должен содержать следующие разделы:
- обоснование выбора средств и способа огнезащиты;
- определение толщины защитного слоя для каждого типа конструкции;
- чертежи конструктивной огнезащиты.
В.13 Проект огнезащиты строительных конструкций, отвечающий требованиям по огнестойкости, осуществляется с целью обоснованного выбора таких материалов, структуры, формы, размеров, условий заделки и параметров огнезащиты каждой металлоконструкции, которые гарантируют минимум ее массы, материалоемкости и стоимости.
При разработке проекта огнезащиты необходимо учитывать конструктивные, эксплуатационные, технологические и технико-экономические факторы:
- значение требуемого предела огнестойкости конструкции;
- тип конструкции и ориентацию защищаемых поверхностей в пространстве (колонны, стойки, ригели, балки, связи);
- вид нагрузок, действующих на конструкцию (статическая, динамическая);
- температурно-влажностные условия эксплуатации огнезащиты и выполнения работ по ее нанесению;
- степень агрессивности окружающей среды по отношению к огнезащите и материалу конструкции;
- увеличение нагрузки на конструкцию за счет массы огнезащиты;
- эстетические требования к конструкции;
- технико-экономические показатели.
(рекомендуемое)
ФОРМА АКТА ПРИЕМКИ ВЫПОЛНЕННЫХ РАБОТ
| АКТ приемки выполненных работ | |
г. | | | |
| (дата составления документа) |
|
(наименование работ) |
на объекте | |
| (наименование здания, сооружения) |
в осях | | на отм.: |
по адресу: | |
| (район застройки, квартал, улица, N дома и корпуса) |
Комиссия в составе представителей: |
Авторского надзора | |
| (должность, наименование организации, Ф.И.О.) |
| |
Технического надзора застройщика | |
(должность, наименование организации, Ф.И.О.) |
| |
Генеральной подрядной организации | |
(должность, наименование организации, Ф.И.О.) |
| |
Субподрядной организации | |
| (должность, наименование организации, Ф.И.О.) |
| |
Произвела осмотр работ, выполненных | |
| (наименование строительно-монтажной организации) |
и составила настоящий акт о нижеследующем: |
1. К освидетельствованию и приемке предъявлены следующие работы: |
|
(наименование скрытых работ) |
2. Работы выполнены по проектно-сметной документации: |
|
|
(стандарт, проект серии, наименование проектной организации, номера чертежей и дата их составления) |
3. При выполнении работ применены |
|
(наименование материалов, конструкций, изделий со ссылкой на документы, подтверждающие качество) |
4. Работы выполнены в период с | | по | | |
РЕШЕНИЕ КОМИССИИ Работы выполнены в соответствии с проектно-сметной документацией, стандартами, строительными нормами и правилами и отвечают требованиям их приемки. С ЗАМЕЧАНИЯМИ/БЕЗ ЗАМЕЧАНИЙ (ненужное вычеркнуть) |
|
|
(наименование работ и конструкций) |
ПРЕДСТАВИТЕЛИ: |
Авторского надзора |
| (подпись) | | (Ф.И.О.) |
Технического надзора застройщика |
| (подпись) | | (Ф.И.О.) |
Генеральной подрядной организации |
| (подпись) | | (Ф.И.О.) |
Субподрядной организации |
| (подпись) | | (Ф.И.О.) |
(рекомендуемое)
ФОРМА ПРЕДПИСАНИЯ КОНТРОЛЯ КАЧЕСТВА
СТРОИТЕЛЬНО-МОНТАЖНЫХ РАБОТ
| ПРЕДПИСАНИЕ контроля качества строительно-монтажных работ | |
г. | | | |
| | (дата составления документа) |
на объекте | |
| (наименование здания, сооружения) |
по адресу: | |
| (район застройки, квартал, улица, N дома и корпуса) |
Представитель |
Технического надзора застройщика | Авторского надзора | Генеральной подрядной организации |
(нужное подчеркнуть) |
|
(должность, наименование организации, Ф.И.О.) |
совместно с представителем подрядной организации |
|
(должность, наименование организации, Ф.И.О.) |
произвел осмотр работ, выполненных | |
| (наименование строительно-монтажной организации) |
На основании проведенного осмотра предложены к выполнению следующие мероприятия: |
N п/п | Наименование мероприятий | Срок исполнения | Отметки о выполнении |
| | | |
| | | |
| | | |
Ответственных исполнителей по выполнению перечисленных выше мероприятий необходимо назначить приказом. В случае несогласия с предлагаемыми мероприятиями или сроками, необходимо сообщить Представителю особое мнение в 5-ти дневный срок с момента получения настоящего предписания. |
Работник, составивший предписание | | | |
| (подпись) | | (Ф.И.О.) |
Представитель подрядной организации | | | |
| (подпись) | | (Ф.И.О.) |
(рекомендуемое)
ПРЕДЕЛЫ ОГНЕСТОЙКОСТИ СТАЛЬНЫХ НЕСУЩИХ КОНСТРУКЦИЙ
Степень огнестойкости здания <1> | Несущие элементы здания | Предел огнестойкости строительных конструкций, не менее |
Наружные ненесущие стены | Перекрытия межэтажные, (в т.ч. чердачные и над подвалами) | Элементы бесчердачных покрытий | Лестничные клетки |
Настилы (в том числе с утеплителем) | Фермы, балки, прогоны | Внутренние стены | Марши и площадки лестниц |
I | R 120 | E 30 | REI 60 | RE 30 | R 30 | REI 120 | R 60 |
II | R 90 | E 15 | REI 45 | RE 15 | R 15 | REI 90 | R 60 |
III | R 45 | E 15 | REI 45 | RE 15 | R 15 | REI 60 | R 45 |
IV | R 15 | E 15 | REI 15 | RE 15 | R 15 | REI 45 | R 15 |
V | не нормируется |
<1> Степень огнестойкости здания назначается по релевантным СП в зависимости от этажности, площади и вместимости здания. |
(рекомендуемое)
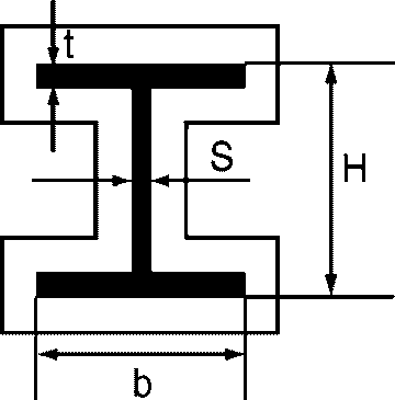
ПРИВЕДЕННЫЕ ТОЛЩИНЫ ДВУТАВРОВ ДЛЯ РАСЧЕТА
ТОЛЩИНЫ ОБЛИЦОВКИ КОНСТРУКЦИЙ МЕТАЛЛИЧЕСКИХ
Периметр обогреваемой поверхности:
H = 2h + 2B + 2(b - s)
Рисунок Ж.1 - Облицовка по контуру
Периметр обогреваемой поверхности:
H = 2h + 2b
Рисунок Ж.2 - Облицовка в виде контура
Таблица Ж.1
Номер профиля | h, мм | b, мм | s, мм | t, мм | R, мм | Площадь сечения, см2 | Облицовка в виде короба | Облицовка по контуру |
колонна | балка | балка | колонна |
Приведенная толщина для обогрева |
с 4 сторон | с 3 сторон | с 3 сторон | с 4 сторон |
10 | 100 | 55 | 4,5 | 7,2 | 7,0 | 12,0 | 3,9 | 4,7 | 3,4 | 2,9 |
12 | 120 | 64 | 4,8 | 7,3 | 7,5 | 14,7 | 4,0 | 4,8 | 3,5 | 3,0 |
14 | 140 | 73 | 4,9 | 7,5 | 8,0 | 17,4 | 4,1 | 4,9 | 3,6 | 3,1 |
16 | 160 | 81 | 5,0 | 7,8 | 8,5 | 20,2 | 4,2 | 5,0 | 3,7 | 3,2 |
18 | 180 | 90 | 5,1 | 8,1 | 9,0 | 23,4 | 4,3 | 5,2 | 3,8 | 3,3 |
20 | 200 | 100 | 5,2 | 8,4 | 9,5 | 26,8 | 4,5 | 5,4 | 3,9 | 3,4 |
22 | 220 | 110 | 5,4 | 8,7 | 10,0 | 30,6 | 4,6 | 5,6 | 4,0 | 3,5 |
24 | 240 | 115 | 5,6 | 9,5 | 10,5 | 34,8 | 4,9 | 5,8 | 4,3 | 3,7 |
27 | 270 | 125 | 6,0 | 9,8 | 11,0 | 40,2 | 5,1 | 6,0 | 4,5 | 3,9 |
30 | 300 | 135 | 6,5 | 10,2 | 12,0 | 46,5 | 5,3 | 6,3 | 4,7 | 4,1 |
33 | 330 | 140 | 7,0 | 11,2 | 13,0 | 53,8 | 5,7 | 6,7 | 5,0 | 4,5 |
36 | 360 | 145 | 7,5 | 12,3 | 14,0 | 61,9 | 6,1 | 7,2 | 5,4 | 4,8 |
40 | 400 | 155 | 8,3 | 13,0 | 15,0 | 72,6 | 6,5 | 7,6 | 5,8 | 5,2 |
45 | 450 | 160 | 9,0 | 14,2 | 16,0 | 84,7 | 6,9 | 8,0 | 6,2 | 5,6 |
50 | 500 | 170 | 10,0 | 15,2 | 17,0 | 100,0 | 7,5 | 8,5 | 6,7 | 6,0 |
55 | 550 | 180 | 11,0 | 16,5 | 18,0 | 118,0 | 8,1 | 9,2 | 7,3 | 6,6 |
60 | 600 | 190 | 12,0 | 17,8 | 20,0 | 138,0 | 8,7 | 9,9 | 7,9 | 7,1 |
Таблица Ж.2
Двутавры стальные горячекатаные
Номер профиля | h, мм | b, мм | s, мм | t, мм | R, мм | Площадь сечения, см2 | Облицовка в виде короба | Облицовка по контуру |
колонна | балка | балка | колонна |
Приведенная толщина для обогрева |
с 4 сторон | с 3 сторон | с 3 сторон | с 4 сторон |
20К1 | 195 | 200 | 6,5 | 10,0 | 13 | 52,82 | 6,7 | 9,0 | 5,4 | 4,5 |
20К2 | 198 | 200 | 7,0 | 11,5 | 59,70 | 7,5 | 10,0 | 6,1 | 5,1 |
23К1 | 227 | 240 | 7,0 | 10,5 | 14 | 66,51 | 7,1 | 9,6 | 5,7 | 4,8 |
23К2 | 230 | 240 | 8,0 | 12,0 | 75,77 | 8,1 | 10,8 | 6,5 | 5,4 |
26К1 | 255 | 260 | 8,0 | 12,0 | 16 | 83,08 | 8,1 | 10,8 | 6,5 | 5,4 |
26К2 | 258 | 260 | 9,0 | 13,5 | 93,19 | 9,0 | 12,0 | 7,3 | 6,1 |
26К3 | 262 | 260 | 10,0 | 15,5 | 105,90 | 10,1 | 13,5 | 8,2 | 6,9 |
30К1 | 296 | 300 | 9,0 | 13,5 | 18 | 108,00 | 9,1 | 12,1 | 7,3 | 6,1 |
30К2 | 300 | 300 | 10,0 | 15,5 | 122,70 | 10,2 | 13,6 | 8,3 | 6,9 |
30К3 | 304 | 300 | 11,5 | 17,5 | 138,72 | 11,5 | 15,3 | 9,3 | 7,8 |
35К1 | 343 | 350 | 10,0 | 15,0 | 20 | 139,70 | 10,1 | 13,5 | 8,1 | 6,8 |
35К2 | 348 | 350 | 11,0 | 17,5 | 160,40 | 11,5 | 15,3 | 9,3 | 7,7 |
35К3 | 353 | 350 | 13,0 | 20,0 | 184,10 | 13,1 | 17,4 | 10,6 | 8,9 |
40К1 | 393 | 400 | 11,0 | 16,5 | 22 | 175,80 | 11,1 | 14,8 | 9,0 | 7,4 |
40К2 | 400 | 400 | 13,0 | 20,0 | 210,96 | 13,2 | 17,6 | 10,7 | 8,9 |
40К3 | 409 | 400 | 16,0 | 24,5 | 257,80 | 15,9 | 21,2 | 13,0 | 10,8 |
40К4 | 419 | 400 | 19,0 | 29,5 | 308,60 | 18,8 | 24,9 | 15,4 | 12,9 |
40К5 | 431 | 400 | 23,0 | 35,5 | 371,00 | 22,3 | 29,4 | 18,4 | 15,4 |
Таблица Ж.3
Номер профиля | h, мм | b, мм | s, мм | t, мм | R, мм | Площадь сечения, см2 | Облицовка в виде короба | Облицовка по контуру |
колонна | балка | балка | колонна |
Приведенная толщина для обогрева |
с 4 сторон | с 3 сторон | с 3 сторон | с 4 сторон |
20Ш1 | 193 | 150 | 6,0 | 9,0 | 13 | 39,0 | 5,7 | 7,3 | 4,7 | 4,0 |
| | ИС МЕГАНОРМ: примечание. Значение t дано в соответствии с официальным текстом документа. | |
|
23Ш1 | 226 | 155 | 6,5 | 1,00 | 14 | 46,1 | 6,0 | 7,6 | 5,1 | 4,4 |
26Ш1 | 251 | 180 | 7,0 | 10,0 | 16 | 54,4 | 6,3 | 8,0 | 5,3 | 4,5 |
26Ш2 | 255 | 180 | 7,5 | 12,0 | 62,7 | 7,2 | 9,1 | 6,1 | 5,2 |
30Ш1 | 291 | 200 | 8,0 | 11,0 | 18 | 68,3 | 7,0 | 8,7 | 5,9 | 5,0 |
30Ш2 | 295 | 200 | 8,5 | 13,0 | 77,7 | 7,8 | 9,8 | 6,6 | 5,7 |
30Ш3 | 299 | 200 | 9,0 | 15,0 | 87,0 | 8,7 | 10,9 | 7,4 | 6,3 |
35О1 | 338 | 250 | 9,5 | 12,5 | 20 | 95,7 | 8,1 | 10,3 | 6,8 | 5,8 |
35Ш2 | 341 | 250 | 10,0 | 14,0 | 105,0 | 8,9 | 11,2 | 7,4 | 6,3 |
35Ш3 | 345 | 250 | 10,5 | 16,0 | 116,0 | 9,8 | 12,4 | 8,2 | 7,0 |
40Ш1 | 388 | 300 | 9,5 | 14,0 | 22 | 122,0 | 8,9 | 11,4 | 7,4 | 6,3 |
40Ш2 | 392 | 300 | 11,5 | 16,0 | 142,0 | 10,2 | 13,1 | 8,5 | 7,2 |
40Ш3 | 396 | 300 | 12,5 | 18,0 | 157,0 | 11,3 | 14,4 | 9,4 | 8,0 |
50Ш1 | 484 | 300 | 11,0 | 15,0 | 26 | 146,0 | 9,3 | 11,5 | 7,9 | 6,8 |
50Ш2 | 489 | 300 | 14,5 | 17,5 | 177,0 | 11,2 | 13,8 | 9,6 | 8,2 |
50Ш3 | 495 | 300 | 15,5 | 20,5 | 199,0 | 12,5 | 15,4 | 10,7 | 9,2 |
50Ш4 | 501 | 300 | 16,5 | 23,5 | 222,0 | 13,8 | 17,0 | 11,9 | 10,2 |
60Ш1 | 580 | 320 | 12,0 | 17,0 | 28 | 181,0 | 10,1 | 12,2 | 8,6 | 7,5 |
60Ш2 | 587 | 320 | 16,0 | 20,5 | 225,0 | 12,4 | 15,1 | 10,7 | 9,3 |
60Ш3 | 595 | 320 | 18,0 | 24,5 | 262,0 | 14,3 | 17,3 | 12,4 | 10,8 |
60Д14 | 603 | 320 | 20,0 | 28,5 | 298,0 | 16,2 | 19,6 | 14,0 | 12,2 |
70Ш1 | 683 | 320 | 13,5 | 19,0 | 30 | 216,0 | 10,8 | 12,8 | 9,4 | 8,3 |
70Ш2 | 691 | 320 | 15,0 | 23,0 | 252,0 | 12,4 | 14,8 | 10,9 | 9,6 |
70Ш3 | 700 | 320 | 18,0 | 27,5 | 300,0 | 14,7 | 17,4 | 12,9 | 11,3 |
70Ш4 | 708 | 320 | 20,5 | 31,5 | 342,0 | 16,6 | 19,7 | 14,6 | 12,9 |
70Ш5 | 718 | 320 | 23,0 | 36,5 | 390,0 | 18,8 | 22,2 | 16,6 | 14,6 |
Таблица Ж.4
Номер профиля | h, мм | b, мм | s, мм | t, мм | R, мм | Площадь сечения, см2 | Облицовка в виде короба | Облицовка по контуру |
колонна | балка | балка | колонна |
Приведенная толщина для обогрева |
с 4 сторон | с 3 сторон | с 3 сторон | с 4 сторон |
10Б1 | 100,0 | 55 | 4,1 | 5,7 | 7 | 10,32 | 3,3 | 4,0 | 2,9 | 2,0 |
12Б1 | 117,6 | 64 | 3,8 | 5,1 | 7 | 11,03 | 3,0 | 3,7 | 2,6 | 1,8 |
12Б2 | 120,0 | 64 | 4,4 | 6,3 | 13,21 | 3,6 | 4,3 | 3,1 | 2,1 |
14Б1 | 137,4 | 73 | 3,8 | 5,6 | 7 | 13,39 | 3,2 | 3,8 | 2,8 | 1,9 |
14Б2 | 140,0 | 73 | 4,7 | 6,9 | 16,43 | 3,9 | 4,7 | 3,4 | 2,3 |
16Б1 | 157,0 | 82 | 4,0 | 5,9 | 9 | 16,18 | 3,4 | 4,1 | 2,9 | 2,0 |
16Б2 | 160,0 | 82 | 5,0 | 7,4 | 20,09 | 4,2 | 5,0 | 3,6 | 2,5 |
18Б1 | 177,0 | 91 | 4,3 | 6,5 | 9 | 19,58 | 3,7 | 4,4 | 3,2 | 2,2 |
18Б2 | 180,0 | 91 | 5,3 | 8,0 | 23,95 | 4,4 | 5,3 | 3,8 | 2,6 |
20Б1 | 200,0 | 100 | 5,6 | 8,5 | 12 | 28,49 | 4,7 | 5,7 | 4,1 | 2,8 |
23Б1 | 230,0 | 110 | 5,6 | 9,0 | 12 | 32,91 | 4,8 | 5,8 | 4,2 | 2,9 |
26Б1 | 258,0 | 120 | 5,8 | 8,5 | 12 | 35,62 | 4,7 | 5,6 | 4,1 | 2,8 |
26Б2 | 261,0 | 120 | 6,0 | 10,0 | 39,70 | 5,2 | 6,2 | 4,6 | 3,2 |
30Б1 | 296,0 | 140 | 5,8 | 8,5 | 15 | 41,92 | 4,8 | 5,7 | 4,2 | 2,9 |
30Б2 | 299,0 | 140 | 6,0 | 10,0 | 46,67 | 5,3 | 6,3 | 4,6 | 3,2 |
35Б1 | 346,0 | 155 | 6,2 | 8,5 | 18 | 49,53 | 4,9 | 5,8 | 4,3 | 3,0 |
35Б2 | 349,0 | 155 | 6,5 | 10,0 | 55,17 | 5,5 | 6,5 | 4,8 | 3,3 |
40Б1 | 392,0 | 165 | 7,0 | 9,5 | 21 | 61,25 | 5,5 | 6,5 | 4,8 | 3,4 |
40Б2 | 396,0 | 165 | 7,5 | 11,5 | 69,72 | 6,2 | 7,3 | 5,5 | 3,8 |
45Б1 | 443,0 | 180 | 7,8 | 11,0 | 21 | 76,23 | 6,1 | 7,2 | 5,4 | 3,8 |
45Б2 | 447,0 | 180 | 8,4 | 13,0 | 85,96 | 6,9 | 8,0 | 6,1 | 4,2 |
50Б1 | 492,0 | 200 | 8,8 | 12,0 | 21 | 92,98 | 6,7 | 7,9 | 5,9 | 4,1 |
50Б2 | 496,0 | 200 | 9,2 | 14,0 | 102,80 | 7,4 | 8,6 | 6,5 | 4,6 |
55Б1 | 543,0 | 220 | 9,5 | 13,5 | 24 | 113,37 | 7,4 | 8,7 | 6,6 | 4,6 |
55Б2 | 547,0 | 220 | 10,0 | 15,5 | 124,75 | 8,1 | 9,5 | 7,2 | 5,0 |
60Б1 | 593,0 | 230 | 10,5 | 15,5 | 24 | 135,26 | 8,2 | 9,6 | 7,3 | 5,1 |
60Б2 | 597,0 | 230 | 11,0 | 17,5 | 147,30 | 8,9 | 10,3 | 7,9 | 5,5 |
70Б1 | 691,0 | 260 | 12,0 | 15,5 | 24 | 164,70 | 8,7 | 10,0 | 7,7 | 5,4 |
70Б2 | 697,0 | 260 | 12,5 | 18,5 | 183,60 | 9,6 | 11,1 | 8,5 | 6,0 |
80Б1 | 791,0 | 280 | 13,5 | 17,0 | 26 | 203,20 | 9,5 | 10,9 | 8,5 | 6,0 |
80Б2 | 798,0 | 280 | 14,0 | 20,5 | 226,60 | 10,5 | 12,1 | 9,4 | 6,6 |
90Б1 | 893,0 | 300 | 15,0 | 18,5 | 30 | 247,10 | 10,4 | 11,8 | 9,3 | 6,6 |
90Б2 | 900,0 | 300 | 15,5 | 22,0 | 272,40 | 11,4 | 13,0 | 10,2 | 7,2 |
100Б1 | 990,0 | 320 | 16,0 | 21,0 | 30 | 293,82 | 11,2 | 12,8 | 10,1 | 7,1 |
100Б2 | 998,0 | 320 | 17,0 | 25,0 | 328,90 | 12,5 | 14,2 | 11,3 | 8,0 |
100Б3 | 1006,0 | 320 | 18,0 | 29,0 | 364,00 | 13,7 | 15,6 | 12,4 | 8,8 |
100Б4 | 1013,0 | 320 | 19,5 | 32,5 | 400,60 | 15,0 | 17,1 | 13,6 | 9,6 |
(рекомендуемое)
ПОКАЗАТЕЛИ ОГНЕСТОЙКОСТИ СТАЛЬНЫХ КОНСТРУКЦИЙ
И.1 В практике строительства широкое распространение получили металлические конструкции.
При температуре до 250 °C прочность мягкой малоуглеродистой стали увеличивается, затем этот предел постепенно снижается, и при 400 °C прочность стали вновь принимает свое первоначальное значение. Критическая температура, при которой происходит потеря несущей способности стальных конструкций при нормативной нагрузке, принимается равной 500 °C. Если происходит деформация металла, появляется вероятность разрушения здания.
И.2 Применение того или иного способа огнезащиты определяется специфическими особенностями различных видов конструкций, областями их применения, значениями требуемых пределов огнестойкости и пределов распространения огня, а также температурно-влажностными условиями производства работ по огнезащите и эксплуатации этих конструкций.
Задача огнезащиты металлических конструкций заключается в создании на поверхности элементов конструкций теплоизолирующих экранов, выдерживающих высокие температуры и непосредственное действие огня. Наличие этих экранов позволяет замедлить прогревание металла и сохранить конструкции свои функции при пожаре в течение заданного периода времени.
И.3 Огнезащиту металлических конструкций осуществляют с помощью как традиционных методов (обетонирования, оштукатуривания цементно-песчаными растворами, использования кирпичной кладки), так и новых современных методов, основанных на нанесении материалов, обладающих высокими теплоизоляционными свойствами, или основанных на использовании плитных и листовых теплоизоляционных материалов (гипсокартонных и гипсоволокнистых листов, асбестоцементных и перлитофосфогелиевых плит и др.).
И.4 Огнезащитная эффективность как огнезащитных составов, так и других видов огнезащиты определяется по
ГОСТ Р 53295. Сущность метода заключается в определении огнезащитной эффективности покрытия при тепловом воздействии на опытный образец стали и определении времени от начала теплового воздействия до наступления предельного состояния этого образца. За предельное состояние принимается время достижения стали опытных образцов температуры 500 °C.
Согласно этим нормам огнезащитная эффективность подразделяется на 5 групп:
1 - не менее 150 мин;
2 - не менее 120 мин;
3 - не менее 60 мин;
4 - не менее 45 мин;
5 - не менее 30 мин.
Для случая, когда критическая температура принята равной 500 °C, рекомендуется воспользоваться таблицей И.1.
Таблица И.1
Огнезащитная эффективность плит из минеральной ваты
для критической температуры 500 °C
Приведенная толщина металла | Толщина покрытия для обеспечения требуемого предела огнестойкости R, мм |
R30 | R45 | R60 | R90 | R120 | R150 | R180 | R210 |
2,0 - 2,5 | 20 | 30 | 40 | 70 | - | - | - | - |
2,5 - 3,5 | 20 | 20 | 30 | 60 | - | - | - | - |
3,5 - 4,0 | 20 | 20 | 20 | 50 | 70 | - | - | - |
4,0 - 5,0 | 20 | 20 | 20 | 40 | 60 | 70 | - | - |
5,0 - 6,0 | 20 | 20 | 20 | 30 | 50 | 70 | - | - |
6,0 - 7,0 | 20 | 20 | 20 | 20 | 40 | 50 | 70 | - |
7,0 - 8,0 | 20 | 20 | 20 | 20 | 30 | 50 | 60 | 70 |
8,0 - 9,0 | 20 | 20 | 20 | 20 | 20 | 40 | 80 | 60 |
9,0 - 10,0 | 20 | 20 | 20 | 20 | 20 | 20 | 40 | 50 |
10 и более | 20 | 20 | 20 | 20 | 20 | 20 | 30 | 50 |
| Стандарт организации СТО 36554501-031-2013 | Методика испытаний на соответствие требованиям пожарной безопасности строительных конструкций со средствами огнезащиты и систем противопожарной защиты, применяемых в районах с сейсмичностью более 6 баллов |
| Градостроительный кодекс Российской Федерации |
| Федеральный закон от 27 декабря 2002 г. N 184-ФЗ "О техническом регулировании" |
| Федеральный закон от 30 декабря 2009 г. N 384-ФЗ "Технический регламент о безопасности зданий и сооружений" |
| Приказ Министерства регионального развития Российской Федерации от 30 декабря 2009 г. N 624 "Об утверждении Перечня видов работ по инженерным изысканиям, по подготовке проектной документации, по строительству, реконструкции, капитальному ремонту объектов капитального строительства, которые оказывают влияние на безопасность объектов капитального строительства" |
| Федеральный закон от 22 июля 2008 г. N 123-ФЗ "Технический регламент о требованиях пожарной безопасности" |
| | Требования к составу и порядку ведения исполнительной документации при строительстве, реконструкции, капитальном ремонте объектов капитального строительства и требования, предъявляемые к актам освидетельствования работ, конструкций, участков сетей инженерно-технического обеспечения |
УДК 69 (0.83.75):698.3 |
от 30 декабря 2009 г. N 624. |
Ключевые слова: огнезащита стальных конструкций, покрытия огнезащитные, монтаж покрытия огнезащитного, системы огнезащитные, стальные несущие конструкции, правила выполнения, контроль выполнения, требования к результатам работ |