Главная // Актуальные документы СПРАВКА
Источник публикации
В данном виде документ опубликован не был.
Первоначальный текст документа опубликован в издании
Официальный сайт Совета по железнодорожному транспорту государств-участников Содружества http://www.sovetgt.org/.
Информацию о публикации документов, создающих данную редакцию, см. в справке к этим документам.
Примечание к документу
Документ утратил силу с 1 июля 2023 года в соответствии с Протоколом от 08.12.2022, утвердившего новую Инструкцию по техническому обслуживанию вагонов в эксплуатации (инструкция осмотрщику вагонов) N 808-2022 ПКБ ЦВ.
Изменения, внесенные Протоколом от 15.06.2022, введены в действие с 1 июля 2022 года.
Название документа
"808-2017 ПКБ ЦВ. Инструкция по техническому обслуживанию вагонов в эксплуатации (Инструкция осмотрщику вагонов)"
(ред. от 15.06.2022)
(Вместе со <Средствами измерений, инструментом и принадлежностями общего пользования на ПТО, слесарей>, "Сроками проведения деповского и капитального ремонтов грузовых и пассажирских вагонов, курсирующих в межгосударственном сообщении", <Формами Актов контроля венцов тормозных дисков, на оформление повреждения ВУ-25, ИНУ-53>, <Местами постановки клейм государств-собственников на деталях, оформлением полей на наружной грани обода колеса и кодами принадлежности государств>, "Формой книги натурного осмотра вагонов на пунктах технической передачи (ВУ-15)", "Особенностями заполнения справки формы ВУ-45")
(Утверждена в г. Минске 22.05.2009 на 50-ом заседании Совета по железнодорожному транспорту СНГ)
Договаривающиеся стороны
"808-2017 ПКБ ЦВ. Инструкция по техническому обслуживанию вагонов в эксплуатации (Инструкция осмотрщику вагонов)"
(ред. от 15.06.2022)
(Вместе со <Средствами измерений, инструментом и принадлежностями общего пользования на ПТО, слесарей>, "Сроками проведения деповского и капитального ремонтов грузовых и пассажирских вагонов, курсирующих в межгосударственном сообщении", <Формами Актов контроля венцов тормозных дисков, на оформление повреждения ВУ-25, ИНУ-53>, <Местами постановки клейм государств-собственников на деталях, оформлением полей на наружной грани обода колеса и кодами принадлежности государств>, "Формой книги натурного осмотра вагонов на пунктах технической передачи (ВУ-15)", "Особенностями заполнения справки формы ВУ-45")
(Утверждена в г. Минске 22.05.2009 на 50-ом заседании Совета по железнодорожному транспорту СНГ)
Советом
по железнодорожному транспорту
Государств - участников Содружества
Протокол от 21 - 22 мая 2009 г. N 50
ИНСТРУКЦИЯ
ПО ТЕХНИЧЕСКОМУ ОБСЛУЖИВАНИЮ ВАГОНОВ В ЭКСПЛУАТАЦИИ
(ИНСТРУКЦИЯ ОСМОТРЩИКУ ВАГОНОВ)
| | Список изменяющих документов (в ред. Протоколов от 08.06.2021, от 15.06.2022) | |
(с изменениями: 32 ЦВ 79-2009, 32 ЦВ 37-2010, 32 ЦВ 8-2012,
32 ЦВ 67-2012, 32 ЦВ 15-2013, 32 ЦВ 12-2014, 32 ЦВ 32-2014,
32 ЦВ 3-2015, 32 ЦВ 4-2015, 32 ЦВ 19-2015, 32 ЦВ 35-2015,
32 ЦВ 17-2015, 32 ЦВ 31-2016, 32 ЦВ 47-2016, 32 ЦВ 48-2016,
32 ЦВ 22-2016, 32 ЦВ 4-2017, 32 ЦВ 29 - 2017,
32 ЦВ 30 - 2017, 32 ЦВ 37 - 2017, 32 ЦВ 40 - 2017,
32 ЦВ 54 - 2017, 32 ЦВ 42 - 2017, 32 ЦВ 61 - 2017,
32 ЦВ 62 - 2017, 32 ЦВ 21 - 2018, 32 ЦВ 24 - 2018,
32 ЦВ 26 - 2018, 32 ЦВ 27 - 2018, 32 ЦВ 58 - 2018,
32 ЦВ 1 - 2019, 32 ЦВ 26 - 2019, 32 ЦВ 43-2019,
32 ЦВ 27-2020)
1 РАЗРАБОТАН Проектно-конструкторским бюро вагонного хозяйства (ПКБ ЦВ) филиал ОАО "РЖД"
2 ВНЕСЕН Дирекцией Совета по железнодорожному транспорту государств - участников Содружества
3 ПРИНЯТ Советом по железнодорожному транспорту государств - участников Содружества протокол от 21 - 22 мая 2009 г. N 50
4 ВВЕДЕН В ДЕЙСТВИЕ 1 сентября 2009 года
5 ВЗАМЕН ЦВ-ЦЛ-408 "Инструкция осмотрщику вагонов" от 10.12.1996 г.
6 ПЕРЕИЗДАНИЕ ноябрь 2017 г
Настоящая Инструкция не может быть полностью или частично воспроизведена, тиражирована и распространена в качестве официального издания на территории государства без разрешения Железнодорожной администрации.
[19] Настоящая "Инструкция по техническому обслуживанию вагонов в эксплуатации" N 808-2017 ПКБ ЦВ (далее Инструкция) устанавливает порядок технического обслуживания вагонов, технические требования к узлам и деталям вагонов с целью обеспечения безопасности движения поездов, перевозки пассажиров и сохранности перевозимых грузов.
[22] 1.2 Нормативные ссылки
В настоящей Инструкции использованы ссылки на следующие документы:
N п/п | Название документа |
1 | Правила технического обслуживания тормозного оборудования и управления тормозами железнодорожного подвижного состава, утвержденные Советом по железнодорожному транспорту государств-участников Содружества протокол от 06 - 07 мая 2014 г. N 60; |
2 | Инструкция по ремонту и обслуживанию автосцепного устройства подвижного состава железных дорог, утвержденная Советом по железнодорожному транспорту государств-участников Содружества протокол от 20 - 21 октября 2010 г. N 53; |
3 | Руководящий документ. Ремонт тележек грузовых вагонов с бесконтактными скользунами РД 32 ЦВ 052-2009, утвержденный 52 заседанием Совета по железнодорожному транспорту государств участников Содружества, протокол от 13 - 14 мая 2010 г.; |
4 | Инструкция по комплексной модернизации тележек грузовых вагонов с использованием износостойких элементов и колес с ремонтным профилем ИТМ-73; |
5 | Инструкция по эксплуатации и деповскому ремонту тележек грузовых вагонов с износостойкими элементами и колесами с ремонтным профилем ИТМ-73 или стандартным профилем; |
6 | "Грузовые вагоны железных дорог колеи 1520 мм. Руководство по текущему отделочному ремонту" РД 32 ЦВ 056-97, утвержденное МПС России 02 сентября 1997 г.; |
7 | Положение о системе технического обслуживания и ремонта грузовых вагонов, допущенных в обращение на железнодорожные пути общего пользования в международном сообщении, утвержденное Советом по железнодорожному транспорту государств-участников Содружества протокол от 16 - 17 октября 2012 г. N 57: |
8 | Правила эксплуатации, пономерного учета и расчетов за пользование грузовыми вагонами собственности других государств, утвержденные Советом по железнодорожному транспорту государств-участников Содружества 24 мая 1996 г в соответствии с решением пятнадцатого заседания Совета по железнодорожному транспорту от 05 апреля 1996 г.; |
9 | Правила технического обслуживания и текущего отцепочного ремонта железнодорожных транспортеров N 767-2014 ПКБ ЦВ, утвержденные Советом по железнодорожному транспорту государств-участников Содружества протокол от 4 - 5 ноября 2015 г. N 63; |
10 | Правила технического обслуживания и текущего отцепочного ремонта вагонов-термосов N 770-2014 ПКБ ЦВ, утвержденные Советом по железнодорожному транспорту государств-участников Содружества протокол от 4 - 5 ноября 2015 г. N 63; |
11 | Правила технического обслуживания и текущего отцепочного ремонта рефрижераторного подвижного состава N 769-2014 ПКБ ЦВ, утвержденные Советом по железнодорожному транспорту государств-участников Содружества протокол от 4 - 5 ноября 2015 г. N 63; |
12 | Единые требования к системе технического обслуживания пассажирских вагонов, курсирующих в международном сообщении, утвержденные Советом по железнодорожному транспорту государств-участников Содружества протокол от 4 - 5 ноября 2015 г. N 63; |
13 | Правила эксплуатации и пономерного учета собственных грузовых вагонов, утвержденные Советом по железнодорожному транспорту государств-участников Содружества протокол от 19 июня 2001 г. N 29; |
14 | Руководящий документ по ремонту и техническому обслуживанию колесных пар с буксовыми узлами грузовых вагонов магистральных железных дорог колеи 1520 (1524) мм. РД ВНИИЖТ 27.05.01-2017, утвержденный Советом по железнодорожному транспорту государств-участников Содружества протокол от 19 - 20 октября 2017 г., N 67; |
15 | Руководящий документ по ремонту и техническому обслуживанию колесных пар с буксовыми узлами пассажирских вагонов магистральных железных дорог колеи 1520 (1524) мм, утвержденный Советом по железнодорожному транспорту государств-участников Содружества протокол от 4 - 5 ноября 2015 г., N 63; |
16 | Правила пользования пассажирскими вагонами в международном сообщении (ПППВ), утвержденные Советом по железнодорожному транспорту государств-участников Содружества протокол от 27 - 28 октября 2009 г. N 51; |
17 | Положение о порядке очистки ото льда ходовых частей и подвагонного оборудования пассажирских, поездов в международном сообщении, утвержденное Советом по железнодорожному транспорту государств-участников Содружества протокол от 20 - 21 мая 2015 г. N 62. |
18 | Руководство по эксплуатации электрооборудования пассажирских вагонов. РД 32 ЦЛ 033-2010, утвержденное Советом по железнодорожному транспорту государств-участников Содружества, (Приложение N 21 к протоколу от 18 - 19 мая 2011 г. N 54); |
1.3 Термины, определения, обозначения и сокращения
ПТО - пункт технического обслуживания вагонов;
СКНБ - система контроля нагрева букс пассажирских вагонов;
КТСМ - комплекс технических средств многофункциональный;
УЗОТ-РМ - устройство зарядки и опробования тормозов с регистрацией, модернизированное;
АСКПС - автоматизированная система контроля подвижного состава;
УКСПС - устройство контроля схода подвижного состава;
АСУ ПТО - автоматизированная система управления ПТО;
КТИ - комплекс технологических измерений;
ПТП - пункт технической передачи;
Система технического обслуживания и ремонта грузовых вагонов предусматривает следующие виды технического обслуживания и ремонта:
- техническое обслуживание вагона; ТО: Комплекс операций или операция по поддержанию работоспособности или исправности грузового вагона в сформированных или транзитных поездах, а также порожнего вагона при подготовке к перевозкам без его отцепки от состава или группы вагонов.
- техническое обслуживание с диагностированием; ТОД: комплекс операций по инструментальному контролю технического состояния составных частей вагона с использованием диагностических средств, переводом вагонов в нерабочий парк и подачей на специализированные пути.
- текущий отцепочный ремонт вагона; ТР: ремонт, выполняемый для обеспечения или восстановления работоспособности вагона с заменой или восстановлением отдельных составных частей, отцепкой от состава или группы вагонов, переводом в нерабочий парк и подачей на специализированные пути.
По состоянию грузового вагона, месту обнаружения его отказа и отцепки, текущий отцепочный ремонт подразделяется:
- текущий отцепочный ремонт вагона; ТР-1: ремонт порожнего вагона, выполняемый при его подготовке к перевозке с отцепкой от состава или группы вагонов.
- текущий отцепочный ремонт вагона; ТР-2: ремонт с целью восстановления работоспособности груженого или порожнего вагона, с отцепкой от транзитных и прибывших в разборку поездов или сформированных составов.
- деповской ремонт вагона; ДР: Ремонт, выполняемый для восстановления исправности и частичного восстановления ресурса вагона с заменой или восстановлением составных частей ограниченной номенклатуры и контролем технического состояния составных частей.
- капитальный ремонт вагона; КР: Ремонт, выполняемый для восстановления исправности полного или близкого к полному восстановлению ресурса вагона с заменой или восстановлением любых его частей, включая базовые.
- капитальный ремонт с продлением срока службы; КРП: Контроль технического состояния всех несущих элементов конструкции вагона с восстановлением их назначенного ресурса, заменой или восстановлением любых его составных частей, включая базовые и назначением нового срока службы.
Система технического обслуживания и ремонта пассажирских вагонов предусматривает следующие виды технического обслуживания и ремонта:
- текущий ремонт вагонов; ТР: Ремонт, выполняемый с отцепкой от транзитных поездов или сформированных составов, а также с отцепкой вагонов от состава или поезда в пунктах формирования или оборота пассажирских поездов с подачей их на специализированные ремонтные пути или в вагонные депо.
- техническое обслуживание вагонов; ТО-1: Обслуживание вагонов в составах поездов на пунктах технического обслуживания станций формирования и оборота пассажирских поездов перед каждым отправлением в рейс, а также в поездах в пути следования и на промежуточных станциях.
- техническое обслуживание вагонов; ТО-2: Обслуживание вагонов перед началом летних и зимних перевозок.
- техническое обслуживание; ТО-3: Единая техническая ревизия основных узлов пассажирских вагонов. Производится с отцепкой от составов на специализированных путях в вагонных депо или в пунктах формирования пассажирских поездов.
- деповской ремонт; ДР: Плановый ремонт вагонов для восстановления их работоспособности с заменой или ремонтом отдельных составных частей, а также модернизации отдельных узлов.
- капитальный ремонт; КР-1: Плановый ремонт вагонов для восстановления исправности и ресурса вагонов путем замены или ремонта изношенных и поврежденных узлов и деталей, а также их модернизации.
- капитальный ремонт; КР-2: Плановый ремонт для восстановления исправности и ресурса вагонов с частичным вскрытием кузова до металла с заменой теплоизоляции и электропроводки. При необходимости с заменой базовых систем, элементов конструкций и модернизации основных узлов.
- капитально-восстановительный ремонт; КВР: Ремонт пассажирских вагонов с использованием восстановленных существующих конструкций кузовов и тележек, обновлением внутреннего оборудования и созданием современного интерьера.
1.4 Порядок технического обслуживания вагонов
Неисправными считаются вагоны, которые по своему техническому состоянию не могут быть допущены к эксплуатации на железнодорожных путях общего пользования и требуют ремонта или исключения из инвентаря.
Неисправность вагона устанавливается работниками вагонного хозяйства или другими работниками, на которых приказом возложены обязанности по техническому обслуживанию вагонов.
Порядок выполнения технического обслуживания пассажирских вагонов изложен в настоящей Инструкции, а также в "Инструкции по техническому обслуживанию цельнометаллических пассажирских вагонов", "Руководстве по техническому обслуживанию электрооборудования", "Руководстве по техническому обслуживанию и текущему ремонту пассажирских вагонов на безлюлечных тележках".
При техническом обслуживании вагонов проверяется:
- наличие деталей и узлов вагонов и их соответствие установленным нормативам;
- сроки ремонта, а у пассажирских вагонов, кроме того, сроки единой технической ревизии;
- исправность автосцепного устройства, тормозного оборудования, буферных устройств, переходных площадок, специальных подножек и поручней, тележек, колесных пар, буксовых узлов, рессорного подвешивания, привода генератора, климатической установки (для пунктов формирования и оборота), наличие и исправность устройств, предохраняющих от падения на путь деталей и подвагонного оборудования;
- исправность рамы и кузова вагона.
На пунктах формирования и оборота поездов, а также ПТО промежуточных станций, определенных приказами железнодорожной администрации или владельца инфраструктуры, каждый вагон пассажирского поезда должен пройти техническое обслуживание с пролазкой и выполнением необходимого ремонта.
В целях обеспечения проследования пассажирского поезда без дополнительного технического обслуживания по пути следования начальники пассажирских депо и участков должны установить дифференцированные нормы равномерного проката колесных пар, толщины тормозных колодок и других деталей у вагонов, отправляющихся с пунктов формирования, с учетом продолжительности рейса, маршрута следования.
Порядок предъявления поездов к техническому обслуживанию и уведомления об их готовности, а также порядок осмотра и ремонта вагонов перед постановкой в поезд на станциях, где нет ПТО, устанавливается железнодорожной администрацией или владельцем инфраструктуры.
Работники пунктов технического обслуживания, связанные с движением поездов, должны в соответствии с технологическим процессом своевременно и качественно выполнять техническое обслуживание вагонов. Они несут ответственность за безопасное проследование вагонов в составах грузовых и пассажирских поездов в пределах гарантийного участка, установленного железнодорожной администрацией или владельцем инфраструктуры.
Работники ПТО станций формирования составов пассажирских поездов несут ответственность за безопасное проследование пассажирских вагонов в составе поезда от пункта формирования до пункта оборота и обратно.
[16] Технология технического обслуживания, при выполнении которой подтверждается исправное техническое состояние грузовых вагонов на железнодорожных станциях, имеющих ПТО, устанавливается владельцем инфраструктуры или железнодорожной администрацией, в зависимости от их технической оснащенности и имеющихся средств диагностики, в том числе расположенных на подходах к станции.
1.5 Требования, предъявляемые к осмотрщику вагонов
1.5.1 Осмотрщик вагонов в работе должен руководствоваться:
- Должностной инструкцией;
- Правилами технической эксплуатации железных дорог;
- Инструкцией по сигнализации на железных дорогах;
- Инструкцией по движению поездов и маневровой работе на железных дорогах;
- Инструкцией по ремонту и обслуживанию автосцепного устройства подвижного состава;
- Правилами технического обслуживания тормозного оборудования и управления тормозами железнодорожного подвижного состава;
- Инструкцией по осмотру, освидетельствованию, ремонту и формированию вагонных колесных пар;
- Инструктивными указаниями по эксплуатации и ремонту вагонных букс с роликовыми подшипниками;
- Инструкцией по охране труда осмотрщиков вагонов и слесарей по ремонту подвижного состава;
- Руководством по текущему отцепочному ремонту;
- Руководящим документом "Порядок безопасного ведения работ с вагонами гружеными опасными грузами при техническом обслуживании и безотцепочном ремонте, и при текущем отцепочном ремонте";
- Соответствующими разделами и положениями технологических процессов работы ПТО и станции, пункта технической передачи вагонов, а также технико-распорядительного акта станции;
- Приказами и указаниями, относящимися к техническому обслуживанию вагонов и работе постов безопасности;
- Технологической документацией определяющей устройство, назначение, действие и технологию ремонта отдельных вагонных деталей и узлов вагонов всех типов и модификаций;
- Технологической документацией определяющей устройство и действие применяемых при техническом обслуживании вагонов, машин и механизмов.
Осмотрщик по техническому обслуживанию электрического, холодильного, радиотехнического оборудования, привода подвагонного генератора пассажирских, почтовых и специальных вагонов, вагонов-ресторанов дополнительно должен знать инструкции по техническому обслуживанию оборудования данных типов вагонов, Руководство по эксплуатации электрооборудования пассажирских вагонов, Руководство по техническому обслуживанию и текущему ремонту пассажирских вагонов на безлюлечных тележках, Правила технической эксплуатации электроустановок потребителей и Правила техники безопасности при эксплуатации электроустановок потребителей, иметь соответствующую квалификационную группу по электробезопасности.
1.5.2 Осмотрщик должен сдавать экзамен, в знании правил, инструкций и других нормативных документов, указанных в
п. 1.5.1, после обучения. Срок последующей сдачи экзамена и состав комиссии, устанавливаются железнодорожной администрацией или владельцем инфраструктуры.
1.5.3 На должность осмотрщика вагонов назначаются работники из слесарей по ремонту подвижного состава, выпускники ВУЗов, аттестованных учебных центров, техникумов и колледжей железнодорожного транспорта, прошедшие теоретическую и практическую подготовку по данной профессии. После окончания подготовки и сдачи экзаменов по теории и практике квалификационной комиссии работнику выдается свидетельство о присвоении ему профессии осмотрщика вагонов.
2 ТЕХНИЧЕСКОЕ ОБСЛУЖИВАНИЕ ВАГОНОВ
2.1 Техническое обслуживание вагонов в транзитных поездах
2.1.1 Контроль технического состояния вагонов начинается в пути следования.
При наличии на перегоне аппаратуры КТСМ или других средств контроля технического состояния вагонов, осмотрщик получает от оператора ПТО, информацию о времени прибытия поезда, пути приема, данные о расположении в составе вагонов с греющимися буксами, или другими неисправностями. Конкретный порядок приема поездов на станцию с неисправными вагонами на станцию отражается в техническо-распорядительном акте станции и местной Инструкции.
Для обследования прибывающего поезда (встречи сходу) осмотрщики заблаговременно выходят к пути прибытия и размещаются в местах, установленных технологическим процессом работы ПТО. Осматривая вагоны движущегося поезда, осмотрщики по внешним признакам выявляют возможные неисправности на поверхностях катания колесных пар, в буксовых узлах, тележках, определяют не отпустившие тормоза отдельных вагонов, работу привода генератора. При обнаружении на ходу поезда неисправностей или их признаков, осмотрщик фиксирует данные вагоны.
Техническое обслуживание и ремонт грузовых и пассажирских вагонов производится в соответствии с технологическим процессом работы ПТО и графиком движения поездов.
2.1.2 После остановки поезда осмотрщик головной группы перед началом осмотра вагонов должен получить от локомотивной бригады, начальника (механика-бригадира) пассажирского поезда, начальника рефрижераторной секции информацию о работе тормозов и о замеченных в пути следования неисправностях вагонов.
Обобщенная информация доводится до работников соответствующих групп, принимающих участие в техническом обслуживании вагонов поезда. Перед осмотром и ремонтом вагонов состав ограждается в установленном порядке. Ремонтируют неисправные вагоны в поезде или с отцепкой в соответствии с порядком, установленным технологическим процессом, осмотрщики-ремонтники или слесари по ремонту подвижного состава.
На сортировочных и станциях формирования грузовых поездов (кроме транзитных поездов), на станциях разделяющих смежные гарантийные участки, на межгосударственных пунктах передачи вагонов, техническое обслуживание вагонов производится с пролазкой.
2.1.3 При обнаружении неисправностей осмотрщик наносит меловые надписи на кузовах вагонов, бортах платформ, котлах цистерн. После устранения неисправностей меловые пометки с кузовов вагонов удаляются, за исключением разметки, характеризующей работу буксовых узлов и состояние колесных пар. Качество технического обслуживания вагонов проверяет старший осмотрщик вагонов (руководитель смены) или мастер ПТО.
2.1.4 Ходовые части, тормозное оборудование, автосцепные устройства, рамы и кузова рефрижераторных вагонов осмотрщики контролируют так же, как и у грузовых вагонов. Электрооборудование пассажирских вагонов проверяется поездным электромехаником.
Техническое обслуживание транспортеров всех типов при подготовке к перевозкам и после выгрузки, а также в поездах на ПТО должно производиться в полном соответствии с требованиями Руководства по техническому обслуживанию транспортеров.
2.1.5 При обнаружении неисправностей, требующих отцепки вагона, осмотрщик наносит меловую разметку, сообщает по телефону или радиосвязи оператору ПТО объем ремонта, выписывает в двух экземплярах уведомление
формы ВУ-23М (ВУ-23) и передает дежурному по станции и оператору ПТО. При оформлении уведомления
ВУ-23М (ВУ-23) вводится сообщение 1353 в АБД ПВ с соответствующим кодом (кодами) неисправности согласно классификатора. При обнаружении поврежденного вагона, дополнительно составляется акт
формы ВУ-25. Эту работу контролирует руководитель смены.
2.1.6 Осмотрщик, убедившись в окончании работ и отсутствии работников ремонтно-смотровой группы у вагонов, сообщает о результатах технического обслуживания оператору ПТО, а при его отсутствии дежурному по станции, для снятия сигналов ограждения состава.
2.1.7 Старший осмотрщик вагонов (руководитель смены), порядком, установленным технологическим процессом работы ПТО, подтверждает, росписью в книге формы ВУ-14, находящейся у дежурного по станции, готовность поезда к отправлению.
2.1.8 При отправлении поезда осмотрщик головной группы, производивший опробование тормозов, должен находиться на островке безопасности и осматривать движущиеся вагоны поезда, контролируя техническое состояние ходовых частей, тормозного оборудования и автосцепных устройств. Доклад, о результатах осмотра поезда и наличии сигнала ограждения на хвостовом вагоне, передается по имеющейся связи оператору ПТО, а при обнаружении неисправностей по радиосвязи машинисту локомотива через дежурного по станции для остановки поезда.
Техническое обслуживание грузовых вагонов на межгосударственных станциях передачи вагонов
2.1.9 Техническое обслуживание грузовых вагонов на межгосударственных передаточных станциях осуществляется в соответствии с разделами 2.1 -
2.3 настоящей инструкции.
2.1.10 Передача вагонов с путей одной железнодорожной администрации на железнодорожные пути другой осуществляется по передаточной поездной ведомости, установленной формы, и справки формы 204 - для железнодорожных администраций внедривших систему технического обслуживания и ремонта с учетом фактически выполненного объема работ. Количество экземпляров справки формы 204 должно соответствовать количеству экземпляров передаточной поездной ведомости.
2.1.11 Не принятые вагоны должны быть вычеркнуты из передаточной поездной ведомости с указанием причины неприема и возвращены на дорогу сдающей стороны в суточный срок по новой передаточной поездной ведомости с оформлением акта
формы ИНУ-53 (Приложение 3), в количестве не менее 4-х экземпляров - по два для каждой стороны.
2.1.12 До начала осмотра вагонов поезда оператор ПТО принимающей стороны, а при отсутствии этой должности - дежурный по станции запрашивает в ИВЦ ЖА электронную справку 2731, содержащую сведения о комплектации ходовыми частями (колесными парами, боковыми рамами, надрессорными балками, по клеймам расположенным на полях, указанных в
Приложении Е) вагонов принимающей стороны, находящихся в составе поезда, с учетом данных об их текущих отцепочных ремонтах на территории других железнодорожных администраций. При осмотре состава осмотрщик вагонов принимающей стороны сверяет данные справки 2731 с фактическими на предмет равноценности замены ходовых частей вагонов в соответствии с требованиями "
Правил эксплуатации, пономерного учета и расчетов за пользование грузовыми вагонами собственности других государств".
2.2 Техническое обслуживание вагонов
на сортировочных станциях
Парк прибытия
2.2.1 Встреча поездов, прибывающих на станцию, и осмотр вагонов выполняются в порядке, изложенном в
разделе 2.1 настоящей Инструкции. В парке прибытия производится: снятие сигнальных дисков с хвостовых вагонов; выявление и разметка неисправных вагонов, требующих ремонта, в том числе и по показаниям приборов КТСМ или других средств контроля технического состояния вагонов; разметка и отбор исправных порожних вагонов под погрузку; устранение в вагонах неисправностей, не обеспечивающих их роспуск с горки; отпуск тормозов вагонов.
Информацию о выявленных неисправностях вагонов осмотрщик по радиосвязи передает оператору ПТО (номер пути, номер вагона, сторону осматриваемой части состава, наименование ремонтных работ). При этом осмотрщик наносит четкие меловые надписи на вагонах, в соответствии с кратким наименованием работы в классификаторе.
Продолжительность технического обслуживания составов устанавливается технологическим процессом ПТО с учетом осмотра вагонов с пролазкой.
При техническом обслуживании и безотцепочном ремонте нефтебензиновых цистерн на ПТО должны соблюдаться меры пожарной безопасности. В случае обнаружения течи груза работники ПТО должны немедленно сообщить об этом дежурному по станции или маневровому диспетчеру. Дальнейшие действия должны выполняться в соответствии с требованиями технологического процесса работы станции.
При техническом обслуживании поездов (вагонов) с опасными грузами 1-го класса должны соблюдаться требования местной инструкции, регламентирующие порядок проведения технического обслуживания поездов с такими грузами.
Работы по обслуживанию и ремонту вагонов, загруженных грузами 1-го класса, сопровождаемых охраной или представителем грузоотправителя, производят только в присутствии сопровождающих.
При невозможности следования в составе поезда из-за неисправности вагона с опасным грузом 1-го класса вагон отцепляют от поезда. Если неисправен один вагон в группе, то отцепляется вся группа вагонов и подается на путь для ремонта.
При обслуживании на ПТО цистерн, груженных опасными грузами и имеющих соответствующие знаки и надписи, особое внимание необходимо уделять исправности котла цистерны и его запорной арматуры.
На цистернах, предназначенных для перевозки сжиженных или растворимых под давлением газов, кислот, метанола, желтого фосфора, этиловой жидкости, устранять утечки газа или жидкости работникам ПТО запрещается. Устранение производится порядком, установленным национальным законодательством.
Парк формирования
2.2.2 В парке формирования осмотрщики по сохранности контролируют скорости соударений, выявляют вагоны, поврежденные при маневровой работе и роспуске с горки.
2.2.3 На каждый поврежденный вагон осмотрщик обязан составить акт
формы ВУ-25М (ВУ-25) и выписать уведомление
формы ВУ-23М (ВУ-23) с постановкой в правом верхнем углу буквы "П" (поврежден).
Парк отправления
2.2.4 При техническом обслуживании вагонов на ПТО с укрупненным ремонтом на специализированных путях в сформированных составах выполняются следующие работы:
- техническое обслуживание, выполняемое с пролазкой и устранением выявленных при этом неисправностей;
- проверка действия механизмов автосцепок сжатого состава на саморасцеп;
- осмотр и ремонт тормозного оборудования, опробование тормозов.
2.2.5 При отсутствии на ПТО специализированных путей для укрупненного ремонта вагонов, ремонт производят в парке отправления. При этом выполняются следующие работы:
- осмотр с проверкой действия механизмов автосцепок сжатого состава на саморасцеп, устранение неисправностей по меловым разметкам, нанесенным осмотрщиками вагонов в парке прибытия, и выявленных при осмотре выставленного в парк отправления состава своего формирования, и приемка выполненного ремонта;
- контроль закрытия и закрепления грузополучателями (грузоотправителями) разгрузочных устройств вагонов, бункерных полувагонов, дверей, люков, бортов, переездных мостиков, бункеров и нижних крышек сливных приборов порожних вагонов;
- осмотр, ремонт и испытание тормозов, которые проводятся порядком установленным Правилами по эксплуатации тормозов подвижного состава железных дорог.
[27] 2.2.6 Если ПТО работает по технологии технического обслуживания вагонов с АСУ ПТО, ремонт вагонов в парке отправления производится по нарядам, введенным в АСУ ПТО по результатам осмотра в парке прибытия и выявленных неисправностей в парке отправления.
[27]
2.3 Техническое обслуживание вагонов на пунктах со сменой
локомотива и перед затяжными спусками
2.3.1 Контроль технического состояния при встрече поезда "сходу" и при отправлении, техническое обслуживание и ремонт вагонов в поезде осуществляют за время, установленное технологическим процессом работы ПТО в соответствии с
разделом 2.1 настоящей Инструкции.
2.3.2 На станциях, предшествующих перегонам с затяжными спусками крутизной 0,018 и более воздухораспределители в грузовых поездах необходимо включать на горный режим, а переключать на равнинный режим - после прохода поездом этих спусков в пунктах, установленных приказом руководителя подразделения железнодорожной администрации или владельца инфраструктуры. В поездах при наличии и исправном действии электрического тормоза на локомотиве с учетом местных условий на основании опытных поездок с разрешения железнодорожной администрации или владельца инфраструктуры, допускается использовать равнинный режим воздухораспределителей на затяжных спусках крутизной: с составом из груженых вагонов - до 0,020 включительно; с составом из порожних вагонов - до 0,025 включительно, а на спусках большей крутизны - по распоряжению владельца инфраструктуры.
На станциях, где остановка поезда предусмотрена графиком движения, перед затяжными спусками 0,018 и круче полное опробование производится с десятиминутной выдержкой в заторможенном состоянии. Перечень таких станций устанавливается местной инструкцией, утвержденной руководителем подразделения железнодорожной администрации или владельца инфраструктуры.
Время от начала отпуска при опробовании до отправления на затяжной спуск пассажирского поезда должно составлять не менее 2 мин, грузового поезда - не менее 4 мин.
2.3.3 По окончании технического обслуживания вагонов осмотрщик сообщает оператору ПТО о технической готовности поезда с последующей росписью старшего осмотрщика вагонов в книге формы ВУ-14. На станциях, где нет оператора ПТО, такое извещение передают дежурному по станции.
2.4 Контроль технического состояния вагонов при передаче их
с подъездных путей предприятий и организаций
2.4.1 Контроль технического состояния вагонов при передаче с подъездных путей предприятий и организаций, речных и морских портов на пути общего пользования и обратно производят в соответствии с Типовым технологическим процессом пункта технической передачи, станции или пункта технического обслуживания вагонов.
2.4.2 Передаваемые вагоны с записью их номеров должны одновременно осматривать осмотрщики вагонов ПТП, приемосдатчики станции железной дороги и представители владельца подъездного пути. При выявлении на станции поврежденных вагонов, поступивших в неорганизованных поездах (с подъездных путей, с передаточными, вывозными поездами с промежуточных станций), осмотрщик вагонов, выдав на поврежденные вагоны уведомления
формы ВУ-23М (ВУ-23) и составив акты
формы ВУ-25М (ВУ-25), сообщает об этом через руководителя смены ПТО руководству вагонного депо и станции для проведения расследования. При этом повреждения или отсутствие деталей, узлов и неисправности, обнаруженные у вагонов, состояние специальных приспособлений записывают в книгу натурного осмотра вагонов
формы ВУ-15 (приложение Ж). После осмотра вагонов осмотрщики сдающей и принимающей сторон сверяют записи в книге
формы ВУ-15 и заверяют их своими подписями, указывая против каждого номера вагона, выявленные неисправности.
На каждый поезд или группу вагонов записи в книге делают на отдельной странице с указанием в заглавной части даты и времени передачи, номера поезда, количества вагонов и номеров головного и хвостового вагонов.
В книгу
формы ВУ-15 записывают номера только тех вагонов, в которых обнаружены неисправности, отсутствующие детали или повреждения.
Во всех случаях повреждения вагонов записи в книге
формы ВУ-15 являются основанием для составления акта
формы ВУ-25М (ВУ-25), который оформляется осмотрщиком вагонов, принимавшим поврежденный вагон. При отсутствии осмотрщика вагонов предприятия-владельца подъездного пути или специально выделенного для этого представителя, а также при отказе его от подписи акты подписывает только осмотрщик вагонов железной дороги. Для подтверждения факта повреждения вагонов составляется акт общей
формы ГУ-23, и в установленном порядке в адрес этого предприятия передается телефонограмма для вызова представителя.
Осмотрщики сдающей и принимающей смен вместе проверяют записи в книге
формы ВУ-15 о не возвращенных на станцию железной дороги вагонах и расписываются в сдаче и приеме вагонов.
На поврежденные вагоны в установленном порядке составляют акты
формы ВУ-25М (ВУ-25) и уведомления
формы ВУ-23М (ВУ-23).
2.4.3 Осмотрщик по сохранности вагонного парка обязан постоянно контролировать выполнение технических требований по обеспечению сохранности вагонов при погрузке и выгрузке грузов. При обнаружении нарушений правил погрузки и выгрузки, вызывающих повреждения, осмотрщик вагонов должен потребовать прекращения этих работ на вагонах, немедленно доложить начальнику вагонного депо и ПТО, а на поврежденные вагоны оформить акты
формы ВУ-25М (ВУ-25).
2.4.4 Борта платформы, крышки разгрузочных люков и торцовые двери полувагонов, двери и крышки загрузочных люков крытых вагонов, крышки загрузочно-выгрузочных верхних и нижних устройств цистерн, хопперов (зерновозов, цементовозов) и другого специализированного и универсального подвижного состава должны быть закрыты силами грузополучателя (грузоотправителя).
Вагоны с поврежденными или не приведенными в транспортное положение деталями и узлами вагона от грузополучателей (грузоотправителей) с подъездных путей не принимаются, о чем ставится в известность приемосдатчик груза и дежурный по станции для учета вагонов на простое подъездного пути до подписания актов
формы ВУ-25М (ВУ-25) на поврежденные вагоны.
2.4.5 Ремонт вагонов после выписки на них уведомлений формы ВУ-23М (ВУ-23) производится на ремонтных путях ПТО или вагонных депо. Пересылка таких вагонов для ремонта на другие железные дороги допускается по разрешению железнодорожной администрации или владельца инфраструктуры.
2.5 Техническое обслуживание грузовых вагонов при подготовке
их к перевозкам
2.5.1 Решение о возможности погрузки вагона или необходимости производства вагону очередного планового вида ремонта, осмотрщик вагонов принимает, руководствуясь данными трафарета на кузове вагона и данными справок с ИВЦ дорог 204, 118, 2610, 2612 получаемых у оператора ПТО, а при отсутствии данной должности, у дежурного по станции.
2.5.2 Все вагоны перед подачей под погрузку должны предъявляться работниками станции к техническому обслуживанию с указанием пункта, железной дороги, государства назначения, государства-собственника, наименования груза и записью об этом в книге предъявления вагонов формы ВУ-14.
Специализированные вагоны, предназначенные для перевозки опасных грузов, предъявляют к техническому обслуживанию только в порожнем состоянии с обязательным указанием в отдельной книге формы ВУ-14 наименования груза и результатов технического обслуживания.
(в ред. Протокола от 08.06.2021)
Вагоны, требующие ремонта с отцепкой от состава, после разметки осмотрщиками и выдачи на них уведомления формы ВУ-23М (ВУ-23) маневровыми средствами станции подаются на специализированные пути, оснащенные необходимыми технологическими устройствами.
Определение технического состояния и исправности ходовых частей, колесных пар, буксового узла, рамы и кузова вагона, тормозного оборудования, автосцепного устройства грузовых вагонов производится работниками ПТО.
Техническое состояние наружного и внутреннего оборудования грузовых вагонов (крытых, АРВ, рефрижераторных секций), котлов, сливо-наливной и контрольной арматуры цистерн, съемного и несъемного специализированного оборудования платформ, предназначенного для крепления груза, определяет грузоотправитель.
2.5.3 Запрещается готовить и подавать вагоны под погрузку грузов:
- без предъявления к техническому обслуживанию и записи в книге формы ВУ-14 о признании их технически исправными;
- с выработанным межремонтным нормативом по пробегу или календарному сроку;
[20] - если до истечения межремонтного норматива остается менее 30 суток по календарному сроку или 5 тыс. км по пробегу при перевозках в международном сообщении (при перевозках во внутригосударственном сообщении железнодорожная администрация вправе установить иные условия);
- при отсутствии трафаретов о ремонте вагонов, с искаженной или двойной нумерацией, при отсутствии кода страны-собственника, не зарегистрированные в картотеке АБД ПВ.
2.5.4 Запрещается подавать под погрузку вагоны, имеющие неисправности:
2.5.4.1 Колесных пар:
[31] - толщина гребня колес менее 25 мм для грузовых вагонов, подготавливаемых к перевозке в международном сообщении. Толщина гребня колес грузовых вагонов при курсировании по путям общего пользования в пределах железнодорожной администрации устанавливается владельцем инфраструктуры;
- прокат по кругу катания колесной пары более 8,5 мм. Требования к другим параметрам колесных пар (ползун, "навар", толщина обода, неравномерный прокат, кольцевые выработки и выщербины) аналогичны требованиям, изложенным в
п. 3.2.1 настоящей Инструкции.
2.5.4.2 Тормозного оборудования:
2.5.4.3 Рамы и кузова вагона:
- повреждение или отсутствие металлических обшивок, настила пола, борта и других узлов кузова, крыши, дверей;
- повреждение дверных, бортовых запоров и шарниров, переходных площадок и подножек, обрыв или трещина хотя бы одного шарнирного соединения крышки люка или двери;
- пробоины и трещины во внутренней и наружной обшивке бункеров, уширение стенок бункеров более 100 мм, трещины и изломы в опорах бункеров вагонов для нефтебитума;
- вмятины на котле цистерны глубиной более 40 мм на площади не более 0,5 кв. м. Допускается наличие не более двух отдельных вмятин, расположенных на цилиндрической части цистерны и днище, за исключением зоны крепления котла к раме (зоны лап и лежней) и опорных зон на расстоянии 200 мм до опоры и на сварных швах);
- отсутствие подножек и лестниц у вагонов, где они предусмотрены конструкцией вагона;
- трещины в узле крепления вертикальной стойки к раме, поперечные трещины в горизонтальных полках балок рамы длиной более 30 мм, трещины верхней обвязки, обрыв по сварке или разрыв накладок, соединяющих верхнюю обвязку кузова полувагона в угловом месте соединения элементов торцевой и продольной стен при наличии выходящих на наружную, видимую для осмотрщика вагонов часть верхней обвязки;
- не фиксируется в вертикальном рабочем положении, отсутствует либо погнут, имеет трещину, в узлах крепления контейнера, хотя бы один фитинговый упор специализированных платформ для перевозки крупнотоннажных контейнеров;
- отсутствие или повреждение лесных скоб на платформах.
2.5.4.4 Автосцепное устройство:
2.5.4.5 Загрузочно-выгрузочных устройств:
- неисправность запора крышки люка или двери, запорного устройства для пломбирования у вагонов-зерновозов и цистерн;
- погнутый кронштейн цилиндра опрокидывания вагона-думпкара;
- отсутствие или повреждение уплотнительных резиновых прокладок разгрузочных люков у вагонов-хопперов для перевозки цемента, зерна, минеральных удобрений;
- неисправность механизма привода, трещина, неплотное прилегание среднего клапана сливного прибора с тремя степенями защиты вагонов-цистерн;
- неисправные запорные механизмы бункеров, отсутствие крышек бункеров, несовпадение зуба сектора с гнездом в опоре;
- отсутствие или повреждение концевого крана или соединительного рукава разгрузочной магистрали;
- неплотное прилегание крышек люков, продольное смещение вала разгрузочного механизма, зазор между зубом защелки и зубом рычага более 3 мм, величина перехода рычага через "мертвую точку" менее 8 мм или более 18 мм у вагонов для перевозки горячих окатышей и агломерата;
- зазор между зубом закидки и зубом фиксатора более 8 мм - у вагонов для минеральных удобрений, величина перехода рычагов через "мертвую точку" менее 20 мм - для верхней тяги, 15 мм - для нижней, трещины бункера у зерновозов, изгиб, обрыв фиксатора штурвала механизма разгрузки, отсутствие штурвала, трещины в сварных соединениях кронштейнов крепления приводов механизма разгрузки, изгибы и вмятины разгрузочных и загрузочных люков, обрыв крепления крышки загрузочного люка, износ в шарнирных соединениях механизма разгрузки более 2 мм, вкладышей привода механизма разгрузки - более 3 мм.
Подготовку под погрузку механизмов разгрузки специализированных вагонов с восьмизначной нумерацией (вагонов-хопперов для перевозки минеральных удобрений, цемента, сыпучих стройматериалов, зерна, апатитов, технического углерода, гранулированной сажи, горячих окатышей, сыпучих металлургических грузов, кокса, угля, торфа и др.) производит собственник вагона или грузоотправитель в соответствии с инструкцией завода-изготовителя.
2.5.4.6 Суммарный боковой зазор, превышающий 20 мм, в центральном узле пятник-подпятник восьмиосных цистерн.
2.5.5 Вагоны под скоропортящиеся грузы осматриваются только в порожнем состоянии.
2.5.6 Подготовка цистерн под налив нефтепродуктов производится на промывочно-пропарочных станциях (ППС) и пунктах.
Вагоны-цистерны для перевозки опасных грузов, предъявляемые к техническому осмотру, должны иметь четкие надписи о сроках проведения периодического ремонта, наименовании груза.
2.5.7 Предъявляемые к техническому обслуживанию вагоны должны быть в порожнем состоянии и очищены от ранее перевозимых грузов.
На универсальные крытые вагоны и контейнеры надписи о наименовании груза не наносятся.
Исправное техническое состояние кузовов предъявленных к техническому обслуживанию вагонов, корпусов контейнеров и котлов контейнеров-цистерн, а также их арматуры, запорно-предохранительных устройств и оборудования, гарантирующее безопасность перевозки конкретного опасного груза до станции назначения, включая этап выдачи груза, обеспечивает грузоотправитель.
(п. 2.5.7. в ред. Протокола от 08.06.2021)
2.5.8 По окончании технического обслуживания осмотрщик сообщает о готовности вагонов оператору ПТО. В книге формы ВУ-14, против каждого номера вагона или группы вагонов, осмотрщик ставит подпись, удостоверяя их пригодность для перевозок конкретного груза.
Техническая готовность под погрузку состава в целом подтверждается подписью руководителя смены ПТО в книге формы ВУ-14.
2.5.9 Запрещается ставить в поезда после выгрузки порожние вагоны с незакрытыми или отсутствующими дверями, крышками люков, заглушками сливных приборов цистерн. При постановке порожних вагонов в поезд необходимо обращать внимание на исправность дверных шарниров, наличие валиков и петель дверей полувагонов. При обнаружении дверей с отсутствующими валиками - одного валика при двух петлях на дверь или двух валиков при трех петлях, двери не закрывают, а закрепляют их к боковой стенке полувагона в открытом состоянии и отправляют на ближайший ПТО, заполнив форму ВУ-23М (ВУ-23).
2.6 Техническое обслуживание пассажирских вагонов на пунктах
формирования и оборота
2.6.1 Техническое обслуживание пассажирских вагонов, прибывающих или отправляющихся из пунктов формирования и оборота, производят на специализированных путях технической станции в соответствии с местным технологическим процессом, разработанным на основе технологического процесса подготовки и экипировки пассажирских вагонов в рейс, Инструкции по техническому обслуживанию оборудования пассажирских вагонов, технологического процесса работы пассажирской технической станции.
Техническое состояние ходовых частей вагонов, после вывода с пунктов формирования и оборота принимают работники ПТО, парка пассажирской технической станции.
Пункты формирования и оборота обеспечивают исправное техническое состояние узлов, наружного и внутреннего оборудования вагонов.
Порядок взаимодействия и разграничения ответственности за отказ в процессе эксплуатации устанавливается владельцем инфраструктуры.
2.6.2 Вагоны пассажирских поездов осматривают порядком, указанным в
разделе 2.1 настоящей Инструкции. При техническом обслуживании вагонов должны быть устранены неисправности, выявленные осмотрщиком вагонов. Поврежденный внутренний инвентарь должен быть исправлен или заменен, а недостающий пополнен.
Перед началом работ на составе с электроотоплением необходимо убедиться в отсутствии высокого напряжения и полной электробезопасности в порядке, установленном для каждого ПТО, парка пассажирской технической станции.
2.6.3 На станциях формирования внутреннее оборудование и инвентарь прибывших из рейса вагонов проверяет осмотрщик по внутреннему оборудованию в присутствии проводника вагона.
2.6.4 Осмотрщик по внутреннему оборудованию обязан следить за своевременностью подготовки узлов вагонов и по их готовности проверить с записью в журнале формы ВУ-8 состояние:
- умывальных чаш, унитазов, их колец, подъемных крышек, педального механизма, клапана, сальников, кранов и вентилей водяных баков, труб, кипятильника;
- дефлекторов вентиляции, воздушных фильтров, калориферов, дымовых труб, котлов и их прокладок, колосниковых решеток, насосов, обогревательных труб, угольных ящиков;
- дверей, диванов, подъемных и багажных полок, оконных рам, стекол, замков, ручек и другого внутреннего оборудования;
- запоров потолочных ниш, патрубков наливных труб, переходных и откидных площадок, трапов, ступенек, поручней, фановых труб.
Кроме того, необходимо проверить наличие воды в системе водоснабжения, а в период отопления - в котлах и запасных баках, а в случае ее недостатка, принять меры к своевременному пополнению.
2.6.5 В процессе осмотра внутреннего оборудования вагона осмотрщик сверяет фактическое наличие оборудования и инвентаря в вагоне с инвентарной описью.
2.6.6 В соответствии с технологическим процессом осмотрщик, осматривающий электрооборудование, принимает электрооборудование каждого вагона от поездного электромеханика или начальника (механика-бригадира) поезда. В процессе приемки, он дополнительно к неисправностям, записанным поездным электромехаником в книге учета ремонта вагонов, фиксирует выявленные неисправности, проверяет качество проведенного в пути следования ТО-1.
При подготовке пассажирских вагонов к летним или зимним перевозкам (ТО-2) осмотрщик должен проверить наличие проверочных клейм или оттисков на измерительных приборах и срок очередной их проверки, а слесарь-электрик обеспечить исправность холодильного, электрического оборудования, электроотопления, привода и подвески подвагонного генератора, аккумуляторной батареи, сигнализации нагрева букс, сигнальных фонарей, систем вентиляции и кондиционирования, системы пожарной сигнализации и отсутствие утечек тока на корпус вагона по минусу (-) и плюсу (+).
Угольные регуляторы напряжения, ограничители тока и устройства защиты от повышенного и пониженного напряжения должны быть исправны и запломбированы. Запрещается ставить в поезда вагоны с неисправной пожарной сигнализацией и сигнализацией нагрева букс. Не допускается отправлять вагоны, которые получают электропитание от генераторов соседних вагонов, с утечками электротока на корпус вагона.
Осмотрщик из специализированной группы по приводу генератора принимает замечания по приводу генератора от поездного электромеханика или начальника (механика-бригадира) поезда, устраняет неисправности по этим замечаниям, а также обнаруженным им в процессе осмотра вагонов замечаниям.
При подготовке к летним и зимним перевозкам (ТО-2) обеспечивается исправность привода и подвески подвагонного генератора.
2.6.7 Осмотрщик вагонов, проверяет с пролазкой техническое состояние кузова, колесных пар, автосцепного устройства, буферов и безбуферного устройства, рамы вагона и тележек, подвесок рессорного подвешивания, гидравлических гасителей колебаний, зазоры между скользунами, крепление подвагонного оборудования и других узлов и деталей.
По окончании технического обслуживания на технических станциях в местах формирования осмотрщики каждой группы докладывают оператору и расписываются в технической готовности состава.
2.6.8 После формирования поезда, кроме осмотра всех частей вагонов, должны быть проверены правильность их сцепления и действие электропневматических, пневматических и ручных тормозов. Не допускается отправлять пассажирские поезда с неисправной системой электропневматического тормоза.
2.6.9 Составы, передаваемые с технической станции на приемоотправочные пути станции для посадки пассажиров, подвергаются контрольному осмотру осмотрщиками на ходу для проверки исправности ходовых частей, тормозов и подвагонного оборудования.
2.6.10 Техническое обслуживание, текущий ремонт и экипировку составов скоростных поездов выполняют на специально выделенных и оборудованных для этого и оборудованных путях и в соответствии с технологическим процессом, Инструкцией по техническому обслуживанию и эксплуатации сооружений, устройств подвижного состава и организации движения на участках обращения скоростных пассажирских поездов.
2.6.11 На осмотрщика хвостовой ремонтно-смотровой группы возлагается контроль за наличием сигналов у концевого вагона пассажирского и почтово-багажного поездов.
Осмотрщик не должен допускать отправления пассажирских и почтово-багажных поездов без установленных сигналов или с неисправными сигнальными фонарями.
Дополнительные требования к спальным вагонам для международного сообщения габарита РИЦ WLX 200
2.6.12 Запрещается постановка в поезда вагонов:
- если расстояние между свисающими деталями винтовой сцепки, рукавами напорной и тормозной магистрали и другими сцеплениями и головками рельсов менее 140 мм;
- если отсутствуют на вагоне надписи: знак железной дороги, которой принадлежит вагон, 12-значный номер вагона по правилам МСЖД, знак RIC, тара вагона и масса в экипированном состоянии, обозначение пневматического тормоза согласно правилам МСЖД (альбом "Знаки и надписи"), дата последней ревизии с кратким обозначением предприятия, проводившего ревизию; знаки, наносимые на вагон с электроотоплением;
- если колесные пары колеи 1435 мм не удовлетворяют следующим требованиям:
1) расстояние между гребнями ободов колесной пары, измеренное на расстоянии 10 мм от круга катания, не более 1426 мм и не менее 1410 мм;
2) расстояние между внутренними гранями ободов колеса не более 1363 и не менее 1357 мм;
3) толщина гребня обода колеса, измеренная на расстоянии 10 мм от круга катания, не менее 22 мм;
4) диаметр круга катания колеса не менее 840 мм;
5) ширина обода колеса не более 140 мм и не менее 135 мм;
6) высота гребня обода колеса, измеренная от круга катания, более 36 мм;
7) измеренный на гребне шаблоном размер "qR" должен быть более 6,5 мм, причем в зоне наружной направляющей поверхности гребня колеса до 2 мм ниже его максимальной высоты не должно быть уступов и накатов.
2.6.13 Поверхность катания колеса не должна иметь: местные вдавливания, ползуны глубиной более 1 мм или длиной более 60 мм, наплывы металла более 60 мм длиной и высотой более 1 мм.
2.6.14 Ось колесной пары не должна иметь: трещин, дефектов, устраненных при помощи сварки; погнутостей; потертостей с острыми кромками; потертостей глубиною более 1 мм.
2.6.15 Тормозные тяги или другие части не должны тереться об ось колесной пары.
2.6.16 Запрещается постановка в поезда вагонов, ударно-тяговые приборы которых имеют хотя бы одну из следующих неисправностей:
- расстояние между центром буфера и головкой рельса у стоящего вагона более 1065 мм и менее 980 мм;
- расстояние между центрами буферов более 1750 мм и менее 1740 мм;
- отсутствуют буферные приборы и крепежные винты и гайки, все крепежные винты должны быть туго затянуты;
- отсутствуют или имеют повреждения детали, которые препятствуют выпадению тарелки буфера с хвостовиком;
- пружины или другие части имеют повреждения или изломы, которые могут повлиять на эффективность буферов;
- у одиночного вагона буфер может быть сжат вручную более чем на 15 мм;
- такие повреждения корпуса буфера, при которых не обеспечено надежное крепление или достаточное направление перемещения хвостовика (стакана);
- надрывы стакана и хвостовика (гильзы) буфера в месте прохода к фланцу или тарели, которые составляют более 1/4 длины по окружности стакана буфера или же хвостовика буфера;
- буферные тарели имеют более 1/3 ослабленных заклепок.
2.6.17 Винтовая сцепка и тяговый крюк не должны иметь трещин или повреждений, которые бы делали невозможным сцепление с другими вагонами или же оказывали влияние на их работу.
2.6.18 Хвостовик тягового крюка или же направляющие крюка не должны быть изношены до такой степени, чтобы крюк мог вращаться в направляющих.
2.6.19 Диаметр валика винтовой стяжки не должен быть менее 50 мм.
2.6.20 Ремонтные работы при помощи сварки на винтовой упряжи не допускаются.
2.6.21 При включенных пневматических тормозах рукоятка разобщительного крана должна быть направлена вертикально вниз. Тормоз должен выключаться при повороте рукоятки на 90°.
Формирование поездов
2.6.22 Пассажирские поезда должны формироваться в полном соответствии с настоящей Инструкцией, ПТЭ, графиком движения и схемой состава поезда. Порядок прицепки к пассажирским поездам вагонов сверх нормы и следования длинносоставных пассажирских поездов устанавливается железнодорожной администрацией или владельцем инфраструктуры, длина международного пассажирского поезда регулируется в соответствии с порядком управления маршрутами прямого международного пассажирского железнодорожного сообщения.
Не допускается ставить в пассажирские и почтово-багажные поезда:
- вагоны с истекшими и заканчивающимися в пути следования сроками плановых видов ремонта и (или) единой технической ревизии, при этом никакие отсрочки не допускаются;
- грузовые вагоны.
В пределах страны-собственницы и с разрешения железнодорожной администрации или владельца инфраструктуры в пассажирские поезда своего формирования (кроме скоростных и скорых), на участках железных дорог, где максимальная скорость движения поездов не превышает 120 км/ч, может быть включен следующий подвижной состав:
- грузовые вагоны на тележках модели 18-100 и ее аналогов с осевой нагрузкой до 21 тс;
- рефрижераторные вагоны на тележках ЦМВ - Дессау, КВЗ-И2;
- пассажирские вагоны на тележках КВЗ-5.
Промежуточная ревизия букс грузовым вагонам, включаемым в пассажирские или почтово-багажные поезда, производится через каждые шесть месяцев с записью в книгу формы ВУ-92. В этот же срок выполняется оздоровительный ремонт тормозов с записью в книгу формы ВУ-68. Автосцепка таких вагонов должна соответствовать шаблону N 940р.
2.6.23 Типы прицепляемых грузовых вагонов, состояние их ходовых частей, тормозного и тягового оборудования должны отвечать требованиям, установленным ПТЭ и действующей нормативной документации.
2.6.24 Запрещается постановка в пассажирские поезда грузовых вагонов, которые не обеспечивают максимальную скорость следования пассажирских поездов, установленную графиком движения.
В исключительных случаях при включении в пассажирский поезд грузового или другого вагона, который не может следовать со скоростью, установленной для данного участка, на этот поезд выдается письменное предупреждение о снижении скорости порядком, установленным Инструкцией по движению поездов и маневровой работе.
Основанием для выдачи предупреждения в пределах одной железной дороги служит приказ начальника железной дороги на прицепку вагонов к пассажирскому поезду с указанием допустимой скорости движения, а в пределах двух и более железных дорог - разрешение железнодорожных администраций или владельца инфраструктуры.
2.7 Техническое обслуживание пассажирских вагонов
в пути следования
2.7.1 Техническое обслуживание вагонов пассажирского поезда производится на приемоотправочных путях станции за время его стоянки по графику; вагоны с неисправностями, устранение которых требует отцепки их от состава, подают на специализированные пути.
Техническое обслуживание вагонов выполняют в соответствии с технологическим процессом пункта, с учетом времени стоянки поезда на этой станции по графику.
2.7.2 Техническое обслуживание пассажирских вагонов с пролазкой в составе поездов должно осуществляться на ПТО, но не чаще чем через 600 км пути.
Техническое обслуживание с пролазкой пассажирских вагонов в составе поезда, на станциях с высокими платформами для посадки и высадки пассажиров, не производится.
2.7.3 Контроль технического состояния составов скоростных поездов на промежуточных станциях осуществляется в соответствии с Инструкцией по техническому обслуживанию и эксплуатации сооружений, устройств, подвижного состава и организации движения на участках обращения скоростных поездов.
3 ТЕХНИЧЕСКИЕ ТРЕБОВАНИЯ К УЗЛАМ И ДЕТАЛЯМ ВАГОНОВ
В ЭКСПЛУАТАЦИИ
3.1.1 Запрещается ставить в поезда:
- вагоны, технически неисправные, угрожающие безопасности движения, пожарной безопасности, или вагоны, состояние которых не обеспечивает безопасность пассажиров или сохранность перевозимых грузов;
- вагоны, имевшие сход с рельсов или находившиеся в поезде, потерпевшем крушение, впредь до осмотра их и признания годными для движения;
- вагоны, не имеющие трафарета о производстве установленных видов ремонта, за исключением вагонов следующих по особым документам (как груз на своих осях); вагоны исключенные (вагоны с закрашенными номерами); порожние вагоны с истекшим межремонтным пробегом или календарным сроком капитального и деповского ремонтов, за исключением вагонов, следующих по документам в плановые виды ремонта;
- груженые вагоны, сроки плановых видов ремонта которых истекают в пути следования, не должны превышать нормативов, установленных Положением о системе технического обслуживания и ремонта грузовых вагонов, допущенных в обращение на железнодорожные пути общего пользования в межгосударственном сообщении;
- пассажирские вагоны без проведения технической ревизии ТО-3, если маршрут следования вагона и возврат его в пункт формирования не обеспечивается до истечения срока периодического ремонта или ревизии.
- платформы с незакрытыми бортами (за исключением случаев, предусмотренных специальными инструкциями), бункерные полувагоны с незакрепленными бункерами, цистерны, хопперы (зерновозы, цементовозы) и другой подвижной состав с открытыми крышками верхних и нижних загрузочно-выгрузочных устройств;
- полувагоны с открытыми дверями (за исключением случаев, предусмотренных правилами погрузки) и крышками люков или крышками, закрытыми на одну закидку запорного механизма;
- порожние крытые вагоны с открытыми или не зафиксированными на закидку дверями;
- вагоны для перевозки битума с не очищенными от битума колесными парами по поверхности катания и ободами колес;
- с отсутствующими или неисправными устройствами, предохраняющими от падения на путь деталей и узлов подвагонного оборудования;
- вагоны для перевозки опасных грузов без знаков опасности и свидетельства о техническом состоянии вагонов для перевозки опасных грузов;
- вагоны с искаженной нумерацией или имеющие двойную нумерацию, при отсутствии кода страны собственника, а также не зарегистрированные в АБД ПВ, ИВЦ ЖА;
- вагоны с ослаблением крепления подвагонного оборудования, узлов, деталей и предохранительных устройств в ходовых частях, на раме и кузове вагона.
- пассажирские вагоны, курсирующие в международном сообщении, не зарегистрированные в Автоматизированном банке данных вагонов пассажирского парка Информационной базы межгосударственного уровня (АБД ВПП ИБМУ).
3.1.2 Технические требования к вагонам грузового парка, используемым в межгосударственном сообщении:
3.1.2.1 Вагоны, допускаемые к межгосударственному обращению, должны полностью соответствовать требованиям "Правил эксплуатации, пономерного учета и расчетов за пользование грузовыми вагонами собственности других государств" и другим нормативно-техническим документам, регламентирующим совместное использование грузовых вагонов и принятым Советом по железнодорожному транспорту государств-участников Содружества.
3.1.2.2 Грузовые вагоны, следующие в страны, не являющиеся участниками "Соглашения о совместном использовании грузовых вагонов и контейнеров собственности государств-участников, Азербайджанской Республики, Республики Грузия, Латвийской Республики, Литовской Республики, Эстонской Республики" должны соответствовать требованиям дополнительных технических условий на вагоны, определенным отдельными соглашениями.
3.1.2.3 В отдельных случаях по взаимной согласованности по межгосударственным стыковым пунктам могут пропускаться груженые вагоны с некоторыми отступлениями от установленных технических требований. На межгосударственных стыковых пунктах в таких случаях составляется акт о техническом состоянии вагона формы ГУ-23 с указанием в нем отступлений, с которыми условно принят вагон железнодорожной администрации и следовал до станции выгрузки.
После освобождения такой вагон в порожнем состоянии с приложением акта о его приеме возвращается в государство принадлежности по тому стыковому пункту, через который был принят.
3.2.1 Запрещается выпускать в эксплуатацию и допускать к следованию в поездах вагоны после сходов, с трещиной в любой части оси колесной пары или трещиной в ободе, диске и ступице колеса, а также при следующих износах и повреждениях колесных пар, нарушающих нормальное взаимодействие пути и подвижного состава:
1) при скоростях движения до 120 км/ч
[29] - для пассажирских вагонов, толщина гребня более 33 мм или менее 25 мм при измерении на расстоянии 18 мм от вершины гребня;
- для грузовых вагонов, толщина гребня более 33 мм или менее 24 мм при измерении на расстоянии 18 мм от вершины гребня;
- прокат по кругу катания у колесных пар пассажирских вагонов с редукторно-карданным приводом от торца шейки оси более 4 мм; у пассажирских вагонов в поездах дальнего следования более 7 мм; у пассажирских вагонов в поездах местного и пригородного сообщения более 8 мм; у вагонов рефрижераторного парка и грузовых вагонов более 9 мм;
[25] - неравномерный прокат по кругу катания (при обнаружении) у грузовых вагонов более 2 мм; у пассажирских вагонов 2 мм и более, а у колесных пар с приводом генераторов всех типов (кроме плоскоременных) - 1 мм и более.
[25] При обнаружении на ПТО в грузовых вагонах, в пунктах формирования и оборота в пассажирских поездах, а также на ПТО промежуточных станций колесных пар с неравномерным прокатом более допустимых величин данные колесные пары должны быть выкачены для проведения им соответствующего ремонта с восстановлением профиля поверхности катания колес.
- неравномерный прокат по кругу катания (при обнаружении) у грузовых вагонов более 2 мм; у пассажирских вагонов 2 мм и более, а у колесных пар с приводом генераторов всех типов (кроме плоскоременных) - 1 мм и более.
2) вертикальный подрез гребня высотой более 18 мм, измеряемый шаблоном ВПГ;
[25] 3) ползун на поверхности катания колес:
- грузовых вагонов более 1 мм;
- пассажирских вагонов 1 мм и более.
При обнаружении на промежуточной станции вагона с колесной парой, имеющей на поверхности катания колеса ползун глубиной более 1 мм - для грузового вагона или глубиной 1 мм и более - для пассажирского, но не более 2 мм разрешается довести такой вагон без отцепки от поезда до ближайшего ПТО, имеющего средства для смены колесных пар: пассажирский со скоростью не более 100 км/ч, грузовой - не более 70 км/ч.
При глубине ползуна более 2 мм, но не более 6 мм разрешается следование поезда со скоростью 15 км/ч, а при ползуне более 6 мм, но не более 12 мм - со скоростью 10 км/ч до ближайшей станции, где колесная пара должна быть заменена.
При ползуне более 12 мм разрешается следование со скоростью 10 км/ч при условии исключения возможности вращения колесной пары (с применением тормозных башмаков или ручного тормоза);
4) протертость средней части оси глубиной более 2,5 мм (5 мм по диаметру);
5) следы контакта с электродом или электросварочным проводом в любой части оси;
6) сдвиг или ослабление ступицы колеса на подступичной части оси
(рисунок 3.1). Признаком ослабления посадки ступицы колеса на оси является разрыв краски по всему периметру в месте сопряжения с выделением из-под ступицы с внутренней стороны колеса ржавчины или масла. Колесная пара не бракуется, если при разрыве краски выделение из-под ступицы колеса ржавчины или масла не наблюдается. Признаками сдвига ступицы колеса на оси служит полоска ржавчины или блестящая полоска на поверхности металла с внутренней стороны ступицы (при сдвиге колеса наружу), полоска ржавчины или блестящая полоска на оси с противоположной стороны ступицы (при сдвиге колеса внутрь).
При наличии хотя бы одного из указанных признаков необходимо выкатить колесную пару из-под вагона и отправить в ремонт;
7) Выщербины на поверхности катания колеса глубиной более 10 мм или длиной более 50 мм у грузовых вагонов и более 25 мм у пассажирских вагонов. Трещина в выщербине или расслоение, идущее вглубь металла, не допускаются. Толщина обода колеса в месте выщербины не должна быть менее допускаемой. Выщербины глубиной до 1 мм не бракуются независимо от их длины.
При выявлении во время осмотра на промежуточных станциях пассажирских вагонов с выщербинами на поверхности катания колес длиной:
- от 25 мм но не более 40 мм, разрешается дальнейшее следование вагона с установленной скоростью до ближайшего пункта, имеющего средства для смены колесных пар;
- более 40 мм но не свыше 80 мм, разрешается довести такой вагон без отцепки от поезда со скоростью не более 100 км/ч до ближайшего пункта, имеющего средства для смены колесных пар;
- более 80 мм разрешается следование поезда со скоростью не более 15 км/ч до ближайшей станции, где колесная пара должна быть заменена или вагон отцеплен.
Выщербины на колесных парах пассажирских вагонов при скоростях движения 140 км/ч и выше не допускаются.
[25] 8) кольцевые выработки на поверхности катания колеса в соответствии с
рисунком 3.2 глубиной "а" у основания гребня более 1 мм, глубиной "б" на уклоне 1:3,5 более 2 мм или шириной "в" более 15 мм.
При наличии кольцевых выработок на других участках поверхности катания, нормы браковки их такие же, как для кольцевых выработок, расположенных у гребня;
Не является кольцевой выработкой темная полоса в зоне радиусного перехода от поверхности катания к основанию гребня, являющаяся черновиной, оставшейся из-за отсутствия в этой зоне износа поверхности катания и гребня нового колеса после капитального ремонта или изготовления колесной пары;
| | ИС МЕГАНОРМ: примечание. Нумерация рисунков дана в соответствии с источником опубликования. | |
Рисунок 3.2 - Кольцевые выработки на поверхности
катания колес
9) местное уширение обода колеса (раздавливание) более 5 мм;
10) поверхностный откол наружной грани обода колеса
(рисунок 3.3), включая местный откол кругового наплыва, глубиной (по радиусу колеса) более 10 мм, или ширина оставшейся части обода в месте откола менее 120 мм, или наличие в поврежденном месте независимо от размеров откола трещины, распространяющейся в глубь металла;
11) повреждение поверхности катания колеса, вызванное смещением металла, ("навар") высотой у колесных пар пассажирских вагонов более 0,5 мм, грузовых вагонов более 1 мм
(рисунок 3.4). При обнаружении на промежуточной станции вагонов с колесными парами, имеющими "навар" более указанных размеров, порядок следования вагона такой же, как в
подпункте 3);
В грузовых поездах, а также в пассажирских, обращающихся со скоростью не выше 120 км/ч, допускается устранять "навар" абразивным кругом. При этом зачищенные участки должны удовлетворять следующим требованиям: на зачищенном месте не должно быть трещин, переход от зачищенной поверхности к не зачищенной должен быть плавным, зачищенная поверхность должна располагаться заподлицо с прилегающими бездефектными участками; в месте зачистки допускается углубление не более 0,5 мм.
Рисунок 3.3 Поверхностный откол наружной грани обода
Рисунок 3.4 Смещение металла ("навар") на поверхности
катания колеса
12) остроконечный накат - выступ, образовавшийся в результате пластической деформации поверхностных слоев металла гребня в сторону его вершины
(рисунок 3.5), выявляется визуально.
Для колесных пар пассажирских вагонов не допускается наличие остроконечного наката гребня.
Для колесных пар грузовых вагонов браковочным является остроконечный накат, находящийся в рабочей части гребня колеса в зоне 2 мм от вершины гребня и 13 мм от поверхности катания, который определяется приспособлением для установления зоны браковки остроконечного наката гребня Т 1436.000.
[18]
Не браковочным является остроконечный накат в вершинной (нерабочей) части гребня, не имеющего при этом вертикального подреза.
Остроконечный накат устраняется механической обработкой, с применением оборудования обеспечивающего требования к обрабатываемым поверхностям и согласованным с владельцем инфраструктуры.
Рисунок 3.5 Остроконечный накат гребня
13) толщина обода колеса по кругу катания менее 22 мм у грузовых вагонов, менее 30 мм у пассажирских вагонов, в том числе пассажирские вагоны местного и пригородного сообщения.
3.2.2 В эксплуатации требования к колесам с профилем ИТМ-73 и стандартным профилем одинаковы - в соответствии с требованиями действующих инструкций. При отсутствии запасных колесных пар с ремонтным профилем ИТМ-73 на вагоне могут временно эксплуатироваться часть колесных пар с ремонтным профилем, остальные со стандартным профилем - до ближайшей переточки последних на ремонтный профиль ИТМ-73.
3.2.3 На участках обращения скоростных поездов, в соответствии с требованиями "
Инструкции по техническому обслуживанию и эксплуатации сооружений, устройств, подвижного состава и организации движения на участках обращения скоростных пассажирских поездов", запрещается выпускать в эксплуатацию и допускать к следованию в пассажирских поездах вагоны после сходов, с трещинами в любой части оси, в ободе, ступице и диске колеса, а также при дефектах, износах и неисправностях колесных пар приведенных в
п.п. 2 -
12 и в
таблице 3.1 настоящей Инструкции.
На правых верхних болтах крепительной крышки буксы правой шейки колесных пар дополнительно должна быть установлена бирка, на которой должно быть выбито "160 км/час" или "200 км/час".
3.2.4 Осмотр колесных пар грузовых и пассажирских вагонов производится в незаторможенном состоянии с остукиванием молотком поверхности катания колес с целью выявления трещин.
Контролируемые параметры поверхности катания колесной пары
Наименование контролируемых величин износов элементов колесной пары | Размеры дефектов, мм |
1 | 2 |
1. Равномерный прокат колесных пар при скоростях не более: | |
120 - 140 км/ч | 5 |
141 - 200 км/ч | 5 |
2. Толщина гребня: | |
120 - 140 км/ч | 28 - 33 |
141 - 200 км/ч | 30 - 33 |
3. Толщина обода не менее: | |
120 - 140 км/ч | 35 |
141 - 200 км/ч | 40 |
4. Неравномерный прокат колесных пар: | |
а) при отправлении с пункта формирования и оборота не более: | |
120 - 140 км/ч | 1,5 |
141 - 160 км/ч | 1,5 |
161 - 200 км/ч | 1 |
редукторная колесная пара до 160 км/ч | 1 |
б) при выпуске вагона из текущего отцепочного ремонта у колесных пар, не выкатываемых из под вагона не более: | |
120 - 140 км/ч | 1 |
141 - 160 км/ч | 1 |
161 - 200 км/ч | 0,5 |
редукторная колесная пара до 160 км/ч | 0,5 |
в) при выпуске вагона из текущего отцепочного ремонта у колесных пар, подкатываемых под вагон не более: | |
120 - 140 км/ч | 0,5 |
141 - 160 км/ч | 0,5 |
161 - 200 км/ч | 0,3 |
редукторная колесная пара до 160 км/ч | 0,2 |
Осмотрщик при движении пассажирских и грузовых вагонов, а также на стоянках по внешним признакам выявляет неисправные буксовые узлы, температура которых может и не отличаться от температуры исправных (температура определяется приборами бесконтактного обнаружения перегретых букс).
[30] Порядок технического обслуживания колесной пары с буксовым узлом:
- проверить состояние колесной пары в соответствии с требованиями
раздела 3.2 настоящей Инструкции;
- осмотреть буксовые узлы;
- проверить нагрев буксового узла и сравнить его с другими буксами этого же вагона;
- произвести остукивание смотровой крышки ниже ее центра для определения нарушения торцевого крепления (кроме кассетного подшипника).
3.3.1 Буксовые узлы грузовых вагонов.
Контроль буксовых узлов в пути следования грузовых вагонов осуществляется:
- средствами диагностики на ходу поезда;
- работниками вагонных депо и пунктов технического обслуживания, осуществляющих эксплуатационную деятельность.
При встрече состава поезда с ходу выявляют внешние признаки ненормальной работы буксовых узлов: скрежет, пощелкивание, искрение, задымление, появление запаха, движение колесной пары юзом.
При осмотре буксовых узлов во время остановки (стоянки) поезда контролируют:
с подшипниками в корпусе буксы: сдвиг вдоль оси корпуса буксы и/или его перекос; трещины корпусов букс и крепительных крышек, трещины и деформацию смотровых крышек (например, "вздутая", а также имеющая протертости или пробоины от взаимодействия с элементами торцевого крепления и деталями подшипника); ослабление (или отсутствие) болтов М20 крепления крышек крепительных и/или болтов М12 крышек смотровых, обрыв (или ослабление) болтов М20 или срыв гайки торцевой М110 торцевого крепления подшипников (определяется путем остукивания смотровой крышки ниже ее центра), выброс смазки на диск и/или обод колеса, нагрев верхней части корпуса буксы.
При подозрении на ненормальную работу подшипников в корпусе буксы производят снятие крышек смотровых.
Наиболее характерные внешние признаки неисправных буксовых узлов с подшипниками в корпусе буксы указаны в
таблице 3.2.
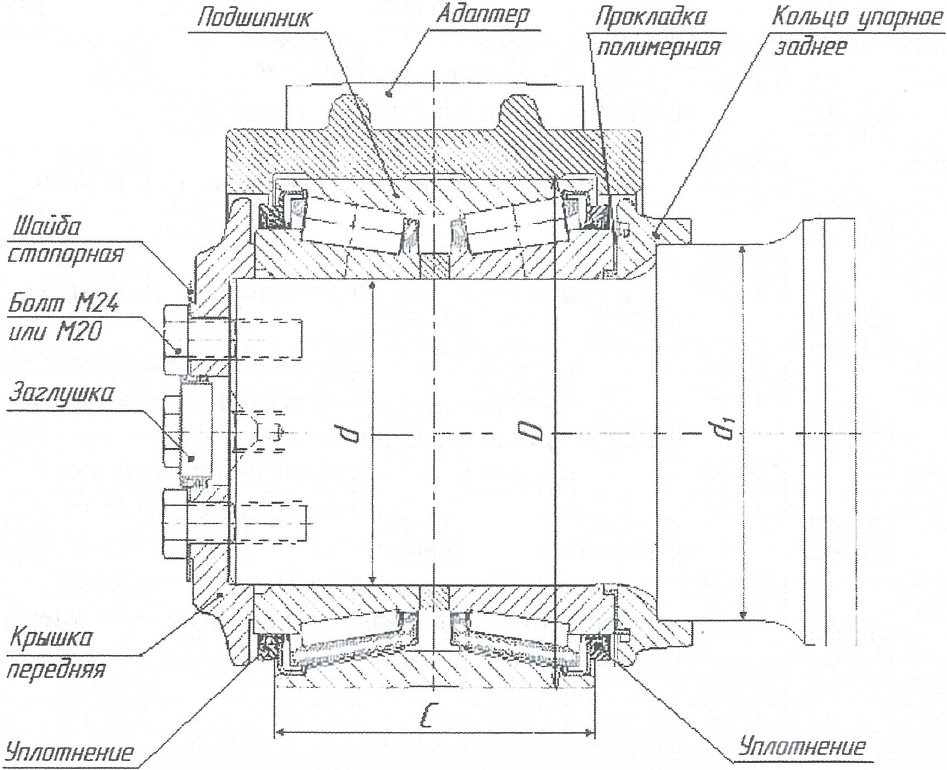
с подшипниками кассетного типа под адаптеры: смещение (перекос) адаптера относительно наружного кольца подшипника или боковой рамы тележки, сдвиг подшипника вдоль шейки оси колесной пары, отколы и/или разрушения адаптеров, отколы и/или трещины колец наружных, обрыв (или ослабление) болтов М20 или М24 торцевого крепления подшипников, нарушение целостности уплотнений, выброс смазки на диск и/или обод колеса, нагрев верхней части адаптера.
Признаками ненормальной работы буксовых узлов, требующих отцепки вагона в ремонт являются:
с подшипниками в корпусе буксы:
- сдвиг и/или перекос корпуса буксы;
- разрушение или трещины корпусов букс, крышек смотровых и крепительных;
- выброс смазки на диск и/или обод колеса, вызванный перегревом подшипника;
- нагрев верхней части корпуса буксы (свыше 60 °C - с подшипниками роликовыми цилиндрическими и сдвоенными, свыше 70 °C - с подшипниками кассетного типа относительно температуры окружающего воздуха), определяемый бесконтактным измерителем температуры в соответствии с требованиями
п. 3.3.3.
После снятия крышек смотровых:
- обрыв (или ослабление) болтов М20, болтов М12 планки стопорной или срыв (или ослабление) гайки М110 торцевого крепления подшипников на оси;
- наличие воды в передней части корпуса буксы в свободном состоянии или в виде льда;
Примечание - Браковочным признаком не является:
1. Взвешенно-капельное состояние воды (конденсат).
2. Следы коррозии на крышках корпуса буксы, крышках и уплотнениях подшипников кассетного типа.
- выброс смазки с примесью металлических частиц в крышку смотровую или из-под шайбы защитной подшипника сдвоенного, а также на уплотнение подшипника кассетного типа.
Примечание - Не является браковочным признаком выделение смазки в виде равномерно распределенного валика на уплотнении подшипника кассетного типа, внутренней цилиндрической поверхности крышки крепительной, а также в виде отдельных капель, располагающихся в нижней части корпуса буксы (крышки крепительной). При обнаружении указанного выше выделения смазки из уплотнений подшипника в виде валика ее следует удалить чистой ветошью или обтирочным материалом.
с подшипниками кассетного типа под адаптеры:
- заклинивание подшипника;
- разрушение, отколы и трещины адаптеров;
- смещение (перекос) адаптера относительно наружного кольца подшипника или боковой рамы тележки;
- трещины и отколы наружных колец подшипников;
- сдвиг подшипника вдоль шейки оси колесной пары;
- обрыв (или отсутствие) болтов М20 или М24 торцевого крепления подшипников на оси;
- повреждение уплотнений подшипников;
- нагрев подшипника свыше 80 °C относительно температуры окружающего воздуха по показаниям средств диагностики на ходу поезда;
- нагрев верхней части адаптера свыше 70 °C относительно температуры окружающего воздуха, определяемый бесконтактным измерителем температуры в соответствии с требованиями с требованиями
п. 3.3.3;
- выброс смазки на диск и/или обод колеса, вследствие перегрева подшипника, а также выброс смазки с примесью металлических частиц на уплотнения подшипника.
Примечание:
1. При отсутствии перегрева подшипника особое внимание обращается на состояние подшипника и его уплотнений, при наличии дефектов подшипник бракуют.
2. Не является браковочным признаком выделение смазки в виде равномерно распределенного валика на уплотнения подшипника. При обнаружении указанного выше выделения смазки из уплотнений подшипника в виде валика ее следует удалить чистой ветошью или обтирочным материалом. При наличии дефектов уплотнения подшипник бракуют.
Запрещается производить демонтаж крышек крепительных корпусов букс, а также гаек торцевых М110 и болтов М20 или М24 торцевого крепления подшипников на оси.
Запрещается эксплуатировать под одним вагоном колесные пары, имеющие буксовые узлы с подшипниками кассетного типа и стандартными цилиндрическими подшипниками.
3.3.2 Буксовые узлы пассажирских вагонов.
Контроль буксовых узлов в пути следования пассажирских вагонов осуществляется:
- бортовой системой контроля нагрева букс (СКНБ);
- напольными средствами автоматического контроля с установленным программным обеспечением, согласованными и утвержденными железнодорожными администрациями установленным порядком. В случае выработки тревожных показаний напольными средствами автоматического контроля производится остановка поезда;
- работниками вагонных депо и пунктов технического обслуживания, осуществляющих эксплуатационную деятельность.
При встрече состава поезда с ходу выявляются внешние признаки ненормальной работы буксовых узлов: скрежет, пощелкивание, искрение, задымление, появление запаха, движение колесной пары юзом.
При осмотре буксовых узлов во время остановки (стоянки) поезда контролируют смотровую и крепительную крышки, сдвиг буксы вдоль оси, ослабление болтов М20 крепления крышки крепительной и болтов М12 или М10 крышки смотровой, обрыв болтов М20 или срыв гайки М110 торцевого крепления подшипников (определяется методом остукивания смотровой крышки), разрушение или трещины корпусов букс, крышек крепительных и смотровых.
Наиболее характерные внешние признаки неисправных буксовых узлов с подшипниками в корпусе буксы указаны в
таблице 3.2.
Запрещается эксплуатировать под одним вагоном колесные пары, имеющие буксовые узлы с подшипниками кассетного типа и подшипниками роликовыми цилиндрическими.
Признаками ненормальной работы буксовых узлов, требующих отцепки вагона в ремонт являются:
- разрушение или трещины корпусов букс, крышек смотровых и крепительных;
- выброс смазки на диск и обод колеса, вызванный перегревом подшипников;
- повышенный нагрев верхней части корпуса буксы независимо от типа подшипника свыше 60 °C;
После вскрытия крышек смотровых:
- сдвиг корпуса буксы;
- обрыв болтов М20 или срыв гайки М110 торцевого крепления подшипников на оси;
- наличие воды в передней части корпуса буксы в свободном состоянии или в виде водяного льда;
Примечание - Браковка не производится:
1. При взвешенно-капельном состоянии воды (конденсат, роса) и наличии отдельных крупинок льда.
2. По следам коррозии на крышках корпуса буксы, крышках и кожухах уплотнений подшипников кассетного типа.
- выброс смазки в виде хлопьев с примесью металлических частиц в крышку смотровую или на кожух уплотнения подшипников кассетного типа, а также из-под шайбы защитной подшипника сдвоенного, располагающихся в корпусе буксы.
Примечание - Не является браковочным признаком незначительное выделение смазки в виде равномерно распределенного валика на кожухе подшипника в зоне уплотнений, внутренней цилиндрической поверхности крышки крепительной, а также в виде отдельных капель, располагающихся в нижней части буксы (крышки крепительной). При обнаружении указанного выше выделения смазки из уплотнений подшипника в виде валика ее следует удалить чистой ветошью или обтирочным материалом.
Внешние признаки неисправных буксовых узлов с подшипниками
в корпусе буксы
Признаки неисправности | Возможные неисправности |
При встрече поезда с ходу |
Буксы пассажирских и грузовых вагонов |
Колесная пара идет юзом при отжатых тормозных колодках, слышно пощелкивание. | Подшипник разрушен, ролики заклинены и не вращаются. |
Выброс смазки хлопьями на диск и обод колеса | Подшипник разрушен. |
Сильные потеки в зоне смотровой и крепительной крышек. | Подшипник может быть разрушен. |
Букса у пассажирского вагона перемещается вдоль шейки оси, а у грузового боковая рама тележки вместе с буксой смещены вдоль шейки оси, цвета побежалости, окалина на смотровой или крепительной крышке, деформация крышек. | Подшипник разрушен, повреждение торцового крепления, гайка М110 полностью сошла с шейки оси или оборваны головки болтов М20 тарельчатой шайбы. |
Выброс искр пучком со стороны лабиринта. | Проворот внутреннего кольца или разрушение заднего подшипника. |
Выделение дыма, появление запаха из буксы (при приеме с ходу и после остановки поезда в пути следования) | Разрушение полиамидного сепаратора подшипника буксового узла |
Буксы пассажирских вагонов |
Между колесной парой и буксой, а также рамой тележки и колесной парой видны искры, слышен скрежет, пощелкивание. | Излом шейки оси колесной пары. |
Тележка вибрирует, один ее конец трясет, букса имеет частые вертикальные колебания, слышен резкий стук рычажной передачи, разработаны отверстия в кронштейне для валика подвески башмака, выпали валики рычажной передачи. | Разрушен сепаратор, ролики сгруппировались в нижней части буксы. |
Буксы грузовых вагонов |
Корпус буксы имеет наклон по отношению к шейке оси; боковая рама тележки опирается на корпус буксы одним краем. | Проворот внутреннего кольца переднего подшипника на шейке оси |
При осмотре вагонов во время стоянки поезда |
Буксы пассажирских и грузовых вагонов |
Следы выброса смазки через лабиринтное уплотнение на диск и обод колеса, наружную обшивку пола вагона, детали рычажной передачи. В смазке видны металлические включения (латунь, сталь), потеки смазки в зоне смотровой и крепительной крышек. На задней (лабиринтной) части корпуса буксы имеется валик смазки черного цвета с металлическими включениями (латунь, сталь). | Подшипник разрушен из-за заклинивания роликов, проворота внутреннего кольца, излома перемычек сепаратора, обводнения смазки, излома борта внутреннего кольца, повреждения торцового крепления. Износ центрирующей поверхности сепаратора и изломы перемычек сепаратора, излом борта внутреннего кольца, обводнение смазки, заклинивание роликов. |
На задней (лабиринтной) части корпуса буксы имеется валик смазки, покрытый пылью, корпус буксы у пассажирского вагона и боковая рама тележки с буксой у грузового вагона смещены относительно лабиринтного кольца и видна блестящая полоска металла лабиринтного кольца. | Повреждено торцевое крепление, сорвана резьба на гайке М110 и шейке оси или оборваны головки болтов М20 тарельчатой шайбы. |
Повышенный нагрев в пределах температуры рабочего нагрева любой части буксы в сравнении с другими буксами состава. | Начало разрушения буксы, излишнее количество смазки. |
На смотровой или крепительной крышке видна окалина, крышка деформирована в виде кругов либо отдельных выпуклых полос, протертостей, пробоин. | Повреждено торцовое крепление (оборваны болты стопорной планки, изломана планка, гайка М110 отвернулась, или на ней сорвана резьба, или оборваны головки болтов М20 тарельчатой шайбы) |
При остукивании передней части смотровой (крепительной) крышки ниже ее центра слышны дребезжащие звуки или двойные удары (отбои). | Повреждено торцовое крепление (оборваны болты стопорной планки, изломана планка, гайка М110 отвернулась, или на ней сорвана резьба, или оборваны головки болтов М20 тарельчатой шайбы). |
Верхняя часть корпуса буксы в сравнении с другими буксами этого состава имеет повышенный равномерный нагрев, из лабиринтного уплотнения вытекает смазка. | В буксе имеются излишки смазки (имеет место непосредственно после ремонта или ревизии буксы). Нагрев может прекратиться после пробега 500 - 600 км. |
Передняя часть корпуса буксы нагрета больше задней. | Разрушен передний подшипник. |
Задняя часть корпуса буксы нагрета больше передней. | Отсутствует зазор между лабиринтной частью корпуса буксы и лабиринтным кольцом или разрушен задний подшипник. |
Напыление смазки на ступицу колеса, ослабление болтов или появление ржавчины под шайбами болтов крепительной крышки. | Нарушение торцевого крепления. |
Вздутие краски на корпусе буксы сверху, течь смазки коричневого или зеленого цвета. | Разрушение сепаратора. |
Буксы пассажирских вагонов |
Ослабли болты крепления основания шпинтона, видна ржавчина между рамой тележки и шпинтоном, в основании пружин и рессор, на горизонтальных скользунах. | Может быть разрушен сепаратор, ролики сгруппировались в нижней части буксы |
Разработана втулка в кронштейне для валика подвески башмака, изломана пружина буксового подвешивания, наличие свежей ржавчины на пружинах центрального подвешивания в месте контакта с надрессорной балкой, на элементах эллиптической рессоры и в месте контакта пружин буксового подвешивания и основания шпинтона. | Один или оба подшипника могут быть разрушены |
3.3.3 Порядок измерения температуры корпуса буксы или адаптера с помощью бесконтактных измерителей температуры. Порядок применяется для:
- определения температуры нагрева верхней части корпуса буксы с подшипниками роликовыми цилиндрическими и сдвоенными;
- подтверждения показаний, полученных от средств теплового контроля по нагреву буксовых узлов кассетного типа.
Температура корпуса буксы или адаптера может определяться с помощью бесконтактных измерителей температуры, согласованных с железнодорожными администрациями или владельцами инфраструктуры в установленном порядке железнодорожными администрациями.
Температура нагрева верхней части корпуса буксы, определяемая бесконтактным измерителем температуры относительно температуры окружающего воздуха:
- у грузовых вагонов свыше 60 °C - с подшипниками роликовыми цилиндрическими и сдвоенными, свыше 70 °C - с подшипниками кассетного типа;
- у пассажирских вагонов, независимо от типа подшипника - свыше 60 °C.
Измерения производят в соответствии с методическими указаниями о порядке применения бесконтактного измерителя температуры.
Для грузовых вагонов луч измерительного прибора должен быть направлен в зону между верхними опорными приливами корпуса буксы или адаптера, а за температуру окружающего воздуха должна приниматься температура боковой рамы тележки, измеренная в зоне над рессорным подвешиванием.
Для пассажирских вагонов луч измерительного прибора должен быть направлен в верхнюю зону корпуса буксы, а за температуру окружающего воздуха должна приниматься температура рамы тележки.
Все измерения температур корпусов букс или адаптеров и боковых рам тележек должны производиться при значении излучательной способности бесконтактного измерителя температуры s = 0,95 и с расстояния от измеряемых объектов не более одного метра.
Примеры расчета температур для грузовых вагонов:
а) при положительной температуре окружающего воздуха температура нагрева буксового узла рассчитывается следующим образом, например, измеренная температура корпуса буксы или адаптера составляет 81 °C (91 °C), температура воздуха плюс 20 °C, рабочий нагрев при этом составит 81 °C - 20 °C = 61 °C (91 °C - 20 °C = 71 °C), что является браковочным признаком;
б) при нулевой температуре окружающего воздуха температура нагрева буксового узла рассчитывается следующим образом, например, измеренная температура корпуса буксы или адаптера составляет 61 °C (71 °C), температура воздуха 0 °C, рабочий нагрев при этом составит 61 °C - (0 °C) = 61 °C (71 °C - (0 °C) = 71 °C), что является браковочным признаком;
в) при отрицательной температуре окружающего воздуха температура нагрева буксового узла рассчитывается следующим образом, например, измеренная температура корпуса буксы или адаптера составляет 41 °C (51 °C), температура воздуха минус 20 °C, рабочий нагрев при этом составит 41 °C - (- 20 °C) = 61 °C (51 °C - (- 20 °C) = 71 °C), что является браковочным признаком.
Примеры расчета температур для пассажирских вагонов:
а) при положительной температуре окружающего воздуха температура нагрева буксового узла рассчитывается следующим образом, например, измеренная температура корпуса буксы составляет 81 °C, температура воздуха плюс 20 °C, рабочий нагрев при этом составит 81 °C - 20 °C = 61 °C, что является браковочным признаком;
б) при нулевой температуре окружающего воздуха температура нагрева буксового узла рассчитывается следующим образом, например, измеренная температура корпуса буксы составляет 61 °C, температура воздуха 0 °C, рабочий нагрев при этом составит 61 °C - (0 °C) = 61 °C, что является браковочным признаком;
в) при отрицательной температуре окружающего воздуха температура нагрева буксового узла рассчитывается следующим образом, например, измеренная температура корпуса буксы составляет 41 °C, температура воздуха минус 20 °C, рабочий нагрев при этом составит 41 °C - (- 20 °C) = 61 °C, что является браковочным признаком.
По сравнению с роликовыми цилиндрическими подшипниками кассетные конические подшипники могут иметь более высокую рабочую температуру нагрева подшипников, при этом буксовые узлы первой и третьей колесных пар вагона по направлению движения могут иметь пониженную температуру в сравнении со второй и четвертой колесными парами вследствие лучшей циркуляции воздуха во время движения.
При необходимости, осмотр торцевого крепления буксового узла производить со снятием смотровой крышки. Категорически запрещается производить демонтаж крышек крепительных и болтов М20 их крепления к корпусам букс, а также гаек М110 и болтов М20 торцевого крепления подшипников на оси.
Допускается демонтаж одного болта М20 крышки крепительной для установки заземляющего шунта с последующей затяжкой этого болта в соответствии с требованиями Руководящего документа по ремонту и техническому обслуживанию колесных пар с буксовыми узлами пассажирских вагонов магистральных железных дорог колеи 1520 (1524).
3.3.4 По всем неисправностям, выявленным по внешним признакам нагрева букс, осмотрщик должен принять решение о ремонте колесной пары или о дальнейшем ее следовании в составе поезда.
При невозможности установить причину нагрева буксы колесная пара должна быть заменена и направлена в ремонт.
На выкаченные из-под вагона колесные пары с неисправными буксовыми узлами, обнаруженными визуально, по внешним признакам, на внутренней поверхности диска колеса необходимо четко нанести меловую надпись "По внешним признакам", а при обнаружении нагрева букс приборами КТСМ или другими приборами бесконтактного обнаружения перегретых букс, наносится надпись "Аварийная - КТСМ" или др. Результаты осмотра колесных пар с неисправными буксовыми узлами, забракованными работниками ПТО, доводятся до сведения осмотрщиков вагонов данного ПТО.
3.3.5 Отличительные особенности буксовых узлов грузовых вагонов.
Внешними отличительными признаками буксовых узлов с подшипниками кассетного типа в габаритных размерах 130x250x160 торговых марок "BRENCO", "SKF" являются: наличие у основания кольца лабиринтного (лабиринта) кольцевого выступа шириной 4 мм наружным диаметром 185 мм в соответствии с
рисунком 3.7 и надписью "К-1" и "К" (соответственно), нанесенной белой краской и выполненной шрифтом N 4 согласно Альбому
справочнику знаки и надписи на вагонах грузового парка железных дорог колеи 1520 мм N 632-2011 ПКБ ЦВ на крышке смотровой каждого буксового узла, а также дополнительное клеймо "К-1" и "К" (соответственно) высотой 10 мм и шириной 5 мм на бирке, установленной под левым верхним болтом М20 крышки крепительной буксового узла правой стороны колесной пары в соответствии с
рисунком 3.6.
Клейма на бирке наносятся в соответствии с требованиями Руководящего
документа по ремонту и техническому обслуживанию колесных пар с буксовыми узлами грузовых вагонов магистральных железных дорог колеи 1520 (1524) мм" РД ВНИИЖТ 27.05.01-2017 (далее - РД ВНИИЖТ 27.05.01-2017) в соответствии с
рисунком 3.6.
б)
а) Внешние отличительные признаки буксового узла с подшипником кассетного типа в габаритных размерах 130x250x160 мм торговой марки BRENCO;
б) Внешние отличительные признаки буксового узла с подшипником кассетного типа в габаритных размерах 130x250x160 мм торговой марки SKF.
Рисунок 3.6 Маркировка буксового узла с подшипником
кассетного типа
б)
а) Подшипник кассетного типа в габаритных размерах 130x250x160 мм торговой марки BRENCO в корпусе буксы
б) Подшипник кассетного типа в габаритных размерах 130x250x160 мм торговой марки SKF в корпусе буксы
Рисунок 3.7 Конструкция буксовых узлов с подшипниками
кассетного типа
Внешним отличительным признаком подшипников кассетного типа в габаритных размерах 130x230x150 мм, 130x250x160 мм, 150x250x160 мм под адаптер торговых марок "BRENCO", "SKF", "TIMKEN" является отсутствие корпуса буксы, вместо которого используется адаптер, бирка при этом отсутствует в соответствии с
рисунком 3.9. В соответствии с требованиями
РД ВНИИЖТ 27.05.01-2017 на крышке передней подшипника нанесено наименование торговой марки "BRENCO", "SKF", "TIMKEN" в соответствии с
рисунком 3.8.
Рисунок 3.8 Внешние отличительные признаки подшипников
кассетного типа в габаритных размерах 130x230x160 мм,
130x250x160 мм и 150x250x160 мм торговых марок "BRENCO",
"SKF", "TIMKEN" под адаптер
б)
в)
а) Подшипник кассетного типа в габаритных размерах 130x230x150 мм, 130x250x160 мм и 150x250x160 мм торговой марки BRENCO под адаптер
б) Подшипник кассетного типа в габаритных размерах 130x230x150 мм, 130x250x160 мм и 150x250x160 мм торговой марки SKF под адаптер
в) Подшипник кассетного типа в габаритных размерах 150x250x160 мм торговой марки TIMKEN под адаптер
Рисунок 3.9 Конструкция подшипника кассетного типа колесных
пар с адаптером
3.3.6 Отличительные особенности буксовых узлов пассажирских вагонов.
Внешними отличительными признаками буксового узла в соответствии с
рисунком 3.10 с подшипниками сдвоенными являются:
а) на крышке смотровой - надпись "СП" для подшипников производства АО "ХАРП", или "СПС" - для подшипников производства ОАО "СПЗ" и АО "СПЗ" высотой 100 - 150 мм, нанесенная белой краской;
б) на бирке, установленной под левым верхним болтом М20 крышки крепительной с правой стороны колесной пары - дополнительное клеймо "СП" или "СПС" высотой знаков 10 мм и шириной 5 мм.
Рисунок 3.10 - Внешние отличительные признаки буксовых узлов
с подшипниками сдвоенными
Подшипник сдвоенный устанавливается в корпус буксы в соответствии с
рисунок 3.11 и вместе с корпусом буксы и кольцом лабиринтным запрессовывается на ось колесной пары. Крепление подшипника сдвоенного на шейке оси колесной пары типа РУ1Ш-957-П осуществляется при помощи шайбы тарельчатой и четырех (или трех) болтов М20, а на оси колесной пары типа РУ1-957-П - гайки торцевой М110. Корпус буксы закрывается крышками крепительной и смотровой.
Рисунок 3.11 - Буксовый узел с подшипником сдвоенным
Внешние отличительные признаки подшипников кассетного типа:
- наличие на лабиринте у основания кольцевого выступа высотой 4 мм и наружным диаметром 185 мм;
- на крышке смотровой буксового узла с опорами под рессорный комплект, оборудованным подшипником в габаритах 130x250x160 мм - надпись "К-1" высотой 100...150 мм, нанесенная белой краской;
- на бирке, установленной под левым верхним болтом М20 крышки крепительной буксового узла правой стороны колесной пары - дополнительное клеймо "К-1" высотой знаков 10 мм и шириной 5 мм.
Рисунок 3.12 - Внешние отличительные признаки буксовых узлов
с подшипниками кассетного типа в габаритных размерах
130x250x160 мм торговой марки Бренко
Подшипник кассетного типа в габаритных размерах 130x250x160 мм устанавливается в серийный корпус буксы в соответствии с
рисунком 3.13 и вместе с корпусом буксы и лабиринтом запрессовывается на шейку оси колесной пары типа РУ1Ш-957-П. Крепление подшипника, на оси осуществляется при помощи крышки передней и четырех болтов М20. Корпус буксы закрывается крышками крепительной и смотровой.
Рисунок 3.13 - Подшипник кассетного типа в габаритных
размерах 130x250x160 мм торговой марки Бренко
Подшипники кассетного типа в габаритных размерах 130x230x150 мм запрессовываются на шейку оси колесной пары типа РВ1Ш-957-П и РВ3Ш-957-П, при этом крепление подшипников на оси осуществляется при помощи крышки передней и четырех болтов М20 в соответствии
рисунок 3.14.
Рисунок 3.14 - Буксовый узел с подшипником кассетного типа
в габаритных размерах 130x230x150 мм торговой марки Бренко
Буксовый узел с противоюзным электронным модулем ОДМ-3 представлен на
рисунке 3.15:
а) стрободиск крепится на торец вкладыша подшипника, винтами М4х16 с помощью специальной бобышки и фланца;
б) на крышку крепительную переднюю буксы устанавливается электронный модуль.
Рисунок 3.15 - Буксовый узел с противоюзным электронным
модулем ОДМ-3
Буксовый узел с противоюзным импульсным датчиком "Knorr-Bremse" представлен на
рисунке 3.16:
а) индуктор крепится на торец вкладыша подшипника болтами М10х35 или М8х15 ГОСТ 7798;
б) в отверстие крышки крепительной передней устанавливается импульсный датчик.
Рисунок 3.16 Буксовый узел с противоюзным импульсным
датчиком "Knorr-Bremse"
Передача нагрузок от тележки на колесные пары типа РВ1Ш-957-П и подшипники осуществляется через корпус буксы с опорой на потолочной части под рессорный комплект, с кронштейном для демпфера согласно
рисунка 3.17, а на колесные пары типа РВ3Ш-957-П - через корпус буксы с опорой на потолочной части под рессорный комплект, без кронштейна для демпфера согласно
рисунка 3.18.
--------------------------------
<*> Расстояние между серединами шеек осей
Рисунок 3.17 - Корпус буксы с опорой на потолочной части
под рессорный комплект, с кронштейном для демпфера
--------------------------------
<*> Расстояние между серединами шеек осей
Рисунок 3.18 - Корпус буксы с опорой на потолочной части
под рессорный комплект, без кронштейна для демпфера
В корпусе буксы с наружной стороны имеется несквозное отверстие с резьбой М16х1,5 для установки термодатчика системы контроля нагрева букс (СКНБ).
(в ред. Протокола от 15.06.2022)
3.4.1 Запрещается постановка в поезда и следование в них вагонов, в тележках которых имеется хотя бы одна из следующих неисправностей:
грузовые вагоны:
- деформация боковой рамы (изгиб, пропеллерность);
- излом крепления фрикционных планок.
Дефекты боковых рам в видимой для осмотрщика вагонов зоне, указанные на
рисунке 3.19:
- трещины, сквозные литейные дефекты консольной части, верхнего, нижнего и наклонного поясов, а также стойки рессорного проема боковой рамы;
- трещины, сквозные литейные дефекты в кромках технологического отверстия, в углах и ребрах усиления рессорного проема, а также в кронштейне подвески триангеля;
- в зонах радиусов R55 буксовых проемов: трещины, сквозные литейные дефекты, следы сварочно-наплавочных работ.
Зона радиуса R55 буксового проема - наружная криволинейная поверхность буксового проема боковой рамы радиуса R55 перехода от горизонтальной опорной поверхности к вертикальной направляющей поверхности и прилегающие боковые поверхности на расстоянии до 10 мм от кромок радиуса в соответствии с
рисунком 3.19.
Рисунок 3.19. Дефекты боковых рам
трещины | 1 - 9 |
сквозные литейные дефекты | 10 - 14 |
откол направляющего буртика | 15 |
откол ушков в местах крепления фрикционных планок | 16 |
Дефекты надрессорных балок в видимой для осмотрщика вагонов зоне, указанные на
рисунке 3.20:
- трещины, сквозные литейные дефекты боковых стенок, нижнего и верхнего поясов, а также трещины наклонных плоскостей надрессорной балки;
- трещины опор скользунов;
- трещины наружного бурта подпятника.
Вырубки пороков стального литья, произведенные после изготовления и ремонта надрессорных балок, не служат основанием для браковки.
Рисунок 3.20. Дефекты надрессорных балок
| трещины | 1 - 6 |
| сквозные литейные дефекты | 7 - 9 |
Отсутствие или излом колпака скользуна тележки модели 18-100 и ее аналогов, отсутствие или излом планки скользуна трехосных тележек.
Трещина в балансире, шкворневой балке трехосной тележки; трещины в консолях соединительной балки четырехосных тележек;
- суммарный зазор между скользунами с обеих сторон тележки: у основных типов четырехосных вагонов более 20 и менее 4 мм; у цистерн, вагонов-хопперов для перевозки зерна, цемента, минеральных удобрений, окатышей и хопперов-дозаторов типа ЦНИИ-ДВЗ более 14 и менее 4 мм; у вагонов-хопперов для перевозки угля, горячего агломерата, апатитов и хоппер-дозаторов ЦНИИ-2, ЦНИИ-3 более 12 и менее 6 мм; у вагонов-самосвалов (думпкаров) на тележках моделей 18-522, 18-100 и их аналогов более 12 и менее 6 мм.
Допускается отсутствие зазоров между скользунами одной стороны тележки, за исключением вагонов-самосвалов (думпкаров), для которых величина зазора должна быть не менее 3 мм. Отсутствие зазоров между скользунами по диагонали вагона не допускается, кроме вагонов на тележках, оборудованных скользунами постоянного контакта;
- отсутствие или излом шкворня в тележках всех типов вагонов;
- отсутствие деталей крепления колпака скользуна тележки модели 18-100 и ее аналогов;
- у восьмиосных цистерн суммарный зазор между скользунами соединительной и шкворневой балок с обеих сторон одной четырехосной тележки менее 4 и более 15 мм; между соединительной и надрессорной балками с обеих сторон одной двухосной тележки - менее 4 и более 20 мм. Не допускается отсутствие зазоров: в двух любых скользунах одной четырехосной тележки с одной стороны цистерны; по диагонали цистерны между скользунами соединительной и шкворневой балок; по диагонали четырехосной тележки между скользунами надрессорной и соединительной балок;
- обрыв или отсутствие заклепки фрикционной планки, излом или трещина в клине амортизатора излом упорного бурта клина амортизатора;
- обрыв (отсутствие) хотя бы одного болта, соединяющего шкворневую с поперечными или надрессорными балками трехосных тележек;
- отсутствие хотя бы одного из валиков, соединяющих балансиры с хоботами боковин трехосных тележек или подкладок боковин;
- трещина в корпусе фрикционного гасителя колебаний тележек типа КВЗ-1, КВЗ-1М, УВЗ-9М;
- обрыв хотя бы одной заклепки или болта крепления пятника или подпятника, трещина в верхнем или нижнем поясах и в зоне крайних пятников соединительной балки тележки восьмиосного вагона; в кронштейнах тормозного оборудования;
- у цистерн для перевозки газов суммарные зазоры в скользунах менее 4 мм и более 14 мм; отсутствие зазоров хотя бы с одной стороны одной тележки, вагон должен быть отцеплен для проверки износов пятника и подпятника. Зазоры проверяются грузовладельцами перед и после загрузки газовых цистерн;
- свободные (ненагруженные) подклиновые пружины и клинья в порожних грузовых вагонах, и завышение хотя бы одного клина относительно нижней опорной поверхности надрессорной балки более 8 мм или занижение более 12 мм;

трещины, изломы, отколы чугунного фрикционного клина, составных планок фрикционных в узле гасителя колебаний;

изломы, трещины, механические повреждения, деформации чаш подпятника;

излом сменной прокладки в буксовом проеме.
Рисунок 3.21
[33] Износостойкие элементы в конструкции
тележки
- у грузовых вагонов с тележками модели 18-194-1, 18-578, 18-7020, а также с тележками модели 18-100 модернизированными по проекту С 03.04:

отсутствие элементов скользуна на тележке вагона;

зазор между колпаком скользуна 3 и износостойкой планкой 5 верхнего скользуна, расположенной на раме вагона
(рисунок 3.22);
[33]

трещины, излом, деформация корпуса скользуна в видимой для осмотрщика-ремонтника зоне;

отсутствие колпака скользуна, трещины, излом или деформация в видимой для осмотрщика-ремонтника зоне;

ослабление резьбового крепления корпуса 1 скользуна и износостойкой планки 5
(рисунок 3.22);
[33]

трещины или излом верхнего скользуна;
1 - корпус скользуна; 2 - демпфер; 3 - колпак; 4 - ролик;
5 - износостойкая планка; 6 - регулировочные прокладки;
7 - надрессорная балка; 8 - верхний скользун
Рисунок 3.22
[33] - Скользуны постоянного контакта

необычный износ клина или его вертикальная поверхность не прилегает к фрикционной планке;
[28] 
смятие, трещины, выдавливание, излом в видимой части, или отсутствие полиуретановой накладки наклонной поверхности фрикционного клина
(рисунок 3.23);
<*> [33]

трещины износостойкой фрикционной планки;
1 - фрикционный клин; 2 - полиуретановая накладка;
3 - надрессорная балка
Рисунок 3.23
[33] Фрикционный клин
1 - вставка адаптера; 2 - адаптер; 3 - устройство отвода статического электричества; 4 - устройство исключающее выход колесной пары из буксового проема
Рисунок 3.24
[33] - Буксовый узел с подшипником
кассетного типа
- у грузовых вагонов, оборудованных кассетными подшипниками и адаптерами
(рисунок 3.24):
[33]
[28] 
трещины, отколы, разрывы вставки адаптера 1 в видимой части для осмотрщика-ремонтника вагонов зоне;
<*>

обрыв, отсутствие устройства для отвода статического электричества 3;

ослабление крепления, отсутствие устройства, исключающего выход колесной пары из буксового проема 4;

трещины, излом адаптера 2 в видимой для осмотрщика-ремонтника вагонов зоне.
--------------------------------
[28] <*> Смятие, трещины, выдавливание, излом в видимой части полиуретановой накладки наклонной поверхности фрикционного клина, а также трещины, отколы, разрывы вставки адаптера 1 в видимой части тележек модели 18-194-1 не являются браковочным признаком.
Гарантийную ответственность за данные узлы несет завод изготовитель.
пассажирские вагоны
- трещины в балках, в сварных швах рамы;
- трещины в деталях рессорного и люлечного подвешивания, доступных для визуального контроля при осмотре вагонов или в видимой зоне, трещины предохранительных скоб и неисправности их крепления, трещины поддонов центрального подвешивания тележек КВЗ-5, КВЗ-ЦНИИ и ТВЗ-ЦНИИ-М;
- трещины в пятниках, подпятниках, скользунах, неисправность их крепления, трещины в продольных поводках тележек КВЗ-ЦНИИ;
- суммарный зазор между горизонтальными скользунами с обеих сторон тележки (кроме тележки КВЗ-ЦНИИ) более 6 или менее 2 мм;
- суммарный зазор между вертикальными скользунами (с одной стороны тележки): у тележки типа ЦМВ более 16 мм; у тележки типа КВЗ-5 более 8 мм; у тележек типов КВЗ-ЦНИИ и ТВЗ-ЦНИИ-М более 30 мм, при этом зазор между вертикальными скользунами поперечной балки и рамы надрессорной балки должен быть не менее 5 мм; у тележек типа 68-4075 и 68-4076 скользун должен равномерно выступать из коробки на высоту не менее 5 мм;
- превышение кромки вкладыша-скользуна над кромкой коробки надрессорной балки тележек КВЗ-ЦНИИ менее 11 мм;
- зазор между упорной кромкой подпятника и пятником в тележках КВЗ-ЦНИИ менее 9 мм;
- наличие зазора между втулкой шпинтона и затянутой корончатой гайкой, ослабление крепления фрикционных гасителей и отсутствие или неправильная установка тарельчатых пружин между втулкой и корончатой гайкой, отсутствие корончатой гайки или ее шплинта;
- зазор между надрессорной балкой и рамой тележки или планкой на раме тележки типа КВЗ-5, КВЗ-ЦНИИ менее 20 мм и более 100 мм;
- зазор между рамой тележки и потолком буксы у тележек типа КВЗ-5, КВЗ-ЦНИИ, ТВЗ-ЦНИИ-М и потолком буксы менее 56 мм, у тележки типа ЦМВ менее 43 мм;
- отсутствие зазора между опорной шайбой предохранительного болта и сферой для поддона тележек КВЗ-ЦНИИ и ТВЗ-ЦНИИ-М;
- зазор между опорной балкой и подвеской надрессорной балки тележек типа ЦМВ менее 20 мм;
- ослабление крепления или разрушение резиновых пакетов поводков тележек КВЗ-ЦНИИ и ТВЗ-ЦНИИ-М;
- зазор между корпусом гасителя колебаний и кронштейном надрессорной балки менее 7 мм;
- зазор между накладкой продольной балки рамы и опорным листом надрессорного бруса у тележек ТВЗ-ЦНИИ-М менее 25 мм;
- разность зазоров, относящихся к одной продольной балке более 6 мм;
- зазор в тележке ТВЗ-ЦНИИ-М между верхней накладкой (скользуном) на продольной балке и скользуном на надрессорном брусе менее 30 + 5 мм (суммарный зазор должен быть 85 +/- 5 мм).
Примечание: Все зазоры следует проверять под тарой вагона, перед постановкой его в поезд, на прямолинейном участке пути;
- выпуклость резины, в креплении поводка, по отношению к металлической армировке пакета более 6 мм.
При ТО-1 безлюлечных тележек 68-4075 и 68-4076 проверить:
- состояние сварных швов. Трещины в сварных швах и основном металле не допускаются;
- износ втулок кронштейнов крепления вертикальных и горизонтальных гасителей колебаний не более 0.5 мм;
- при подготовке в рейс состояние и величину износа скользуна, рабочая поверхность которой должна быть гладкой, без задиров. Задиры, риски удалить механической обработкой. Скользун высотой менее 12 мм заменить новым;
- крепление болтового соединения скользунов;
- центральное и буксовое подвешивание;
- пружины центрального и буксового подвешивания осмотреть, пружины с трещинами, деформацией, отколами, потерявшие упругость (смыкание витков), должны быть заменены новыми;
состояние поводков:
- трещины и деформация буксовых поводков не допускаются. Люфт резинометаллических шарниров, а также износ резиновых втулок не допускаются;
- износ резьбовой части продольного поводка, смятие резьбы на гайках не допускается. Трещины и выкрашивание на любой части поводка, полное отслоение резины от армировки в резинометаллических пакетах не допускаются.
У поводков К-0493.00.00.000/1 и К-0493.00.00.000/3
(рисунок 3.25) [33] производства ООО "ИВП-ЭД" внешним осмотром проверить отсутствие трещин, изломов деталей поводка, плотность затяжки болтов (размер 110 +/- 1 мм) и центральной стопорной гайки, состояние стопорных шайб (усики шайб должны плотно прилегать к головке болта).
Рисунок 3.25
[33] Поводок тележки
3.5 Рессорное подвешивание
[23] 3.5.1 Запрещается постановка и следование в поездах вагонов с просевшими пружинами, вызывающими перекос кузова или удары рамы о ходовые части, а также вагонов, у которых рессорное подвешивание имеет хотя бы одну из следующих неисправностей:
- изломы, отколы, трещины витков пружины;
- отсутствие хотя бы одной пружины;
- смыкание витков пружин;
- смещение опорных витков;
- свободное состояние пружины в рессорном комплекте (не нагружена);
- излом или трещина хомута, листа рессоры;
- сдвиг или перекос эллиптической рессоры, листа эллиптической рессоры, планок и пружин рессорного комплекта;
- излом или трещина наконечника эллиптической рессоры;
- излом или трещина в деталях центрального люлечного подвешивания.
Гасители колебаний
3.5.2 Запрещается постановка в поезда и следование в них вагонов, у которых тележки с гидравлическими гасителями колебаний имеют:
1) трещины, обрывы или погнутость кронштейнов крепления гасителей, отсоединение штока от верхней крепительной головки гасителя;
2) трещины, смятие и изломы корпуса или защитного кожуха гасителя;
3) отсоединение защитного кожуха от верхней головки;
4) заклинивание гасителя.
В пунктах формирования и оборота также не допускается постановка в поезд вагона с тележками, гидравлические гасители колебаний у которых имеют следующие неисправности:
1) просроченные или заканчивающиеся в пути следования сроки ревизии гасителей колебаний;
2) утечка масла из гасителей колебаний (в виде капель или сильного замасливания корпуса);
3) отсутствие или сильный износ резиновых и металлических втулок в головках гасителей колебаний;
4) протертость корпуса гасителей колебаний глубиной более 2 мм;
5) перекос головки гасителя колебаний свыше 5 мм;
6) отсутствие фиксирующих шайб, шплинтов гасителя колебаний.
3.5.3 При обнаружении на промежуточной станции в вагоне неисправностей, указанных в
п. 3.5.2 (1) (при условии, если трещины и обрывы кронштейнов не выходят на надрессорную балку), разрешается следование такого вагона до ближайшего пункта технического обслуживания без ограничения маршрутной скорости для следования в составе поезда. Неисправный гаситель должен быть заменен.
[33] 3.5.4 Техническое состояние гидравлических гасителей колебаний
(рисунок 3.26), неисправности, определяемые по ряду внешних признаков и способы их устранения, приведены в
таблице 3.3.
1 - втулка резиновая; 2 - втулка; 3 - кольцо поршневое;
4 - рекуперативная камера; 5 - надпоршневая полость;
6 - цилиндр; 7 - шток; 8 - обойма; 9 - гайка; 10 - кожух;
11 - манжета; 12 - головка верхняя; 13 - винт стопорный;
14 - болт; 15 - винт; 16 - планка стопорная; 17 - кольцо;
18 - шайба; 19 - кольцо резиновое; 20 - направляющая;
21 - корпус; 22 - подпоршневая полость; 23 - корпус клапана;
24 - клапан; 25 - головка нижняя.
[33] Рисунок 3.26 Гидравлический гаситель колебаний
Неисправности гидравлических гасителей колебаний
Характерные признаки | Неисправности | Способ устранения |
Сильные потеки (до каплеобразования) рабочей жидкости | Повреждено сальниковое уплотнение; изношены или поломаны каркасные манжеты, отвернулась гайка сальника, порвано уплотнительное резиновое кольцо | Гаситель заменить |
На корпусе отчетливо заметны следы более 30 мм перемещения защитного кожуха | Гаситель не ограничивает колебаний кузова | То же |
Перекос защитного кожуха относительно корпуса гасителя | Нарушилось соединение штока и верхней крепительной головки; отвернулась гайка корпуса и произошло ослабление сальникового узла; разломалась (треснула) направляющая головка цилиндра; под кожухом скопилась снеголедяная масса | То же |
Надрессорная балка перекошена в вертикальной плоскости | Заклинивание штока с поршнем в корпусе гасителя колебаний | То же |
Несоосное расположение крепительных головок гасителей колебаний относительно поперечной оси тележки (перекос гасителя в кронштейнах надрессорной балки и рамы) | Разрегулирована затяжка резинометаллических пакетов продольных поводков тележки | Отрегулировать затяжку |
Несимметричность расположения головок гасителя относительно кронштейнов | Устранить перестановкой промежуточных резиновых шайб |
Нарушение сварных швов кронштейнов, погнутость кронштейнов | Кронштейны отремонтировать |
Зазоры в узлах крепления гасителей к кронштейнам рамы тележки и надрессорной балки (суммарный зазор в узле крепления не должен превышать 1,0 мм) | Износились резиновые втулки головок, валик крепления или втулки в кронштейнах | Заменить неисправные детали |
Отход бурта резиновой втулки от боковой поверхности крепительной головки гасителя свыше 2 мм | Ослабление крепления этой втулки в отверстии головки | Отремонтировать гаситель колебаний (запрессовать в его головку новые резинометаллические комплекты) |
Незатухающие колебания кузова после прохода с небольшой скоростью стыков и стрелок | Полная или частичная потеря работоспособности гасителей вследствие утечки рабочей жидкости, отказа клапанов, износа направляющей и штока, ослабление гайки корпуса, отсоединение верхней головки от штока | Гасители осмотреть, проверить прокачкой вручную на вагоне. Неисправные детали заменить |
Примечание. Техническое состояние гидравлических гасителей колебаний можно проверить прокачкой вручную. Для этого необходимо отсоединить от кронштейна верхнюю крепительную головку, наклонить гаситель под углом 45°, сжать и растянуть его. Гаситель должен иметь большое усилие сопротивления без заеданий и скачкообразного падения усилия сопротивления при полном растяжении и сжатии. При обнаружении сравнительно больших перемещений кузова одного или нескольких вагонов поезда встречающий осмотрщик должен более тщательно проверить гасители колебаний этих вагонов.
3.6 Автосцепное устройство
3.6.1 Запрещается постановка в поезда и следование в них вагонов, у которых автосцепное устройство имеет хотя бы одну из следующих неисправностей, в том числе трещины, выявляемые в видимой для осмотрщика вагонов при осмотре зоне:
- износ или другие повреждения деталей механизма автосцепки, при которых возможен саморасцеп
(рисунок 3.27);
[33]
- уширение зева, износы рабочих поверхностей по контуру зацепления автосцепки, сверх допускаемых (проверяются шаблонами в концевых вагонах состава)
(рисунок 3.27);
[33]
- отсутствие валика подъемника автосцепки, не закрепленный от выпадания или закрепленный нетиповым способом валик подъемника, недействующий предохранитель замка от саморасцепа;
- трещина тягового хомута, трещина или излом клина или валика тягового хомута. Излом клина тягового хомута может быть выявлен по следующим признакам: изгиб болтов, поддерживающих клин (ближний к концевой балке болт изогнут больше); блестящая намятина заплечика клина; наличие крупнозернистой металлической пыли на тяговом хомуте; наличие двойного удара (отдача) при ударе молотком снизу по клину; увеличенный (уменьшенный) выход автосцепки, провисание автосцепки
(рисунок 3.27);
[33]
Рисунок 3.27
[33] Неисправности автосцепного устройства.
- излом или трещина центрирующей балочки, маятниковой подвески (или направляющей рейки центрирующего прибора безмаятникового типа), неправильно поставленные маятниковые подвески (широкими головками вниз);
- неисправное или нетиповое крепление клина или валика тягового хомута;
- наличие клина с заплечиками, отсутствие предохранительной планки в узле крепления тягового хомута поглощающего аппарата Ш-6-ТО-4;
- трещина или сквозная потертость корпуса поглощающего аппарата, повреждение поглощающего аппарата, вызывающее потерю упругих свойств (неприлегание его одновременно к задним и передним упорам через упорную плиту более чем на 5 мм);
- расстояние от упора головы автосцепки до наиболее выступающей части розетки: при длине ударной розетки 185 мм - менее 60 и более 90 мм, у восьмиосных вагонов указанное расстояние менее 100 и более 140 мм. У вагонов, оборудованных укороченными ударными розетками - 130 мм, расстояние от упора головы автосцепки до ударной розетки должно быть не менее 110 и не более 150 мм;
- ослабление болтов или нетиповое крепление планки, поддерживающей тяговый хомут, трещина или излом планки, кронштейна или державки расцепного привода, ударной розетки, упорной плиты или упоров; погнутый расцепной рычаг;
- цепь или цепи расцепного привода длинной более или менее допустимой:

длинная цепь расцепного привода, если при постановке рукоятки расцепного рычага на горизонтальную полочку кронштейна нижняя часть замка выступает за ударную стенку зева автосцепки;

короткая цепь расцепного привода, если нельзя положить плоскую часть расцепного рычага на горизонтальную полочку кронштейна;

незаваренными звеньями или надрывами в них, прикрепленная нетиповым способом цепь расцепного рычага;
[25] - не прикрученные проволокой к фиксирующему кронштейну рукоятки, расцепных рычагов грузовых вагонов, находящихся под общим грузом;
- высота оси автосцепки над уровнем головки рельсов: у пассажирских порожних вагонов более 1080 мм и у вагонов с пассажирами менее 980 мм; у грузовых порожних вагонов более 1080 мм или менее 980 мм, у груженых четырехосных вагонов менее 950 мм; у шести-, и восьмиосных вагонов менее 990 мм, менее 1000 мм у порожних рефрижераторных вагонов;
- разность по высоте между продольными осями сцепленных автосцепок более 100 мм (кроме локомотива и первого груженого грузового вагона, у которых разность допускается 110 мм). В пассажирских поездах, курсирующих со скоростью не более 120 км/ч, разность между продольными осями автосцепок смежных вагонов более 70 мм, а в поездах, курсирующих со скоростью свыше 120 км/ч, более 50 мм, между локомотивом и первым вагоном более 100 мм. Запрещается отправлять из пунктов формирования и оборота пассажирские вагоны без типовых исправных нижних ограничителей вертикальных перемещений корпуса автосцепки;
- вагоны с изломанными или отсутствующими стяжными болтами, отвинченными гайками, с изломом витков и потерей начальной затяжки пружин подпружиненного центрирующего устройства с выбитыми или отсутствующими торсионами автосцепного устройства восьмиосных цистерн;
- зазор между потолком розетки и хвостовиком корпуса автосцепки менее 25 мм;
- выход вкладышей крепления крышки поглощающего аппарата Ш6-ТО-4 за наружные плоскости боковых стенок корпуса.
3.6.2 При контроле технического состояния осмотрщик должен обращать внимание на характерные признаки неисправностей, приводящих к саморасцепу автосцепок и другим нарушениям работы автосцепного устройства:
1) наличие посторонних предметов под головками маятниковых подвесок и на центрирующей балочке;
2) наличие посторонних предметов под хвостовиком автосцепки;
3) отсутствие сигнального отростка замка;
4) излом направляющего зуба замка (определяемый по выходу его из отверстия корпуса автосцепки);
5) трещины в деталях автосцепного устройства, выявляемые по следам коррозии, наличию пылевого валика в летнее время, инея - в зимнее;
6) укороченная или удлиненная цепь расцепного привода автосцепки;
7) несоответствие допускаемому расстоянию от упора головы автосцепки до ударной розетки;
8) отсутствие стопорных болтов в автосцепках сцепленных вагонов рефрижераторных секций.
Расстояние от вертикальной кромки малого зуба автосцепки до вертикальной кромки замка в его крайнем нижнем положении должно быть не менее 2 мм и не более 8 мм. Параметр проверяется у хвостового и головного вагонов.
При обнаружении неисправностей осмотрщик должен принять меры к их устранению.
3.6.3 Исправность действия механизма автосцепки, износы контура зацепления и ударной поверхности малого и большого зубьев, износ замка, исправность замкодержателя осмотрщик вагонов выявляет при помощи специального ломика или по внешним признакам. Шаблоном N 873 проверяют автосцепки концевых вагонов поездов, групп сцепленных вагонов и отдельно стоящих вагонов с каждого конца, как показано на
рисунке 3.28.
[33]
Рисунок 3.28
[33] Порядок контроля автосцепки шаблоном N 873
Действие предохранителя от саморасцепа проверяют специальным ломиком. Для проверки ломик заостренным концом вводят сверху в пространство между ударной стенкой зева одной автосцепки и торцевой поверхностью замка другой (смежной) автосцепки, как показано на
рисунке 3.29 [33]. Поворачивая выступающий конец ломика по направлению стрелки, нажимают заостренным концом на замок (положение I). Если он не уходит внутрь кармана и при этом слышен четкий металлический стук от удара предохранителя в противовес замкодержателя, значит предохранительное устройство от саморасцепа исправно. Так же проверяют и смежную автосцепку.
У автосцепок пассажирских вагонов, а также грузовых, если находящийся в них груз препятствует введению ломика сверху, его вводят снизу, через отверстие в нижней стенке кармана и упираясь в кромку отверстия, нажимают на замок в нижней части (положение 1а).
Если при проверке действия предохранителя от саморасцепа обнаружено, что замок раскачивается более чем на 20 мм (определяют это при помощи заостренной части ломика, имеющей ширину 20 мм) или он выходит за кромку ударной поверхности малого зуба, то необходимо проверить, надежно ли лежит на полочке верхнее плечо предохранителя. Для этого изогнутый конец ломика заводят за выступ замка (положение II) и нажимают на выступающую часть ломика по направлению стрелки, выталкивая замок из кармана корпуса до отказа.
Если замок неподвижен или его свободное качание значительно уменьшилось, то это означает, что предохранитель соскочил с полочки.
Когда автосцепки натянуты, и утопить замки ломиком невозможно, надежность работы механизма определяется по состоянию замкодержателя, предохранителя и полочки.
Чтобы проверить замкодержатель, ломик вводят в пространство между ударными поверхностями автосцепок сверху или снизу в отверстие корпуса, предназначенное для восстановления сцепленного состояния у ошибочно расцепленных автосцепок (положение III), и нажимают на лапу замкодержателя. Если лапа после прекращения нажатия возвратится в первоначальное положение, и будет прижиматься к ударной поверхности малого зуба смежной автосцепки, то замкодержатель исправен. В случае, когда противовес замкодержателя отломан, лапа свободно качается, и при нажатии на нее ломиком проверяющий не испытывает заметного сопротивления. Заедание замкодержателя внутри кармана корпуса, обнаруживаемое при нажатии на его лапу ломиком сверху, свидетельствует о возможном изгибе полочки для верхнего плеча предохранителя, препятствующем свободному повороту замкодержателя.
Наличие верхнего плеча предохранителя проверяется ломиком, который вводят в карман корпуса через отверстие для сигнального отростка (положение IV). Прижимая ломик к замкодержателю, упирают его изогнутый конец в предохранитель и перемещают по направлению к полочке. Когда ломик отпускают, металлический звук от удара предохранителя о полочку подтверждает, что верхнее плечо предохранителя не изломано. Если ломик при перемещении не упрется в полочку, значит она отсутствует.
Рисунок 3.29
[33] Положения ломика при проверке автосцепки
3.6.4 В пунктах формирования и оборота пассажирских составов, в соответствии с технологическим процессом, дополнительно контролируют ломиком-калибром износ элементов контура зацеплений сцепленных автосцепок при растянутых вагонах. При этом зазоры а и б
(рисунок 3.30) [33] проверяют утолщенной крестообразной частью ломика, имеющей контрольные размеры (22 +/- 0,1) мм для проверки зазора а и (25 +/- 0,1) мм для замера зазора б.
Если ломик проходит в соответствующий зазор, то необходимо расцепить и разъединить вагоны, полностью проверить автосцепку шаблоном N 873
[33], заменить негодные детали или автосцепку в сборе с механизмом.
Рисунок 3.30
[33] Зазоры в контурах сцепленных автосцепок,
проверяемые ломиком
3.6.5 Запрещается постановка в пассажирские поезда вагонов, имеющих трещины в концевых балках вагонов, в стаканах, излом пружин буферных комплектов и без буферных устройств, а также одну из следующих неисправностей:
1) наличие накладок на рабочих поверхностях буферных тарелей;
2) износ кромок съемных тарелей более 6 мм и ослабление более трех заклепок;
3) ослабление или нетиповое крепление буферных комплектов;
4) провернутые стержни буферов относительно стаканов;
5) толщина тарелей безбуферного устройства менее 3 мм при наличии накладок на тарелях, не соответствующих чертежам, или двойных накладок;
6) трещины в вертикальных стойках и поперечных угольниках рам и кронштейнах безбуферных устройств.
3.6.6 Определение типа поглощающего аппарата повышенной энергоемкости.
Наличие на вагоне установленного эластомерного поглощающего аппарата подтверждается трафаретом, на консольной части концевой балки, в верхней строке которого указывается дата следующего регламентного осмотра (РО) - "РО 00 (месяц).00 (год)", в нижней строке указывается дата следующего ремонта в сервисном центре (СР) - "СР 00 (месяц).00 (год)". Технические характеристики поглощающих аппаратов приведены в
таблице 3.4.
Тип поглощающего аппарата повышенной энергоемкости, установленного на данном вагоне, определяется при осмотре видимой части аппарата между передними упорами и поддерживающей плитой по ниже перечисленным признакам.
1) Эластомерный поглощающий аппарат АПЭ-120-И имеет: хромированный шток, диаметр которого существенно меньше габаритных размеров корпуса аппарата и упорной плиты; упорную плиту (имеет два отверстия), соединенную с корпусом двумя болтами;
2) Эластомерный поглощающий аппарат АПЭ-90-А имеет: хромированный шток, диаметр которого существенно меньше габаритных размеров корпуса аппарата и упорной плиты; плиту, расположенную на вагоне между упорной плитой и штоком аппарата и соединенную с корпусом двумя болтами.
[33] Рисунок 3.31 Поглощающий аппарат типа АПЭ
1) Эластомерный поглощающий аппарат АПЭ-95-УВЗ имеет корпус амортизатора, цилиндрическая часть которого видна между упорной плитой и корпусом аппарата. Корпус амортизатора имеет диаметр приблизительно 200 мм, что сопоставимо с габаритами упорной плиты и размерами корпуса амортизатора.
Конструкция аппарата АПЭ-95-УВЗ выпуска до февраля 2008 г.
Модернизированный аппарат АПЭ-95-УВЗ, выпускаемый с февраля 2008 года. Эластичная вставка считается годной при отсутствии трещин и изломов на ее поверхностях.
Рисунок 3.32
[33] Поглощающий аппарат АПЭ-95-УВЗ
Производитель ООО "ЛЛМЗ-КАМАХ":
1) Эластомерный поглощающий аппарат 73 ZWy имеет: корпус амортизатора (диаметр приблизительно 200 мм), цилиндрическая часть которого видна между упорной плитой и корпусом аппарата; упорную плиту (имеет четыре отверстия), соединенную с корпусом четырьмя болтами.
2) Эластомерный поглощающий аппарат 73 ZW12 имеет: корпус амортизатора (диаметр приблизительно 200 мм), часть которого видна между упорной плитой и корпусом аппарата; нестандартную упорную плиту толщиной 36 мм (имеет четыре отверстия), соединенную с корпусом четырьмя болтами. Следует отметить, что аппараты имеют и другие отличия, однако для определения типа аппарата приведенных выше признаков достаточно. Размеры указаны приблизительные, поскольку они призваны подчеркнуть лишь визуальную разницу деталей.
1) Поглощающий аппарат ПМКП-110 разработан на базе серийного выпускаемого поглощающего аппарата ПМКП-110К-23. В нем вместо пружинного комплекта используется подпорно-возвратное устройство, представляющее собой набор упругих полимерных блоков.
Рисунок 3.33
[33] Поглощающий аппарат ПМКП-110
1) В качестве упругого узла в поглощающем аппарате РТ-120 применен комплект из полимерных элементов, поджатых с помощью шайбы, трех фрикционных клиньев и нажимного конуса. На корпусе в зоне контакта с клиньями расположены Н-образные канавки. В них запрессованы бронзовые вкладыши, снижающие интенсивность износа поверхностей корпуса и клиньев.
Рисунок 3.34
[33] Поглощающий аппарат РТ-120
1) Поглощающий аппарат АПМ-120-Т1 представляет собой механизм упруго-фрикционного типа, разработан на базе серийного выпускаемого поглощающего аппарата ПМКП-110К-23. Вместо пружинного комплекта в нем используется пакет упругих элементов 6. Стабилизацию силовой характеристики пакета упругих элементов 6 обеспечивают регулировочные пластины 10 и пластина 11. Фиксацию всех деталей в аппарате обеспечивает болт стяжной 8 с гайкой 9.
1 - конус нажимной; 2 - корпус; 3 - клин; 4 - пластина
неподвижная; 5 - пластина опорная; 6 - пакет упругих
элементов; 7 - пластина подвижная; 8 - болт стяжной;
9 - гайка М30-6Н.20 ГОСТ 5916-70; 10 - пластина
регулировочная; 11 - пластина
Рисунок 3.35
[33] Поглощающий аппарат АПМ-120-Т1
3.6.7 Дефектация эластомерных поглощающих аппаратов.
Тяговый хомут с эластомерным поглощающим аппаратом осматривают на вагоне и считают неисправным, если:
1) Имеются изломы, трещины или сколы корпуса в видимой зоне в деталях аппарата и тяговом хомуте;
2) Для всех типов поглощающих аппаратов браковочным размером является наличие суммарного зазор между передним упором и упорной плитой и задним упором и корпусом поглощающего аппарата более 5 мм.
При подготовке вагона к перевозкам на ПТО или ППВ и выявлении суммарного зазора более 5 мм вагон отцепляется в текущий ремонт для замены аппарата аналогичным.
При обнаружении в пути следования у вагона суммарного зазора более 5 мм, но не более 50 мм разрешается проследование:
- порожнего вагона до ближайшего ПТО;
- груженого вагона до станции выгрузки.
При обнаружении у вагона суммарного зазора более 50 мм, вагон отцепляется в текущий ремонт, аппарат снимается и заменяется аналогичным. В случае отсутствия аналогичного поглощающего аппарата допускается замена пружинно-фрикционным (кроме груженых вагонов с опасными грузами), и следование вагона до ближайшего ПТО или опорного пункта имеющего запас данных поглощающих аппаратов.
3) Излом стяжных болтов не является браковочным признаком эластомерных поглощающих аппаратов в эксплуатации;
4) Наличие течи эластомерной массы на поглощающем аппарате без его просадки в эксплуатации не является браковочным признаком.
При отсутствии указанных дефектов аппарат считается исправным и демонтаж его не требуется.
Поглощающие аппараты автосцепного устройства
грузовых вагонов
Тип аппарата | Класс аппарата | Номинальная энергоемкость при силе 2МН, кДж | Ход, мм | Номинальная скорость соударения вагонов массой 100 т, км/ч | Масса, кг |
Ш-1-Т, Ш-1-ТМ, Ш-2-Т, Ш-2-В | Т0 | 50 | 90 | 7.3 | 134 |
ПМК-110К-23 | 65 | 110 | 8.7 | 158 |
Ш-6-ТО-4У | 65 | 120 | 8.7 | 307 |
РТ-120 | Т1 Не опасные грузы (платформы, полувагоны, крытые и др.) | 70 | 120 | 9.2 | 120 |
ПМКП-110, МПП-110А-ЛУ, ПМК-110А | 70 | 120 | 9.2 | 150 |
АПМ-120-Т1 | 70 | 120 | 9.2 | 132 |
73ZW, 73ZWy | Т2 Опасные грузы (нефть, нефтепродукты, хим. вещества) | 110 | 90 | 10.5 | 214 |
АПЭ-95-УВЗ | 108 | 95 | 10.5 | 170 |
АПЭ-90-А | 100 | 90 | 10.5 | 160 |
73ZW-12, 73ZW-12M, 73ZWy2 | Т3 Опасные грузы (сжиженные газы, ядовитые вещества) | 140 | 120 | 12.5 | 200 |
АПЭ-120-И | 157 | 120 | 13.5 | 155 |
3.7.1 Техническое состояние тормозного оборудования вагонов должно проверяться при техническом обслуживании работниками ПТО и контрольных пунктов технического обслуживания. Выполнение работ контролирует старший по смене или старший осмотрщик вагонов (руководитель смены), который должен обеспечить техническую готовность тормозного оборудования и включение всех тормозов в составе, соединение рукавов, открытие всех концевых и разобщительных кранов, установленную норму тормозного нажатия в поезде, а также надежную работу тормозов при опробовании их на станции и в пути следования.
Запрещается подавать под погрузку, посадку пассажиров, ставить в поезд вагоны с неисправным тормозным оборудованием, а также без предъявления их к техническому обслуживанию и записи в журнале формы ВУ-14 о признании вагонов годными к безопасному следованию в поездах.
На станциях формирования, оборота и в пути следования, где предусмотрена графиком движения остановка поезда для технического обслуживания, требуется проверить исправность действия тормозного оборудования каждого вагона с выполнением необходимого ремонта или заменой исправным.
На станциях, где нет ПТО, порядок проверки технического состояния и ремонта тормозного оборудования вагонов при их постановке в поезда и подаче под погрузку устанавливается организационно-распорядительными документами подразделений владельца инфраструктуры.
[22] 3.7.2 Не допускается постановка в поезда, а также отправление со станций формирования и оборота вагонов, у которых тормозное оборудование имеет хотя бы одну из следующих неисправностей:
- неисправное тормозное оборудование: воздухораспределитель, электровоздухораспределитель, электрическая цепь электропневматического тормоза, авторежим, концевой или разобщительный кран, выпускной клапан, обратный клапан между тормозной магистралью и дополнительным питательным резервуаром на вагонах с дисковыми тормозами, тормозной цилиндр, резервуары, рабочая камера, клещевой механизм дискового тормоза:
- повреждение воздухопроводов: трещины, прорывы, протертости и расслоение соединительных рукавов; трещины, надломы и вмятины на воздухопроводах, неплотность их соединений, ослабление трубопровода в местах крепления;
- неисправность механической части: триангелей, тяг, подвесок, авторегулятора рычажной передачи, башмаков, клещевых механизмов; трещины или изломы в деталях, откол проушин колодки, неправильное крепление колодки в башмаке (накладки); неисправные или отсутствующие предохранительные устройства и балки авторежимов; нетиповое крепление механических частей, нетиповые детали и шплинты в узлах;
- неисправный стояночный (ручной) тормоз;
- ослабление крепления деталей;
- неотрегулированная рычажная передача;
- толщина колодок (накладок) менее минимально-допустимой в эксплуатации.
3.7.3 Запрещается устанавливать композиционные колодки на вагоны, рычажная передача которых переставлена под чугунные колодки (т.е. валики затяжки горизонтальных рычагов находятся в отверстиях, расположенных дальше от тормозного цилиндра), и наоборот, не допускается устанавливать чугунные колодки на вагоны, рычажная передача которых переставлена под композиционные колодки, за исключением колесных пар пассажирских вагонов с редукторами, где могут применяться чугунные колодки для скорости движения до 120 км/ч.
Шести- и восьмиосные, а также вагоны для перевозки опасных грузов, грузовые вагоны разрешается эксплуатировать только с композиционными колодками.
3.7.4 Наиболее часто встречаются следующие неисправности тормозного оборудования грузовых вагонов:
Тормозная магистраль | - | утечки сжатого воздуха в соединениях и из тормозных приборов; |
- | трещина магистральной трубы по резьбе; |
- | протертости, вмятины магистральной трубы; |
- | повреждение подводящей трубы; |
- | трещина, износ резьбы тройника. |
Соединительный рукав | - | отсутствие хомута; |
- | излом, трещина наконечника рукава; |
- | износ гребня соединительной головки; |
- | излом, трещина соединительной головки; |
- | забита канавка для уплотнительного кольца; |
- | вздутие рукава; |
- | обрыв рукава; |
- | расслоение рукава. |
Кран концевой | - | откол, трещина корпуса крана; |
- | заклинивание клапана крана. |
Воздухораспределитель | - | излом, трещина рабочей камеры; |
- | износ резьбы в местах установки шпилек крепления главной и магистральной частей рабочей камеры; |
- | износ резьбы в местах установки накидных гаек подводящих трубок; |
- | ослабление крепления рабочей камеры. |
Запасной резервуар | - | износ резьбы, излом штуцера запасного резервуара; |
- | трещины, протертости, вмятины запасного резервуара; |
- | ослабление крепления запасного резервуара. |
Тормозной цилиндр | - | ослабление крепления тормозного цилиндра; |
- | излом трещины корпуса тормозного цилиндра; |
- | излом отпускной пружины; |
- | износ манжеты поршня; |
- | износ резьбы штуцера в местах установки накидных гаек подводящих трубок. |
Триангель | - | трещина, изгиб или излом струны триангеля; |
- | трещина, изгиб или излом распорки триангеля; |
- | трещина, изгиб или излом траверсы триангеля; |
- | заварной башмак. |
Тормозная рычажная передача | - | износ тормозных колодок; нарушение регулировки ТРП. |
3.7.5 В случае выявления, при контроле технического состояния тормозного оборудования, неисправностей, на боковых стенках кузовов вагонов (между угловой и боковой стойками), на бортах платформ, на котлах цистерн наносятся следующие условные меловые пометки:
"СТП" сменить тормозной прибор;
"ОРП" отрегулировать тормозную рычажную передачу;
"РР" регулировать или заменить автоматический регулятор тормозной рычажной передачи;
"СТ" сменить триангель;
"ПШ" поставить шплинт, шайбу;
"СКК" сменить концевой кран;
"СР" сменить соединительный рукав;
"СВР" сменить валик тормозной рычажной передачи;
"СК" сменить тормозную колодку.
На вагонах, подлежащих ремонту с отцепкой, также наносятся четкие меловые соответствующие надписи: "Ремпуть", "Перегруз", "В депо" и т.д.
В парке отправления осуществляется замена и ремонт неисправных деталей и узлов тормозного оборудования без отцепки вагона от состава, обнаруженных как в парках прибытия и сортировочном, так и в парке отправления.
3.7.6 При техническом обслуживании тормозной системы вагонов проверить:
[33] Рисунок 3.36 Схема осмотра тормозной системы
грузового вагона
- наличие и правильность установки устройств фиксирующих усилие затяжки крепежных гаек (шплинты, стопорные планки, шайбы, контргайки) (
рисунок 3.37,
[33] таблица 3.5);
- наличие валиков рычажной передачи зафиксированных от выпадения шайбой и типовым шплинтом с разведенными усиками на угол не менее 90°, предохранителя валика подвески триангеля (
рисунок 3.37,
таблица 3.5);
[33]
Рисунок 3.37
[33] Схема осмотра тормозной рычажной передачи
грузовой тележки
Последовательность осмотра тормозного оборудования вагона
поз. 1 | поз. 2, 3, 4, 5 | поз. 6 | поз. 7 | поз. 8 |
Проверка состояния и положения концевого крана; осмотр соединительного рукава, крепления магистральной трубы | Осмотр рычагов тормозной рычажной передачи, валиков, шплинтов, шайб, распорной тяги, триангеля, подвесок тормозных башмаков, предохранителей валиков подвесок тормозных башмаков. Проверка износа тормозных колодок и их крепления, состояния башмака подвески и отводящих устройств | Осмотр регулятора тормозной рычажной передачи, тяг, предохранительных устройств, тормозного цилиндра, горизонтальных рычагов, контроль соответствия установки затяжки горизонтальных рычагов типу колодок | Осмотр запасного резервуара, воздухораспределителя и их крепления на раме вагона; контроль состояния подводящих труб; контроль соответствия включения режимов торможения и отпуска загрузке вагона | Осмотр подводящих труб, авторежима (при наличии). Предохранительных устройств |
- правильность соединения рукавов тормозной магистрали, открытие концевых кранов между вагонами и разобщительных кранов на подводящих воздухопроводах от магистрали к воздухораспределителям, а также их состояние и надежность крепления;
- правильность включения режимов воздухораспределителей на каждом вагоне с учетом наличия авторежима, в том числе в соответствии с загрузкой и типом колодок;
- плотность тормозной сети состава, которая должна соответствовать установленным нормативам.
Наличие утечек определяется на слух и визуально (при необходимости произвести обмыливание соединений). Явным признаком утечки является наличие масляного валика пыли летом или замасленного инея зимой. На
рисунке 3.39 [33] показаны наиболее вероятные места утечек воздуха в тормозном оборудовании грузовых вагонов.
При пропуске воздуха в атмосферу в безрезьбовом соединении (
рисунок 3.40 а,
б [33]) допускается подтяжка гайки накидной без снятия соединения с тормозной магистрали моментом, указанным в
таблице 3.6.
- действие автотормозов на чувствительность к торможению и отпуску. Воздухораспределители и электровоздухораспределители, работающие неудовлетворительно, заменить исправными. При этом действие электропневматических тормозов проверить от источника питания с напряжением при торможении не более 40 В, при этом падение напряжения в электрической цепи проводов N 1 и 2 в режиме торможения в пересчете на один вагон проверяемого состава должно составлять не более 0,5 В для составов до 20 вагонов включительно, и не более 0,3 В для составов большей длины;
- на вагонах с авторежимом - соответствие выхода вилки авторежима загрузке вагона, надежность крепления контактной планки, опорной балки на тележке, авторежима, демпферной части и реле давления на кронштейне; ослабшие болты затянуть;
[26] - на вагонах, в тормозных цилиндрах которых установлен Индикатор давления,
(рисунок 3.38),
[33] предназначенный для визуального определения соответствия давления воздуха в тормозном цилиндре груженому и порожнему режимам, исправность действия Индикатора.
Индикация осуществляется по выходу штоков Индикатора:
Отсутствие индикации (рисунок 3.38
[33] а
3) свидетельствует об отсутствии или недостаточном давлении в тормозном цилиндре (менее 0,05 - 0,07 МПа) по причине неисправности пневматической части тормозного оборудования грузового вагона.
Осмотрщик вагонов осуществляет выявление неисправного пневматического оборудования и принимает меры к устранению неисправности.
При выявлении отказа в работе Индикатора давления, осмотрщик вагонов проводит замену неисправного индикатора на исправный, а в случае отсутствия в пунктах ПТО исправных индикаторов, допускается установка вместо Индикатора пробки тормозного цилиндра или клапана золотникового 4316.
Рабочие характеристики безрезьбовых соединений
Наименование и номер безрезьбового соединения | Штуцер 4370 | Ниппель 4371 | Ниппель 4378 | Муфта 4379-01 | Муфта 4379 | Штуцер 4374 | Тройник 4375-01 | Концевой кран 4314Б |
Момент затяжки накидных гаек, Н*м | 150 +/- 15 | 200 +/- 20 | 200 +/- 20/150 +/- 15 | 200 +/- 20 |
Диапазон рабочих температур, °C | - 60...+ 60 |
Максимальная температура, °C | + 120, не более 4 часов |
Рисунок 3.38
[33] Эскиз расположения индикатора давления
ИД.01.00.000 на тормозном цилиндре.
1 - соединительные головки тормозных рукавов. 2 - резинотекстильный рукав; 3 - соединения концевого крана; 4 - соединения тормозной магистрали; 5 - привалочный фланец главной части воздухораспределителя; 6 - привалочный фланец магистральной части воздухораспределителя; 7 - соединения тормозной магистрали и подводящих труб; 8 - соединения авторежима; 9 - соединения разобщительного крана; 10 - резьбовое соединение подводящей трубы к двухкамерному резервуару от запасного резервуара: 11 - резьбовое соединение у двухкамерного резервуара подводящей трубы к тормозному цилиндру (авторежиму): 12 - резьбовое соединение подводящей трубы к двухкамерному резервуару от тормозной магистрали: 13 - шток тормозного цилиндра; 14 - узел подсоединения трубы и пробка тормозного цилиндра; 15 - соединение подвода и пробка запасного резервуара.
[33] Рисунок 3.39 Наиболее вероятные места утечек воздуха
в тормозном оборудовании грузовых вагонов.
Воздухопровод тормозной системы грузового вагона
с безрезьбовым соединением приборов и труб
Вагонокомплект |
Кран концевой N 4314Б | - 2 шт. |
Штуцер N 4370 | - 3 шт. |
Ниппель N 4371 | - 5 шт. |
Тройник N 4375 | - 1 шт. |
Ниппель N 4378 | - 1 шт. |
Воздухопровод тормозной системы грузовых вагонов
с раздельной системой торможения с безрезьбовым соединением
приборов и труб с клапаном для подключения устройств
диагностики давления воздуха в тормозных цилиндрах
Вагонокомплект |
Кран концевой N 4314Б | - 2 шт. |
Штуцер N 4370 | - 3 шт. |
Ниппель N 4371 | - 6 шт. |
Тройник N 4375-01 | - 1 шт. |
Кран трехходовой N 4325Б | - 1 шт. |
Муфта N 4379 | - 1 шт. |
Комплект деповского ремонта |
Муфта N 4379-01 | - 1 шт. |
Штуцер N 4374 | - 2 шт. |
Устройство подключения диагностического оборудования |
Кран золотниковый N 4316 | - 2 шт. |
Рисунок 3.40
[33] Безрезьбовые соединения в тормозной
магистрали грузовых вагонов
- правильность регулирования рычажной передачи и действие автоматических регуляторов, выход штока тормозных цилиндров, который должен быть в пределах, указанных в
таблице 3.7:

при необходимости регулировку осуществлять перестановкой валиков на тягах
(рисунок 3.41 в),
[33] с последующей регулировкой размера "а" (расстояние от торца муфты защитной трубы регулятора ТРП до начала присоединительной резьбы на его винте) и повторной проверкой выхода штока тормозного цилиндра. Размеры "а" для грузовых и пассажирских вагонов должны быть не менее указанных в
таблице 3.7.
Углы наклона горизонтальных и вертикальных рычагов должны обеспечивать нормальную работу рычажной передачи до предельного износа тормозных колодок:

при симметричном расположении тормозного цилиндра на вагоне и на вагонах с раздельным потележечным торможением
(рисунок 3.41 а) [33] при полном служебном торможении и новых тормозных колодках горизонтальный рычаг со стороны штока тормозного цилиндра должен располагаться перпендикулярно к оси тормозного цилиндра или иметь наклон от своего перпендикулярного положения до 10° в сторону от тележки;

при несимметричном расположении тормозного цилиндра на вагонах и на вагонах с раздельным потележечным торможением
(рисунок 3.41 б) [33] и новых тормозных колодках промежуточные рычаги должны иметь наклон не менее 20° в сторону тележек.
Примечание: Неправильная установка затяжки горизонтальных рычагов при композиционных колодках, может привести к заклиниванию колес, при чугунных - к недостаточности тормозного нажатия.
[33] Рисунок 3.41 Схема регулировки углов наклона
горизонтальных и вертикальных рычагов
После регулировки рычажной передачи необходимо произвести полное служебное торможение. Подвести упорный рычаг (упор) привода к корпусу регулятора вплотную и зафиксировать его положение, для чего у рычажного привода вращением регулировочного винта следует совместить отверстие в его головке с отверстием в упорном рычаге привода и соединить их валиком, с постановкой шплинта. После установки привода регулятора следует отпустить тормоз. При этом расстояние между корпусом регулятора и упорным рычагом (упором) устанавливается автоматически. Ориентировочные величины размера "А" (установочный размер привода регулятора) приведены в
таблице 3.7.
Примечание: При размере "А" более нормы регулятор работает как жесткая тяга и по мере износа тормозных колодок не стягивает ТРП, что приводит к увеличению выхода штока тормозного цилиндра.
При размере "А" менее нормы регулятор чрезмерно стягивает ТРП, после отпуска тормоза тормозные колодки могут остаться прижатыми к колесам, что может привести к их заклиниванию.
Примечание: Минимальная толщина вновь устанавливаемой тормозной колодки дона быть не менее 25 мм, при этом клиновидный износ не допускается
При замене тормозных колодок необходимо соблюдать следующие условия: колодки на одной оси не должны различаться по толщине более, чем на 10 мм.
- толщину тормозных колодок и их расположение на поверхности катания колес. Зазор между тормозными колодками и колесами должен составлять до 10 мм. Не допускается оставлять на грузовых вагонах тормозные колодки, если они выходят с поверхности катания на наружную грань колеса более чем на 10 мм. На пассажирских и рефрижераторных вагонах выход колодок с поверхности катания за наружную грань колеса не допускается. Минимальная толщина тормозных колодок, при которой они подлежат замене, составляет: для чугунных - 12 мм, композиционных с металлической спинкой - 14 мм, с сетчато-проволочным каркасом - 10 мм (колодки с сетчато-проволочным каркасом определяют по заполненному фрикционной массой ушку). Толщину тормозной колодки следует проверять с наружной стороны, а при клиновидном износе - на расстоянии 50 мм от тонкого торца. В случае явного износа тормозной колодки с внутренней стороны (со стороны гребня колеса) колодку заменить, если этот износ может вызвать повреждение башмака;
- исправность и действие ручных тормозов, обращая внимание на легкость приведения в действие и прижатие колодок к колесам - в пунктах формирования грузовых поездов и в пунктах формирования и оборота пассажирских поездов. Такую же проверку ручных тормозов осмотрщики вагонов должны производить на станциях с пунктами технического обслуживания, предшествующих крутым затяжным спускам;
- обеспеченность поезда требуемым нажатием тормозных колодок в соответствии с величиной расчетного нажатия тормозных колодок в пересчете на чугунные, на ось пассажирских и грузовых вагонов
(приложение И);
- состояние поверхностей электрических контактов головок рукавов N 369А, расстояние между головками соединительных рукавов N 369А и штепсельными разъемами междувагонного электрического соединения осветительной цепи вагонов при их соединенном состоянии. Это расстояние должно быть не менее 100 мм;
Параметры регулировки тормозной рычажной передачи вагонов
| Размер "А", мм. | Размер "а" не менее, мм. | Выход штока тормозного цилиндра |
Рычажный привод | Стержневой привод |
I-я ст. торможения | ПСТ |
Грузовые вагоны с симметричным расположением ТРП (полувагоны, крытые, цистерны, платформы) рис. 3.42 (а), а также вагоны бункерного типа (хопперы) с несимметричным расположением ТРП, рис. 3.42 (б), оборудованных авторегуляторами 574 Б и 675 | Композиционные колодки | 35 - 50 | - | 150 | 40 - 80 | 50 - 100 |
Чугунные колодки | 40 - 60 | - | 150 | 40 - 100 | 75 - 125 |
Восьмиосные цистерны | Композиционные | 30 - 50 | - | - | - | - |
Грузовые вагоны со стержневым приводом авторегулятора (думпкар, термос на тележках ЦНИИ-Х3, автономные рефрижераторные вагоны на тележках ЦМВ - Дессау), | Композиционные | - | 140 - 200 | 150 | 40 - 80 | 50 - 100 |
Чугунные | - | 130 - 150 | 150 | 40 - 100 | 75 - 125 |
Рефрижераторные секции и вагоны термосы на тележках КВЗ-И2 с рычажным приводом авторегулятора, рис. 3.42 (а), и на тележках ЦМВ - Дессау со стержневым приводом авторегулятора, | Композиционные | 25 - 60 | 55 - 145 | 150 | 40 - 80 | 50 - 100 |
Чугунные | 40 - 75 | 60 - 100 | 150 | 40 - 100 | 75 - 125 |
Грузовые вагоны с потележечным торможением с композиционными колодками, оборудованные авторегуляторами, | Тормозной цилиндр диаметром 254 мм и ходом поршня 125 мм. Авторегуляторы 574Б и 675 | 15 - 25 | - | 150 | 25 - 65 | |
Тормозной цилиндр диаметром 254 мм и ходом поршня 125 мм. Авторегуляторы РТРП-300 | 15 - 25 | - | 50 | 25 - 65 | |
Грузовые вагоны на тележках, оборудованных буксовыми адаптерами с упругими элементами, с потележечным торможением с композиционными колодками оборудованные авторегуляторами, рис. 3.42 (г, д) | Тормозной цилиндр диаметром 254 мм и ходом поршня 240 мм. Авторегуляторы РТРП-300 | 20 - 40 | - | 50 | 40 - 80 | 50 - 100 |
Пассажирские вагоны | | | | | | |
42 - 47 т | Композиционные | 25 - 45 | 140 - 200 | 250 | 80 - 120 | 130 - 160 |
Чугунные | 50 - 70 | 130 - 150 | 250 | 80 - 120 | 130 - 160 |
48 - 52 т | Композиционные | 25 - 45 | 120 - 160 | 250 | 80 - 120 | 130 - 160 |
Чугунные | 50 - 70 | 90 - 135 | 250 | 80 - 120 | 130 - 160 |
53 - 65 т | Композиционные | 25 - 45 | 100 - 130 | 250 | 80 - 120 | 130 - 160 |
Чугунные | 50 - 70 | 90 - 110 | 250 | 80 - 120 | 130 - 160 |
Габарита Риц - с воздухораспределителями КЕ Эрликон, Дако | Чугунные | - | - | - | 50 - 70 | 105 - 115 |
ВЛ-РИЦ на тележках ТВЗ-ЦНИИ "М" | Композиционные | - | - | - | 15 - 30 | 25 - 40 |
Примечания:
1. ПСТ - полное служебное торможение.
2. Выход штока тормозного цилиндра при композиционных колодках на пассажирских вагонах указан с учетом длины хомута (70 мм), установленного на штоке.
3. Нормы выхода штоков тормозных цилиндров у грузовых вагонов перед крутыми затяжными спусками устанавливаются начальником железной дороги.
4. При регулировании рычажных передач грузовых вагонов на пунктах технического обслуживания (в парке отправления) и пунктах подготовки к перевозкам выход штока тормозных цилиндров устанавливать по минимально допустимому размеру или на 20 - 25 мм меньше верхнего предела; на вагонах, оборудованных авторегуляторами рычажной передачи, их привод регулируется на поддержание выхода штока на нижнем пределе установленных нормативов.
5. <*> Для грузовых вагонов на тележках, оборудованных буксовыми адаптерами.
- действие противоюзного и скоростного регуляторов на пассажирских вагонах с тормозами западноевропейского типа в соответствии с отдельными инструктивными указаниями и нижеприведенным порядком. Проверить действие пневмомеханических, противоюзного и скоростного регуляторов на вагонах РИЦ на пассажирском режиме включения тормоза при полном служебном торможении. Действие противоюзного регулятора проверяется на каждой оси всех включенных в состав поезда вагонах:

через окно в корпусе датчика провернуть инерционный груз, при этом должен произойти выброс воздуха из тормозного цилиндра проверяемой тележки через сбрасывающий клапан. После прекращения воздействия на груз он должен сам возвратиться в исходное положение, а тормозной цилиндр наполниться сжатым воздухом до первоначального давления, что контролируется по манометру на боковой стенке кузова вагона. Нажать кнопку скоростного регулятора на боковой стенке вагона. Давление в тормозных цилиндрах должно повыситься до установленной величины, а после прекращения нажатия на кнопку давления в цилиндрах должно снизиться до первоначального. После проверки включить тормоза вагонов на режим, соответствующий предстоящей максимальной скорости движения поезда.
Схема симметричной тормозной рычажной передачи вагона
Схема несимметричной тормозной рычажной передачи вагона
Схема симметричной тормозной рычажной передачи вагона
со стержневым приводом
Схема тормозной рычажной передачи вагона с потележечным
торможением
Схема тормозной рычажной передачи вагонов бункерного типа
с потележечным торможением
[33] Рисунок 3.42 Схемы регулировки тормозной
рычажной передачи
Техническое обслуживание тормозного оборудования вагонов с дисковыми тормозами
При техническом обслуживании тормозного оборудования вагонов с дисковыми тормозами, дополнительно, проверить:
- в доступной для осмотрщика зоне, поверхности трения венцов всех тормозных дисков вагона. При обнаружении дефектов, приведенных ниже и показанных на
рисунке 3.43 [33], тележка с неисправным дисковым тормозом отключается. На вагоны, у которых обнаружены выше перечисленные дефекты тормозных дисков, составляется акт согласно
приложения Д;
- проверить исправность пневмоцилиндров магниторельсового тормоза и состояние башмаков, высоту и параллельность расположения башмаков магниторельсового тормоза над путевым рельсом. Размер между крайними полюсами электромагнита и рельсом должен быть в пределах от 126 до 130 мм. Проверить надежность болтовых креплений. При подъеме и опускании башмак магниторельсового тормоза не должен перекашиваться;
- проверить крепление трубопроводов и шлангов на тележке (герметичность их соединений, отсутствие на слух утечек воздуха), состояние кабеля питания катушек магниторельсового тормоза.
- крепление деталей тормоза, в том числе накладок дисковых тормозов (визуально);
- толщину накладок дисковых тормозов. Металлокерамические накладки толщиной 13 мм и менее и композиционные накладки толщиной 5 мм и менее по наружному радиусу накладок подлежат замене;
- суммарный зазор между обеими накладками и диском на каждом диске, который должен быть не более 6 мм. На вагонах, оборудованных стояночными тормозами, зазоры проверять при отпуске после экстренного торможения.
Все выявленные при проверке неисправности должны быть устранены, неисправное тормозное оборудование и детали крепления заменить на новые или отремонтированные, отсутствующие поставить.
1 - трещины, расположенные по окружности венца, длиной более 30 мм;
2 - радиальные и наклонные трещины в средней части венца длиной более 20 мм;
3 - радиальные и наклонные трещины длиной более 10 мм, расположенные в пределах 20 мм от наружной или внутренней кромки венца;
4 - сплошные пятна (полосы) темного цвета шириной более 80 мм и длиной более 100 мм;
- трещины радиальные или наклонные, обнаруженные вихретоковым дефектоскопом и подтвержденные магнитопорошковым методом, но не обнаруженные визуально, длиной более 10 мм;
- забоины, имеющие форму трещины длиной более 20 мм и забоины, имеющие острые кромки, переходящие в трещину, которую регистрирует вихретоковый дефектоскоп.
К допустимым дефектам венцов тормозных дисков относятся:
- сетка мелких трещин;
- концентрические проточки;
- волнообразный износ;
- задиры;
- пятнистость.
[33] Рисунок 3.43 Виды дефектов на поверхности венца
тормозного диска
3.7.7 Включение тормозов на соответствующий режим торможения в составе поезда, а также группы или отдельных вагонов, прицепляемых к поездам, выполнять с учетом следующих требований:
1) Перед отправлением поезда со станции, где имеется ПТО, а также со станции формирования поездов или пункта массовой погрузки грузов тормоза всех вагонов должны быть включены, и исправно действовать.
2) В пассажирских и почтово-багажных поездах должны быть включены все воздухораспределители пассажирского типа. Пассажирские поезда должны эксплуатироваться на электропневматическом торможении как основном виде тормоза, а при наличии в составе пассажирского поезда пассажирских вагонов габарита РИЦ с включенными автотормозами и грузовых вагонов - на пневматическом торможении.
[22] К пассажирским поездам, следующим с управлением на электропневматических тормозах на промежуточных станциях маршрута следования, в порядке исключения, допускается прицеплять в хвост не более двух пассажирских вагонов, не оборудованных электропневматическими тормозами, но с исправными автоматическими тормозами, о чем должна быть выполнена отметка в "Справке об обеспечении поезда тормозами и исправном их действии"
(форма ВУ-45).
При обнаружении в пути следования отказа действия электропневматического тормоза не более чем на двух вагонах, допускается отключить электровоздухораспределители этих вагонов от электрической цепи в клеммных коробках. Эти вагоны должны следовать в составе поезда управлением на автоматическом тормозе до пункта технического обслуживания пассажирских вагонов, где неисправность должна быть устранена, а электровоздухораспределители подключены к электрической цепи в клеммных коробках, о чем должна быть выполнена отметка в "Справке об обеспечении поезда тормозами и исправном их действии"
(форма ВУ-45).
В случае, если после замены неисправных приборов продолжаются отказы электропневматических тормозов, необходимо отключить электровоздухораспределители этих вагонов от электрической цепи в клеммных коробках, и данные вагоны следуют до пункта оборота или формирования, где неисправности должны быть выявлены и устранены. При этом необходимо произвести проверку исправности устройств электропневматических тормозов локомотива.
В составы пассажирских поездов запрещается ставить грузовые вагоны, за исключением случаев, предусмотренных ПТЭ. Если к пассажирскому поезду прицепляют грузовые вагоны, оборудованные воздухораспределителем N 483, то тормоза этих вагонов требуется включить в тормозную сеть поезда; при этом режимный переключатель воздухораспределителей N 270 или 483 установить в положение равнинного режима, а грузовой переключатель - в положение, соответствующее загрузке вагона. Грузовые вагоны, тормоза которых не имеют пассажирского или равнинного режима, включать в состав пассажирского поезда запрещается.
В пассажирских поездах с составом до 20 вагонов включительно воздухораспределители пассажирского типа с бесступенчатым отпуском включать на короткосоставный режим. При формировании пассажирских поездов с составом более 20 вагонов воздухораспределители пассажирского типа с бесступенчатым отпуском - включать на длинносоставный режим. Включение воздухораспределителей пассажирского типа с бесступенчатым отпуском на короткосоставный режим в поездах с составом более 20 до 25 вагонов допускается отдельными распоряжениями владельца инфраструктуры.
В составы пассажирских поездов длиной более 20 вагонов включение вагонов со скородействующими тройными клапанами не допускается, а в составе меньшей длины таких вагонов должно быть не более двух.
Тормоза "КЕ" пассажирских вагонов международного сообщения необходимо включать на пассажирский режим при скорости движения до 120 км/ч, а при более высокой скорости движения - на скоростной режим. Запрещается включать скоростной режим торможения при отсутствии на вагоне или неисправности датчика скоростного регулятора или хотя бы одного датчика противоюзного устройства. Пересылку пассажирских вагонов, оборудованных тормозом "КЕ", в грузовых поездах производить с выключенным тормозом, если тормоза состава включаются на равнинный режим, и с включением на грузовой режим, если тормоза состава включаются на горный режим. При наличии в составе пассажирского поезда внутреннего сообщения одного вагона с тормозом западноевропейского типа разрешается тормоз этого вагона выключить, если поезд обеспечен единой наименьшей нормой тормозного нажатия на 100 тс веса без учета выключенного тормоза.
Порядок включения вагонов с дисковыми тормозами в составы поездов
Составы пассажирских поездов следует формировать по возможности с максимальным количеством вагонов, оборудованных дисковыми тормозами.
Допускается совместная эксплуатация в одном составе вагонов с дисковыми и колодочными тормозами при условии оборудования последних композиционными тормозными колодками. Совместная эксплуатация в одном поезде вагонов с дисковыми и колодочными тормозами с чугунными колодками допускается только в порядке исключения для передачи отдельных вагонов с дисковым тормозом к месту назначения.
Передача вагонов с дисковыми тормозами в составах грузовых поездов допускается с выключенными автотормозами, в количестве не более 2-х вагонов. При этом на вагонах со стояночными тормозами должны быть открыты оба разобщительных крана от тормозной магистрали к цилиндрам стояночных тормозов.
Воздухораспределители вагонов включаются на короткосоставный режим при длине поезда до 20 вагонов включительно, и на длинносоставный при длине поезда более 20 вагонов.
После полной зарядки тормозной сети вагонов произвести продувку питательных резервуаров объемом 170 л через выпускной кран на каждом вагоне для удаления конденсата.
Расчетное тормозное нажатие на ось вагонов с дисковыми тормозами (в пересчете на чугунные тормозные колодки) принимать:
- для скоростей движения до 120 км/ч включительно - 10 тс;
- для скоростей движения до 140 км/ч включительно - 12,5 тс.
Вес тары вагонов определять по данным, нанесенным на боковой стенке кузова вагона, а нагрузку от пассажиров, ручной клади и снаряжения - в соответствии с Правилами по эксплуатации тормозов подвижного состава железных дорог.
Нормы обеспечения пассажирских поездов тормозами и допускаемые скорости движения при наличии в их составе вагонов с дисковыми тормозами устанавливаются в полном соответствии с Правилами по эксплуатации тормозов подвижного состава железных дорог.
[22] При заполнении "Справки об обеспечении поезда тормозами и исправном их действии"
(форма ВУ-45) против соответствующего нажатия на ось вагонов с дисковыми тормозами в
графе "Другие данные" записывать - ДТ. При указании в "Справке об обеспечении поезда тормозами и исправном их действии"
(форма ВУ-45) количества композиционных колодок в составе учитывать вагоны с дисковыми тормозами как вагоны с этими колодками. Выход штока тормозного цилиндра хвостового вагона с дисковым тормозом допускается в "Справке об обеспечении поезда тормозами и исправном их действии"
(форма ВУ-45) не указывать.
3) В грузовых поездах должны быть включены все воздухораспределители грузового типа. Грузовые поезда, в составе которых находится специальный подвижной состав с пролетной магистралью или вагоны с опасными грузами, разрешается отправлять с выключенными у этих вагонов автоматическими тормозами в соответствии с порядком, установленным железнодорожными администрациями. При этом в грузовых поездах количество вагонов с выключенными тормозами или пролетной магистралью в одной группе вагонов не должно превышать восьми осей, а в хвосте поезда перед последними двумя тормозными вагонами - не более четырех осей. Последние два вагона в поезде должны быть с включенными действующими автоматическими тормозами.
В случае возникновения неисправности автоматического тормоза одного или двух хвостовых вагонов в пути следования и невозможности ее устранения на первой станции выполнить маневровые работы, обеспечивающие наличие в хвосте поезда двух вагонов с исправными автоматическими тормозами.
В грузовых (кроме поездов, у которых установлено зарядное давление 6,0 - 6,2 кгс/см2) и грузопассажирских поездах допускается совместное применение воздухораспределителей грузового и пассажирского типов, причем воздухораспределители грузового типа требуется включать все без ограничения, воздухораспределители пассажирского типа включать на длинносоставный режим.
Если в грузовом поезде не более двух пассажирских вагонов, то их воздухораспределители следует выключить (кроме двух хвостовых вагонов).
У грузовых вагонов, оборудованных чугунными тормозными колодками, воздухораспределители необходимо включать на груженый режим при загрузке вагона более 6 тс на ось, на средний - от 3 до 6 тс на ось (включительно), на порожний - менее 3 тс на ось.
У грузовых вагонов, оборудованных композиционными колодками, воздухораспределители следует включать на порожний режим, при нагрузке на ось до 6 тс включительно, на средний - при загрузке на ось более 6 тс.
В груженом состоянии вагонов-хопперов для перевозки цемента, оборудованных композиционными колодками, воздухораспределители включать на груженый режим торможения.
Применение на других типах грузовых вагонов с композиционными колодками груженого режима допускается с разрешения владельца инфраструктуры.
Включать воздухораспределители в грузовых поездах на горный режим необходимо перед затяжными спусками крутизной 0,018 и более, а переключать на равнинный режим - после прохода поездом этих спусков в пунктах, установленных организационно-распорядительными документами владельца инфраструктуры. В поездах при наличии и исправном действии электрического тормоза на локомотиве с учетом местных условий на основании опытных поездок с разрешения владельца инфраструктуры, допускается использовать равнинный режим воздухораспределителей на затяжных спусках крутизной: с составом из груженых вагонов - до 0,020 включительно; с составом из порожних вагонов - до 0,025 включительно, а на спусках большей крутизны - по распоряжению владельца инфраструктуры.
Все грузовые вагоны, кроме шестиосных и восьмиосных вагонов должны быть оборудованы авторежимом. До завершения работ по дооборудованию грузовых вагонов авторежимами на этих вагонах воздухораспределитель включать на порожний режим запрещается:
- с чугунными тормозными колодками на груженый режим при загрузке на ось более 6 тс, средний режим при загрузке на ось от 3 до 6 (включительно) тс, порожний режим при загрузке на ось менее 3 тс;
- с композиционными тормозными колодками на средний режим при загрузке на ось более 6 тс, порожний режим при загрузке на ось 6 тс и менее.
У грузовых вагонов, оборудованных авторежимом или имеющих на кузове трафарет "Однорежимный", воздухораспределитель включать на:
- груженый режим с чугунными тормозными колодками,
- средний режим с композиционными тормозными колодками,
- груженый режим с композиционными тормозными колодками допускается отдельным распоряжением владельца инфраструктуры на участках железной дороги, в зимний период подверженных снежным заносам, при осевой нагрузке не менее 20 тс на рельсы.
4) У воздухораспределителей рефрижераторных вагонов режимы включать в следующем порядке. Автотормоза всех вагонов с чугунными тормозными колодками, в том числе грузовых вагонов со служебным отделением в пятивагонной секции, включать в порожнем состоянии на порожний режим, при загрузке до 6 тс (включительно) - на средний и более 6 тс на ось - на груженый режим торможения. Автотормоза служебных, дизельных и машинных вагонов, в том числе грузовых вагонов с дизельным отделением пятивагонной секции, включать на средний режим с закреплением переключателя.
На рефрижераторных вагонах с тормозной рычажной передачей, конструкция которой позволяет эксплуатацию тормоза вагона как с чугунными, так и с композиционными тормозными колодками (горизонтальные рычаги имеют два отверстия для установки валиков затяжки), при оборудовании их композиционными колодками режимы торможения включать:
- на грузовых рефрижераторных вагонах порядком, установленным настоящей Инструкцией для грузовых вагонов;
- на служебных, дизельных и машинных вагонах, в том числе вагонах с дизельным отделением пятивагонной секции, - на средний режим торможения с закреплением переключателя.
Автотормоза служебных, дизельных и машинных вагонов, в том числе вагонов с дизельным отделением пятивагонной секции с рычажной передачей, предназначенной для эксплуатации только с чугунными тормозными колодками (горизонтальный рычаг имеет одно отверстие для установки валика затяжки), при оборудовании композиционными колодками включать на порожний режим торможения с закреплением переключателя режимов.
Включение автотормозов на соответствующий режим торможения в составе поезда, а также у отдельных вагонов или группы вагонов, прицепляемых к поездам, производят:
- на станциях с пунктами технического обслуживания - осмотрщики;
- на промежуточных станциях, где нет работников вагонного хозяйства, осмотрщики, направляемые с ближних ПТО, или специально выделенные приказом начальника железной дороги работники, обученные и сдавшие испытания в знании ПТЭ, Инструкции по сигнализации и Инструкции по эксплуатации тормозов подвижного состава железных дорог;
- на перегоне после разгрузки хоппер-дозаторной и думпкарной вертушки - работники, обслуживающие данный состав.
Загрузку вагонов необходимо определять по поездным документам. Допускается для определения загрузки вагонов ориентироваться по просадке рессорного комплекта и положению клина амортизатора тележки 18-100 относительно фрикционной планки: если верхняя плоскость клина амортизатора выше торца фрикционной планки - вагон порожний, если верхняя плоскость клина и торец фрикционной планки на одном уровне - загрузка вагона составляет 3 - 6 тс на ось.
В поездах повышенного веса и длины для предупреждения разрыва автосцепок после отпуска автотормозов на участках с ломаным профилем пути разрешается включение до 25% воздухораспределителей вагонов на горный режим с головы поезда обычного формирования весом более 6,0 тыс. тс и длиной более 350 осей, а также с головной части первого состава соединенного поезда весом от 6,0 до 12,0 тыс. тс.
[22] В грузовых поездах из порожних вагонов с числом осей от 350 до 400 включительно допускается производить отключение воздухораспределителей не более чем на 1/4 вагонов, а в поездах длиной более 400 осей - на 1/3 вагонов.
При этом при передаче вагонов на межгосударственных стыковых пунктах необходимо уведомлять принимающую сторону об отключении автотормозов грузовых порожних вагонов в составе поезда длиной более 350 осей.
Вагоны с отключенными воздухораспределителями должны быть равномерно расположены по длине состава, но не группами, при этом на пяти последних вагонах в хвосте состава автотормоза должны быть включены и исправно действовать.
Порядок переключения режимов воздухораспределителей устанавливается в технико-распорядительных документах владельца инфраструктуры.
При этом на пяти последних вагонах в хвосте поезда автоматические тормоза должны быть включены и исправно действовать, о чем делается отметка в "Справке об обеспечении поезда тормозами и исправном их действии".
[22] 3.7.8 Устанавливаются три вида опробования тормозов: полное и сокращенное опробования в поездах, технологическое опробование в грузовых поездах.
Полное опробование автоматических тормозов выполняется:
- на станциях формирования и оборота поездов перед их отправлением;
- после смены локомотива;
- перед отправлением поезда с промежуточной станции после его стоянки без локомотивной бригады;
- на станциях, разделяющих смежные гарантийные участки следования грузовых поездов, при техническом обслуживании состава без смены локомотива;
- на станциях, предшествующих перегонам с затяжными спусками, где остановка поезда предусмотрена графиком движения. Перед затяжными спусками крутизной 0,018 и круче полное опробование производится с 600 секундной (10 минутной) выдержкой в заторможенном состоянии. Перечень таких станций устанавливается владельцем инфраструктуры.
Полное опробование электропневматических тормозов производится на железнодорожных станциях формирования и оборота пассажирских поездов от стационарных устройств или локомотива в соответствии с Правилами технического обслуживания тормозного оборудования и управления тормозами железнодорожного подвижного состава.
Полное опробование тормозов в грузовых поездах:
При полном опробовании автоматических тормозов грузовых и грузопассажирских поездов выполняют:
- установку измерительного устройства для измерения давления в тормозной магистрали хвостового вагона;
- замер зарядного давления в тормозной магистрали хвостового вагона. Замер давления в тормозной магистрали хвостового вагона поезда выполнять после полной зарядки тормозной магистрали всего поезда. Показания давления в тормозной магистрали хвостового вагона при поездном положении управляющего органа крана машиниста не должны отличаться более чем:
а) на 0,03 МПа (0,3 кгс/см2) от зарядного давления в кабине машиниста (в голове) при длине поезда до 300 осей;
б) на 0,05 МПа (0,5 кгс/см2) при длине поезда более 300 до 400 осей включительно;
в) на 0,07 МПа (0,7 кгс/см2) при длине поезда более 400 осей;
- демонтаж измерительного устройства для измерения давления в тормозной магистрали хвостового вагона;
- проверку свободности прохождения сжатого воздуха до хвостового вагона и целостности тормозной магистрали поезда. Проверку осуществляют после полной зарядки тормозной сети поезда путем открытия последнего кошевого крана хвостового вагона на 8 - 10 секунд;
- замер времени отпуска автотормозов у двух последних вагонов в хвосте поезда (при длине грузового поезда свыше 100 осей) выполнять после полной зарядки тормозной магистрали, ступени торможения 0,05 - 0,06 МПа (0,5 - 0,6 кгс/см2) и получения информации о переводе машинистом управляющего органа крана машиниста в положение, обеспечивающее повышение давления в тормозной магистрали выше зарядного на 0,03 - 0,07 МПа (0,3 - 0,7 кгс/см2) до момента начала отхода колодок от колес. Торможение для замера времени отпуска выполнять после зарядки, но не менее чем по истечении 120 секунд (2 минут) после срабатывания датчика контроля состояния тормозной магистрали или снижения давления в тормозной магистрали при проверке ее целостности.
Временем отпуска автотормозов двух последних вагонов в хвосте поезда принимается наибольшее время отпуска вагонов;
- проверку плотности тормозной магистрали поезда при поездном положении управляющего органа крана машиниста.
На грузовых локомотивах, оборудованных устройством контроля плотности тормозной магистрали, проверку плотности производить по показанию этого устройства.
При поездном положении управляющего органа крана машиниста проверку проводят после отключения компрессоров по достижении в главных резервуарах локомотива предельного давления и последующего снижения этого давления на 0,04 - 0,05 МПа (0,4 - 0,5 кгс/см2) с замером времени дальнейшего снижения давления на 0,05 МПа (0,5 кгс/см2).
Для поездов с локомотивами в голове наименьшее допустимое время снижения давления при проверке плотности тормозной магистрали в зависимости от длины состава и объема главных резервуаров локомотивов указано в
таблице К3 приложения К.
- проверку действия автоматических тормозов вагонов поезда на торможение. Проверку проводят после снижения давления в тормозной магистрали поезда на 0,06 - 0,07 МПа (0,6 - 0,7 кгс/см2) с зарядного давления с последующим переводом управляющего органа крана машиниста в положение, обеспечивающее поддержание заданного давления в тормозной магистрали после торможения, по истечении 120 секунд (2 минут) для грузовых поездов, у которых все воздухораспределители включены на равнинный режим, и 600 секунд (10 минут) - при воздухораспределителях, включенных на горный режим.
Осмотрщики вагонов обязаны проверить состояние и действие тормозов по всему поезду у каждого вагона и убедиться в их нормальной работе на торможение по выходу штока тормозных цилиндров и прижатию колодок к поверхности катания колес.
- проверку плотности тормозной магистрали поезда в положении управляющего органа крана машиниста, обеспечивающего поддержание заданного давления в тормозной магистрали после торможения, выполняют замером плотности тормозной магистрали поезда, которая не должна отличаться от плотности при поездном положении управляющего органа крана машиниста более чем на 10% в сторону уменьшения.
На грузовых локомотивах, оборудованных устройством контроля, плотности тормозной магистрали, проверку плотности производить по показанию этого устройства.
- проверку действия автоматических тормозов вагонов поезда на отпуск.
После окончания проверки действия тормозов на торможение и последующий отпуск тормозов поезда установкой управляющего органа крана машиниста в поездное положение, осмотрщики вагонов обязаны проверить отпуск тормозов по всему поезду у каждого вагона и убедиться в их нормальной работе на отпуск по уходу штока тормозных цилиндров и отходу колодок от поверхности катания колес.
В грузовых поездах повышенной длины (длиной 350 осей и более) отпуск автотормозов производить постановкой органа управления крана машиниста в положение обеспечивающем повышение давления в тормозной магистрали выше зарядного до получения давления в уравнительном резервуаре на 0,05 - 0,07 МПа (0,5 - 0,7 кгс/см2) выше зарядного давления с последующим переводом органа управления крана машиниста в поездное положение.
Осмотрщики вагонов обязаны проверить отпуск тормозов по всему поезду у каждого вагона и убедиться в их нормальной работе на отпуск по уходу штока тормозных цилиндров и отходу колодок от поверхности катания колес.
При выявлении, не сработавших на отпуск, воздухораспределителей не разрешается выполнять их отпуск вручную до выяснения причин неотпуска. Все выявленные неисправности тормозного оборудования на вагонах должны быть устранены и действие тормозов у этих вагонов вновь проверено.
По окончании полного опробования тормозов выдается "Справка об обеспечении поезда тормозами и исправном их действии"
(форма ВУ-45).
Полное опробование тормозов в пассажирских поездах с локомотивной тягой:
Перед проведением полного опробования тормозов отключить источник питания электропневматического тормоза на локомотиве
При полном опробовании автоматических тормозов пассажирских поездов выполняют;
- проверку свободности прохождения сжатого воздуха до хвостового вагона состава поезда и целостности тормозной магистрали поезда проводит осмотрщик вагонов. Проверку осуществляют после полной зарядки тормозной сети поезда путем открытия последнего концевого крана хвостового вагона. При проверке целостности тормозной магистрали поезда необходимо убедиться в свободности прохождения сжатого воздуха по ней и срабатывании не менее двух ускорителей экстренного торможения воздухораспределителей на вагонах в голове и хвосте поезда.
При наличии в поезде более трети вагонов с включенными пассажирскими тормозами со ступенчатым отпуском (западноевропейского типа) перед проверкой целостности тормозной магистрали машинист должен перевести управляющий орган крана машиниста в положение, не обеспечивающее поддержания сжатого воздуха в тормозной магистрали после торможения, а после срабатывания автотормозов локомотива, снижения давления в тормозной магистрали и уравнительном резервуаре управляющий орган крана машиниста перевести в положение, обеспечивающее поддержание заданного давления в тормозной магистрали после торможения.
Отпуск тормозов поезда до зарядного давления производить установкой управляющего органа крана машиниста в положение, обеспечивающее повышение давления в тормозной магистрали выше зарядного и продолжить зарядку тормозной магистрали в поездном положении;
- проверку плотности тормозной магистрали поезда при отключенном питании тормозной магистрали поезда (комбинированным краном или краном двойной тяги), а на локомотивах, оборудованных краном машиниста, у которого передача команды управления от управляющего органа к исполнительным устройствам производится электрическим или иным способом разобщительный кран на тормозной магистрали (при наличии) к исполнительному устройству крана машиниста установить в закрытое положение). По истечении 20 секунд после отключения питания тормозной магистрали замеряют снижение давления в тормозной магистрали: снижение давления допускается не более чем на 0,02 МПа (0,2 кгс/см2) в течение 60 секунд (1 минуты) или 0,05 МПа (0,5 кгс/см2) - в течение 150 секунд (2,5 минут);
- проверку действия электропневматических тормозов на торможение и отпуск проводят при включенном источнике электрического питания электропневматического тормоза и выключенном переключателе дублированного питания проводов на локомотиве.
Проверку производят путем служебного торможения до получения давления в тормозных цилиндрах локомотива 0,10 - 0,20 МПа (1,0 - 2,0 кгс/см2). Во время торможения напряжение источника питания должно быть не ниже 45 В.
При положении служебного торможения управляющего органа крана машиниста на световом сигнализаторе пульта машиниста должна загореться лампа "Т", а при переводе управляющего органа крана в положение, обеспечивающее поддержание заданного давления в тормозной магистрали после торможения, лампа "Т" должна погаснуть и загореться лампа "П".
Осмотрщики вагонов обязаны проверить действие на торможение электропневматических тормозов во всем поезде и убедиться в их нормальной работе.
После проверки действия на торможение электропневматических тормозов необходимо отключить электрическое питание электропневматического тормоза на локомотиве и оставить управляющий орган крана машиниста в положении, обеспечивающее поддержание заданного давления после торможения. Через 15 - 25 секунд, когда произойдет отпуск тормозов в поезде, включить питание электропневматического тормоза на локомотиве.
Осмотрщики вагонов должны проверить отпуск тормозов у всех вагонов.
После этого машинист должен перевести орган управления крана машиниста в поездное положение и отключить электропневматический тормоз.
В случае выявления осмотрщиками неотпустившего тормоза у одного из вагонов неисправный электровоздухораспределитель должен быть заменен, а полное опробование электропневматических тормозов выполнено повторно с проверкой действия у отремонтированного вагона;
- напряжение в цепях электропневматического тормоза в режиме торможения на хвостовом вагоне должно быть более 30 В;
- проверку действия автоматических тормозов поезда на торможение и отпуск после полной зарядки тормозной сети.
Для проверки автотормозов на торможение необходимо снизить давление в уравнительном резервуаре за один прием на 0,05 - 0,06 МПа (0,5 - 0,6 кгс/см2) от зарядного давления.
Осмотрщики вагонов не ранее чем через 120 секунд (2 минуты) после выполненного торможения обязаны проверить состояние и действие тормозов по всему поезду у каждого вагона и убедиться в их нормальной работе на торможение по выходу штоков тормозных цилиндров и прижатию колодок к поверхности катания колес. На вагонах с дисковыми тормозами срабатывание на торможение вагонов проверяется по показаниям манометров и сигнализаторов торможения, расположенных на боковых стенах вагонов в видимой для осмотрщика зоне.
Перед затяжными спусками крутизной 0,018 и более полное опробование выполнять от локомотива или стационарного устройства установки с автоматической регистрацией параметров с выдержкой автотормозов в заторможенном состоянии в течение 600 секунд (10 минут), после чего осмотрщики вагонов приступают к проверке тормозов.
По окончании проверки действия автоматических тормозов на торможение с последующим отпуском тормозов с помощью крана машиниста осмотрщики вагонов должны проверить отпуск тормозов у каждого вагона по уходу штока тормозного цилиндра и отходу колодок от колес.
На вагонах с дисковыми тормозами отпуск тормозов проверяется по показаниям манометров и сигнализаторов торможения, расположенных на боковых стенах вагонов в видимой для осмотрщика зоне.
В случае выявления при выполнении полного опробования автотормозов в поезде с вагонами, оборудованными дисковыми тормозами, продолжительного времени выхода воздуха через кран машиниста после ступени торможения, опробование прекратить до устранения неисправности обратного клапана одного из вагонов.
Все выявленные неисправности тормозного оборудования на вагонах должны быть устранены и действие тормозов у этих вагонов вновь проверено.
Сокращенное опробование тормозов в грузовых поездах:
Сокращенное опробование автотормозов выполняется:
- после прицепки поездного локомотива к составу, если предварительно на станции было выполнено полное опробование автотормозов от стационарного устройства (станционной сети) или локомотива;
- при смене направления движения поезда и перестановки локомотива, для движения, поезда в противоположную сторону;
- после смены локомотивных бригад, когда локомотив от поезда не отцепляется;
- после всякого разъединения рукавов в поезде, перекрытия концевого крана в поезде, после соединения рукавов вследствие прицепки подвижного состава (в последнем случае - с проверкой действия тормоза у каждого прицепленного вагона).
Сокращенное опробование автотормозов в грузовых поездах дополнительно выполняется:
- при стоянке поезда, если установлено изменение плотности тормозной магистрали более чем на 20% от указанной в "Справке об обеспечении поезда тормозами и исправном их действии"
(форма ВУ-45);
- при самопроизвольном срабатывании автотормозов на стоянке;
- после стоянки поезда более 1800 секунд (30 минут) в местах, где имеются осмотрщики вагонов или работники, на которого эта обязанность возложена владельцем инфраструктуры;
- при движении грузового поезда при появлении признаков нарушения целостности тормозной магистрали в случае его остановки.
При сокращенном опробовании тормозов проверяют:
- плотность тормозной магистрали. Плотность тормозной магистрали поезда должна соответствовать данным "Справки об обеспечении поезда тормозами и исправном их действии"
(форма ВУ-45);
- срабатывание тормозов двух хвостовых вагонов на торможение и отпуск после снижения давления в уравнительном резервуаре локомотива на 0,06 - 0,07 МПа (0,6 - 0,7 кгс/см2) с зарядного давления.
Если сокращенное опробование тормозов в поездах выполняется после полного опробования от стационарной установки или локомотива, осмотрщики вагонов и машинист обязаны проверить:
- зарядное давление в магистрали хвостового вагона порядком, установленным как при полном опробовании тормозов;
- целостность тормозной магистрали поезда;
- плотность тормозной сети поезда при нахождении управляющего органа крана машиниста в положении, обеспечивающем поддержание заданного давления в тормозной магистрали;
- действие тормозов 2-х хвостовых вагонов на торможение порядком, установленным как при полном опробовании тормозов;
- плотность тормозной сети поезда после ступени торможения 0,06 - 0,07 МПа (0,6 - 0,7 кгс/см2) и перевода управляющего органа крана машиниста в положение, обеспечивающее поддержание заданного давления в тормозной магистрали после торможения, с проверкой действия тормозов 2-х хвостовых вагонов;
- отпуск тормозов поезда производить переводом органа управления крана машиниста в положение повышения давления в тормозной магистрали на 0,03 - 0,07 МПа (0,3 - 0,7 кгс/см2) выше зарядного давления с замером времени отпуска 2-х хвостовых вагонов (при длине грузового поезда менее 100 осей замер времени отпуска тормозов двух хвостовых вагонов не производится).
В грузовых поездах повышенной длины (длиной более 350 осей) отпуск автотормозов производить постановкой органа управления крана машиниста в положение обеспечивающем повышение давления в тормозной магистрали выше зарядного до получения давления в уравнительном резервуаре на 0,05 - 0,07 МПа (0,5 - 0,7 кгс/см
2) выше зарядного давления с последующим переводом органа управления крана машиниста в поездное положение. По окончании этого опробования машинисту вручается "Справка об обеспечении поезда тормозами и исправном их действии"
(форма ВУ-45) как при полном опробовании.
При прицепке к прибывшему поезду вагона или. группы вагонов выполняется проверка целостности и плотности тормозной магистрали поезда как при полном опробовании тормозов, а затем сокращенное опробование тормозов с обязательной проверкой действия у каждого прицепленного вагона с замеров времени отпуска двух последних вагонов.
Сокращенное опробование тормозов в пассажирских поездах
Сокращенное опробование автотормозов в пассажирских (почтово-багажных) и грузопассажирских поездах дополнительно выполняется:
- после стоянки поезда более 1200 секунд (20 минут);
- при снижении давления в главных резервуарах локомотива ниже 0,54 МПа (5,5 кгс/см2);
- после снижения давления в тормозной магистрали, когда причина не установлена.
При смене кабины управления или после передачи управления машинисту второго локомотива пассажирского или грузопассажирского поезда на перегоне, после остановки в связи с невозможностью дальнейшего управления его движением из головной кабины выполняется сокращенное опробование автотормозов.
Сокращенное опробование электропневматических тормозов выполняется:
- в пунктах смены локомотивов;
- в пунктах смены локомотивных бригад;
- в пунктах смены направления движения;
- при прицепке вагонов с проверкой действия тормоза на каждом прицепленном вагоне;
- при отцепке вагонов;
- после прицепки поездного локомотива к составу, если предварительно на станции было выполнено полное опробование электропневматических тормозов от стационарного устройства или локомотива
Перед проведением сокращенного опробования тормозов машинист обязан отключить источник питания электропневматического тормоза на локомотиве.
В пассажирских поездах выполняется сокращенное опробование сначала электропневматических тормозов, а затем автотормозов.
Опробование электропневматических тормозов выполняется порядком, аналогичным их полному опробованию с проверкой действия тормозов двух хвостовых вагонов.
При выполнении сокращенного опробования автотормозов проверяют срабатывание тормозов двух хвостовых вагонов на торможение и отпуск. Для проверки автотормозов на торможение необходимо снизить давление в уравнительном резервуаре за один прием на 0,05 - 0,06 МПа (0,5 - 0,6 кгс/см2) от зарядного давления. Отпуск производят переводом управляющего органа крана машиниста в поездное положение.
При прицепке к прибывшему поезду вагона или группы вагонов выполняется проверка целостности и плотности тормозной магистрали как при полном опробовании тормозов, а затем сокращенное опробование тормозов с обязательной проверкой их действия у каждого прицепленного вагона.
Опробование тормозов в поездах с составом из недействующих локомотивов или вагонов мотор-вагонного подвижного состава:
Опробование автотормозов в сплотках из недействующих (холодном) локомотивов или вагонов мотор-вагонного подвижного состава выполняют осмотрщик вагонов совместно с проводниками сплоток. При этом проверяются выход штоков всех тормозных цилиндров и соответствие их нормативам, указанным в руководстве по эксплуатации локомотива.
После полного опробования тормозов осмотрщиком вагонов выдается "Справка об обеспечении поезда тормозами и исправном их действии"
(форма ВУ-45).
На станциях опробование автотормозов в сплотке из действующих локомотивов выполняется работниками локомотивных бригад без вручения машинисту ведущего локомотива "Справки об обеспечении поезда тормозами и исправном их действии"
(форма ВУ-45), а данные о количестве, номерах и сериях локомотивов, тормозном нажатии с учетом веса и тормозных средств ведущего локомотива, дате, времени полного опробования автотормозов, плотности тормозной магистрали машинист ведущего локомотива записывает в журнал технического состояния локомотива и расписывается вместе с помощником.
Ответственность за проверку правильности установки кранов в кабинах локомотивов сплотки и опробование автотормозов возлагается на локомотивную бригаду ведущего (головного) локомотива.
Особенности опробования тормозов в поездах повышенного веса и длины:
ПРИ ПОСТАНОВКЕ ЛОКОМОТИВА В ГОЛОВЕ СОСТАВА
Подготовку и опробование тормозного оборудования в составе выполнять от стационарного устройства (зарядное давление 0,49 - 0,51 МПа (5,0 - 5,2 кгс/см2). При раздельной подготовке и опробовании автотормозов в двух составах, находящихся на разных путях, от стационарных установок или локомотивов с последующим их соединением зарядное давление для составов должно быть 0,47 - 0,49 МПа (4,8 - 5,0 кгс/см2). Такие же зарядные давления должны иметь локомотивы, обеспечивающие маневровые передвижения этих составов при их соединении.
Порядок подготовки и опробования автотормозов составов должен быть отражен в технико-распорядительных документах владельца инфраструктуры.
После объединения предварительно подготавливаемых на разных путях станции составов, прицепки поездного локомотива, соединения рукавов тормозной магистрали и открытия концевых кранов, зарядки сжатым воздухом проверяется:
- целостность тормозной магистрали поезда;
- зарядное давление в магистрали хвостового вагона порядком, установленным как при полном опробовании тормозов. Показания давления в тормозной магистрали хвостового вагона должно быть не менее 0,45 МПа (4,6 кгс/см2);
- плотность тормозной сети поезда при нахождении управляющего органа крана машиниста в положении, обеспечивающем поддержание заданного давления в тормозной магистрали;
- плотность тормозной сети поезда после ступени торможения 0,06 - 0,07 МПа (0,6 - 0,7 кгс/см2) и перевода управляющего органа крана машиниста в положение обеспечивающее поддержание заданного давления в тормозной магистрали после торможения, с проверкой действия тормозов 2-х хвостовых вагонов с замером времени их отпуска.
По окончании этого опробования машинисту вручается "Справка об обеспечении поезда тормозами и исправном их действии"
(форма ВУ-45) как при полном опробовании.
При опробовании автотормозов сформированного поезда от локомотива не менее чем через 120 секунд (2 минуты) после ступени торможения при нахождении управляющего органа крана машиниста в положении, обеспечивающем поддержание заданного давления в тормозной магистрали после торможения, проверить плотность тормозной магистрали поезда аналогично установленной проверке при поездном положении управляющего органа крана машиниста. При этом плотность тормозной магистрали поезда при положении управляющего органа, крана машиниста в положении, обеспечивающем поддержание заданного давления в тормозной магистрали не должна уменьшиться более чем на 10%.
Значение давления в магистрали хвостового вагона поезда записать в "Справку об обеспечении поезда тормозами и исправном их действии"
(форма ВУ-45). Величину давления в магистрали хвостового вагона определять по показанию специального манометра, подсоединенного к рукаву тормозной магистрали хвостового вагона.
При опробовании тормозов соединенного поезда с автономными тормозными магистралями:
В длинносоставных поездах в зимнее время на станции с одним осмотрщиком вагонов по разрешению владельца инфраструктуры допускается отметку о выполнении сокращенного опробования тормозов в "Справках об обеспечении поезда тормозами и исправном их действии"
(форма ВУ-45) выполнять машинисту поезда.
При опробовании тормозов соединенного поезда с объединенной тормозными магистралями
Полное опробование автотормозов у поездов, подлежащих соединению на станции, выполняется у каждого состава раздельно с выдачей машинистам "Справки об обеспечении поезда тормозами и исправном их действии"
(Форма ВУ-45).
После соединения поездов и объединения тормозной магистрали необходимо проверить целостность тормозной магистрали в составе поезда и исправное действие датчиков контроля состояния тормозной магистрали локомотивов обоих поездов.
При формировании поездов на станциях, имеющих пункты технического обслуживания, в каждом из составов, подлежащих объединению, должно выполняться полное опробование автотормозов до их объединения. После объединения составов, до зарядки и проверки плотности тормозной магистрали проверяют целостность тормозной магистрали между локомотивами, распределенными по составу, по срабатыванию сигнальной лампы датчика контроля состояния тормозной магистрали.
В этих случаях порядок выдачи "Отправки об обеспечении поезда тормозами и исправном их действии"
(форма ВУ-45) устанавливает руководитель подразделения владельца инфраструктуры.
Для проверки плотности тормозной магистрали при поездном положении управляющего органа крана машиниста принимать следующие допускаемые минимальные значения времени снижения давления в главных резервуарах на 0,05 МПа (0,5 кгс/см2) в зависимости от числа осей в составе на каждые 1000 л объема главных резервуаров.
Число осей | 351 - 400 | 401 - 500 | 501 - 600 | 601 - 700 | 701 - 780 |
Время, с | 15 | 13 | 10 | 9 | 8 |
При подключении в голову состава локомотива (локомотивов) с большим объемом главных резервуаров указанное время определяется путем пропорционального увеличения в зависимости от увеличившегося их объема.
Отпуск автотормозов выполнять с завышением давления в уравнительном резервуаре на 0,05 - 0,06 МПа (0,5 - 0,6 кгс/см2) выше зарядного давления.
Особенности опробования тормозов у пересылаемого мотор-вагонного подвижного состава:
Опробование автотормозов у пересылаемого мотор-вагонного подвижного состава производят осмотрщики вагонов вместе с проводниками мотор-вагонного подвижного состава, а там, где нет работника вагонного хозяйства, - проводники мотор-вагонного подвижного состава. После полного опробования тормозов машинисту ведущего локомотива выдается "Справка об обеспечении поезда тормозами и исправном их действии"
(форма ВУ-45).
На станции отправления, где не предусмотрены должности осмотрщиков вагонов, опробование автотормозов производят работники, на. которых эта обязанность возложена владельцем инфраструктуры, вместе с проводниками моторвагонного подвижного состава. На таких станциях полное опробование автотормозов производится без вручения машинисту ведущего локомотива "Справки об обеспечении поезда тормозами и исправном их действии"
(форма ВУ-45), а данные о количестве вагонов и серии мотор-вагонного подвижного состава, тормозном нажатии с учетом веса и тормозных средств ведущего локомотива, дате, времени полного опробования автотормозов, плотности тормозной сети машинист ведущего локомотива записывает на скоростемерной ленте и в журнал технического состояния локомотива установленной формы, хранящийся на этом локомотиве, и расписывается вместе с помощником.
Технологическое опробование тормозов в грузовых поездах:
Технологическое опробование тормозов в грузовых поездах производится локомотивной бригадой в следующих случаях:
- после передачи управления машинисту второго локомотива:
- при смене кабины управления или после передачи управления машинисту второго локомотива на перегоне после остановки поезда в связи с невозможностью дальнейшего управления движением поезда из головной кабины;
- при снижении давления в главном резервуаре ниже 0,54 МПа (5,5 кгс/см2);
- при прицепке дополнительного локомотива в голову грузового поезда для следования по одному или нескольким перегонам и после отцепки этого локомотива;
- при стоянке грузовых поездов более 1800 секунд (30 минут) на перегонах, станциях, обгонных пунктах, где нет осмотрщиков вагонов или работников, на которых эта обязанность возложена владельцем инфраструктуры.
Технологическое опробование тормозов производится по действию тормозов вагонов в головной части поезда, количество вагонов определяется владельцем инфраструктуры, но не менее чем по 5 вагонам.
Машинист после восстановления зарядного давления обязан проверить:
- плотность тормозной магистрали при поездном положении управляющего органа крана машиниста, которая не должна отличаться от плотности, указанной в "Справке об обеспечении поезда тормозами и исправном их действии"
(форма ВУ-45), более чем на 20% в сторону уменьшения или увеличения (при изменившемся объеме главных резервуаров вследствие передачи управления машинисту второго локомотива изменить эту норму и установить контроль (пропорционально объему главных резервуаров). Если при проверке плотности тормозной магистрали машинист обнаружит изменение более чем на 20% от указанной величины в "Справке об обеспечении поезда тормозами и исправном их действии"
(форма ВУ-45), выполняется сокращенное опробование автотормозов с отметкой в "Справке об обеспечении поезда тормозами и исправном их действии"
(форма ВУ-45).
- действие тормозов на торможение и отпуск на вагонах в головной части поезда, конкретное количество которых, но не менее пяти, устанавливается в технико-распорядительных документах владельца инфраструктуры в зависимости от количества осей и условий вождения поездов. Проверка проводится при ступени торможения 0,06 - 0,07 МПа (0,6 - 0,7 кгс/см2).
Если на локомотиве, оборудованном датчиком контроля состояния тормозной магистрали, его сигнальная лампа загорается на стоянке, проверить исправность датчика ступенью торможения, при которой сигнальная лампа должна погаснуть. Убедившись в работоспособности датчика контроля состояния тормозной магистрали, выполнить сокращенное опробование автотормозов.
На станциях, где имеются штатные осмотрщики вагонов, в случаях, указанных в п. 71 и 72 "Правил технического обслуживания тормозного оборудования и управления тормозами железнодорожного подвижного состава", сокращенное опробование выполняется осмотрщиками по заявке машиниста, а где эта должность не предусмотрена - работниками, на которых эта обязанность возложена владельцем инфраструктуры.
Если в хвост грузового поезда прицеплен подталкивающий локомотив, тормозная магистраль которого включена в общую магистраль поезда, и радиосвязь действует исправно или при наличии автоматической системы, позволяющей машинисту контролировать величину давления в тормозной магистрали хвостового вагона, то контроль состояния тормозной магистрали поезда, в указанных выше случаях, соответственно выполняют машинист подталкивающего локомотива по показаниям манометра тормозной магистрали и срабатыванию сигнальной лампы датчика состояния тормозной магистрали или машинист головного локомотива по показаниям индикатора автоматической системы. Плотность и целостность тормозной магистрали при этом не проверять, а также не выполнять торможение и отпуск автотормозов.
Перед отправлением поезда машинист подталкивающего локомотива обязан сообщить по радиосвязи величину давления в тормозной магистрали хвостового вагона машинисту головного локомотива.
3.7.9 В зимних условиях осмотрщик обязан дополнительно:
1) особое внимание обращать на плотность фланцевых соединений тормозных приборов и манжет тормозных цилиндров;
2) перед соединением рукавов тормозной магистрали необходимо очистить головки соединительных рукавов от грязи, льда и снега, проверить состояние уплотнительных колец, при необходимости зачистить поверхности электрических контактов головок рукавов наждачным полотном, продуть ее сжатым воздухом. Негодные уплотнительные кольца заменить. Запрещается наносить смазку на кольца.
3) при продувке тормозной магистрали перед соединением рукавов необходимо убедиться в свободном проходе воздуха. Замерзший тормозной цилиндр необходимо вскрыть (утечка воздуха по штоку), вынуть поршень, очистить рабочую поверхность цилиндра, протереть ее сухой технической салфеткой и смазать смазкой ЖТ-79Л или ПЛАСМА-Т5. Негодную манжету заменить. После сборки цилиндра зарядить тормозную магистраль до величины зарядного давления, затем произвести полное служебное торможение и в течение 120 секунд отпуск тормоза не должен произойти;
4) при температуре окружающего воздуха - 25 °C и ниже при полном и сокращенном опробовании тормозов производить замеры времени отпуска тормозов двух хвостовых вагонов и величину зарядного давления в тормозной магистрали хвостового вагона;
5) при опробовании автотормозов и обнаружении воздухораспределителей, не чувствительных к торможению и отпуску, а также с наличием замедленного отпуска закрепить фланцы, осмотреть и очистить пылеулавливающую сетку и фильтр, после чего повторить проверку действия тормоза, в случае неудовлетворительного результата проверки воздухораспределитель заменить;
6) при плохой подвижности деталей рычажной передачи смазать их шарнирные соединения сезонным осевым маслом с добавлением керосина, образовавшийся лед удалить при первой возможности. Не допускается отправлять в поезде вагоны с тормозными колодками, которые не отходят от колес вследствие замораживания тормозной рычажной передачи.
Во время отправления поезда со станции осмотрщик-автоматчик отслеживает состояние тормозов вагонов всего поезда. В случае обнаружения вагонов с неисправностями, угрожающими безопасности движения, принять меры к немедленной остановке поезда, принять решение об устранении неисправностей или отцепке вагона и дальнейшем следовании поезда.
Требования к выполнению технического обслуживания тормозного оборудования грузовых вагонов приведены в главе II Приложения 1, а пассажирских вагонов локомотивной тяги и вагонов пассажирского типа - в главе III Приложения 1 "Правил технического обслуживания тормозного оборудования и управления тормозами железнодорожного подвижного состава".
3.8.1 Запрещается постановка в поезда и следование в них вагонов, у которых в раме имеется хотя бы одна из следующих неисправностей:
- излом или трещина, переходящая с горизонтальной на вертикальную полку хребтовой, боковой, шкворневой или концевой балки, трещины в узлах сочленения хребтовой и шкворневой балок;
- продольные трещины в балках рамы длиной более 300 мм;
- трещины в надпятниковой плите (фланце) пятника длиной более 30 мм;
- вертикальные, продольные и наклонные трещины любой длины, если они проходят более чем через одно отверстие для болтов или заклепок (в усиливающих планках или накладках, ранее поставленных при ремонте на балках рамы, не допускаются изломы и трещины те же, что и в самих балках рамы, трещины, перекрытые накладками, не учитываются);
- обрыв сварного шва, обрыв или отсутствие заклепки заклепочного соединения, ослабление, обрыв или отсутствие деталей болтового крепления пятника к раме вагона;
- длина вертикальных или наклонных трещин, расположенных на одной стенке балки, более 100 мм при измерении по вертикали между концами трещин;
- обрыв по сварке или разрыв накладок, соединяющих верхние листы поперечных балок рамы полувагона с нижним обвязочным угольником;
- трещины или разрывы верхнего или вертикального листа поперечной шкворневой или концевой балок рамы;
- вертикальные прогибы продольных балок у четырех- и шестиосных грузовых вагонов более 100 мм (в случае выявления замеряется на расстоянии между шкворневыми балками);
- трещины любой длины в рамах длиннобазных платформ;
- отсутствие одного и более балансиров у вагонов для перевозки автомобилей модели 11-287.
3.8.2 У пассажирских вагонов, включаемых в поезда, трещины в балках рамы не допускаются.
Запрещается постановка в поезда и следование в них вагонов, кузова которых имеют хотя бы одну из следующих неисправностей:
грузовые вагоны
- обрыв сварного шва соединения стойки с обвязкой или балкой рамы, обрыв раскоса;
- повреждения крыши, обшивки, пола, потолочных или боковых люков, если груз может быть испорчен вследствие попадания влаги, выпасть на путь или быть похищенным, неисправность кровли, создающая опасность отрыва ее листов;
- отсутствие двери или дверного упора. Повреждение крепления или изгиб дверных рельсов или повреждение направляющих, угрожающие падением двери на путь;
- перекос кузова более 75 мм;
- зазор между шкворневой балкой и боковой рамой тележки у груженых цистерн менее 30 мм;
- уширение кузова вагона более 75 мм на одну сторону;
- отсутствие крышки люка или створки двери у полувагона. Обрыв хотя бы одного шарнирного соединения в крышке люка, неисправность запора крышки люка или торцовых дверей, которая может вызывать самопроизвольное их открывание или падение;
- излом верхней обвязки полувагона, обрыв по сварке или разрыв накладок, соединяющих верхнюю обвязку кузова полувагона в угловом месте соединения элементов верхних обвязок торцевой и продольной стен при наличии трещин выходящих на наружную, видимую для осмотрщика вагонов, часть верхней обвязки.
- повреждения бортов, досок и металлического настила пола, петель и запоров у платформы, которые могут вызвать падение бортов, груза или выход их за габарит;
- специализированные платформы, груженные крупнотоннажными контейнерами, у которых в узлах крепления контейнера хотя бы один фитинговый упор отсутствует либо не фиксируется в вертикальном рабочем положении, погнут, имеет трещину;
- трещины в котлах цистерн, которые вызывают течь груза;
- продольные и поперечные трещины в опорных листах и местах их приварки к котлам безрамных цистерн длиной более 300 мм;
- неисправности сливных приборов у цистерн, приводящие к потере груза, отсутствие запорных крышек сливных приборов;
- открытые крышки сливных приборов, крышки колпаков и откидных колпаков специальных цистерн;
- отсутствие, ослабление или обрыв пояса котла цистерны, сдвиг котла;
- неисправности и повреждения, нарушающие прочность крепления поручней, подножек и переходных площадок;
- открытые загрузочные люки, не зафиксированные специальным фиксатором штурвалы привода механизма разгрузки у вагонов для перевозки цемента, трещины в сварных соединениях кронштейнов крепления привода механизма разгрузки, обрыв крепления крышки загрузочного люка вагона-хоппера для зерна;
- трещины и пробоины кузовов, неисправности механизмов разгрузки приводящие к потере груза, у вагонов для перевозки минеральных удобрений, окатышей и агломерата;
- открытые переездные площадки у платформ для перевозки автомобилей.
В вагонах-думпкарах, кроме указанных неисправностей, не допускаются:
- повреждение механизма открывания бортов, механизма блокировки, проворачивания собачки, отогнутый или не совпадающий с опорой более 15 мм шип; отсутствие противовеса валика или шплинта в рычагах механизма открывания бортов или валика опоры кузова;
- ослабление болтов крепления корпуса амортизатора;
- излом ушка разгружающего цилиндра, обрыв упоров от перемещения кузова.
пассажирские вагоны
- перекос кузова более 50 мм;
- трещина в валике крепления переходной площадки;
- трещина, излом или отсутствие деталей крепления аккумуляторного ящика, в раме крепления установки кондиционирования и другого подвагонного оборудования;
- отказ генератора или предохранителей в его силовых цепях и цепях аккумуляторной батареи;
- отказ в системе люминесцентного освещения, при котором отсутствует освещение в салоне вагона, неисправность выключателя, дросселя, преобразователя люминесцентного освещения, якоря, щеткодержателя, а также замыкание на корпус;
- нарушение регулировки регулятора напряжения генератора реле обратного тока, реле минимального напряжения: неисправность щита стабилизатора, угольных столбов, пакетного переключателя, контрольно-измерительных приборов; ослабшие или подгоревшие контакты;
- отказ системы контроля нагрева букс или наличие сигнала о замыкании одной из цепей потребителей на корпус вагона, при котором горит только один из двух световых индикаторов контроля текущего состояния изоляции;
- пробой (отказ) высоковольтной магистрали или высоковольтной коммутирующей аппаратуры в цепи нагревательных элементов котла и печей электроотопления;
- отказ в цепи управления вентилятора, электродвигателя вентилятора, конденсатора;
- нарушение регулировки терморегулирующего вентиля, неисправность компрессора, конденсатора, ослабшие ремни, срабатывание автоматической защиты;
- отсутствие пломбы на кожухе "угольного" регулятора напряжения генератора.
Кроме перечисленного, не допускается отправление пассажирских вагонов с пункта формирования или оборота, если:
- не закреплены аккумуляторные батареи и перемычки;
- неисправны противовзрывные клапаны, болты подвески, система вентиляции и запоры крышек аккумуляторных ящиков;
- низкий, менее 10 мм, уровень электролита в аккумуляторных батареях, а также короткозамкнутые элементы;
- отсутствует фреон в системе охлаждения в летнее время;
- загрязнены воздушные фильтры;
- нарушена регулировка вентилятора;
- нарушена работа термоавтоматики в режимах охлаждения и. отопления;
- неисправно реле высокого давления;
- имеется утечка фреона в системе охлаждения;
- не герметичен трубопровод или сливной бак вакуумного туалета.
- не надежно закреплен сливной бак. Шплинты на гайках крепления должны быть на месте и не иметь трещин, забоев и сколов. Все узлы крепления должны быть надежно затянуты.
Осмотр и ремонт пассажирских вагонов с системой высоковольтного отопления должны производиться в соответствии с требованиями, которые применительно к местным условиям предусматриваются в рабочем технологическом процессе, разработанном с соблюдением требований правил техники электробезопасности.
3.10.1 Осмотр состояния всех типов привода генератора производят на пунктах формирования и оборота пассажирских поездов, в пути следования на пунктах технического обслуживания в порядке, предусмотренном Инструкцией по техническому содержанию оборудования пассажирских вагонов.
3.10.2 Состояние резьбовых креплений приводов контролировать обстукиванием независимо от целостности проволочной обвязки.
У приводов вагонных генераторов от средней части оси контролируется состояние крепления и положение редуктора относительно оси колесной пары:
- зазор в блоках резиновых амортизаторов опоры против скручивания. Амортизаторы блоков подвески генераторов DUGG-28B и DCG 4435/2, 2ГВ.003 и 2ГВ.008 проверяют по размеру "А", в соответствии с
рисунком 3.44 [33], который должен составлять не менее:
1) для амортизаторов под буквами а), б), в), д) - 40 мм;
2) для амортизаторов под буквами г), е) на втулочной посадке - 89 мм;
3) для амортизаторов под буквами г), е) без втулочной подвески - 37,5 мм.
Амортизаторы, имеющие видимые трещины и надрывы, заменить.
- зазоры между генераторами 2ГВ.003, 2ГВ.008 и основаниями, а также дополнительными и предохранительными скобами должен быть от 5 до 8 мм. При большей величине зазора в пункте оборота резиновые амортизаторы должны быть заменены новыми, а в пути следования (на станции) - демонтировать карданный вал.
а) DUGG-28B и DCG 4435/24/2a3; б) DUGG-28B (с буртиком 4
мм); в) RGA4-32; г, д) блок подвески генераторов вагонов
ТВЗ; е) универсальный амортизатор подвесок генераторов
DUGG-28B и DCG 4435/24/2a3.
[33] Рисунок 3.44 Амортизаторы подвески генераторов
В опоре редукторов К-0192.000.000 производства ООО "ИВП-ЭД" ослабление болтов крепления опоры на кронштейне поперечного бруса рама тележки, а также люфт в упругих шарнирах опоры не допускается. Запрещается установка в опору К-0192.000.000 деталей опоры конструкции Германии.
3.10.3 Запрещается постановка в поезда и следование в них вагонов, у которых привод генератора имеет хотя бы одну из следующих неисправностей:
- сдвиг редукторов на средней части оси колесной пары. Признаком сдвига редуктора относительно оси колесной пары является разрыв контрольных линий, нанесенных с обеих сторон торцовых фланцев редуктора и вдоль оси колесной пары, перекос стальных и резиновых вкладышей, выдавливание резиновых муфт ведущего фланца редуктора. Проворачивание редуктора на оси колесной пары, определяемое смещением контрольных линий, не является браковочным признаком, однако требует более тщательной проверки исправности редуктора;
- ослабление шпилек крепления редуктора от торца оси, промежуточной части редуктора, ослабление болтов крепления опоры против скручивания редуктора от средней части оси, предохранительных устройств, карданных валов, фрикционной и эластичной муфт или отсутствие обвязочной проволоки крепительных болтов, где это предусмотрено чертежами;
- наличие льда на карданном валу или следов касания о предохранительные скобы или другие детали тележки. Погнутость, вмятины, пробоины трубы и другие механические повреждения карданного вала, центробежной и эластичной муфт сцепления;
- недостаток (отсутствие) или загрязнение смазки в редукторе;
- повреждение сшивки, надрыв и расслоение плоских ремней привода;
- температура корпуса редуктора в местах установки подшипников, шарниров карданного вала и фрикционной муфты сцепления превышает 70 °C. При повышенной температуре нагрева, привод должен быть демонтирован;
- люфт в креплении ведущего шкива клиноременного редукторно-карданного привода (ТРКП) и клиноременно-карданного привода (ТК-2) к торцу оси. При наличии зазора производят перемонтаж узла крепления шкива к торцу оси колесной пары с выкаткой колесной пары;
- обрыв или трещина резиновых вкладышей шарниров, вала привода генератора от торца, а также вмятины корпусов шарниров;
- трещины и отколы шкивов клиноременно-карданного и плоскоременного приводов;
- зазор в посадке зубчатого колеса на валу редуктора;
- износ и изгиб болта натяжного устройства ТРКП более 5 мм. Высота пружины натяжного устройства ремней привода ТРКП должна быть при ее рабочем состоянии 100 +/- 5 мм, а в приводе ТК-2 - 110 +/- 5 мм;
- посторонний шум при работе редуктора.
В пути следования пассажирского поезда, необходимо сменить колесную пару при обнаружении следующих неисправностей привода генератора:
- заклинивания, сдвига редуктора на средней части оси;
- обрыва резины эластичной муфты редуктора от торца шейки оси, приведшего к загрязнению смазки буксы, а также попаданию в буксу редукторного масла марки ТМ-9П;
- обрыва болтов крепления эластичной муфты редуктора от торца шейки оси при невозможности вывертывания болтов из резьбовых гнезд на торце шейки оси;
- обрыв шпилек;
- разработки резьбовых гнезд крепления промежуточной части редуктора от торца шейки оси;
- ослабления крепления специальной гайки М110 ТРКП, приведшего к дефектам резьбы торца колесной пары.
Кроме того, в пунктах формирования и оборота пассажирских поездов запрещается ставить в поезда вагоны, редукторно-карданные приводы которых имеют:
- просроченный или истекающий в пути следования срок ревизии привода (определяется по трафарету на корпусе хвостовика редуктора или бирке);
- суммарный зазор в зацеплении шестерен более 2,5 мм у редуктора привода от торца оси; измеренный на дуге диаметром 120 мм при покачивании карданного вала, и более 3 мм у редукторов, с приводом от средней части, измеренный на дуге диаметром 100 мм ступицы шарнира, более 3 мм;
- зазор между дисками фрикционной муфты привода МАБ-П менее 0,8 или более 2,6 мм;
- расстояние между фланцами хвостовика редуктора и генератора (муфты), не соответствующее размеру: привода от торца оси 1376 +/- 2 мм; привода от средней части оси 1454 +/- 5 мм;
- утечку смазки через лабиринтное уплотнение, наличие редукторной смазки на диске колесной пары, отсутствие или недостаток смазки в игольчатых подшипниках шарниров и шлицевых соединениях карданных валов, выявленные по наличию ржавчины в этих узлах;
некомплектность приводных ремней ТРКП или ТК-2.
3.10.4 В зависимости от характера повреждения приводов в пути следования поезда работники ПТО и поездная бригада при неисправностях в приводе от средней части оси колесной пары, в приводе от торца оси колесной пары и приводе с ременной передачей должны руководствоваться требованиями, приведенными в
таблице 3.9.
| | ИС МЕГАНОРМ: примечание. Нумерация таблиц дана в соответствии с источником опубликования. | |
Неисправности привода генератора
Характерный признак | Неисправность | Действие поездной бригады в пути следования и работы, производимые на ПТО, пунктах формирования и оборота |
Привод от средней части оси колесной пары |
Греется центробежная муфта сцепления | Заклинило подшипник генератора или муфты, зазор между дисками трения не соответствует значениям 0,8 - 2,6 мм | Демонтировать карданный вал и продолжать движение до пункта формирования и оборота |
Нехарактерный шум при движении поезда | Погнут или помят карданный вал | То же |
Не передается вращение генератору | Разрушена эластичная муфта привода ВБА | На ближайшем ПТО, в пункте оборота заменить эластичную муфту или демонтировать карданный вал |
Стук, толчки при работе привода | Разрушена опора моментов | Демонтировать карданный вал и принять меры к закреплению опоры, а в пункте формирования или оборота отремонтировать |
Не вращается подшипник ведомого вала, проворот, сдвиг редуктора на оси. Возможны поломка зубьев шестерен и юз колесной пары | Заклинило подшипник ведомого вала | На перегоне или промежуточной станции отвернуть от ведомого вала девять болтов с шестигранной головкой М12х60 и три болта М12х40. Ввернуть три отжимных болта М12х80 в отверстия трех болтов М12х40. При этом ведомый вал должен выдвинуться из корпуса настолько, что зубья шестерен выйдут из зацепления. В этом положении ведомый вал в комплекте, зафиксировать тремя болтами М12х80. На ближайшем ПТО, пункте оборота или формирования заменить колесную пару с редуктором |
Не вращается генератор, проворот, сдвиг редуктора. Нехарактерный звук при работе привода | Заклинило подшипник полого вала | На перегоне промежуточной станции демонтировать карданный вал. Демонтировать опору моментов с опорным и аварийным плечами. Вынуть ведомый вал в комплекте из корпуса редуктора. При этом редуктор будет свободно вращаться на оси колесной пары. Скорость движения не более 30 км/ч. На ближайшем ПТО, пункте формирования или оборота заменить колесную пару с редуктором |
Разрыв контрольных линий, перекос стальных и резиновых вкладышей, выдавливание резинового кольца ведущего фланца редуктора | Сдвиг редуктора относительно оси колесной пары | На перегоне или промежуточной станции демонтировать карданный вал и со скоростью не выше 30 км/ч следовать до ближайшего ПТО, пункта формирования или оборота. По прибытии заменить колесную пару с редуктором. |
Наличие зазора редукторного вала более 3 мм, определяемого зазором в сцеплении шестерен и соединениях других деталей при покачивании карданного вала вокруг продольной оси (зазор измеряют на радиусе 100 мм). | На промежуточной станции демонтировать карданный вал. В пункте формирования или оборота произвести перемонтаж редуктора с выкаткой колесной пары |
Примечание. На технических станциях, где нет приписного парка пассажирских вагонов, допускается заменять колесные пары с редуктором от средней части на колесные пары без редуктора. Колесная пара с отказавшим редуктором должна быть отправлена в депо приписки вагона в трехдневный срок. |
Привод от торца оси колесной |
Сорвана предохранительная муфта приводов РК, проскальзывание, нагрев ременной передачи | Заклинило ротор генератора | На перегоне или промежуточной станции демонтировать приводной вал привода РК. Снять приводные ремни |
Обрыв резиновой муфты, посторонние шумы. Чрезмерный нагрев редуктора, возможна поломка зубьев шестерен. Генератор не обеспечивает питание потребителей электроэнергией | Заклинило редуктор приводов РК, | На перегоне или промежуточной станции демонтировать приводной вал и редуктор, вместо которого установить буксовую крышку. На ближайшем ПТО произвести промежуточную ревизию буксового узла |
Шум при работе привода | Помят или изогнут приводной вал приводов РК, или карданный вал привода ТРК, разрушение его подшипников | На промежуточной станции демонтировать приводной или карданный вал или снять ремни и продолжать движение до пункта оборота или формирования, где произвести ремонт |
Обрыв проволочной обвязки | Ослабли гайки шпилек М20 или шпилек М12 приводов РК | На промежуточной станции или ПТО подтянуть гайки. Проверить состояние их затяжки на последующих станциях. В пункте оборота или формирования произвести перемонтаж редуктора. |
Наличие зазора редуктора приводов РК, более 2,5 мм, определяемого зазором в зацеплении шестерен и соединениях других деталей при покачивании приводного вала вокруг продольной оси зазор измеряют на радиусе 120 мм | На промежуточной станции демонтировать приводной вал. В пункте формирования или оборота отремонтировать детали приводного вала и произвести перемонтаж редуктора |
Повышенный уровень шума. Генератор не обеспечивает потребителей электроэнергией | Обрыв или трещина резинового элемента (вкладыша) приводного вала редуктора приводов РК | На промежуточной стадии демонтировать приводной вал и продолжать движение до пункта оборота или формирования и отремонтировать детали |
Люфт шкива | Ослабление узла крепления ведущего шкива привода ТРК или ТК-2 с зубчатой фиксацией, наличие люфта ведущего шкива | На промежуточной станции снять ремни. На ближайшем ПТО, пункте формирования или оборота произвести перемонтаж узла с выкаткой колесной пары |
Проскальзывание, обрыв ремней, нагрев шкивов | Заклинило редуктор привода ТРК | На перегоне или промежуточной станции снять ремни, в пункте оборота или формирования заменить редуктор |
Сдвиг или проворот шкива плоскоременного или текстропного привода от средней части оси | На ближайшем ПТО демонтировать ремни, в пункте оборота или формирования произвести перемонтаж шкива |
(обязательное)
СРЕДСТВА ИЗМЕРЕНИЙ, ИНСТРУМЕНТ И ПРИНАДЛЕЖНОСТИ ОБЩЕГО
ПОЛЬЗОВАНИЯ НА ПТО
Наименование | Количество |
Толщиномер для измерения толщины обода колеса (черт. Т 447.07.000 СБ) | 1 |
Шаблон абсолютный (черт. Т 447.05.000 СБ) | 1 |
Шаблон для измерения вертикального подреза гребня (черт. Т 447.08.000 СБ) | 1 |
Шаблон для определения положения клина относительно надрессорной балки в эксплуатации (черт. Т 914.19.000 СБ) | 1 |
Шаблон для проверки автосцепки N 873 (Т 416.38.000 СБ) | 1 |
Устройство для измерения высоты оси автосцепки над уровнем головки рельса (черт. Т 1339.00.000 СБ) | 1 |
Ломик-лапа для извлечения чек тормозных колодок (рекомендуемый) | 1 |
Ломик-калибр для контроля износа элементов контура зацепления автосцепок при растянутых вагонах Т 416.00.023 (для ПТО станций производящих техническое обслуживание пассажирских поездов с пролазкой) | не менее 1 (исходя из штатного расписания ПТО) |
Приспособление для установления зоны браковки остроконечного наката гребня Т 1436.000 | 1 |
Бесконтактный термометр "Кельвин" (технические условия МФКВ.К1.02.003 ТУ) или аналогичный, обеспечивающий точность измерений | 1 |
Досмотровая штанга УД 01.2/0,35-0,6 | 1 |
Ключи гаечные с открытым зевом, односторонние размером 41, 50, 60 мм ГОСТ 2841-80, комплект | 1 |
Зубило слесарное ГОСТ 7211-86 | 1 |
Кувалда ГОСТ 11401-75 | 1 |
Манометр переносной с верхним пределом измерения 1 МПа (10 кгс/см2), класс точности 1 ГОСТ 2405-88 | 1 |
Щуп для выявления неисправностей в буксовом узле Т 1427.00.000 или аналогичный | 1 |
Штангенциркуль ШЩ-1-150-0,1 ГОСТ 166-89 | 1 |
Примечание - На ПТО должны быть переносные диски и фонари ограждения путей в количестве, установленным рабочим технологическим процессом.
(обязательное)
ИНСТРУМЕНТ И ПРИНАДЛЕЖНОСТИ СЛЕСАРЕЙ ПТО
Наименование | Количество |
Слесарь по ремонту пневматического оборудования вагонов |
Ключ трубный рычажный ГОСТ 18981-73 | 1 |
Ключи гаечные двусторонние, размерами 14x17; 17x19; 22x24; 24x27 мм ГОСТ 10112-2001, комплект | 1 |
Молоток слесарный массой 0,5 кг ГОСТ 2310-77 | 1 |
Бородок слесарный ГОСТ 7214-72 | 1 |
Отвертка ГОСТ 17199-88 | 1 |
| 1 |
Емкость для мыльного раствора в летнее время | 1 |
Кисть волосяная | 1 |
Ящик для инструмента | 1 |
Слесарь по ремонту вагонов |
Молоток слесарный массой 0,5 кг ГОСТ 2310-77 | 1 |
Ключи гаечные двусторонние, размерами 22x24; 24x27; 30x32 мм ГОСТ 10112-2001, комплект | 1 |
Зубило слесарное ГОСТ 7211-86 | 1 |
Бородок слесарный ГОСТ 7214-72 | 1 |
Рулетка металлическая ГОСТ 7502-98 | 1 |
Кронциркуль | 1 |
Линейка ГОСТ 427-75 | 1 |
Фонарь ГОСТ 4677-74 | 1 |
Ящик для инструмента | 1 |
(обязательное)
ИНСТРУМЕНТ И ПРИНАДЛЕЖНОСТИ ОСМОТРЩИКОВ ВАГОНОВ
Наименование | Количество |
Осмотрщик вагонов |
Ломик для проверки действия предохранителя от саморасцепа Т 416.00.024 | 1 |
Ломик-калибр для контроля износа элементов контура зацепления автосцепок при растянутых вагонах Т 416.00.023 (для ПТО станций производящих техническое обслуживание пассажирских поездов с пролазкой) | 1 |
Рулетка металлическая ГОСТ 7502-98 | 1 |
Портативная малогабаритная радиостанция | 1 |
Набор щупов для замера зазоров скользунов (черт. Т 914.21.000 СБ) | 1 |
Шаблон абсолютный (черт. Т 447.05.000 СБ) | 1 |
Шаблон для измерения вертикального подреза гребня (черт. Т 447.08.000 СБ) | 1 |
Шаблон для определения положения клина относительно надрессорной балки в эксплуатации (черт. Т 914.19.000 СБ) | 1 |
Шаблон для проверки автосцепки N 873 (Т 416.38.000 СБ) | 1 |
Щуп для выявления неисправностей в буксовом узле Т 1427.00.000 или аналогичный | 1 |
Толщиномер для измерения толщины обода колеса (черт. Т 447.07.000 СБ) | 1 |
Приспособление для установления зоны браковки остроконечного наката гребня Т 1436.000 | 1 |
Кронциркуль | 1 |
Линейка ГОСТ 427-75 | 1 |
Лупа 10x увеличения ГОСТ 25706-83 | 1 |
Зеркало ГОСТ 17716-2014 | 1 |
| 1 |
Молоток типа I, массой 0,2 кг ГОСТ 2310-77, с ручкой длиной 0,6 - 0,7 м (черт. 1352.003.) | 1 |
Сумка для инструмента универсальная СУ-1 (ТУ-001-24-95) | 1 |
Осмотрщик-ремонтник вагонов Кроме инструмента и принадлежностей для осмотрщика вагонов, осмотрщик-ремонтник должен иметь: |
Зубило слесарное ГОСТ 7211-86 | 1 |
Ключи гаечные двусторонние, размерами 22x24; 24x27; 30x32 мм ГОСТ 10112-2001, комплект | 1 |
Бородок слесарный ГОСТ 7214-72 | 1 |
Молоток слесарный массой 0,5 кг ГОСТ 2310-77 | 1 |
Осмотрщик вагонов по обслуживанию пневматического оборудования вагонов |
Молоток слесарный массой 0,5 кг ГОСТ 2310-77 | 1 |
Ключи гаечные двусторонние, размерами 17x19; 14x17; 22x24; 24x27 мм ГОСТ 10112-2001, комплект | 1 |
Ключ трубный рычажный ГОСТ 18981-73 | 1 |
Рулетка металлическая ГОСТ 7502-98 | 1 |
Фонарь ГОСТ 4677-74 | 1 |
Сумка для инструмента универсальная СУ-1 (ТУ-001-24-95) | 1 |
Примечание - Конкретный перечень инструмента и принадлежностей устанавливается рабочим технологическим процессом каждого ПТО.
(обязательное)
СРОКИ ПРОВЕДЕНИЯ ДЕПОВСКОГО И КАПИТАЛЬНОГО РЕМОНТОВ
ГРУЗОВЫХ И ПАССАЖИРСКИХ ВАГОНОВ КУРСИРУЮЩИХ
В МЕЖГОСУДАРСТВЕННОМ СООБЩЕНИИ
Нормативы срока службы и периодичности проведения
капитального ремонта грузовых вагонов по критерию
календарной продолжительности эксплуатации
N п/п | Род грузового вагона | Назначенный срок службы, лет <*> | Капитальный ремонт после постройки, лет | Капитальный ремонт после капитального ремонта, лет |
1 | 2 | 3 | 4 | 5 |
| КРЫТЫЕ | | | |
1.1. | Универсальные постройки до 1985 г | 32 | 12 | 10 |
1.2. | Универсальные постройки с 1985 г, | 32 | 13 | 12 |
1.3. | Для перевозки зерна | 30 | 15 | - |
1.4. | Для перевозки минеральных удобрений и сырья минеральных удобрений | 26 | 10 | 8 |
1.5. | Для перевозки апатитового концентрата и апатита | 24 | 10 | 8 |
1.6. | Для перевозки автомобилей | 30 | 15 | - |
1.7. | Для перевозки скота | 30 | 8 | 8 |
1.8. | Для перевозки цемента | 26 | 12 | 9 |
1.9. | Для перевозки гранулированной сажи | 24 | 13 | - |
1.10 | Для перевозки гранулированной серы | 24 | 12 | - |
1.11. | Для перевозки муки | 30 | 15 | - |
1.12. | Для перевозки бумаги | 32 | 13 | 12 |
1.13. | Для перевозки гранулированных полимеров | 30 | 10 | 10 |
1.14. | Для перевозки технического углерода | 22 | 11 | - |
1.15. | Для перевозки холоднокатаной стали | 32 | 13 | 12 |
1.16. | Переоборудованные из рефрижераторного подвижного | 25 | 16 | - |
| ПЛАТФОРМЫ | | | |
2.1. | Универсальные | 32 | 15 | 12 |
2.2 | Для перевозки большегрузных контейнеров, крупнотоннажных контейнеров и колесной техники | 32 | 17 | - |
2.3 | Для перевозки автомобилей двухъярусные | 30 | 15 | - |
2.4 | Для перевозки рулонной стали, листовой стали, заготовок колес, колесных пар, труб, рельсов | 32 | 17 | - |
2.5. | Для перевозки леса в хлыстах | 32 | 17 | - |
2.6. | Для перевозки лесоматериалов | 32 | 17 | - |
2.7. | Контейнеровозы, переоборудованные из полувагонов | 22 | - | - |
2.8. | Контейнеровозы, переоборудованные из крытых вагонов | 32 | - | - |
| ПОЛУВАГОНЫ | | | |
3.1. | Постройки до 1985 г. | 22 | - | 8 |
3.2. | Постройки с 1985 г. | 22 | 11 | - |
3.3. | Для перевозки окатышей и агломерата | 15 | 4 | 4 |
3.4. | Для перевозки битума | 30 | 5 | 5 |
3.5. | Для перевозки кокса | 15 | 4 | 4 |
3.6. | Для перевозки сыпучих металлургических грузов | 20 | 5 | 5 |
3.7. | Для перевозки технологической щепы | 22 | 11 | - |
3.8. | Для перевозки торфа | 22 | 11 | - |
3.9. | Для перевозки глинозема с разгрузочными бункерами | 25 | 10 | 10 |
3.10. | Думпкары | 22 | 10 | 7 |
3.11. | Хоппер-дозаторы | 25 | 10 | 8 |
| ЦИСТЕРНЫ | | | |
| Нефтебензиновые четырехосные постройки до 1985 г. | 32 | - | 8 |
4.2. | Нефтебензиновые четырехосные постройки с 1985 г. | 32 | 13 | 12 |
4.3. | Восьмиосные нефтебензиновые | 32 | 11 | 11 |
4.4. | Для перевозки вязких нефтепродуктов | 32 | 10 | 10 |
4.5. | Для перевозки кислоты 4-х и 8-ми осные (серной, слабой азотной, соляной, фенола, суперфосфатной, уксусной, олеума) | 18 | 5 | 5 |
4.6. | Для перевозки улучшенной серной кислоты | 18 | 6 | 6 |
4.7. | Для перевозки меланжа | 13 | 4 | 3 |
4.8. | Для перевозки спиртов и пищевых продуктов (спирта, виноматериалов, плодоовощных соков, молока) | 30 | 10 | 10 |
4.9. | Для перевозки пропана, аммиака, углеводородных газов | 40 | 10 | 10 |
4.10. | Для перевозки хлора, этиловой жидкости, ацетальдегида, винилхлорида, пентана, желтого фосфора | 24 | 6 | 6 |
4.11. | Для перевозки кальцинированной соды, поливинилхлорида, капролактама, жидкого пека, пасты сульфанола, серы, расплавленной серы | 24 | 12 | - |
4.12. | Для перевозки ядохимикатов, бензола | 24 | 6 | 6 |
4.13 | Для перевозки метанола | 24 | 10 | 8 |
4.14 | Для перевозки цемента | 28 | 10 | 10 |
| Для тяжелых порошкообразных грузов | 24 | 6 | 6 |
4.16 | | - | 5 | 4 |
| РЕФРИЖЕРАТОРНЫЕ | | | |
5.1 | 5-вагонная секция ЦА-5 | 25 | 16 | - |
5.2 | 5-вагонная секция БМЗ | 25 | 16 | - |
5.3 | 5-вагонная секция ЦБ-5 | 25 | 16 | - |
5.4 | Автономный рефрижераторный вагон, включая на трехосных тележках | 25 | 16 | - |
5.5 | АРВ с сопровождением | 25 | 16 | - |
5.6 | Вагон-термос (800) на тележках модели 18-100 | 25 | 16 | - |
5.7 | ИВ-термос переоборудованный из грузового вагона РС, включая на трехосных тележках | 25 | 16 | - |
5.8 | С теплоизоляцией переоборудованные из универсальных крытых постройки до 1985 г. | 32 | 12 | 10 |
5.9 | С теплоизоляцией, переоборудованные из универсальных крытых постройки с 1985 г. | 32 | 13 | 12 |
| ВАГОНЫ СПЕЦИАЛЬНОГО НАЗНАЧЕНИЯ | | | |
6.1 | Цистерны рельсошлифовальных поездов | - | 4 | 4 |
6.2 | Восстановительных поездов | - | 16 | 16 |
6.3 | Пожарных поездов, передвижных и весовых мастерских, вагоны-раздатчики материально-технического снабжения, весоповерочные, путевых машинных станций, дистанций пути, щебеночных заводов, дистанций энергоснабжения | - | 15 | 15 |
6.4 | Крытые вагоны, оборудованные под жилье, маслоочистительные станции, шефмонтажные летучки | | 15 | 15 |
| ТРАНСПОРТЕРЫ | | | |
7.1 | Транспортер платформенного типа | 35 | 12 | 12 |
7.2 | Транспортер площадочного типа | 35 | 12 | 12 |
7.3 | Транспортер сцепного типа | 35 | 12 | 12 |
7.4 | Транспортер колодцевого типа | 35 | 12 | 12 |
7.5 | Транспортер сочлененного типа | 35 | 9 | 9 |
Примечание: <*> - приводятся справочно
Нормативы периодичности проведения деповского ремонта
грузовых вагонов по комбинированному критерию
N п/п | Род грузового вагона | Первый после постройки | После деповского ремонта | После капитального ремонта |
Тыс. км | В годах | | в годах | Тыс. км. | в годах |
1 | 2 | 3 | 4 | 5 | 6 | 7 | 8 |
| КРЫТЫЕ | | | | | | |
1.1 | Универсальные | 210 | 3 | 110 | 3 | 160 | 3 |
1.2 | Для перевозки зерна | 210 | 3 | 110 | 3 | 160 | 3 |
1.3 | Для перевозки минеральных удобрений и сырья минеральных удобрений | 210 | 3 | 110 | 2 | 160 | 2 |
1.4 | Для перевозки апатитового концентрата, апатита | 210 | 3 | 110 | 2 | 160 | 2 |
1.5 | Для перевозки автомобилей | 210 | 3 | 110 | 3 | 160 | 3 |
1.6 | Для перевозки скота | 210 | 3 | 110 | 2 | 160 | 2 |
1.7 | Для перевозки цемента | 210 | 3 | 110 | 2 | 160 | 2 |
1.8 | Для перевозки гранулированной сажи | 210 | 3 | 110 | 2 | 160 | 2 |
1.9 | Для перевозки гранулированной серы | 210 | 3 | 110 | 2 | 160 | 2 |
1.10 | Для перевозки муки | 210 | 3 | 110 | 3 | 160 | 3 |
1.11 | Для перевозки бумаги | 210 | 3 | 110 | 3 | 160 | 3 |
1.12 | Для перевозки гранулированных полимеров | 210 | 3 | 110 | 2 | 160 | 2 |
1.13 | Для перевозки технического углерода | 210 | 3 | 110 | 2 | 160 | 2 |
1.14 | Для перевозки холоднокатаной стали | 210 | 3 | 110 | 3 | 160 | 3 |
1.15 | Переоборудованные из рефрижераторного подвижного состава на тележках модели 18-100 | - | - | 110 | 3 | 160 | 3 |
1.16 | Переоборудованные из рефрижераторного подвижного состава на тележках модели КВЗ И2, Дессау | - | - | 160 | 3 | 160 | 3 |
| ПЛАТФОРМЫ | | | | | | |
2.1 | Универсальные | 210 | 3 | 110 | 3 | 160 | 3 |
2.2 | Для перевозки большегрузных контейнеров, крупнотоннажных контейнеров и колесной техники | 210 | 3 | 120 | 3 | 210 | 3 |
2.3 | Платформы для перевозки крупнотоннажных контейнеров на тележках модели 18-9771 | | 4 | 160 | 3 | 210 | 3 |
2.4 | Для перевозки автомобилей двухъярусные | 210 | 3 | 110 | 3 | 160 | 3 |
2.5 | Для перевозки рулонной стали, листовой стали, заготовок, колес, колесных пар | 210 | 3 | 110 | 3 | 160 | 3 |
2.6 | Для перевозки леса в хлыстах | 210 | 3 | 110 | 3 | 160 | 3 |
2.7 | Для перевозки лесоматериалов | 210 | 3 | 110 | 3 | 160 | 3 |
2.8 | Контейнеровозы, переоборудованные из полувагонов | - | - | 110 | 3 | - | - |
2.9 | Контейнеровозы, переоборудованные из крытых | - | - | 110 | 3 | - | - |
| ПОЛУВАГОНЫ | | | | | | |
3.1 | Универсальные, глуходонные, с глухим кузовом постройки с 2004 г на тележках моделей 18-578, 18-7020, 18-9771 | | 4 | 160 | 3 | 160 | 3 |
| Универсальные, глуходонные, с глухим кузовом | 210 | 3 | 110 | 2 | 160 | 2 |
3.3 | Для перевозки окатышей и агломерата | 210 | 3 | 110 | 2 | 160 | 2 |
3.4 | Для перевозки битума | 210 | 3 | 110 | 2 | 160 | 2 |
3.5 | Для перевозки кокса | 210 | 3 | 110 | 2 | 160 | 2 |
3.6 | Для перевозки сыпучих металлургических грузов | 210 | 3 | 110 | 2 | 160 | 2 |
3.7 | Для перевозки технологической щепы | 210 | 3 | 110 | 3 | 160 | 3 |
3.8 | Для перевозки торфа | 210 | 3 | 110 | 3 | 160 | 3 |
3.9 | Для перевозки глинозема с разгрузочными бункерами | 210 | 3 | 110 | 2 | 160 | 2 |
3.10 | Думпкары | 210 | 3 | 110 | 2 | 160 | 2 |
3.11 | Хоппер-дозаторы | 210 | 3 | 110 | 3 | 160 | 3 |
| ЦИСТЕРНЫ | | | | | | |
| Четырехосные нефтебензиновые четырехосные | 210 | 3 | 110 | 3 | 160 | 3 |
4.2 | Восьмиосные нефтебензиновые | 210 | 3 | 110 | 2 | 160 | 2 |
4.3 | Для перевозки вязких нефтепродуктов | 210 | 3 | 110 | 3 | 160 | 3 |
4.4 | Для перевозки кислоты 4-х и 8-ми осные (серной, слабой азотной, соляной, фенола, суперфосфатной, уксусной, олеума) | 210 | 2 | 110 | 2 | 160 | 2 |
4.5 | Для перевозки улучшенной серной кислоты | 210 | 2 | 110 | 2 | 160 | 2 |
4.6 | Для перевозки меланжа | 210 | 2 | 110 | 2 | 160 | 2 |
4.7 | Для перевозки спиртов и пищевых продуктов (спирта, виноматериалов, плодоовощных соков, молока) | 210 | 3 | 110 | 2 | 160 | 2 |
4.8 | Для перевозки пропана, аммиака, углеводородных газов | 210 | 2 | 110 | 2 | 160 | 2 |
4.9 | Для перевозки хлора, этиловой жидкости, ацетальдегида, винилхлорида, пентана, желтого фосфора | 210 | 2 | 110 | 2 | 160 | 2 |
4.10 | Для перевозки кальцинированной соды, поливинилхлорида, капролактама, жидкого пека, пасты сульфанола, серы, расплавленной серы | 210 | 3 | 110 | 2 | 160 | 2 |
4.11 | Для перевозки ядохимикатов, бензола, метанола | 210 | 2 | 110 | 2 | 160 | 2 |
| Для перевозки цемента и других тяжелых порошкообразных грузов | 210 | 3 | 110 | 2 | 160 | 2 |
4.13 | | 210 | 2 | 110 | 2 | 160 | 2 |
| РЕФРИЖЕРАТОРНЫЕ | | | | | | |
5.1 | 5-вагонная секция ЦА-5 | - | - | 150 | 2,5 | 150 | 2,5 |
5.2 | 5-вагонная секция БМЗ | 210 | 3 | 150 | 2,5 | 150 | 2,5 |
5.3 | 5-вагонная секция ЦБ-5 | 210 | 3 | 150 | 2,5 | 150 | 2,5 |
5.4 | Автономный рефрижераторный вагон | 210 | 3 | 150 | 2,5 | 150 | 2,5 |
5.5 | АРВ с сопровождением | 210 | 3 | 150 | 2,5 | 150 | 2.5 |
5.6 | Вагон-термос (800) на тележках модели 18-100 | 210 | 3 | 110 | 3 | 160 | 3 |
5.7 | ИВ-термос переоборудованный из грузового вагона РС | - | - | 150 | 2,5 | 150 | 2,5 |
5.8 | С теплоизоляцией переоборудованные из универсальных крытых | - | - | 110 | 3 | 160 | 3 |
Примечание:
<*> Грузовым вагонам на тележках Тип 2 по
ГОСТ 9246-2004 отремонтированных по
РД 32 ЦВ 052-2009 с установкой износостойких элементов в узлах трения, норматив пробега после производства деповского ремонта до следующего планового ремонта устанавливается в размере 160,0 тыс. километров при сохранении предельной календарной продолжительности межремонтного периода, установленного в таблице Г2.
Полувагонам, указанным в
пункте 3.2, на тележках Тип 2 по
ГОСТ 9246-2004 отремонтированным с установкой износостойких элементов в узлах трения, норматив пробега после производства планового вида ремонта до следующего планового вида ремонта устанавливается в размере 160,0 тыс. километров при календарной продолжительности эксплуатации вагонов 3 года.
<**> Применение в подшипниках буксовых узлов всех типов смазки ЛЗ-ЦНИИ(у), Буксол, ЗУМ позволяет устанавливать пробег до первого деповского ремонта 450 тыс. километров.
Применение кассетных и сдвоенных подшипников обеспечивающих гарантированную наработку на отказ не менее 500 тыс. км пробега позволяет устанавливать аналогичный пробег для грузовых вагонов.
Нормативы периодичности проведения деповского ремонта
грузовых вагонов по единичному критерию
N п/п | Род вагона | Деповской ремонт по единичному критерию календарной продолжительности эксплуатации вагона, после |
Постройки | ДР в период до 1-го КР | ДР в период после 1-го КР | КР |
1 | 2 | 3 | 4 | 5 | 6 |
| КРЫТЫЕ | | | | |
1.1 | Универсальные постройки до 1985 г. | | | | |
| - с деревянной и комбинированной обшивкой кузова | - | 1 | 1 | 2 |
| - с цельнометаллическим кузовом | - | 2 | 1 | 2 |
1.2 | Универсальные постройки с 1985 г. | 3 | 2 | 2 | 2 |
1.3 | Для перевозки зерна | 3 | 2 | 2 | 2 |
1.4 | Для перевозки минеральных удобрений и сырья минеральных удобрений | 2 | 1 | 1 | 2 |
1.5 | Для перевозки апатитового концентрата, апатита | 2 | 1 | 1 | 2 |
1.6 | Для перевозки автомобилей | 3 | 2 | 2 | 2 |
1.7 | Для перевозки скота | 2 | 1 | 1 | 2 |
1.8 | Для перевозки цемента | 3 | 2 | 2 | 2 |
1.9 | Для перевозки гранулированной сажи | 3 | 2 | 1 | 2 |
1.10 | Для перевозки гранулированной серы | 2 | 1 | 1 | 2 |
1.11 | Для перевозки муки | 3 | 2 | 1 | 2 |
1.12 | Для перевозки бумаги | 3 | 2 | 1 | 2 |
1.13 | Для перевозки гранулированных полимеров | 2 | 2 | 1 | 2 |
1.14 | Для перевозки технического углерода | 3 | 2 | 1 | 2 |
1.15 | Для перевозки холоднокатаной стали | 3 | 2 | 1 | 2 |
1.16 | Переоборудованные из рефрижераторного подвижного состава на тележках модели 18-100 | - | 2 | 2 | 2 |
1.17 | Переоборудованные из рефрижераторного подвижного состава на тележках модели КВЗ И2, Дессау | - | 2 | 2 | 2 |
| ПЛАТФОРМЫ | | | | |
2.1 | Универсальные | 3 | 2 | 2 | 2 |
2.2 | Для перевозки большегрузных контейнеров, крупнотоннажных контейнеров и колесной техники | 3 | 2 | 2 | 3 |
2.3 | Для перевозки автомобилей двухъярусные | 3 | 2 | 2 | 2 |
2.4 | Для перевозки рулонной стали, листовой стали, заготовок, колес, колесных пар, труб, рельсов | 3 | 1 | 1 | 2 |
2.5 | Для перевозки леса в хлыстах | 3 | 2 | 1 | 2 |
2.6 | Для перевозки лесоматериалов | 3 | 2 | 1 | 2 |
2.7 | Контейнеровозы, переоборудованные из полувагонов | - | 1 | - | - |
2.8 | Контейнеровозы, переоборудованные из крытых | - | 1 | - | - |
| ПОЛУВАГОНЫ | | | | |
3.1 | Постройки до 1985 г. | - | 1 | 1 | 2 |
3.2 | Постройки с 1985 г. | 3 | 1 | 1 | 2 |
3.3 | Для перевозки окатышей и агломерата | 2 | 1 | 1 | 2 |
3.4 | Для перевозки битума | 2 | 1 | 1 | 2 |
3.5 | Для перевозки кокса | 2 | 1 | 1 | 2 |
3.6 | Для перевозки сыпучих металлургических грузов | 2 | 1 | 1 | 2 |
3.7 | Для перевозки технологической щепы | 3 | 2 | 1 | 2 |
3.8 | Для перевозки глинозема с разгрузочными бункерами | 2 | 1 | 1 | 2 |
3.9 | Для перевозки торфа | 3 | 2 | 1 | 2 |
3.10 | Думпкары | 3 | 2 | 1 | 2 |
3.11 | Хоппер-дозаторы | 3 | 2 | 1 | 1 |
| ЦИСТЕРНЫ | | | 1 | |
| Нефтебензиновые четырехосные постройки до 1985 г. | - | 1 | 1 | 2 |
4.2 | Нефтебензиновые четырехосные постройки с 1985 г. | 3 | 1 | 1 | 2 |
4.3 | Нефтебензиновые восьмиосные | 2 | 1 | 1 | 2 |
4.4 | Для перевозки вязких нефтепродуктов | 2 | 1 | 1 | 2 |
4.5 | Для перевозки кислоты 4-х и 8-ми осные (серной, слабой азотной, соляной, фенола, суперфосфатной, уксусной, олеума) | 2 | 1 | 1 | 1 |
4.6 | Для перевозки улучшенной серной кислоты | 2 | 1 | 1 | 1 |
4.7 | Для перевозки меланжа | 2 | 1 | 1 | 1 |
4.8 | Для перевозки спиртов и пищевых продуктов (спирта, виноматериалов, плодоовощных соков, молока) | 3 | 1 | 1 | 2 |
4.9 | Для перевозки пропана, аммиака, углеводородных газов | 2 | 1 | 1 | 2 |
4.10 | Для перевозки хлора, этиловой жидкости, ацетальдегида, винилхлорида, пентана, желтого фосфора | 2 | 1 | 1 | 1 |
4.11 | Для перевозки кальцинированной соды, поливинилхлорида, капролактама, жидкого пека, пасты сульфанола, серы, расплавленной серы | 3 | 1 | 1 | 2 |
4.12 | Для перевозки ядохимикатов, бензола, метанола | 2 | 1 | 1 | 1 |
| Для перевозки цемента и других тяжелых порошкообразных грузов | 3 | 1 | 1 | 2 |
4.14 | | 2 | 1 | 1 | 2 |
| РЕФРИЖЕРАТОРНЫЕ | | | | |
5.1 | 5-вагонная секция ЦА-5 | - | 1,5 | 1,5 | 1,5 |
5.2 | 5-вагонная секция БМЗ | 2 | 1,5 | 1,5 | 1,5 |
5.3 | 5-вагонная секция ЦБ-5 | 2 | 1,5 | 1,5 | 1,5 |
5.4 | Автономный рефрижераторный вагон, включая на трехосных тележках | 2 | 1,5 | 1,5 | 1,5 |
5.5 | АРВ с сопровождением | 2 | 1,5 | 1,5 | 1,5 |
5.6 | Вагон-термос (800) на тележках модели 18-100 | 2 | 2 | 2 | 2 |
5.7 | ИВ-термос переоборудованный из грузового вагона РС, включая на трехосных тележках | - | 2 | 2 | 2 |
5.8 | С теплоизоляцией переоборудованные из универсальных крытых постройки до 1985 г. | | | | |
| - с деревянной и комбинированной обшивкой кузова | - | 1 | 1 | 2 |
| - с цельнометаллическим кузовом | - | 2 | 1 | 2 |
5.9 | С теплоизоляцией переоборудованные из универсальных крытых постройки с 1985 г. | 3 | 2 | 2 | 2 |
| ВАГОНЫ СПЕЦИАЛЬНОГО НАЗНАЧЕНИЯ | | | | |
6.1 | Цистерны рельсошлифовальных поездов | 2 | 2 | 2 | 2 |
6.2 | Восстановительных поездов | 4 | 4 | 4 | 4 |
6.3 | Пожарных поездов, передвижных и весовых мастерских, вагоны-раздатчики материально-технического снабжения, весоповерочные, путевых машинных станций, дистанций пути, щебеночных заводов, дистанций энергоснабжения | 3 | 3 | 3 | 3 |
6.4 | Крытые вагоны, оборудованные под жилье, маслоочистительные станции, шефмонтажные летучки | 3 | 3 | 3 | 3 |
| ТРАНСПОРТЕРЫ | | | | |
7.1 | Транспортер платформенного типа | 3 | 3 | 3 | 3 |
7.2 | Транспортер площадочного типа | 3 | 3 | 3 | 3 |
7.3 | Транспортер сцепного типа | 3 | 3 | 3 | 3 |
7.4 | Транспортер колодцевого типа | 3 | 3 | 3 | 3 |
7.5 | Транспортер сочлененного типа | 3 | 3 | 3 | 3 |
7.6 | Служебные вагоны для сопровождения большегрузных транспортеров | 3 | 3 | 3 | 3 |
Сроки проведения капитального, деповского ремонтов
и технического обслуживания ТО-3 пассажирских вагонов
N ПП | Типы вагонов | Виды и периодичность технического обслуживания и ремонта |
ТО-3 | Деповской ремонт | Капитальный ремонт |
Пробег км | Календ. срок не более | Пробег км | Календ. срок не более | КР-1 | КР-2 | КВР не ранее |
| Цельнометаллические пассажирские вагоны курсирующие в международном сообщении между государствами Содружества, Латвии, Литвы, Эстонии | | | | | | | |
1.1 | Вагоны-рестораны всех модификаций | - | 6 мес. | - | 1 год | 4 года | 16 лет | 24 года |
1.2 | Вагоны-дизельэлектростанции | - | 6 мес. | - | 1 год | 5 лет | 20 лет | 20 лет |
1.3 | Купейные, некупейные, межобластные | 150000 | 6 мес. | 300000 | 2,5 | 5 лет | 20 лет | 20 лет |
1.4 | Габарита РИЦ, мягкие и СВ | 150000 | 6 мес. | 300000 | 2,5 | 5 лет | 20 лет | 20 лет |
1.5 | Багажные, почтовые, почтово-багажные, вагоны для спецконтингента | - | 6 мес. | - | 1 год | 5 лет | 20 лет | - |
| Цельнометаллические пассажирские вагоны специального назначения | | | | | | | |
1 | Вагоны служебные | - | 1 год | - | 3 года | 10 лет | - | - |
1.2 | Вагоны для перевозки высших должностных лиц государства | - | 1 год | - | 2 года | 6 лет | - | - |
2 | Вагоны специально-технические | | | | | | | |
2.1 | Тормозо-измерительные, врачебно-санитарные, вагоны-клубы, динамометрические вагоны, рельсошлифовальные и др. вагоны специально-технического назначения | - | 1 год | - | 2 года | 10 лет | 20 лет | - |
2.2 | Вагоны дефектоскопы, путеизмерители | - | 6 мес | - | 2 года | 10 лет | 20 лет | - |
2.3 | Вагоны турные (для персонала, обслуживающего путевую технику ж.д.) | - | 1 год | - | 3 года | 10 лет | - | - |
2.4 | Вагоны восстановительных и пожарных поездов, путеобследовательские и мостообследовательские, дорожные лаборатории службы пути | - | 1 год | - | 4 года | 15 лет | - | - |
2.5 | Вагоны товароразвозки, вагоны лавки | - | 1 год | - | 2 года | 10 лет | - | - |
2.6 | Вагоны-автомобилевозы, вагоны-гаражи на базе пассажирских вагонов | - | 6 мес. | - | 2,5 года | 5 лет | 20 лет | 20 лет |
3 | Специальные вагоны: | - | 1 год | - | 3 года | 12 лет | 24 года | - |
4 | Вагоны организаций и промышленных предприятий | | | | | | | |
4.1 | Вагоны Центробанка | - | 1 год | - | 2 года | 10 лет | 20 лет | - |
4.2 | Вагоны министерств и ведомств | - | 1 год | - | 3 года | 10 лет | 20 лет | - |
5 | Вагоны узкой колеи | | | | | | | |
5.1 | Постройки по 1980 год включительно | - | 6 мес. | - | 1 год | 6 лет | 20 лет | - |
5.2 | Постройки с 1981 года | | 6 мес. | - | 2 года | 8 лет | 20 лет | - |
6 | Вагоны поездов международного сообщения, курсирующих между железными дорогами колеи 1435 и 1520 мм: | | | | | | | |
- при скорости поезда до 120 км/ч; | - | 6 мес. | - | 2 года | 5 лет | 20 лет | 20 лет |
- при скорости поезда 121 - 160 км/ч | - | 6 мес. | - | 1,5 года | 5 лет | 20 лет | 20 лет |
7 | Вагоны поездов курсирующих в скоростных пассажирских поездах со скоростью 161 - 200 км/ч | 150 000 | 6 мес. | 300 000 | 1 год | 5 лет | 10 лет | - |
Примечание:
1 При производстве всех видов ремонта и технического обслуживания пассажирских вагонов запрещается обезличивание тележек.
2 Все пассажирские вагоны после постройки и прошедшие КР-2 и КВР первым деповским ремонтом ремонтируются через два года, первым капитальным ремонтом КР-1 через 6 лет.
3 Тележкам колеи 1435 мм международного сообщения производить ТО-3 через каждые 6 месяцев после постройки и планового вида ремонта.
4 Сроки производства деповского, капитального (КР-1 и КР-2) ремонта вагона специального назначения, предусмотренным настоящей таблицей, устанавливаются железнодорожной администрацией или владельцем инфраструктуры.
5 Переоборудование пассажирских вагонов под служебно-технические и другие типы вагонов допускается производить не менее чем через 20 лет после их постройки.
6 Вагон, не прошедший капитальный ремонт в объеме КР-2, может быть отремонтирован в объеме капитально-восстановительного ремонта (КВР) не ранее чем через 20 лет.
Периодичность и сроки проведения ТО-3 и ДР пассажирских
вагонов, оборудованных деталями повышенного ресурса
Тип пассажирских вагонов | Периодичность, тыс. км/месяц |
для пассажирских вагонов с колесными парами с роликовыми подшипниками | для пассажирских вагонов с колесными парами с кассетными подшипниками |
ТО-3 | ДР | ТО-3 | ДР |
I Цельнометаллические пассажирские вагоны, используемые в пассажирских перевозках |
1.1 Мягкие, СВ, габарита РИД | 250/12 | 500/36 | 300/12 | 600/36 |
1.2 Купейные, некупейные, межобластные |
1.3 Вагоны-рестораны всех модификаций |
1.4 Вагоны всех типов с назначенным сроком службы 40 лет |
1.5 Багажные, багажно-почтовые | 250/12 | 500/24 | 300/12 | 600/24 |
1.6 Вагоны, эксплуатирующиеся со скоростями движения 141 - 200 км/час | 150/6 | 300/24 | 150/6 | 300/24 |
1.7 Вагоны габарита РИЦ, 1-ВМ, эксплуатируемые в международном сообщении, и тележек колеи 1435 мм | -/6 | -/12 | -/6 | -/12 |
II Цельнометаллические пассажирские вагоны специального назначения |
1 Вагоны пассажирские служебные |
1.1 Вагоны для перевозки высших должностных лиц государства | -/12 | -/24 | -/12 | -/24 |
1.2 Иные служебные вагоны | -/12 | -/36 | -/12 | -/36 |
2 Вагоны служебно-технические |
2.1 Вагоны-электростанции | -/12 | -/24 | -/12 | -/24 |
2.2 Тормозоизмерительные, врачебно-санитарные, вагоны-клубы, динамометрические вагоны, рельсошлифовальные вагоны | -/12 | -/24 | -/12 | -/24 |
2.3 Путеобследовательские, мостообследовательские, вагоны путевых машинных станций, вагоны восстановительных и пожарных поездов | -/12 | -/48 | -/12 | -/48 |
2.4 Вагоны-дефектоскопы, путеизмерительные вагоны | -/12 | -/24 | -/12 | -/24 |
2.5 Вагоны для турных перевозок | -/12 | -/48 | -/12 | -/48 |
2.6 Вагоны быта, вагоны-магазины, вагоны-камеры хранения, вагоны религиозного культа, вагоны-лаборатории | -/12 | -/48 | -/12 | -/48 |
2.7 Вагоны-автомобилевозы, вагоны-гаражи на базе пассажирских вагонов | -/12 | -/36 | -/12 | -/36 |
3 Вагоны для перевозки спецконтингента | -/6 | -/12 | -/6 | -/12 |
4 Багажные, переоборудованные из других типов | -/6 | -/12 | -/6 | -/12 |
5 Почтовые | -/6 | -/12 | -/6 | -/12 |
6 Банковские вагоны | -/12 | -/24 | -/12 | -/24 |
7 Вагоны министерств и ведомств | -/12 | -/36 | -/12 | -/36 |
8 Вагоны узкой колеи | -/6 | -/24 | -/6 | -/24 |
Примечание:
Пассажирские вагоны после постройки и прошедшие КР-2, КРМ, КВР первым ДР ремонтировать не ранее чем через два года.
(КРМ - капитальный ремонт повышенного объема с модернизацией производится по решению владельца пассажирского вагона в сроки, установленные для КР-2).
Периодичность и сроки проведения КР-1, КР-2, КРМ, КВР
пассажирских вагонов, оборудованных деталями
повышенного ресурса
Тип пассажирских вагонов | Периодичность, лет |
в период от постройки до производства капитального ремонта КР-2 (КРМ) | в период от производства капитального ремонта КР-2 (КРМ) до истечения назначенного срока службы | (от постройки) |
| | КР-2 (КРМ) (от постройки) | | |
1 | 2 | 3 | 4 | 5 | 6 | 7 |
I. Цельнометаллические пассажирские вагоны, используемые в пассажирских перевозках |
1.1 Мягкие, СВ, габарита РИЦ | 6 | 6 | | | - | 28 |
1.2 Купейные, некупейные, межобластные |
1.3. Багажные, багажно-почтовые |
1.4 Вагоны габарита РИЦ, 1-ВМ, эксплуатируемые в международном сообщении, и тележек колеи 1435 мм | | | | | - | |
1.5 Вагоны-рестораны всех модификаций | 5 | 5 | 15 | 5 | - | 25 |
1.6 Вагоны всех типов с назначенным сроком службы 40 лет | 8 | 6 | 20 | 8 | 6 | - |
1.7 Вагоны, эксплуатирующиеся со скоростями движения 141 - 200 км/час | 6 | 5 | 16 | 5 | 5 | - |
II. Цельнометаллические пассажирские вагоны специального назначения |
1 Вагоны пассажирские служебные | | | | | | |
1.1 Вагоны для перевозки высших должностных лиц государства | 6 | 6 | | | - | - |
1.2 Иные служебные вагоны | 9 | - | 18 | 9 | - | - |
2 Вагоны служебно-технические | | | | | | |
2.1 Вагоны-электростанции | 5 | 5 | 15 | 5 | - | 23 |
2.2 Тормозоизмерительные, врачебно-санитарные, вагоны-клубы, динамометрические вагоны, рельсошлифовальные вагоны | 10 | - | 20 | - | - | - |
2.3 Путеобследовательские, мостообследовательские, вагоны путевых машинных станций, вагоны восстановительных и пожарных поездов | 15 | - | - | - | - | - |
2.4 Вагоны-дефектоскопы, путеизмерительные вагоны | 10 | - | 20 | - | - | - |
2.5 Вагоны для турных перевозок | 10 | 10 | - | - | - | - |
2.6 Вагоны быта, вагоны-магазины, вагоны-камеры хранения, вагоны религиозного культа, вагоны-лаборатории |
2.7 Вагоны-автомобилевозы, вагоны-гаражи на базе пассажирских вагонов | 6 | 6 | | | - | 28 |
3 Вагоны для перевозки спецконтингента | 6 | 6 | | | - | - |
4 Багажные, переоборудованные из других типов |
5 Почтовые |
6 Банковские вагоны | 10 | - | 20 | - | - | - |
7 Вагоны министерств и ведомств |
8 Вагоны узкой колеи | 8 | 6 | 20 | 6 | - | - |
Примечания:
<1> КВР производится по истечении назначенного срока службы пассажирских вагонов, не прошедших КРМ, по решению их владельцев.
КР-1 выполняется для восстановления исправности и ресурса пассажирского вагона путем замены или ремонта изношенных и поврежденных его узлов и деталей. В зависимости от продолжительности эксплуатации пассажирского вагона, очередности производства и объема ремонтных работ КР-1 подразделяется на КР-11 и КР-12 (капитальный ремонт первого объема, производимый первый раз после постройки, и соответственно - второй раз).
<2> Для пассажирских вагонов постройки до 1994 года включительно КР-2 производится через 20 лет после постройки; КР-11 после производства КР-2, КВР - через 6 лет.
<3> Периодичность производства ТО, ДР и КР-1 пассажирских вагонов после проведения КВР устанавливается в соответствии с
таблицами Г.4-2, Г.4-3 настоящего Приложения, как для пассажирских вагонов после постройки.
<4> Периодичность производства ТО, ДР и КР пассажирских вагонов, прошедших капитальный ремонт с продлением срока службы до 01.09.2015 г., устанавливается в соответствии с
таблицами Г.4-1,
Г.4-2, Г.4-3 настоящего Приложения.
<5> Периодичность технического обслуживания и ремонта пассажирских вагонов, эксплуатирующихся во внутригосударственном сообщении, может устанавливаться железнодорожной администрацией или соответствующим лицом (органом), уполномоченным в соответствии с национальным законодательством.
Перечень деталей и узлов повышенного ресурса
пассажирских вагонов
Наименование деталей и узлов | Обозначение технической документации |
Комплекты фрикционных клиньев (сухарей) из композиционного материала ОПМ-94 и нажимных колец к ним с увеличенной шириной охвата | ТУ 2292-001-56867231-2001 |
Вкладыши опорных скользунов тележки из композиционного материала ОПМ-94 | ТУ 2292-003-56867231-2002 или ТУ 2292-010-56867231-2008 |
Композиционные втулки КПМ тормозной рычажной передачи | ТУ 2292-006-56867231-2003 |
Детали центрального люлечного подвешивания: - тяги; - серьги; - опорные шайбы; - валики | ТИ ВНИИЖТ-0501/3-99 или ТИ ЦТ-ЦВ-ЦЛ-590 или ТИ 160-25099.31-95 |
Тарели и клинья буферов |
Автосцепки |
Тяговые хомуты |
Центрирующие балочки |
Подвески маятниковые |
Башмаки тормозные |
Примечания:
1 При производстве всех видов ремонта и технического обслуживания пассажирских вагонов запрещается обезличивание их тележек.
2 Допускается применение других технических условий и нормативных документов, утвержденных установленным порядком.
(рекомендуемое)
КОНТРОЛЯ ВЕНЦОВ ТОРМОЗНЫХ ДИСКОВ ВАГОНОВ
АКТ визуального и инструментального контроля венцов тормозных дисков вагонов "__" _________ 200_ г. проведен контроль венцов тормозных дисков колесных пар вагонов NN Контроль проводился с применением вихретокового дефектоскопа _________________________________________________________________ (тип и заводской номер) Результаты контроля: - обнаружены венцы тормозных дисков с недопустимыми дефектами на вагонах NN ______________________________________________________ _________________________________________________________________ - поставлены под контроль венцы тормозных дисков вагонов NN ______________________________________________________ _________________________________________________________________ Заключение: - венцы тормозных дисков вагонов NN ______________________________________________________ ________________________________ могут быть допущены к эксплуатации. Подписи: Мастер по неразрушающему контролю Дефектоскописты |
(справочное)
МЕСТА ПОСТАНОВКИ КЛЕЙМ ГОСУДАРСТВ-СОБСТВЕННИКОВ НА ДЕТАЛЯХ
ВАГОНОВ, ОФОРМЛЕНИЕ ПОЛЕЙ НА НАРУЖНОЙ ГРАНИ ОБОДА КОЛЕСА
И КОДЫ ПРИНАДЛЕЖНОСТИ ГОСУДАРСТВ
Место постановки клейма государства-собственника
при изготовлении цельнокатаного колеса.
Клейма наносятся на одном из колес на ободе с наружной стороны. Расстояние измеряется от последней цифры основной маркировки слева направо на расстоянии 20 мм.
Место установки клейма на боковые тележки
Клейма наносятся на каждой боковине тележки на участке от начала прилива выше приемочных клейм. ПСС-XX-XXX - означает продление срока службы и год окончания срока службы, клеймо организации, продлившей срок службы.
Место установки клейма на надрессорной балке
Клейма на надрессорной балке наносятся на видимой части верхней горизонтальной плоскости на расстоянии 20 мм от ее торца и боковой грани. ПСС-XX-XXX - означает продление срока службы и год окончания срока службы, клеймо организации, продлившей срок службы.
Место установки клейма на раме вагона
Клейма на раме вагона наносятся на вертикальном листе шкворневой балки рамы вагона с внутренней стороны на расстоянии 100 мм от стойки или нижней обвязки.
ОФОРМЛЕНИЕ ПОЛЯ "УСЛОВНЫЙ НОМЕР ЗАВОДА-ИЗГОТОВИТЕЛЯ КОЛЕСА"
| | ИС МЕГАНОРМ: примечание. В тексте документа, видимо, допущена опечатка: вместо "рис. 4.1" следует читать "рис. Е.1". | |
Списывается с наружной стороны обода колеса (максимальное количество знаков - 2 для предприятий РФ и СНГ, 4 знака - для зарубежных предприятий). Схема расположения знаков и клейм представлена на
рис. 4.1.
1 - год изготовления; 2 - марка стали; 3 - номер плавки;
4 - приемочные клейма Министерства транспорта России (МПС);
5 - номер завода изготовителя колеса; 6 - номер колеса;
7 - код собственника колесной пары ж.д. администрация)
Рисунок Е.1 Знаки и клейма на наружной грани обода колеса.
ОФОРМЛЕНИЕ ПОЛЯ "НОМЕР КОЛЕСА"
Списывается с наружной стороны обода колеса (6 знаков).
ОФОРМЛЕНИЕ ПОЛЯ "ГОД ИЗГОТОВЛЕНИЯ КОЛЕСА"
Списывается с наружной стороны обода колеса (2 знака).
ОФОРМЛЕНИЕ ПОЛЯ "НОМЕР ПЛАВКИ"
Списывается с наружной стороны обода колеса (5 знаков).
ОФОРМЛЕНИЕ ПОЛЯ "МАРКА СТАЛИ"
Марка стали списывается с наружной стороны обода колеса. Указывается условное обозначение марки (максимальное количество знаков - 2) и проставляется код в соответствии с
таблицей Е.1 и
рисунком Е.1. Для колес, выпущенных до 1981 года, при отсутствии марки стали, в
графе ставится код 9.
Условные обозначение и коды марки стали
Марка стали по документу | Условное обозначение марки стали | |
ГОСТ 10791-2004 | 1 | 1 |
ГОСТ 10791-2004 | 2 | 2 |
ГОСТ 10791-2004 | 3 | 3 |
ГОСТ 10791-2004 | 2Г | 4 |
ТУ 0943-157-01124328-2003 | Т | 5 |
| нет данных | 9 |
ОФОРМЛЕНИЕ ПОЛЯ "ТИП ДИСКА КОЛЕСА"
Проставляется код "1" - плоскоконический. По мере появления новых типов дисков колес, тип диска колеса будет проставляться в соответствии с классификатором типов колес (1 знак).
Коды принадлежности государств и места их расположения
на деталях вагонов
(обязательное)
ФОРМА КНИГИ
НАТУРНОГО ОСМОТРА ВАГОНОВ НА ПУНКТАХ
ТЕХНИЧЕСКОЙ ПЕРЕДАЧИ (ВУ-15)
ЖА Станция __________ _______________ ж.д. | Форма ВУ-15 0358814 Утверждена в 1978 г. |
натурного осмотра вагонов на пунктах технической передачи |
Предприятие | |
Министерство | |
Начата "__" | 20__ г. | |
Окончена "__" | 20__ г. | |
Дата __________ 20__ г. __________ час _______ мин.
Поезд N ______ количество вагонов _____
N головного ______ N хвостового __________ вагона
N вагонов | Наименование и количество отсутствующих деталей и неисправностей | Отметка о дополнительных повреждениях |
1 | 2 | 3 |
| | |
| | |
| | |
| | |
| | |
| | |
| | |
| | |
| | |
| | |
| | |
| | |
| | |
| | |
| | |
| | |
| | |
| | |
(обязательное)
ФОРМА АКТА
НА ОФОРМЛЕНИЕ ПОВРЕЖДЕНИЯ ВАГОНОВ ВУ-25 И АКТ ФОРМЫ ИНУ-53
Форма ВУ-25  о повреждении вагона |
Составлен на станции ___________________________________ наименование | код |
Перевозчик ___________________________________________________ наименование | код |
Дата составления _____________ час. _____________ мин. |
| Номер вагона | |
Собственник ___________________ наименование государства | код |
Год постройки (месяц, год) | |
Дата и вид последнего планового ремонта _________________________ | код |
Наименование предприятия, выполнившего |
ремонт ________________________________________________ | код |
Пробег на момент повреждения вагона: |
___________________ накопленный | ___________________ после капитального | ___________________ межремонтный |
|
Причина повреждения ________________________________________________ |
_______________________________________________________________ нарушение ПТЭ, Инструкции по движению и маневровой работе, технических условий погрузки и крепления грузов и т.д. | |
Поврежден на ________________________________________________________ N пути, поезда, подъездной путь и т.п. _____________________________________________________________________ |
Виновник повреждения: предприятие | _________________________________ _________________________________ |
1. Перечень повреждений вагона | Количество поврежденных деталей | Стоимость поврежденной детали | Сумма |
| | | |
| | | |
| | | |
| | | |
| | | |
| | | |
| | | |
Стоимость восстановления повреждений ________________________________ Общая сумма за повреждение вагона ____________________________________ Дополнительные данные: _____________________________________________________________________ _____________________________________________________________________ _____________________________________________________________________ _____________________________________________________________________ _____________________________________________________________________ 2. Вагон подлежит ____________________________________________________ вид требуемого ремонта или исключения из инвентаря ____________________________________________________________________ Подписи перевозчика: _______________________________________________ должность, ф.и.о., подпись Дополнительные подписи перевозчика: <*> ____________________________________ должность, ф.и.о., подпись <**> ____________________________________ должность, ф.и.о., подпись М.П.: Представитель предприятия, виновного в повреждении вагона ____________________________________ должность, ф.и.о., подпись М.П.: Вагон направляется для ремонта на ____________________________ завод (депо) наименование _____________ ж.д., или предприятие промышленности ____________________ _____________________________________________________________________ наименование |
вагонным депо | _______________ | со станции | ______________________ |
| наименование | | наименование |
______________________ ж.д. при сопроводительном листке ф. ВУ-26М наименование "__" _______________ 20__ г. дата Подписи Перевозчика __________________________________________________ должность, ф.и.о., подпись Вагон принят из текущего ремонта _______________________________________ дата и время Порядковый номер записи в книге ВУ-16 _______________ _____________________________________________________________________ должность и подпись представителя вагонного депо |
--------------------------------
<*> Подписывается при повреждении вагона при сходах, столкновениях, повреждении рефрижераторного подвижного состава.
<**> Подписывается при повреждении рефрижераторного подвижного состава.
АКТ N _____________ Перечень дополнительных повреждений, вызванных выполнением работ по ликвидации крушения, столкновения или схода вагона: _____________________________________________________________________ _____________________________________________________________________ _____________________________________________________________________ _____________________________________________________________________ _____________________________________________________________________ _____________________________________________________________________ _____________________________________________________________________ _____________________________________________________________________ _____________________________________________________________________ _____________________________________________________________________ Основное дополнительное повреждение _____________________________   Заключение комиссии об отнесении вагона по степени повреждения к виду ремонта или исключению из инвентаря с указанием основания _____________________________________________________________________ _____________________________________________________________________ "__" ______________ 20__ г. дата Подписи Перевозчика __________________________ должность, ф.и.о., подпись Начальник восстановительного поезда ____________________________ |
Приложение N 11 к ППВ
составлен на непринятые вагоны станцией _____________________________
N п/п | Инициалы дороги | Номера вагонов | Род вагонов | Время прибытия вагона | Время согласованного срока возвращения вагона | Причина неприема вагона | Примечания |
дата | часы | дата | часы |
1 | | | | | | | | | |
2 | | | | | | | | | |
3 | | | | | | | | | |
4 | | | | | | | | | |
5 | | | | | | | | | |
6 | | | | | | | | | |
7 | | | | | | | | | |
8 | | | | | | | | | |
9 | | | | | | | | | |
10 | | | | | | | | | |
11 | | | | | | | | | |
12 | | | | | | | | | |
13 | | | | | | | | | |
14 | | | | | | | | | |
15 | | | | | | | | | |
16 | | | | | | | | | |
17 | | | | | | | | | |
18 | | | | | | | | | |
19 | | | | | | | | | |
20 | | | | | | | | | |
| | | | | | | | | |
Агент дороги сдающей ___________ Агент дороги принимающей _____________ |
Штемпель | Штемпель |
Примечание: заполняется в 4-х экземплярах. На вагоны пассажирские и грузовые - отдельно |
(обязательное)
Величина расчетного нажатия тормозных колодок/накладок
(в пересчете на чугунные колодки), на ось пассажирских
и грузовых вагонов
N п/п | Тип вагона | Величина нажатия тормозных колодок на ось, тс |
1 | Цельнометаллические пассажирские вагоны с тарой: | |
53 тс и более | 10,0 |
48 тс и более, но менее 53 тс | 9,0 |
42 тс и более, но менее 48 тс | 8,0 |
2 | Цельнометаллические пассажирские вагоны габарита РИЦ с тормозом КЕ и чугунными тормозными колодками: | |
на пассажирском режиме | 10,0 |
на скоростном режиме | 15,0 |
3 | Цельнометаллические пассажирские вагоны габарита ВЛ-РИЦ на тележках ТВЗ-ЦНИИ "М" с тормозом КЕ и композиционными тормозными колодками (в пересчете на чугунные колодки): | |
на пассажирском режиме | 10,0 |
на скоростном режиме | 13,0 |
4 | Цельнометаллические пассажирские вагоны постройки Тверского вагоностроительного завода с дисковыми тормозами: | |
- для скоростей движения до 120 км/ч включительно | 10,0 |
- для скоростей движения до 140 км/ч включительно | 12,5 |
- для скоростей движения до 160 км/ч включительно | 13,0 |
5 | Пассажирские вагоны длиной 20,2 м и менее | 9,0 |
6 | Остальные вагоны пассажирского парка | 6,5 |
7 | Грузовые вагоны с чугунными тормозными колодками: | |
на груженом режиме | 7,0 |
на среднем режиме | 5,0 |
на порожнем режиме | 3,5 |
| Все грузовые вагоны, оборудованные композиционными тормозными колодками (в пересчете на чугунные колодки), при включении: | |
на груженый режим | 8,5 |
на средний режим | 7,0 |
на порожний режим | 3,5 |
9 | Четырехосные изотермические и багажные цельнометаллические вагоны с односторонним торможением | 6,0 |
10 | Вагоны рефрижераторного подвижного состава с чугунными тормозными колодками при включении: | |
на груженый режим | 9,0 |
на средний режим | 6,0 |
на порожний режим | 3,5 |
11 | Вагоны рефрижераторного подвижного состава с композиционными тормозными колодками при включении: | |
на средний режим | 7,0 |
на порожний режим | 4,5 |
| Контейнерные платформы с максимальной нагрузкой от колесных пар на рельсы 20,5 тс и двухсекционными тормозными башмаками: | |
- на груженый режим | 12,5 |
- на средний режим | 9,5 |
- на порожний режим | 3,5 |
13 | Хоппер-дозаторы ЦНИИ-2 и ЦНИИ-3 (колодки чугунные) при включении: | |
на груженый режим | 3,5 |
на порожний режим | 1,25 |
14 | Хоппер-дозаторы ЦНИИ-2 и ЦНИИ-3 (колодки композиционные) при включении: | |
на груженый режим | 7,0 |
на порожний режим | 3,5 |
15 | Хоппер-дозаторы ЦНИИ-ДВЗ (колодки чугунные) при включении: | |
на груженый режим | 6,0 |
на порожний режим | 2,5 |
16 | Хоппер-дозаторы ЦНИИ-ДВЗ (колодки композиционные) при включении: | |
на груженый режим | 7,0 |
на порожний режим | 3,0 |
17 | Хоппер-дозаторы ЦНИИ-ДВЗМ (колодки чугунные) при включении: | |
на груженый режим | 7,0 |
на порожний режим | 3,0 |
18 | Думпкары 3ВС50, 4ВС50, 5ВС60 (колодки чугунные) при включении: | |
на груженый режим | 6,0 |
на средний режим | 4,5 |
на порожний режим | 3,0 |
19 | Думпкары 6ВС60, 7ВС60, ВС66, ВС-95, 2ВС105 (колодки чугунные) при включении: | |
на груженый режим | 7,0 |
на средний режим | 4,5 |
на порожний режим | 3,5 |
20 | Хоппер-дозаторы ЦНИИ-ДВЗМ, 55-76, 55-76М, и думпкары 6ВС-60, 7ВС60, ВС66, ЗВС-50, 4ВС-50, 5ВС60, 2ВС-105 (колодки композиционные) при включении: | |
на средний режим | 7,0 |
на порожний режим | 3,5 |
Примечания: 1 Для вагонов, оборудованных грузовым авторежимом, принимать силу нажатия тормозных колодок в соответствии с загрузкой на ось при порожнем, среднем и груженом режимах.
2 Для рефрижераторных вагонов, удовлетворяющих специальным техническим условиям для скорости движения до 120 км/ч, тормозное нажатие на ось композиционных тормозных колодок в пересчете на чугунные принимать: на среднем режиме 14 тс, на порожнем 8,5 тс.
3 Для грузовых вагонов, оборудованных композиционными колодками, при наличии трафарета нажатия колодок на ось порожнего и груженого вагона нажатие принимать в соответствии с указанной на трафарете величиной. При наличии на вагонах трафарета нажатия колодок на ось только порожнего вагона нажатие на ось колодок груженого вагона принимать в соответствии с
п. 8 таблицы с учетом включенного режима торможения (средний или груженый).
(обязательное)
ОСОБЕННОСТИ ЗАПОЛНЕНИЕ СПРАВКИ ФОРМЫ ВУ-45
[22] После выполнения полного опробования тормозов, а также после сокращенного, если предварительно на станции было произведено полное опробование тормозов состава от стационарной установки с автоматической регистрацией параметров или без автоматической регистрации параметров или локомотива, составляется под копирку в двух экземплярах "Справка об обеспечении поезда тормозами и исправном их действии"
(форма ВУ-45): подлинник "Справки об обеспечении поезда тормозами и исправном их действии"
(форма ВУ-45), написанный авторучкой, вручается машинисту, а копия остается в книжке справок о тормозах и хранится в течение семи суток у должностного лица, производившего полное опробование тормозов (копии "Справок об обеспечении поезда тормозами и исправном их действии"
(форма ВУ-45) можно хранить в ПТО на специальном стеллаже с раздельными ячейками по сменам). Начальники или мастера ПТО должны ежедневно проверять ячейки и ликвидировать копии справок, хранящиеся более семи суток.
[22] Если производится смена локомотивных бригад без отцепки локомотива от состава поезда, то сменяющаяся локомотивная бригада обязана передать имеющуюся у них "Справку об обеспечении поезда тормозами и исправном их действии"
(форма ВУ-45), принимающей локомотивной бригаде. В этом случае осмотрщик вагонов выполняет сокращенное опробование тормозов с отметкой и указанием времени на оборотной стороне "Справки об обеспечении поезда тормозами и исправном их действии"
(форма ВУ-45). При каждом сокращенном опробовании автотормозов делается отметка в "Справке об обеспечении поезда тормозами и исправном их действии"
(форма ВУ-45), включая отметку о произошедшем изменении длины состава с указанием номера хвостового вагона.
[22] Данные, вносимые в "Справку об обеспечении поезда тормозами и исправном их действии"
(форма ВУ-45):
1 Штемпель станции, где производилось полное опробование тормозов:
2 Время вручения справки машинисту (сверять с часами на локомотиве) и номер вагона, у которого встречаются осмотрщики вагонов при опробовании тормозов;
3 Дата, месяц, год вручения;
4 Серия и номер локомотива, который подан под поезд;
5 Присвоенный номер поезду (последняя цифра четная - четное направление, нечетная - нечетного направления);
6 Вес поезда (грузового - без учета веса локомотива);
7 Указывать количество вагонов и осей поезда (т.к. в составе поезда могут быть 8-ми. 6-ти, 4-х-осные и другие вагоны);
8 Требуемое нажатие тормозных колодок. Расчет производит осмотрщик-автоматчик (вес поезда умножается на наименьшее тормозное нажатие на 100 тонн веса, которое составляет 33 тс для грузового груженого, 55 тс - для порожнего поезда и делится на 100);
Наименование железнодорожной администрации | Форма ВУ-45 |
Штемпель станции | Время выдачи _____ ч _____ м |
об обеспечении поезда тормозами и исправном их действии (форма ВУ-45) Локомотив серия N _______ "__" ___________ 20_________ г. Поезд N _________ весом _________ тс. Всего осей _________ Требуемое нажатие колодок (накладок) в тс __________________ Ручных тормозов в осях __________________ |
Тормозное нажатие на ось, тс | | Нажатие колодок (накладок), тс | |
1,25 | | | К-100 |
3,0 | | | |
3,5 | 20 | 70 | П |
4,5 | | | |
5,0 | 8 | 40 | |
5,5 | | | |
6,0 | | | ДПВ |
6,5 | | | |
7,0 | 200 | 1400 | |
7,5 | | | ВО2ХВ-26 сек |
8,0 | | | |
8,5 | | | |
9,0 | | | |
9,5 | 12 | 120 | Роспись |
10,0 | | | |
11,0 | | | |
11,5 | | | В10 |
12,0 | | | |
12,5 | | | |
13,0 | | | ТЦПВ-60 мм |
14,0 | | | |
15,0 | | | |
16,0 | | | Встр |
18,0 | | | |
19,0 | | | |
20,0 | | | |
21,0 | | | |
Всего | | | |
Наличие ручных тормозных осей ___________________________
Плотность тормозной сети поезда при II/IV положениях управляющего органа
крана машиниста ______________________________
Напряжение в хвосте поезда ЭПТ __________________________
Хвостовой вагон N _______________________________________
Подпись __________________ Фамилия _____________________
9 Потребность ручных тормозов в осях подсчитывается осмотрщиком-автоматчиком. Потребность в ручных тормозах зависит от крутизны уклонов гарантийного участка, на который поезд будет отправлен после выполнения полной пробы тормозов. Для поездов, следующих в пределах одной дороги, а также при уклонах круче 0,012 потребность в ручных тормозах и тормозных башмаках на каждые 100 тс веса состава устанавливается руководителем подразделения железнодорожной администрации или владельца инфраструктуры в соответствии с нормативами, указанными в
таблице К.1. При уклоне 0,010 на 100 т веса поезда требуется 0,8 ручных осей.
Потребное количество ручных тормозов и тормозных башмаков
на каждые 100 тс веса состава
Крутизна уклона | 0 | 0,002 | 0,004 | 0,006 | 0,008 | 0,010 | 0,012 |
Число тормозных башмаков | 0,2 --- 0,4 | 0,2 --- 0,4 | 0,2 --- 0,4 | 0,2 --- 0,4 | 0,2 --- 0,6 | 0,3 --- 0,8 | 0,4 --- 1,0 |
Количество тормозных осей | 0,4 | 0,4 | 0,4 | 0,4 | 0,6 | 0,8 | 1,0 |
Продолжение табл. К.1
Крутизна уклона | 0,014 | 0,016 | 0,018 | 0,020 | 0,022 | 0,024 | 0,026 |
Число тормозных башмаков | 0,4 --- 1,2 | 0,5 --- 1,4 | 0,6 --- 1,6 | 0,6 --- 1,8 | 0,7 --- 2,0 | 0,8 --- 2,2 | 0,8 --- 2,4 |
Количество тормозных осей | 1,2 | 1,4 | 1,6 | 1,8 | - | - | - |
Продолжение табл. К.1
Крутизна уклона | 0,028 | 0,030 | 0,032 | 0,034 | 0,036 | 0,038 | 0,040 |
Число тормозных башмаков | 0.9 --- 2,6 | 1,0 --- 2,8 | 1,0 --- 3,0 | 1,1 --- 3,2 | 1,2 --- 3,4 | 1,2 --- 3,6 | 1,2 --- 3,8 |
Количество тормозных осей | - | - | - | - | - | - | - |
Примечания:
1. В числителе - при нагрузке на ось 10 тс и более, в знаменателе - при нагрузке на ось менее 10 тс.
2. При подсчете числа осей ручного торможения учитывать ручные тормоза грузовых и специальных вагонов, имеющих боковой привод без сквозной тормозной площадки.
Фактическое наличие ручных тормозных осей подсчитывается практически во время выполнения полной пробы тормозов.
10 Наличие ручных тормозных осей в этих поездах;
11
Первая графа таблицы показывает расчетное нажатие тормозных колодок на одну ось вагона. В грузовых вагонах нажатие на одну ось определять в зависимости от типа вагона, загрузки и соответствия установки режимов (порожнего, среднего, груженого) и от типа тормозных колодок (пассажирских - в зависимости от тары вагона и габарита РИЦ с тормозом КЕ);
12 Во
второй графе осмотрщик-автоматчик распределяет фактическое количество осей поезда в зависимости от установленных режимов в соответствии с загрузкой вагона, типа тормозных колодок, типа вагона (в пассажирских - в зависимости от тары вагона);
Пример: в данном случае в поезде 200 осей (50 вагонов), загрузка более 6 тонн на ось. Вагоны с композиционными колодками.
- на среднем режиме тормозное нажатие на ось 7 тс 200 осей вписываем напротив цифры 7;
- 5 вагонов (20 осей) - порожние или имеют загрузку менее 6 тс на ось, порожний режим 3,5 тс, значит, 20 осей вписываем напротив цифры 3,5;
- 3 вагона (12 осей) - пассажирские с тарой 54 т, нажатие на ось 10 тс вписываем напротив этой цифры;
- в поезде также есть два вагона "однорежимные" (двухъярусные платформы для перевозки автомобилей и т.д.). Нажатие на ось 5 тс (трафарет нажатия на раме вагона). После занесения в справку всех включенных тормозных осей поезда они плюсуются, общее количество включенных тормозных осей записывается во
вторую графу в строку "всего".
Примечание: фактическую загрузку вагона для правильной установки грузовых режимов и подсчета фактического тормозного нажатия определять по натурному листу поезда (обязательно для поездов своего формирования, сборного, груженых вагонов, прицепляемых к готовому поезду).
13 В
третью графу таблицы заносится фактическое нажатие включенных тормозов поезда. Количество включенных тормозов вагонов в поезде умножается на тормозное нажатие на одну ось. Полученная сумма складывается, общее фактическое нажатие поезда записывается в
третью графу в строку "всего".
- количество (в процентах) в поезде композиционных колодок;
- величина выхода штока тормозного цилиндра на хвостовом вагоне;
- напряжение в цепи ЭПТ хвостового вагона в режиме торможения;
- значение зарядного давления в тормозной магистрали хвостового вагона грузового поезда, а в справке на грузовые поезда длиной более 100 осей - наибольшее время отпуска автотормозов двух хвостовых вагонов и данные о плотности тормозной сети поезда при II и при IV положении ручки крана машиниста;
15 Данные о плотности тормозной сети поезда, плотности питательной сети поезда (для электропоездов):
Плотность тормозной сети грузового поезда записывается фактическая, она должна быть не ниже установленной в
таблице К.3. Зависит от серии локомотива, длины состава, утечек, недозарядки, замораживания магистрали или тормозного оборудования, перекрытия кранов. Замеры производятся после отключения компрессоров регулятором по достижении в главных резервуарах локомотива предельного давления (на паровозах путем закрытия паровыпускного вентиля насоса) и последующего снижения этого давления на 0,4 - 0,5 кгс/см
2, замеряется время дальнейшего его снижения на 0,5 кгс/см
2 при поездном положении ручки крана машиниста.
Замер плотности при IV положении производят путем перевода ручки крана машиниста из поездного в V положение и снижения давление в уравнительном резервуаре на 0,6 - 0,7 кгс/см2 с последующим переводом ручки в IV положение (перекрыта с питанием). Плотность тормозной сети не должна отличаться от плотности при поездном положении ручки крана машиниста более чем на 10% в сторону уменьшения.
Записывается номер хвостового вагона поезда (передает хвостовой осмотрщик-автоматчик).
Подпись осмотрщика-автоматчика с головы поезда. Он вручает справку машинисту поезда.
Дополнительные данные, вносимые в "Справку об обеспечении
Условное обозначение данных, вносимых в справку | Содержание условного обозначения |
К-100, К-75, К-50 | В составе поезда соответственно 100%, 75%, 50% вагонов, оборудованных композиционными колодками |
Г | В грузовом поезде имеются груженые вагоны с воздухораспределителями, включенными на груженый режим |
ЭПТ | В поезде включены электропневматические тормоза (ЭПТ) |
ЭПП | В поезде включены электропневматические тормоза, в составе поезда имеются один-два вагона с включенными автотормозами без ЭПТ |
ДТ | В составе поезда имеются вагоны с включенными дисковыми тормозами |
МРТ | В составе поезда имеются вагоны с включенными магниторельсовыми тормозами |
П | В грузовой поезд включены пассажирские вагоны или локомотивы |
В10 | Выполнено полное опробование с 10-минутной выдержкой автотормозов в заторможенном состоянии на горном режиме |
РИД | В составе поезда имеются вагоны с включенными автотормозами западноевропейского типа со ступенчатым отпуском |
ТЦПВ | Выход штока тормозного цилиндра последнего вагона в мм |
Встр. | Номер вагона встречи осмотрщиков вагонов при полном опробовании тормозов. При опробовании тормозов тремя и более осмотрщиками ставиться символ "Т" и количество осмотрщиков |
ДПВ | Давление в тормозной магистрали последнего вагона в МПа (кгс/см2) |
ВО2ХВ | Время отпуска двух хвостовых вагонов |
ТЦПВТР | Выхода штоков тормозных цилиндров вагона с раздельным потележечным торможением |
Отметка о производстве опробования тормозов
в пути следования
Станция или место опробования тормозов | | При изменении состава и веса поезда | |
| | Нажатие колодок (накладок), тс |
| |
| | | | | | |
Примечание: Справка составляется в двух экземплярах: подлинник справки вручается машинисту, а копия остается в книжке справок о тормозах.
N столбца | Данные вносимые на оборот "Справки об обеспечении поезда тормозами и исправном их действии" (формы ВУ-45) |
| указывается станция или место проведения сокращенного опробования тормозов |
| вид опробования |
| эти графы заполняются, если произошло изменение веса поезда (прицепка, отцепка вагонов); если же изменение веса поезда не произошло, то в данных графах ставится прочерк Примечание: при изменении веса поезда из-за отцепки или прицепки вагона, группы вагонов, 3, 4, 5 графы записываются: новый вес, потребное и фактическое нажатие. |
| ставится роспись производившего сокращенное опробование тормозов и время проведения сокращенного опробования тормозов |
Время снижения давления на 0,05 МПа (0,5 кгс/см
2) в главных
резервуарах при проверке плотности тормозной магистрали
грузового поезда
Общий объем главных резервуаров локомотива, л | Время, с, при длине состава в осях |
до 100 | 101 - 150 | 151 - 200 | 201 - 250 | 251 - 300 | 301 - 350 | 351 - 400 | 401 - 450 | 451 - 480 | 481 - 530 |
1000 | 58 | 40 | 29 | 25 | 23 | 20 | 17 | 15 | 13 | 11 |
1200 | 69 | 46 | 34 | 29 | 25 | 22 | 20 | 18 | 15 | 13 |
1500 | 80 | 58 | 46 | 34 | 31 | 26 | 23 | 21 | 17 | 15 |
1800 | 98 | 69 | 52 | 56 | 38 | 33 | 29 | 26 | 22 | 20 |
2000 | 104 | 75 | 58 | 52 | 40 | 36 | 32 | 29 | 24 | 22 |
2500 | 129 | 93 | 71 | 64 | 51 | 45 | 40 | 36 | 30 | 28 |
3000 | 207 | 138 | 102 | 87 | 75 | 66 | 60 | 51 | 45 | 33 |
Примечания:
1 При проверке плотности тормозной магистрали грузового поезда при зарядном давлении 0,52 - 0,54 МПа (5,3 - 5,5 кгс/см2) норму времени, указанную в таблице уменьшить на 10%.
2 При работе по системе многих единиц, когда главные резервуары локомотивов соединены в общий объем, указанное время увеличивать пропорционально изменению объемов главных резервуаров.
3 При общем объеме главных резервуаров локомотива, отличном от представленного в таблице, объем принимать по ближайшему наименьшему объему, приведенному в таблице.
4 На каждом локомотиве на видном месте должна быть выписка с указанием общего объема главных резервуаров.
Лист регистрации изменений |
Изм | Номера листов (страниц) | Всего листов (страниц) в докум. | N докум. | Входящий N сопроводительного докум. и дата | Подп. | Дата |
измененных | замененных | новых | аннулированных |
17 | 105 | - | - | - | - | 32 ЦВ | 29 - 2017 | | 08.11.17 |
| 26; 102; 105 | - | - | - | - | 32 ЦВ | 30 - 2017 | | 08.11.17 |
| Тит. л; 1 | - | - | - | - | 32 ЦВ | 37 - 2017 | | 08.11.17 |
| 13 | - | - | - | - | 32 ЦВ | 40 - 2017 | | 08.11.17 |
21 | IV | - | 150 | - | - | 32 ЦВ | 54 - 2017 | | 09.11.17 |
| 1; 2; 60; 61; 77; 78; | - | - | - | - | 32 ЦВ | 42 - 2017 | | 23.05.18 |
| 82 - 90; 141 - 144; | | | | | | | | |
| 147 - 149 | | | | | | | | |
| 46 | - | - | - | - | 32 ЦВ | 61 - 2017 | | 23.05.18 |
| 41 | - | - | - | - | 32 ЦВ | 62 - 2017 | | 23.05.18 |
| 24; 25; 51 | 29 - 38 | | 29 - 38 | - | 32 ЦВ | 21 - 2018 | | 25.10.18 |
| 65 | - | 65а | - | - | 32 ЦВ | 24 - 2018 | | 25.10.18 |
| 10; 11 | - | - | - | - | 32 ЦВ | 26 - 2018 | | 25.10.18 |
| 42; 43 44 | - | - | - | - | 32 ЦВ | 27 - 2018 | | 25.10.18 |
| 23 | - | - | - | - | 32 ЦВ | 58 - 2018 | | 21.05.19 |
| 29 | - | - | - | - | 32 ЦВ | 1 - 2019 | | 21.05.19 |
| 14 | - | - | - | - | 32 ЦВ | 26 - 2019 | | 29.10.19 |
32 | - | 102 - 106 | - | - | - | 32 ЦВ | 43 - 2019 | | 08.12.20 |
| | | | | N 808 - 2017 ПКБ ЦВ | Лист |
21 | Нов. | 32 ЦВ 54 - 2017 | | 09.11.17 | 150 |
Изм. | Лист | N докум. | Подп. | Дата |
Лист регистрации изменений |
Изм | Номера листов (страниц) | Всего листов (страниц) в докум. | N докум. | Входящий N сопроводительного докум. и дата | Подп. | Дата |
измененных | замененных | новых | аннулированных |
| 39 - 43; 45; 47 50; 52 - | 71; 72 | - | - | - | 32 ЦВ | 27 - 2020 | | 08.12.20 |
| 58; 62 - 66; 69; | | | | | | | | |
| 74 - 76; 95; 104; 105 | | | | | | | | |
| | | | | | | | | |
| | | | | | | | | |
| | | | | | | | | |
| | | | | | | | | |
| | | | | | | | | |
| | | | | | | | | |
| | | | | | | | | |
| | | | | | | | | |
| | | | | | | | | |
| | | | | | | | | |
| | | | | | | | | |
| | | | | | | | | |
| | | | | | | | | |
| | | | | | | | | |
| | | | | | | | | |
| | | | | N 808 - 2017 ПКБ ЦВ | Лист |
| | | | | 151 |
Изм. | Лист | N докум. | Подп. | Дата |