Главная // Актуальные документы СПРАВКА
Источник публикации
Документ опубликован не был
Примечание к документу
В соответствии с
Протоколом от 19.05.2017 данный документ
введен в действие с 1 июля 2017 года.
Название документа
"РД 32 ЦВ 159-2015. Методика выполнения измерений смещения котла 4-х и 8-и осных цистерн"
(Утверждена в г. Москве 19.05.2017 на 66-ом заседании Совета по железнодорожному транспорту СНГ)
Договаривающиеся стороны
"РД 32 ЦВ 159-2015. Методика выполнения измерений смещения котла 4-х и 8-и осных цистерн"
(Утверждена в г. Москве 19.05.2017 на 66-ом заседании Совета по железнодорожному транспорту СНГ)
на шестьдесят шестом заседании
Совета по железнодорожному транспорту
19 мая 2017 года
МЕТОДИКА
ВЫПОЛНЕНИЯ ИЗМЕРЕНИЙ СМЕЩЕНИЯ КОТЛА 4-Х И 8-И ОСНЫХ ЦИСТЕРН
РД 32 ЦВ 159 - 2015
1 Разработан Проектно-конструкторским бюро вагонного хозяйства - филиал ОАО "РЖД" (ПКБ ЦВ ОАО "РЖД").
2 Внесен железнодорожной администрацией Российской Федерации.
3 Взамен введены впервые.
4 Введен в действие с 01.07.2017.
Настоящая методика измерений смещения котла 4- и 8-осных цистерн устанавливает порядок выполнения измерений смещения котла относительно полурамы (рамы) вагона (кроме вагонов-цистерн с паровой рубашкой) при плановых видах ремонта без снятия котла и выкатки тележки.
При необходимости определить смещение котла вагона цистерны в иных случаях, в том числе при текущем отцепочном ремонте, допускается применение только данной методики.
ГОСТ 7502-98 Рулетки измерительные металлические. Технические условия.
ГОСТ 9246-2013 Тележки двухосные трехэлементные грузовых вагонов железных дорог колеи 1520 мм. Общие технические условия;
ГОСТ 10674-82 Вагоны-цистерны магистральных железных дорог колеи 1520 мм. Общие технические условия (для стран Содружества).
ГОСТ Р 51659-2000 Вагоны-цистерны магистральных железных дорог колеи 1520 мм. Общие технические условия (для Российской Федерации);
Грузовые вагоны железных дорог колеи 1520 мм.
Руководство по деповскому ремонту, утверждено советом по железнодорожному транспорту государств-участников Содружества, протокол N 54 от 18 - 19 мая 2011 г.
3. Условия выполнения измерений
3.1 Влиянием окружающей среды на погрешность измерений пренебрегаем.
3.2 Измерения производить на прямых участках железнодорожного пути, которые должны соответствовать техническим требования и нормам содержания железнодорожных путей.
3.3 При выполнении измерений параметров узлов и деталей вагонов должны выполняться требования по охране труда при техническом обслуживании и ремонте грузовых вагонов железнодорожной администрации государства-участника Содружества.
4. Операции измерений и средства измерений
Перечень выполняемых измерений приведены в
таблице 1.
N пункта методики | Наименование параметра | Средства измерения | Размер контролируемого параметра, мм |
4.1 | Смещение котла 4-осной цистерны относительно наружных боковых поверхностей полурамы (рамы) вагона | Двусторонний отвес с длиной шнура 10 метров (собственное изготовление - как показано в Приложении А), Рулетка измерительная металлическая Р2У3П ГОСТ 7502-98 | не более 45,0 |
Смещение котла 8-осной цистерны относительно наружных боковых поверхностей полурамы (рамы) вагона | не более 40,0 |
4.1. Последовательность выполнения измерений
Измерение величины смещения котла цистерны относительно наружных боковых поверхностей полурамы (рамы) вагона выполняется при условии, что полурама (рама) не должна быть деформирована. Измерения производятся в следующем порядке:
- установить двусторонний отвес на образующую диаметра котла цистерны напротив узла "пятника-подпятника";
- произвести измерения расстояний от шнура отвеса до наружных боковых поверхностей полурамы (рамы) вагона, как показано на
рисунке 1,
2 и
3.
Рисунок 1. Схема измерения смещения котла
4- и 8-осной цистерны
Рисунок 2. Схема расположения отвеса
при измерениях на 4-осной цистерне
Рисунок 3. Схема расположения отвеса
при измерениях на 8-осной цистерне
Расстояние от шнура отвеса до наружной боковой поверхности полурамы (рамы) вагона с одной стороны - "А".
Расстояние от шнура отвеса до наружной боковой поверхности полурамы (рамы) вагона с другой стороны - "Б".
Смещение "С" оси котла цистерны относительно наружных боковых полурамы (рамы) вагона вычисляют:
С1 = (А1 - Б1) / 2, мм.
Провести аналогичные измерения относительно другой тележки вагона:
С2 = (А2 - Б2) / 2, мм.
Полученные результаты измерений не должны превышать значения:
для 4-осной цистерны - 45 мм;
для 8-осной цистерны - 40 мм.
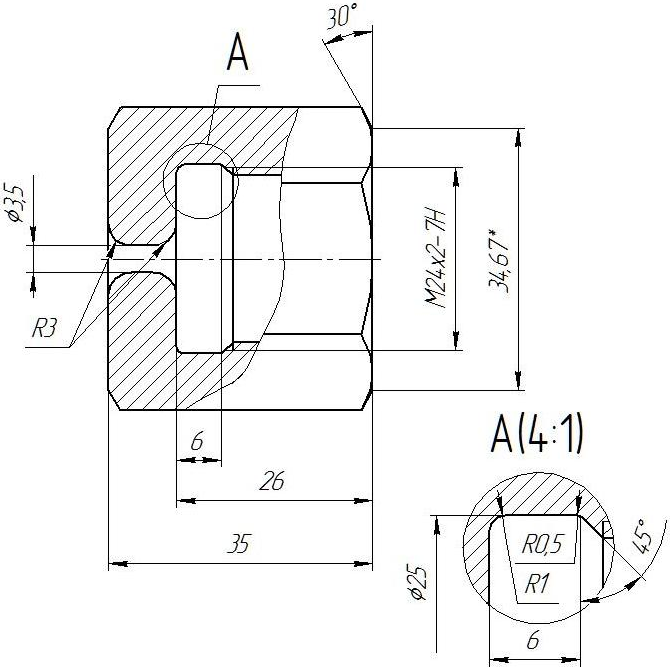
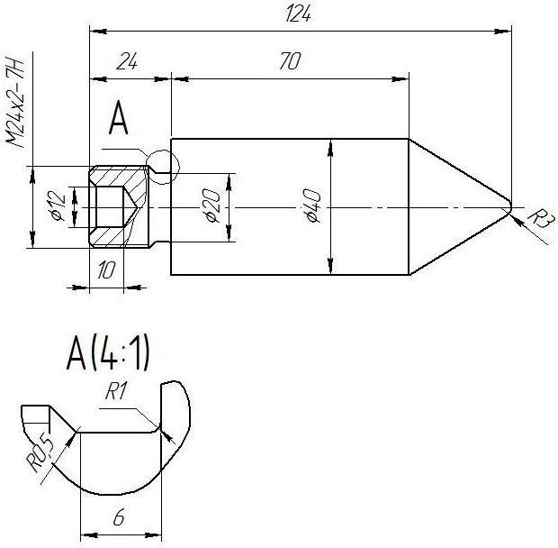
(рекомендуемое)
| Материал: Ст. 3 сп Покрытие: Хим. Окс. прм. Количество - 2 шт. |
Рисунок А.1. Эскиз груза отвеса
| Материал: Ст. 3 сп Покрытие: Хим. Окс. прм. Количество - 2 шт. |
Лист регистрации изменений
Изменение | Номера листов (страниц) | Номер документа | Подпись | Дата | Срок введения изменения |
измененных | замененных | новых | аннулированных |
1 | 2 | 3 | 4 | 5 | 6 | 7 | 8 | 9 |
| | | | | | | | |
| | | | | | | | |
| | | | | | | | |
| | | | | | | | |
| | | | | | | | |
| | | | | | | | |
| | | | | | | | |
| | | | | | | | |
| | | | | | | | |
| | | | | | | | |
| | | | | | | | |
| | | | | | | | |
| | | | | | | | |
| | | | | | | | |
| | | | | | | | |
| | | | | | | | |
| | | | | | | | |
| | | | | | | | |
| | | | | | | | |
| | | | | | | | |
| | | | | | | | |
| | | | | | | | |
| | | | | | | | |
| | | | | | | | |
| | | | | | | | |
| | | | | | | | |
| | | | | | | | |
| | | | | | | | |
| | | | | | | | |
| | | | | | | | |
| | | | | | | | |
| | | | | | | | |
| | | | | | | | |