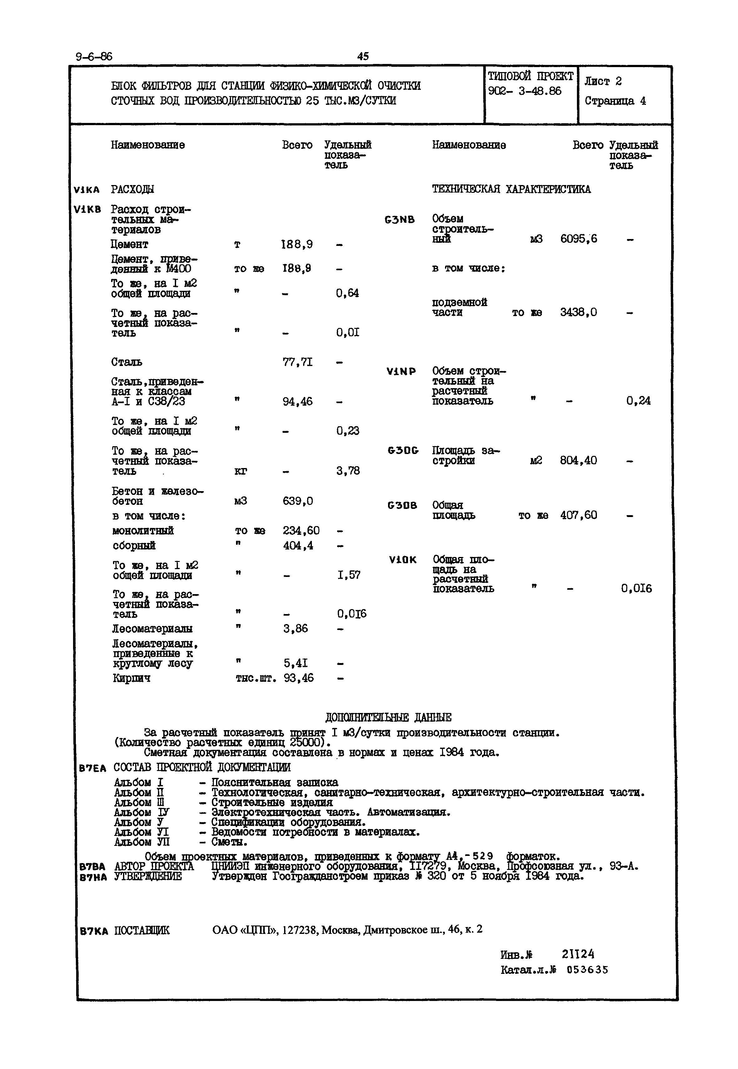
Скачать Типовой проект 902-3-48.86 Блок фильтров для станции физико-химической очистки сточных вод производительностью 25 тыс. куб. м/суткиДата актуализации: 01.01.2021 Типовой проект 902-3-48.86
Блок фильтров для станции физико-химической очистки сточных вод производительностью 25 тыс. куб. м/сутки| Обозначение: | Типовой проект 902-3-48.86 | | Обозначение англ: | 902-3-48.86 | | Статус: | не определен законодательством | | Название рус.: | Блок фильтров для станции физико-химической очистки сточных вод производительностью 25 тыс. куб. м/сутки | | Дата добавления в базу: | 01.09.2013 | | Дата актуализации: | 01.01.2021 | | Дата введения: | 12.12.1985 | | Дата окончания срока действия: | 30.06.2003 |
  
|