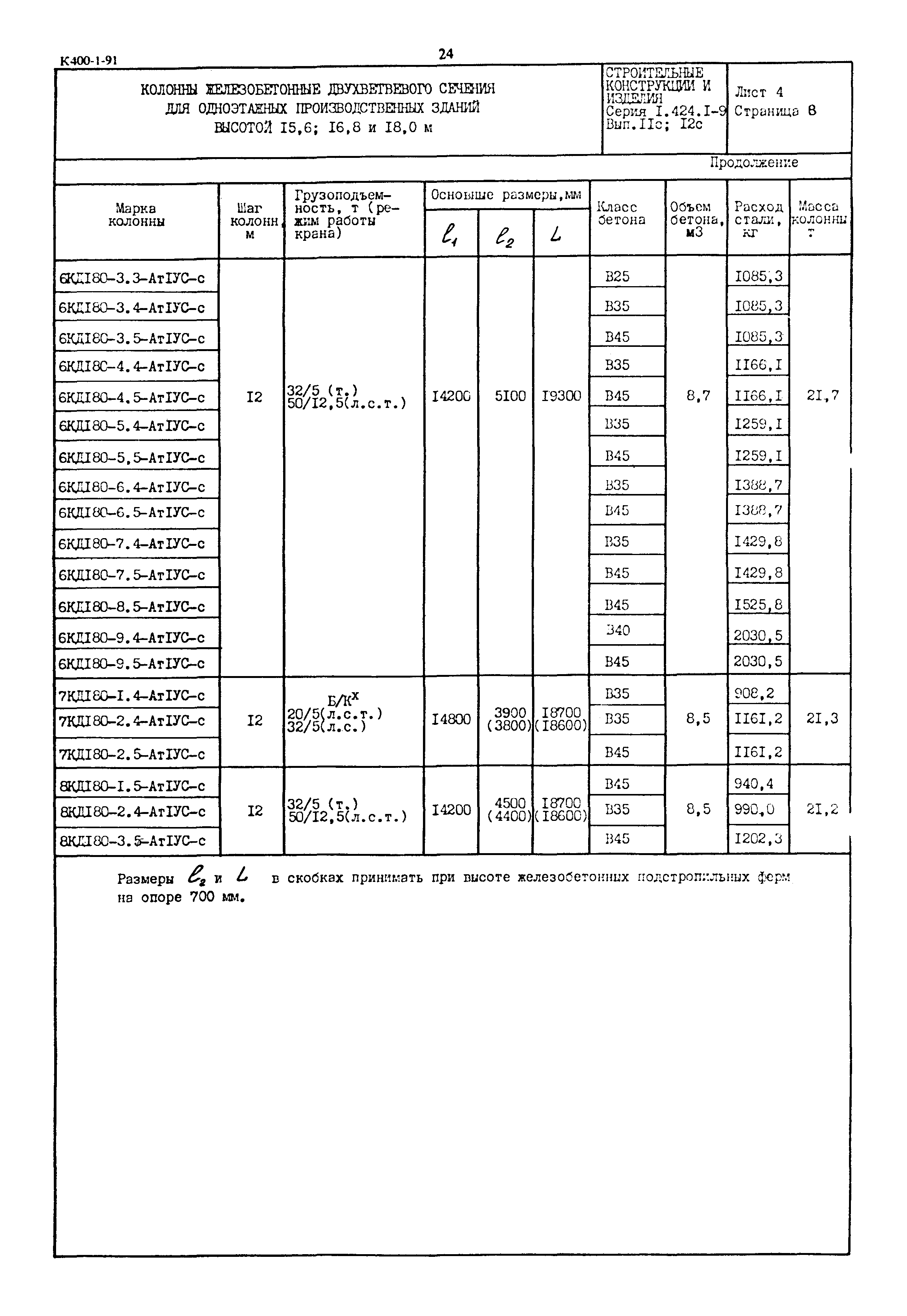
Скачать Серия 1.424.1-9 Выпуск 11с. Вариант армирования колонн сталью класса Ат-IVС. Материалы для проектирования зданий с расчетной сейсмичностью 7, 8 баллов. Колонны для зданий с расчетной сейсмичностью 8 баллов. Рабочие чертежиДата актуализации: 01.01.2021
|
| Обозначение: | Серия 1.424.1-9 |
| Обозначение англ: | Series 1.424.1-9 |
| Статус: | не определен законодательством |
| Название рус.: | Выпуск 11с. Вариант армирования колонн сталью класса Ат-IVС. Материалы для проектирования зданий с расчетной сейсмичностью 7, 8 баллов. Колонны для зданий с расчетной сейсмичностью 8 баллов. Рабочие чертежи |
| Дата добавления в базу: | 01.09.2013 |
| Дата актуализации: | 01.01.2021 |
| Дата введения: | 01.01.1991 |
| Дата окончания срока действия: | 30.06.2003 |
| Оглавление: | 1.424.1-9.11с-ПЗ Пояснительная записка 1.424.1-9.11с-1НИ Номенклатура колонн 1.424.1-9.11с-2 Колонна крайняя. Спецификация 1.424.1-9.11с-3 Колонна средняя. Спецификация 1.424.1-9.11с-4РС Ведомость расхода стали |









