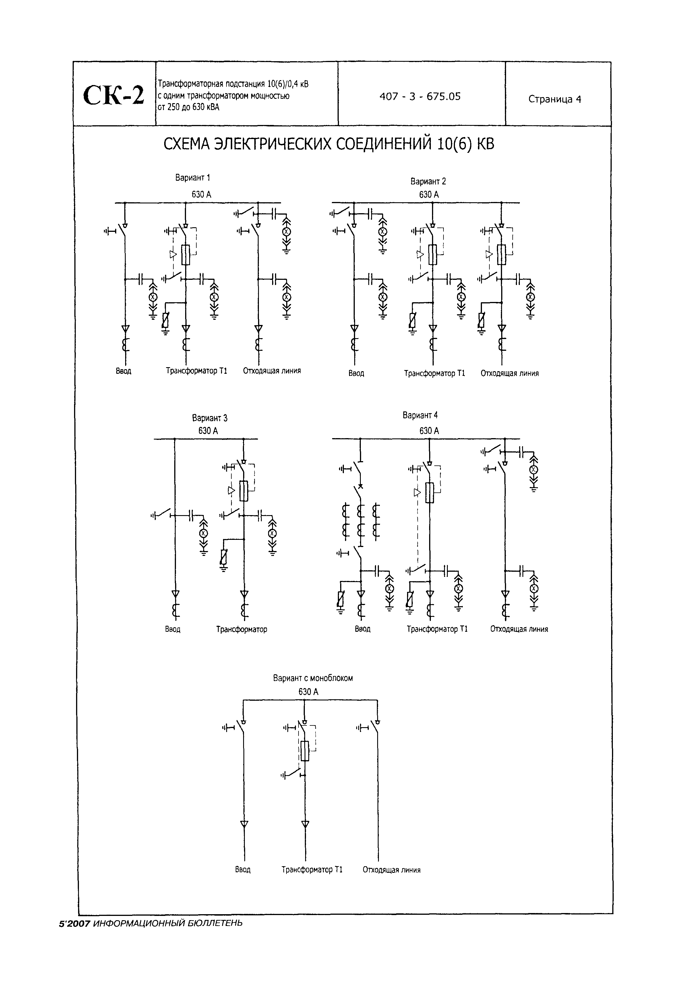
Скачать Типовой проект 407-3-675.05 Трансформаторная подстанция 10(6)/0,4 кВ с одним трансформатором мощностью от 250 до 630 КВАДата актуализации: 01.01.2021 Типовой проект 407-3-675.05
Трансформаторная подстанция 10(6)/0,4 кВ с одним трансформатором мощностью от 250 до 630 КВА| Обозначение: | Типовой проект 407-3-675.05 | | Обозначение англ: | 407-3-675.05 | | Статус: | не определен законодательством | | Название рус.: | Трансформаторная подстанция 10(6)/0,4 кВ с одним трансформатором мощностью от 250 до 630 КВА | | Дата добавления в базу: | 01.09.2013 | | Дата актуализации: | 01.01.2021 | | Дата введения: | 23.10.2006 |
       
|