Скачать Серия 1.432-13 Выпуск 0. Материалы для проектированияДата актуализации: 01.01.2021
|
| Обозначение: | Серия 1.432-13 |
| Обозначение англ: | Series 1.432-13 |
| Статус: | не определен законодательством |
| Название рус.: | Выпуск 0. Материалы для проектирования |
| Дата добавления в базу: | 01.09.2013 |
| Дата актуализации: | 01.01.2021 |
| Дата введения: | 17.11.1977 |
| Дата окончания срока действия: | 30.06.2003 |
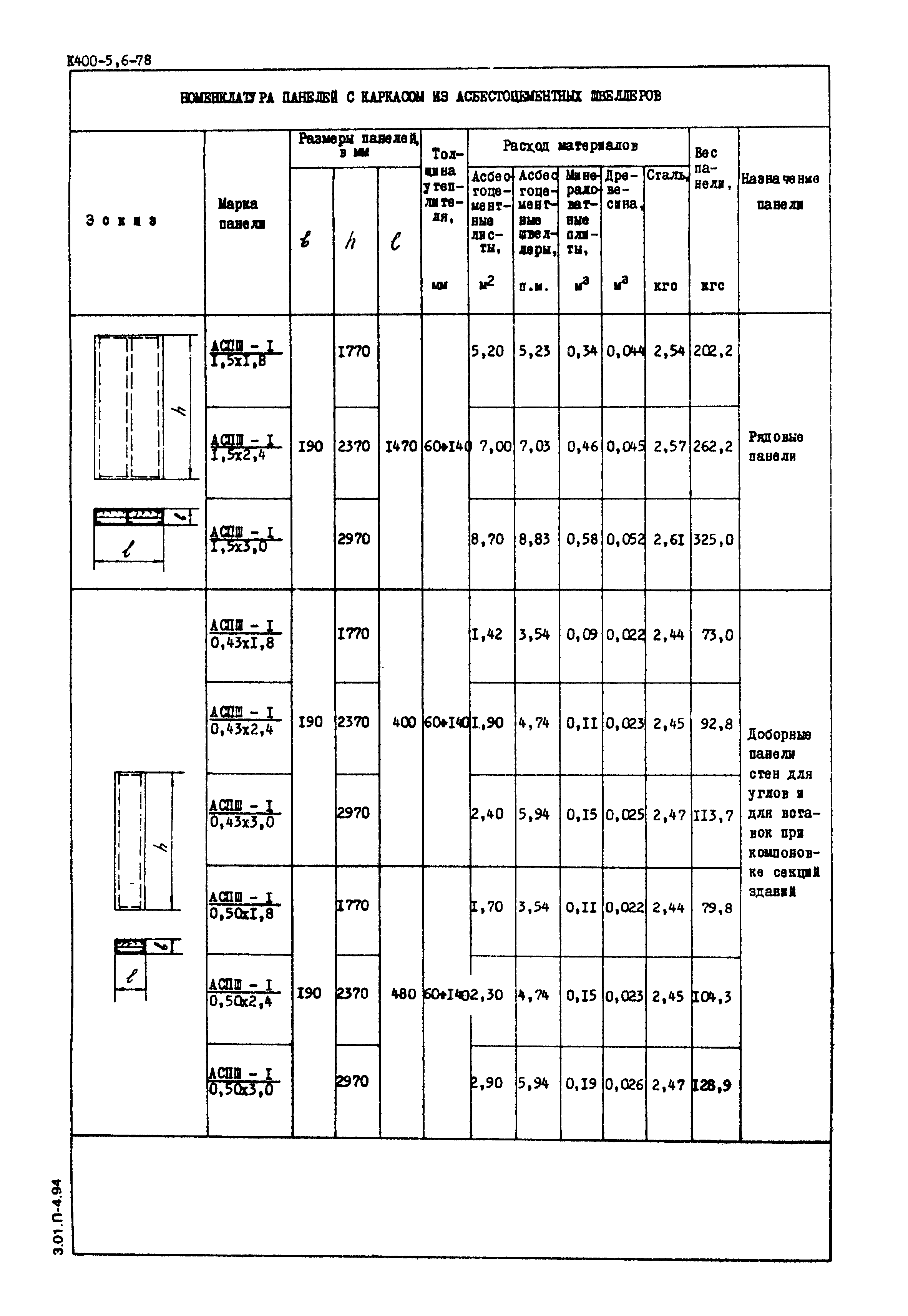
| Область применения: | Настоящая серия содержит рабочие чертежи асбестоцементных каркасных утепленных стеновых панелей для "Унифицированных одноэтажных промышленных зданий (секций) из легких металлических конструкций", серия 400-0-2 |
| Оглавление: | Содержание Пояснительная записка Номенклатура стеновых панелей с деревянным каркасом Номенклатура стеновых панелей с каркасом из асбестоцементных швеллеров Примеры раскладки стеновых панелей в зданиях Монтажные схемы продольных стен для зданий с конструкциями типов "Берлин", "Плоуэн" и "Кисловодск" и фермами из труб Монтажные схемы продольных и торцовых стен для здания с конструкциями типа ЦНИИСК Монтажные схемы торцовых стен в пределах конструкций покрытия Устройство углов зданий Температурные швы при компоновке секций зданий Узлы У1 и Т Узлы У1а и Та Узлы 1 и 2 Узлы 3 и 4 Узел 5 Узлы 6 и У2 Узлы 1а и 2а Узлы 3а и 4а Узел 5а Узлы 6а и У2а Детали заделки швов между панелями с деревянным каркасом Детали заделки швов между панелями с каркасом из асбестоцементных швеллеров |


