Скачать Серия 3.015-16.94 Выпуск 1. Колонны сборные железобетонные. Рабочие чертежиДата актуализации: 01.01.2021
|
| Обозначение: | Серия 3.015-16.94 |
| Обозначение англ: | Series 3.015-16.94 |
| Статус: | не определен законодательством |
| Название рус.: | Выпуск 1. Колонны сборные железобетонные. Рабочие чертежи |
| Дата добавления в базу: | 01.09.2013 |
| Дата актуализации: | 01.01.2021 |
| Дата введения: | 01.01.1995 |
| Дата окончания срока действия: | 30.06.2003 |
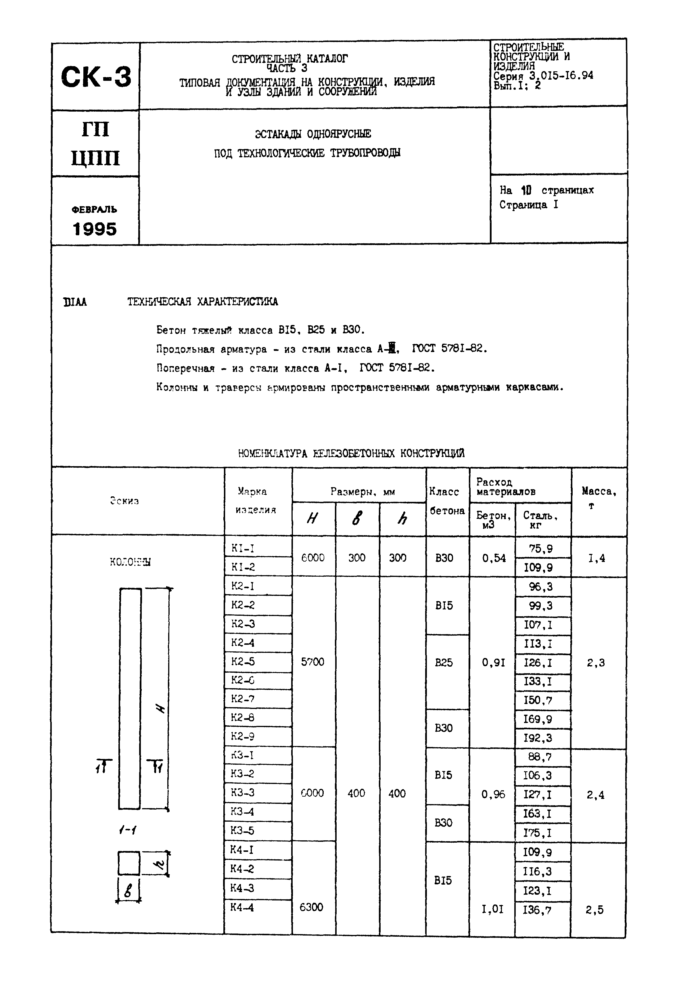
| Оглавление: | 3.015-16.94.1-ТТ Технические требования 3.015-16.94.1-1 Колонна К1-1; К1-2 3.015-16.94.1-2 Колонна К2-1...К2-9, К3-1...К3-5; К4-1...К4-10 3.015-16.94.1-3 Колонна К5-1...К5-6; К6-1...К6-10; К7-1...К7-6 3.015-16.94.1-4 Колонна К8-1...К8-5; К9-1...К9-6 3.015-16.94.1-5 Колонна К10-1; К10-2; К11-1...К11-4; К12-1...К12-4 3.015-16.94.1-6 Колонна К13-1...К13-7; К14-1...К14-4 3.015-16.94.1-7 Колонна К15-1; К15-2; К16-1; К16-3; К17-1...К17-3 3.015-16.94.1-8 Колонна К18-1...К18-12; К19-1...К19-12; К20-1...К20-12; К21-1...К21-4 3.015-16.94.1-9 Колонна К22-1...К22-8; К23-1...К23-7,К24-1...К24-6; К25-1...К25-8 3.015-16.94.1-10 Колонна К26-1...К26-5; К27-1...К27-5; К28-1...К28-8 3.015-16.94.1-11 Узел 1...7 3.015-16.94.1-12 Каркас КП1-1; КП1-2, КП2-1...КП2-9 3.015-16.94.1-13 Каркас КП3-1...КП3-5 3.015-16.94.1-14 Каркас КП4-1...КП4-10 3.015-16.94.1-15 Каркас КП5-1...КП5-6 3.015-16.94.1-16 Каркас КП6-1...КП6-10 3.015-16.94.1-17 Каркас КП7-1...КП7-6 3.015-16.94.1-18 Каркас КП8-1...КП8-5; КП9-1...КП9-6 3.015-16.94.1-19 Каркас КП10-1; КП10-2; КП11-1...КП11-4; КП12-1...КП12-4 3.015-16.94.1-20 Каркас КП13-1...КП13-7; КП14-1...КП14-4 3.015-16.94.1-21 Каркас КП15-1; КП15-2; КП16-1; КП16-2; КП17-1...КП17-3 3.015-16.94.1-22 Каркас КП18-1...КП18-12 3.015-16.94.1-23 Каркас КП19-1.. .КП19-12 3.015-16.94.1-24 Каркас КП20-1...КП20-12; КП21-1...КП21-4 3.015-16.94.1-25 Каркас КП22-1...КП22-8; КП23-1...КП23-7 3.015-16.94.1-26 Каркас КП24-1.. .КП24-6; КП25-1.. .КП25-8 3.015-16.94.1-27 Каркас КП26-1...КП26-5; КП27-1...КП27-5; КП28-1...КП28-8 3.015-16.94.1-28 Каркас КP1-1, КP1-2; КP2-1...КP2-10 3.015-16.94.1-29 Каркас КP3-1...КP3-5; КP4-1; КР4-2; КP5-1...КP5-3 3.015-16.94.1-30 Каркас КP6-1...КP6-10; КP7-1; КР7-2 3.015-16.94.1-31 Каркас КP8-1...КP8-6; КP9-1; КР9-2; КP10-1...КP10-4 3.015-16.94.1-32 Каркас КP11-1...КP11-10 3.015-16.94.1-33 Каркас КP12-1...КP12-6; КP13-1...КP13-3; КP14-1...КP14-4 3.015-16.94.1-34 Каркас КP15-1...КP15-10 3.015-16.94.1-35 Каркас КP16-1...КP16-7; КP17-1...КP17-3 3.015-16.94.1-36 Каркас КP18-1...КP18-14 3.015-16.94.1-37 Каркас КP19-1...КP19-5; КP20-1...КP20-10 3.015-16.94.1-38 Каркас КP21-1...КP21-5; КP22-1; КР22-2; КP23-1...КP23-9 3.015-16.94.1-39 Каркас КP24-1; КР24-2; КP25-1; КР25-2; КP26-1...КP26-10 3.015-16.94.1-40 Каркас КP27-1...КP27-5; КP28-1...КP28-5; КP29-1; КР29-2 3.015-16.94.1-РС Ведомость расхода стали на колонну, кг |









