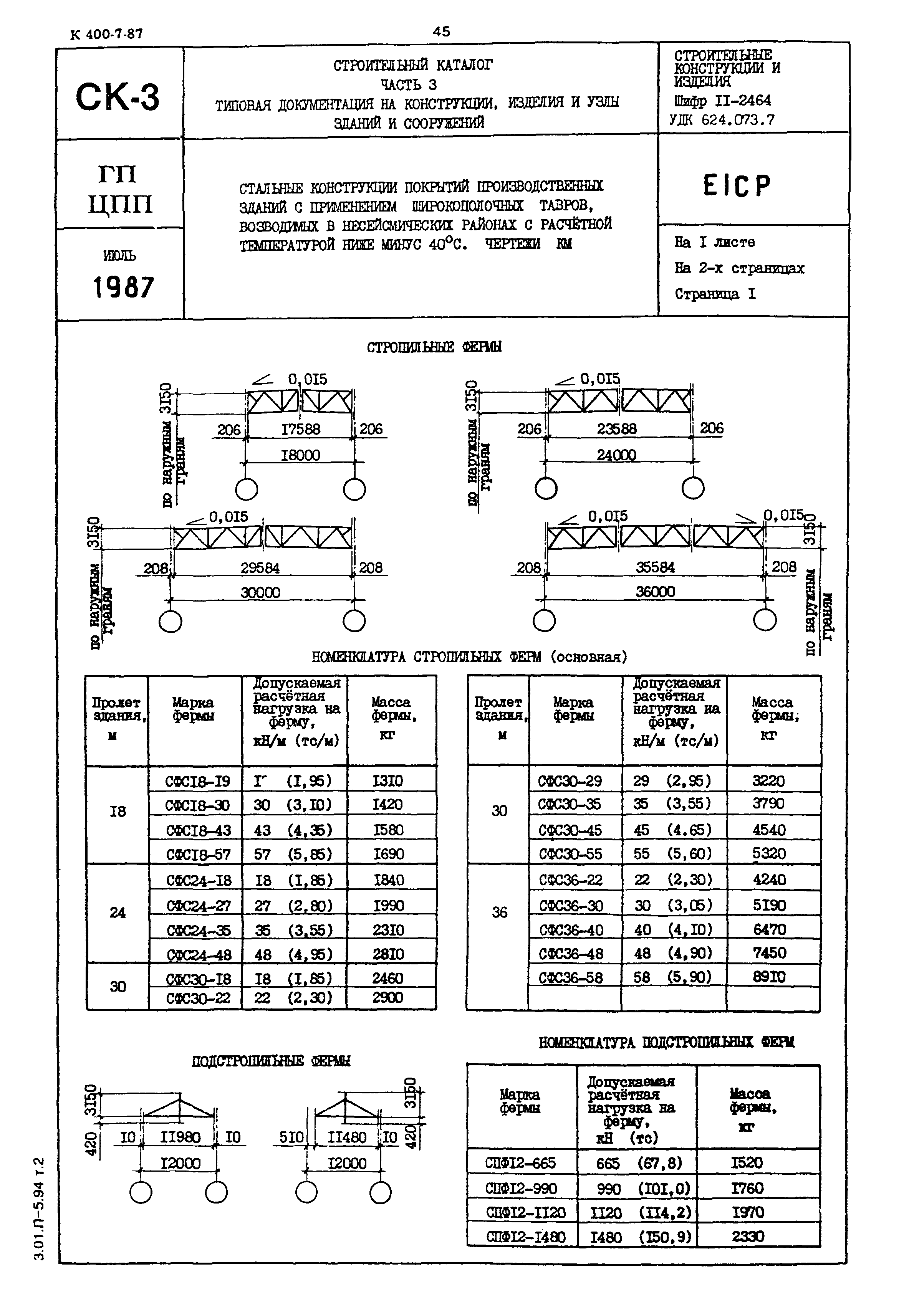
Скачать Шифр 11-2464 Стальные конструкции покрытий производственных зданий с применением широкополочных тавров, возводимых в несейсмических районах с расчетной температурой ниже минус 40 градусов Цельсия. Чертежи КМДата актуализации: 01.01.2021 Шифр 11-2464
Стальные конструкции покрытий производственных зданий с применением широкополочных тавров, возводимых в несейсмических районах с расчетной температурой ниже минус 40 градусов Цельсия. Чертежи КМ| Обозначение: | Шифр 11-2464 | | Обозначение англ: | 11-2464 | | Статус: | действует | | Название рус.: | Стальные конструкции покрытий производственных зданий с применением широкополочных тавров, возводимых в несейсмических районах с расчетной температурой ниже минус 40 градусов Цельсия. Чертежи КМ | | Дата добавления в базу: | 01.09.2013 | | Дата актуализации: | 01.01.2021 | | Дата введения: | 25.03.1987 |

|