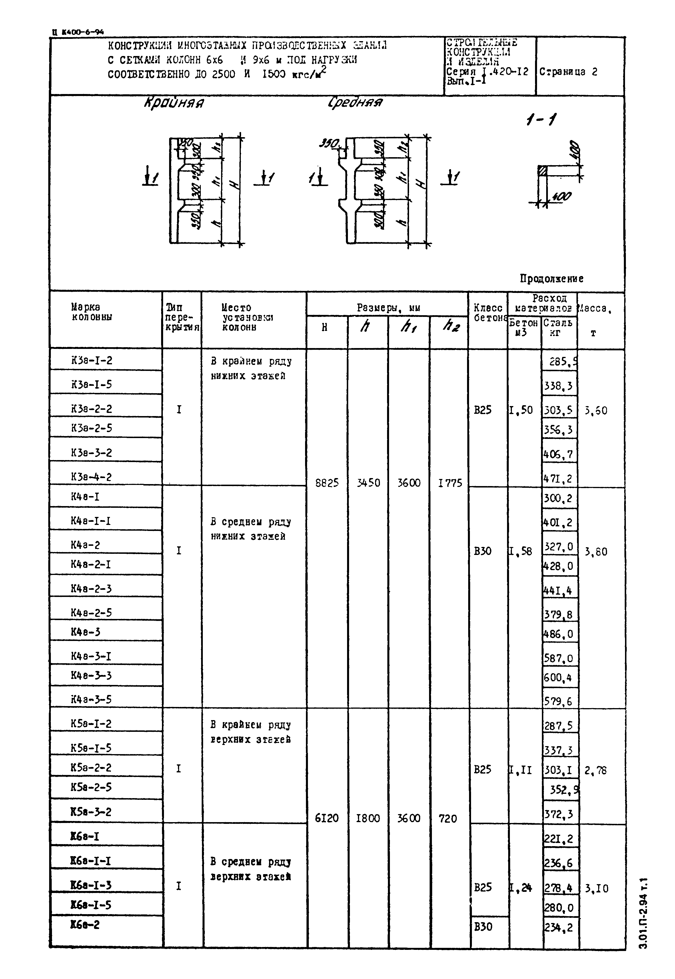
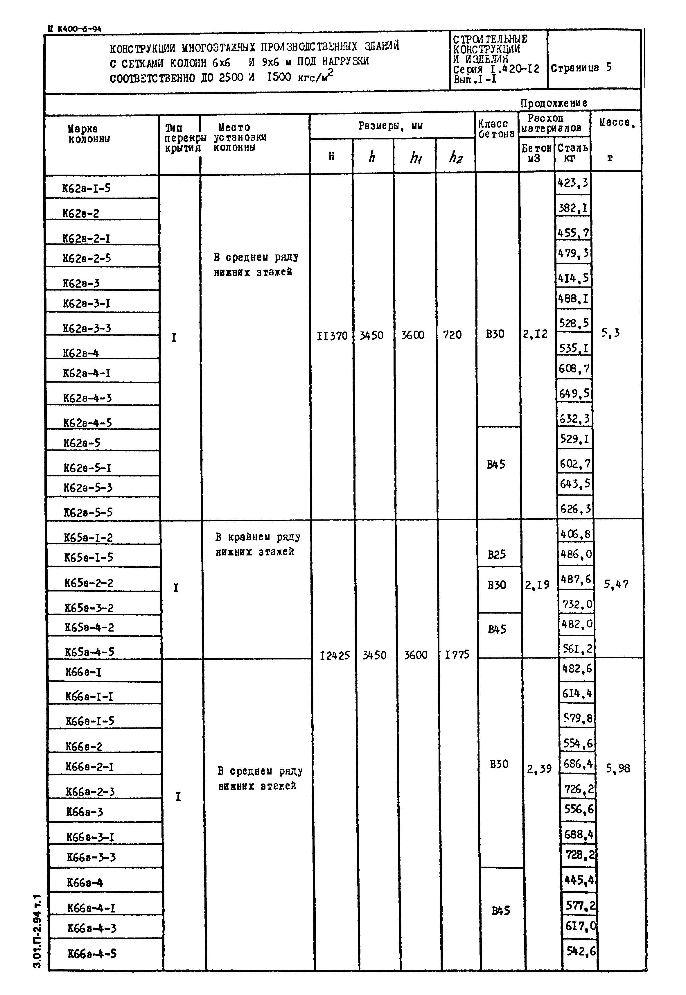
Скачать Серия 1.420-12 Выпуск 1-1. Железобетонные колонны. Высота этажей 3,6 м. Арматурные изделия (дополнение к выпуску 1 серии 1.420-12). Рабочие чертежиДата актуализации: 01.01.2021 Серия 1.420-12
Выпуск 1-1. Железобетонные колонны. Высота этажей 3,6 м. Арматурные изделия (дополнение к выпуску 1 серии 1.420-12). Рабочие чертежи| Обозначение: | Серия 1.420-12 | | Обозначение англ: | Series 1.420-12 | | Статус: | не действует | | Название рус.: | Выпуск 1-1. Железобетонные колонны. Высота этажей 3,6 м. Арматурные изделия (дополнение к выпуску 1 серии 1.420-12). Рабочие чертежи | | Дата добавления в базу: | 01.09.2013 | | Дата актуализации: | 01.01.2021 | | Дата введения: | 01.03.1994 | | Дата окончания срока действия: | 01.10.1998 |
     
|