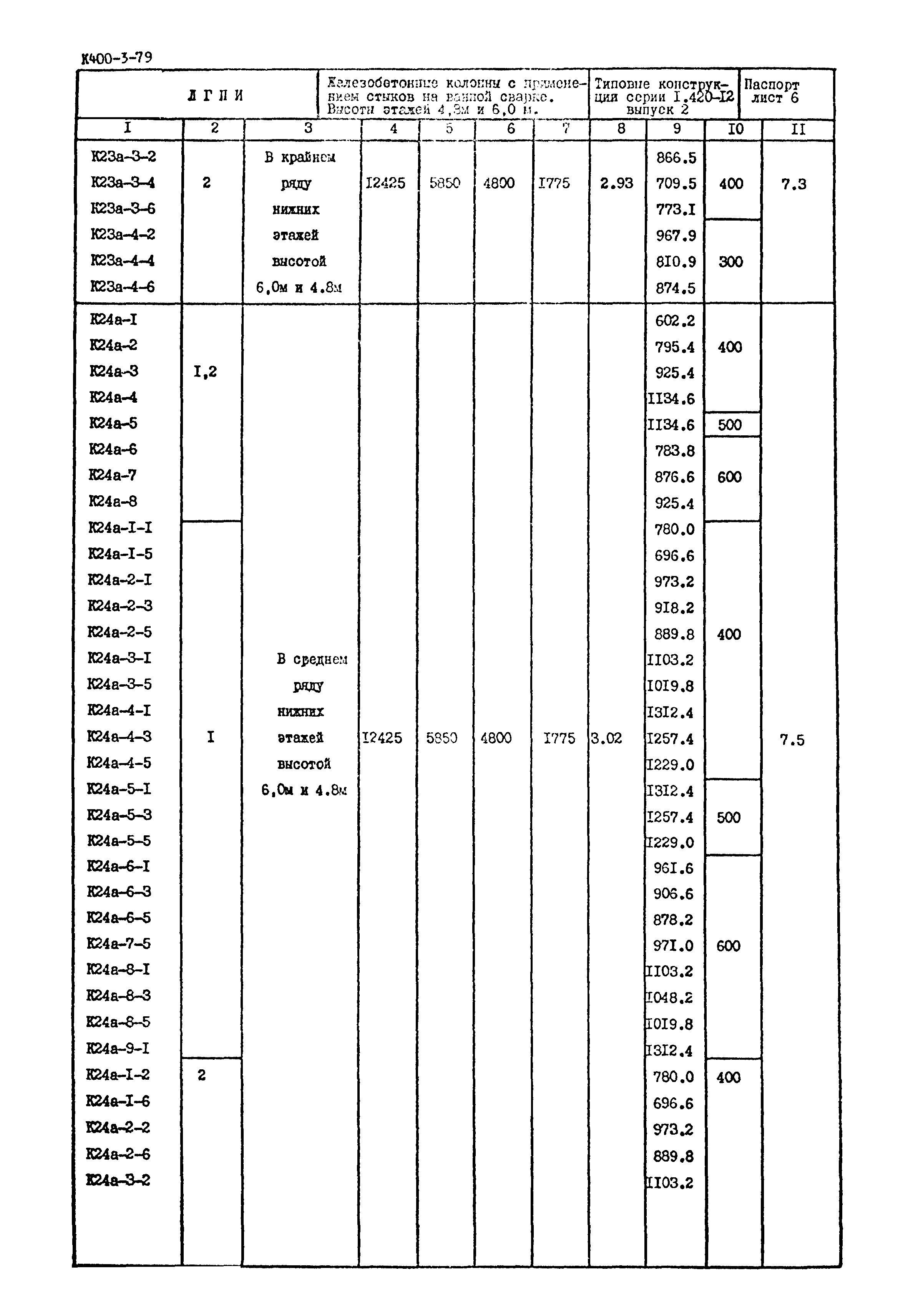
Скачать Серия 1.420-12 Выпуск 2. Часть 1. Железобетонные колонны с применением стыков на ванной сварке. Высоты этажей 4,8 м и 6,0 м. Рабочие чертежиДата актуализации: 01.01.2021 Серия 1.420-12
Выпуск 2. Часть 1. Железобетонные колонны с применением стыков на ванной сварке. Высоты этажей 4,8 м и 6,0 м. Рабочие чертежи| Обозначение: | Серия 1.420-12 | | Обозначение англ: | Series 1.420-12 | | Статус: | не действует | | Название рус.: | Выпуск 2. Часть 1. Железобетонные колонны с применением стыков на ванной сварке. Высоты этажей 4,8 м и 6,0 м. Рабочие чертежи | | Дата добавления в базу: | 01.09.2013 | | Дата актуализации: | 01.01.2021 | | Дата введения: | 01.03.1979 | | Дата окончания срока действия: | 01.10.1998 |
           
|