Скачать Серия 1.420.1-25 Выпуск 4. Железобетонные межколонные и пролетные плиты для зданий с сеткой колонн 9х6 м. Рабочие чертежиДата актуализации: 01.01.2021
|
| Обозначение: | Серия 1.420.1-25 |
| Обозначение англ: | Series 1.420.1-25 |
| Статус: | не определен законодательством |
| Название рус.: | Выпуск 4. Железобетонные межколонные и пролетные плиты для зданий с сеткой колонн 9х6 м. Рабочие чертежи |
| Дата добавления в базу: | 01.09.2013 |
| Дата актуализации: | 01.01.2021 |
| Дата введения: | 01.03.1990 |
| Дата окончания срока действия: | 30.06.2003 |
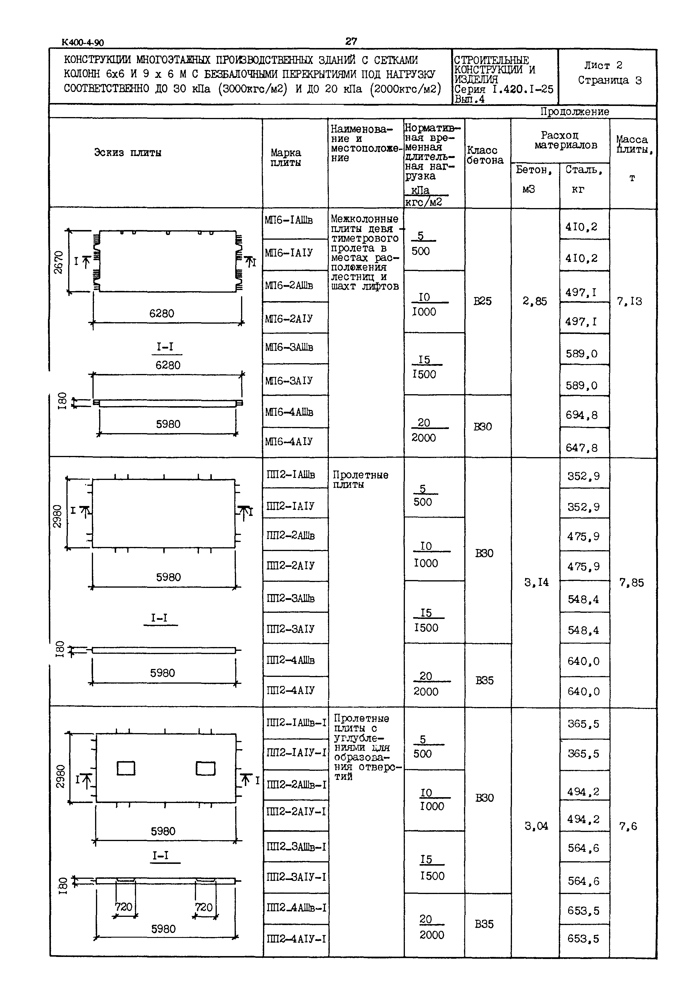
| Оглавление: | 1.420.1-25.4-ТТ Технические требования 1.420.1-25.4-1ФЧ Плита межколонная МП3, МП4. Опалубочный чертеж 1.420.1-25.4-1 Плита межколонная МП3, МП4 1.420.1-25.4-2ФЧ Плита межколонная МП5. Опалубочный чертеж 1.420.1-25.4-3 Плита межколонная МП5 1.420.1-25.4-3ФЧ Плита межколонная МП6. Опалубочный чертеж 1.420.1-25.4-3 Плита межколонная МП6 1.420.1-25.4-4 Узлы 1…5 1.420.1-25.4-5ФЧ Плита пролетная ПП2. Опалубочный чертеж 1.420.1-25.4-5 Плита пролетная ПП2 1.420.1-25.4-6 Сетка С1…С3 1.420.1-25.4-7 Сетка С4…С6 1.420.1-25.4-8 Сетка С7…С9 1.420.1-25.4-9 Сетка С10…С12 1.420.1-25.4-10 Сетка С13…С16 1.420.1-25.4-11 Сетка С17…С19 1.420.1-25.4-12 Сетка С20…С23 1.420.1-25.4-13 Сетка С24…С26 1.420.1-25.4-14 Сетка С27…С29 1.420.1-25.4-15 Сетка С32…С34 1.420.1-25.4-16 Сетка С30, С31 1.420.1-25.4-17 Сетка С35, С36 1.420.1-25.4-18 Сетка С37…С39 1.420.1-25.4-19 Сетка С40, С41 1.420.1-25.4-20 Сетка С42…С44 1.420.1-25.4-21 Сетка С45…С47 1.420.1-25.4-22 Сетка С48…С50 1.420.1-25.4-23 Сетка С51…С53 1.420.1-25.4-24 Сетка С54…С56 1.420.1-25.4-25 Каркас КР1…КР3 1.420.1-25.4-26 Каркас КР4…КР6 1.420.1-25.4-27 Каркас КР7…КР9 1.420.1-25.4-28 Сетка С57 1.420.1-25.4-29 Позиция 12…16,18,19 1.420.1-25.4-30 Изделие закладное МН1…МН4 1.420.1-25.4-31 Изделие закладное МН5…МН10 1.420.1-25.4-32 Изделие закладное МН11…МН13 1.420.1-25.4-33 Изделие закладное МН14 1.420.1-25.4-34 Изделие закладное МН15 1.420.1-25.4-35 Изделие закладное МН16…МН18 1.420.1-25.4-36 Изделие закладное МН19…МН21 1.420.1-25.4-37 Изделие закладное МН22…МН24 1.420.1-25.4-38 Изделие закладное МН25 1.420.1-25.4-39 Изделие закладное МН26, МН27 1.420.1-25.4-РС Ведомость расхода стали |



