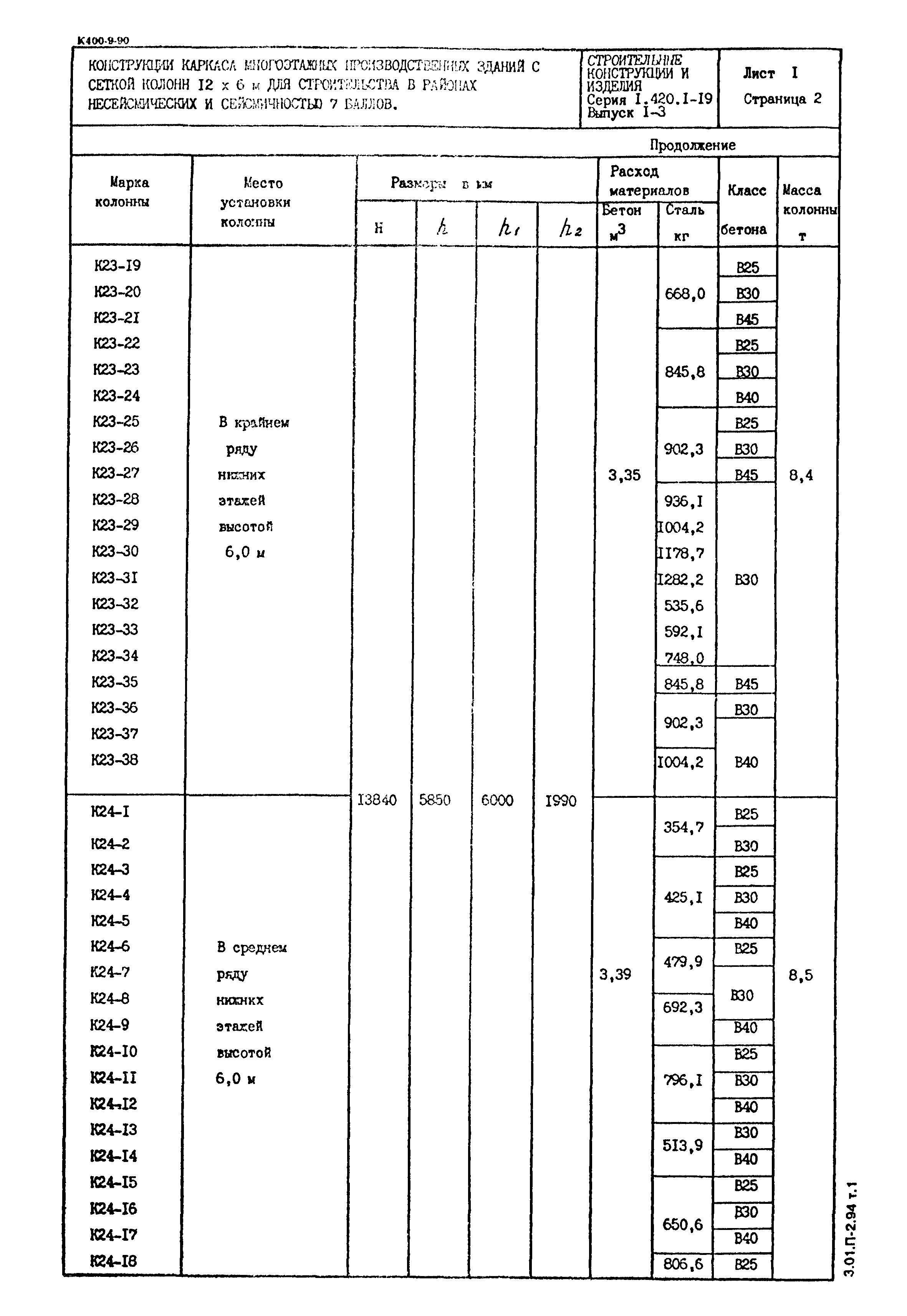
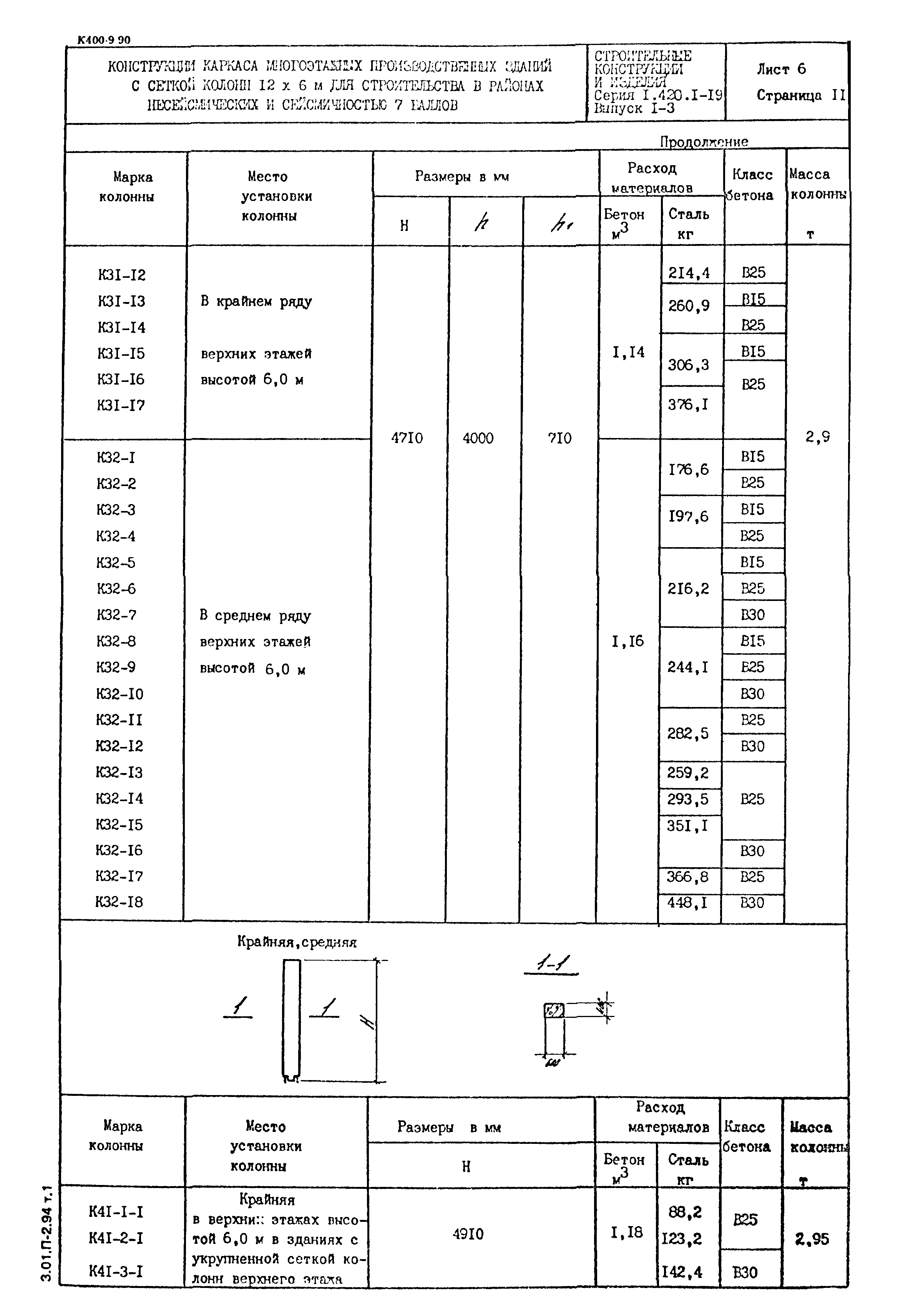
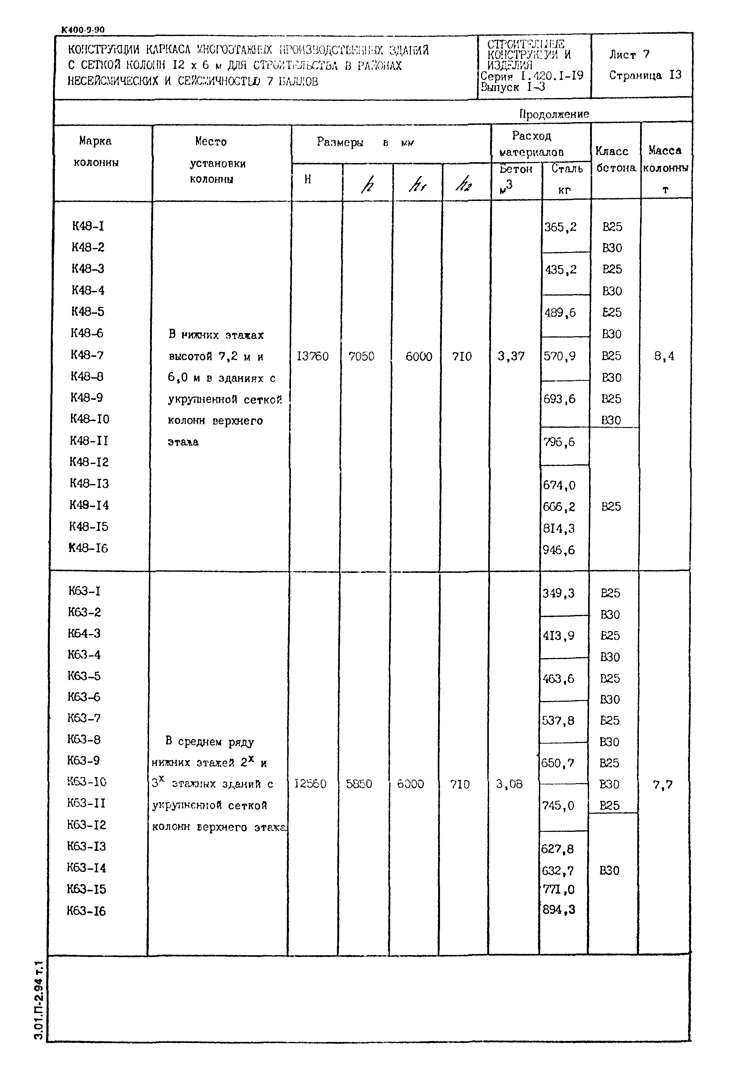
Скачать Серия 1.420.1-19 Выпуск 1-3. Колонны высотой 6,0; 7,2-6,0 м. Армирование и пространственные каркасы. Рабочие чертежиДата актуализации: 01.01.2021 Серия 1.420.1-19
Выпуск 1-3. Колонны высотой 6,0; 7,2-6,0 м. Армирование и пространственные каркасы. Рабочие чертежи| Обозначение: | Серия 1.420.1-19 | | Обозначение англ: | Series 1.420.1-19 | | Статус: | не определен законодательством | | Название рус.: | Выпуск 1-3. Колонны высотой 6,0; 7,2-6,0 м. Армирование и пространственные каркасы. Рабочие чертежи | | Дата добавления в базу: | 01.09.2013 | | Дата актуализации: | 01.01.2021 | | Дата введения: | 01.04.1989 | | Дата окончания срока действия: | 30.06.2003 |
            
|