Скачать Серия 1.189-6 Выпуск 3/82. Элементы железобетонных шахт пассажирских лифтов с противовесом сзади кабины. Рабочие чертежиДата актуализации: 01.01.2021
|
| Обозначение: | Серия 1.189-6 |
| Обозначение англ: | Series 1.189-6 |
| Статус: | действует |
| Название рус.: | Выпуск 3/82. Элементы железобетонных шахт пассажирских лифтов с противовесом сзади кабины. Рабочие чертежи |
| Дата добавления в базу: | 01.09.2013 |
| Дата актуализации: | 01.01.2021 |
| Дата введения: | 01.02.1984 |
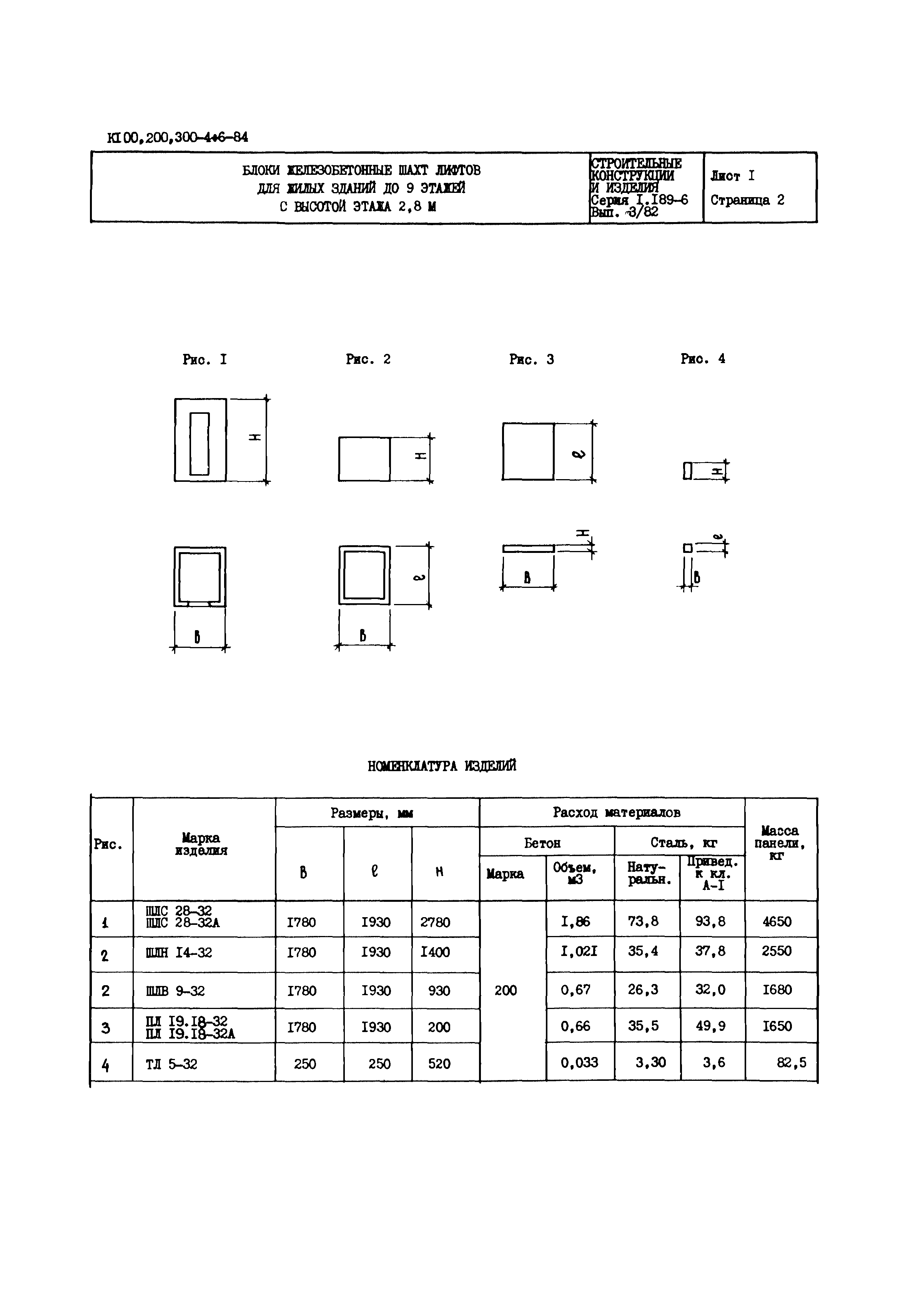
| Оглавление: | 1.189-6.3/82-00000ТО Техническое описание 1.189-6.3/82-00000Д1 Схема расположения блоков, детали, узлы А,Б,В 1.189-6.3/82-10000 Блок средний (ШЛС28-32,ШЛС28-32А) 1.189-6.3/82-20000 Блок нижний ШЛН14-32 1.189-6.3/82-30000 Блок верхний ШЛН9-32 1.189-6.3/82-40000 Плита перекрытия (ПЛ19.18-32,ПЛ19.18-32л) 1.189-6.3/82-50000 Тумба ТЛ5-32 1.189-6.3/82-00000Д2 Узлы 1…10 1.189-6.3/82-11000 Блок арматурный АБ-1 1.189-6.3/82-21000 Блок арматурный АБ-2 1.189-6.3/82-31000 Блок арматурный АБ-3 1.189-6.3/82-41000 Блок арматурный АБ-4 1.189-6.3/82-11100 Сетка (С-1,С-2,С-3) 1.189-6.3/82-11200 Сетка (С-4,С-5,С-6) 1.189-6.3/82-11300 Сетка (С-7,С-8,С-9) 1.189-6.3/82-11400 Каркас (К-1;К-2) 1.189-6.3/82-11500 Каркас (К-3,К-4,К-5) 1.189-6.3/82-41100 Каркас К-6 1.189-6.3/82-10100 Изделие закладное (М-1,М-2,М-3,М-11) 1.189-6.3/82-10100СБ Изделие закладное (М-1,М-2,М-3,М-11). Сборочный чертеж 1.189-6.3/82-10200 Изделие закладное (М-4,М-5,М-8,М-9,М-10) 1.189-6.3/82-10200СБ Изделие закладное (М-4,М-5,М-8,М-9,М-10). Сборочный чертеж 1.189-6.3/82-11600 Изделие закладное (М-6,М-6А,М-7) 1.189-6.3/82-11001 Петля строповочная (П-1,П2,П3) 1.189-6.3/82-41001 Петля строповочная П-4 1.189-6.3/82-00000ВРС Ведомость расхода стали |


