Скачать Серия 1.245.4-5 Подвесные потолки из алюминиевых сплавовДата актуализации: 01.01.2021
|
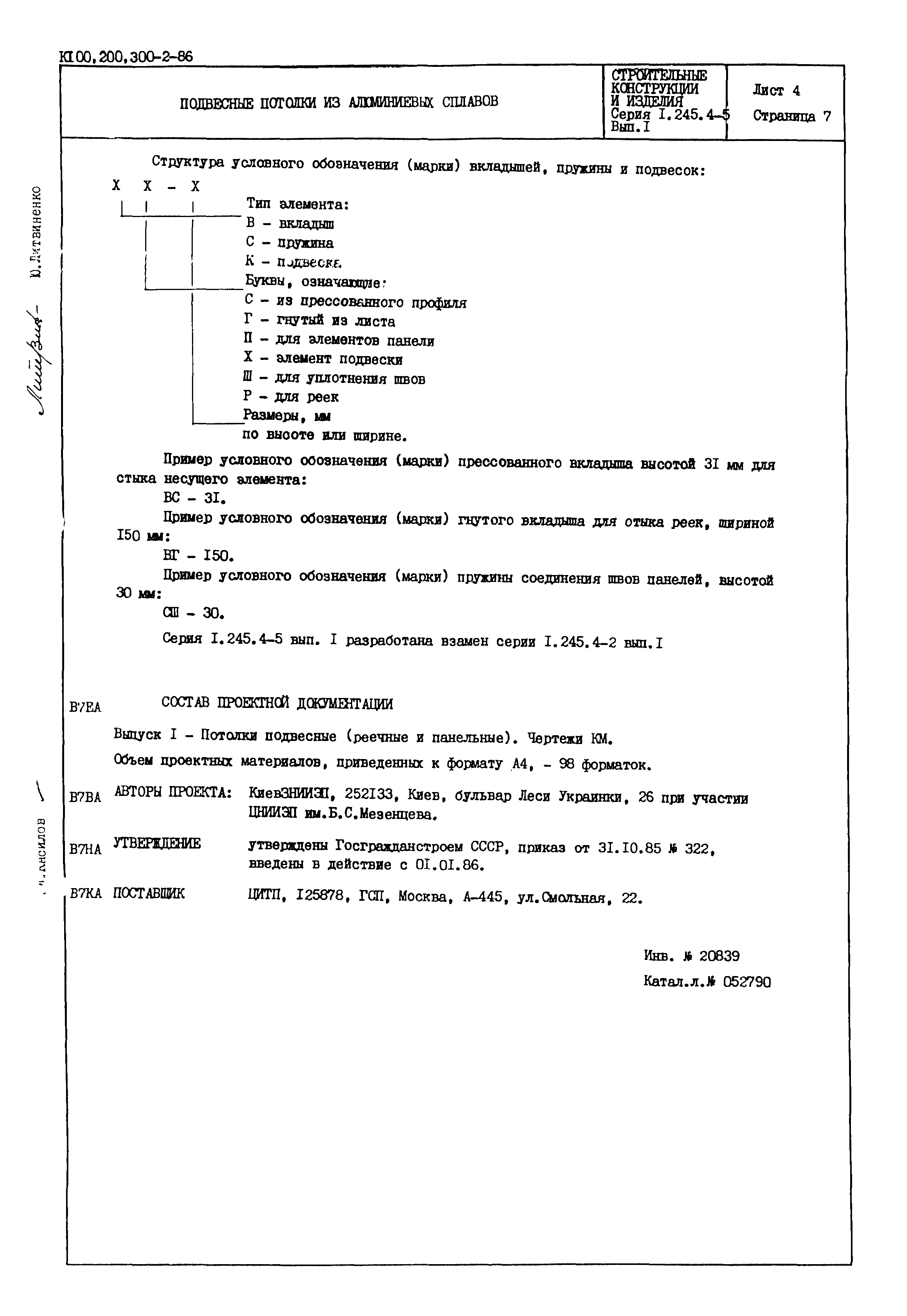
| Обозначение: | Серия 1.245.4-5 |
| Обозначение англ: | Series 1.245.4-5 |
| Статус: | не определен законодательством |
| Название рус.: | Подвесные потолки из алюминиевых сплавов |
| Дата добавления в базу: | 01.09.2013 |
| Дата актуализации: | 01.01.2021 |
| Дата введения: | 01.01.1986 |
| Дата окончания срока действия: | 30.06.2003 |






