Скачать Серия 3.300.9-4 Выпуск 0-2. Оборудование и мебель детских площадок (комплекты для выносных модулей теневых навесов). Указания по применениюДата актуализации: 01.01.2021
|
| Обозначение: | Серия 3.300.9-4 |
| Обозначение англ: | Series 3.300.9-4 |
| Статус: | не определен законодательством |
| Название рус.: | Выпуск 0-2. Оборудование и мебель детских площадок (комплекты для выносных модулей теневых навесов). Указания по применению |
| Дата добавления в базу: | 01.09.2013 |
| Дата актуализации: | 01.01.2021 |
| Дата введения: | 01.12.1990 |
| Дата окончания срока действия: | 30.06.2003 |
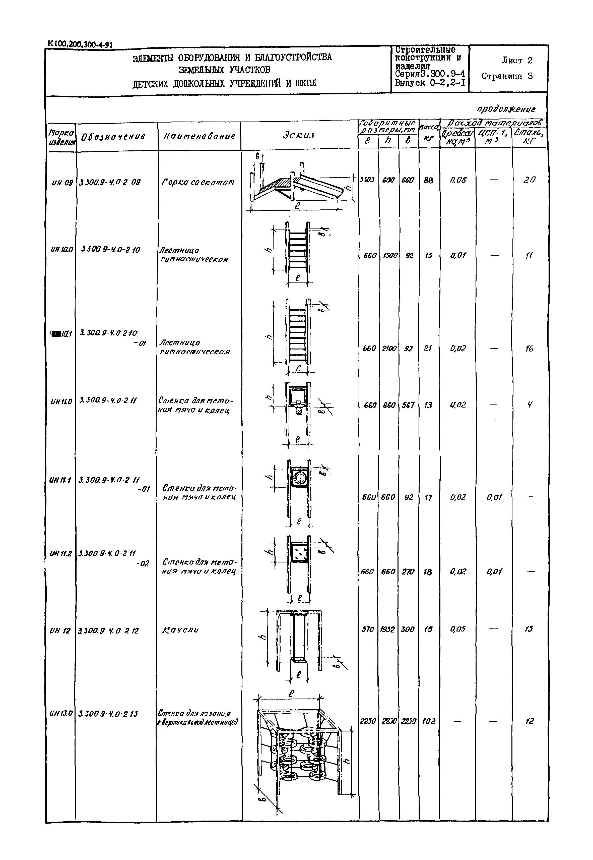
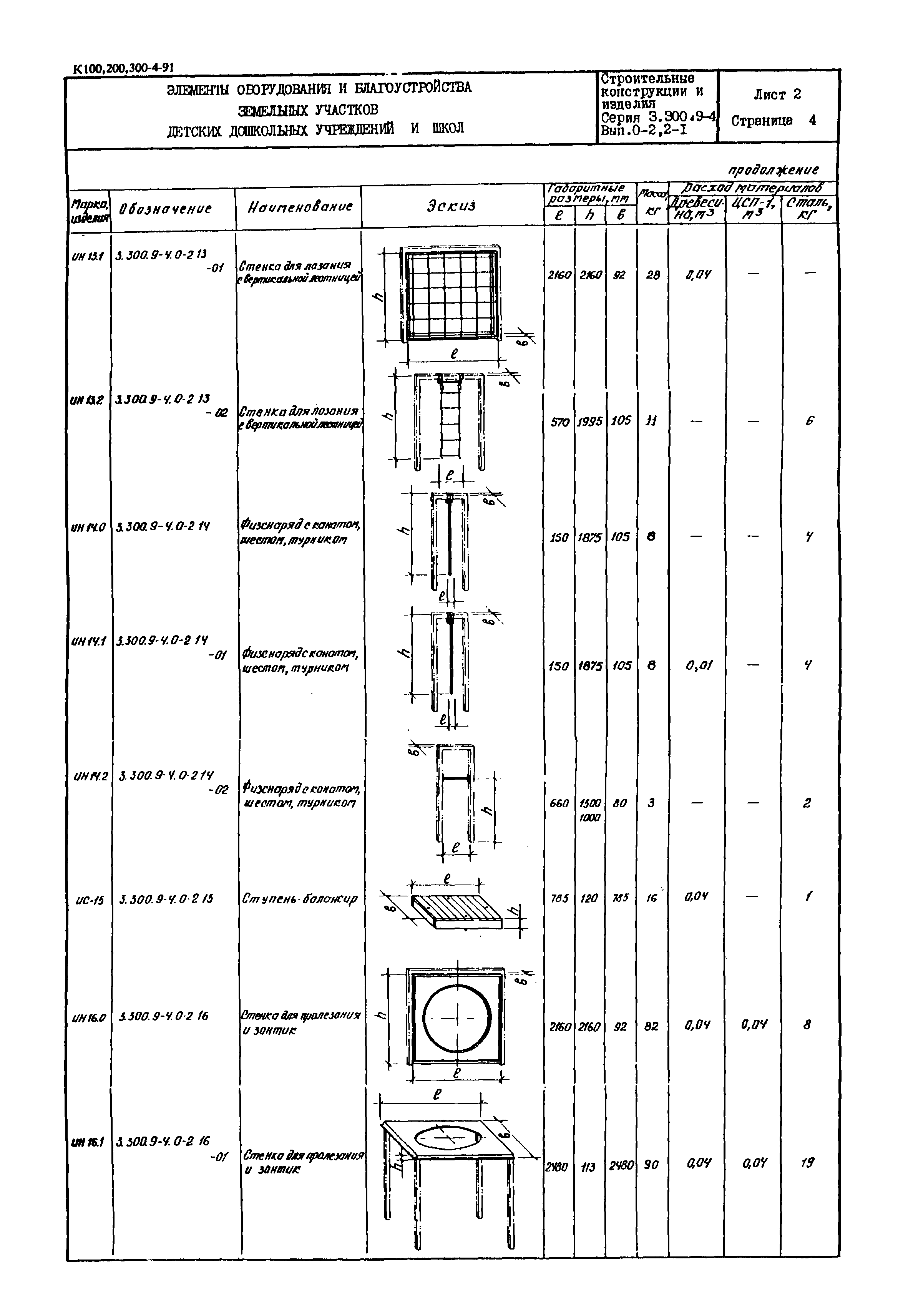
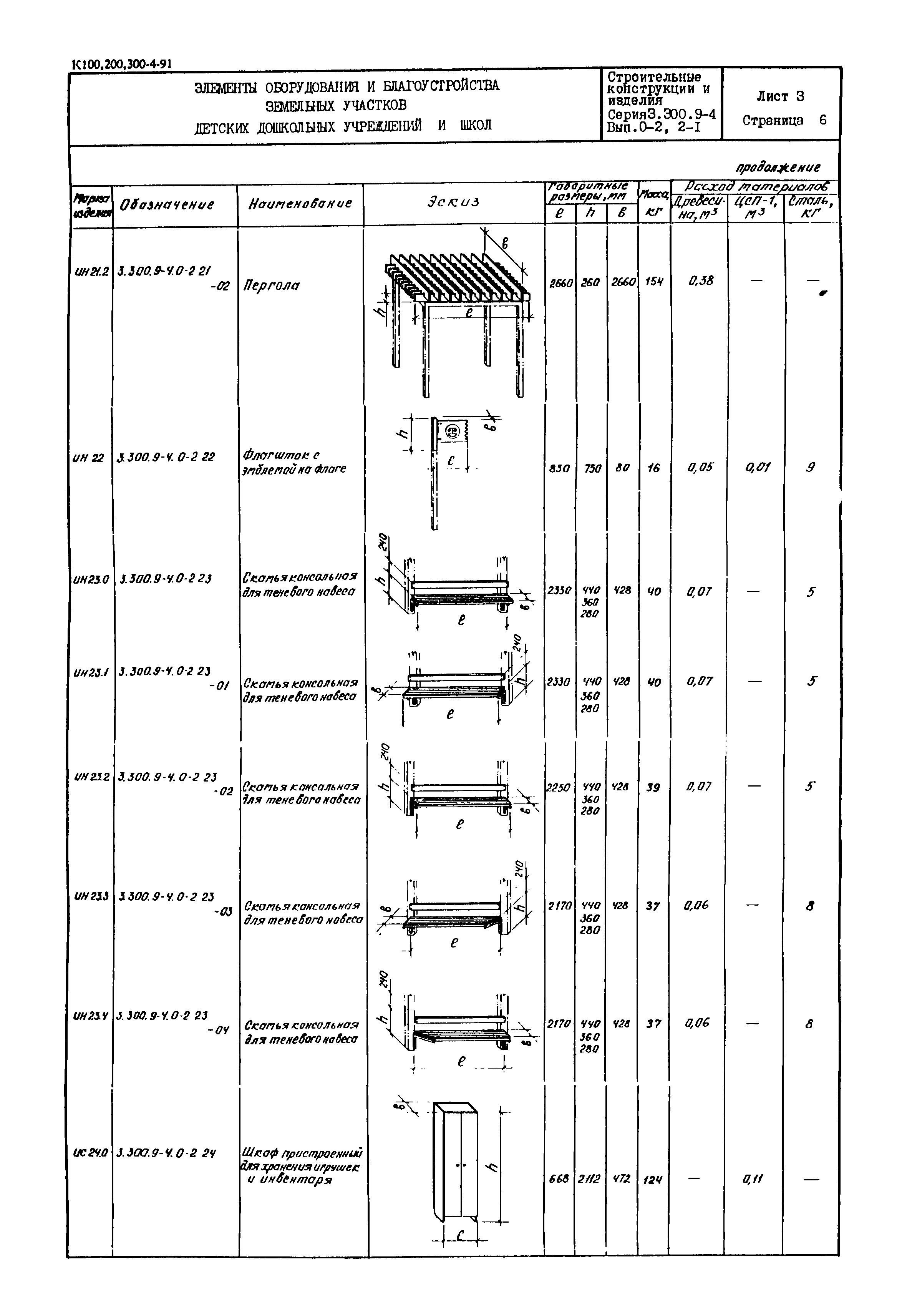
| Область применения: | Настоящий выпуск предназначен для комплектации готовых изделий, поставляемых в разобранном виде и проведения монтажных работ по установке навесных элементов составных частей мебели и оборудования, выполняемых непосредственно на площадках, на конструкциях выносных модулей и теневых навесов |







