Скачать Серия 3.503.9-62 Выпуск 6. Пролетное строение Lp=63 м. Рабочие чертежиДата актуализации: 01.01.2021
|
| Обозначение: | Серия 3.503.9-62 |
| Обозначение англ: | Series 3.503.9-62 |
| Статус: | действует |
| Название рус.: | Выпуск 6. Пролетное строение Lp=63 м. Рабочие чертежи |
| Дата добавления в базу: | 01.09.2013 |
| Дата актуализации: | 01.01.2021 |
| Дата введения: | 01.01.1985 |
| Область применения: | Пролетное строение Lp=63 м предназначено для установки на автомобильных мостах, расположенных в плане на прямых участках дорог IV и V технических категорий, и может устанавливаться в профиле на площадках, уклонах и выпуклых кривых радиусом 5000 и 10000 м, при расчетной сейсмичности не выше 6 баллов, во всех климатических районах СССР |
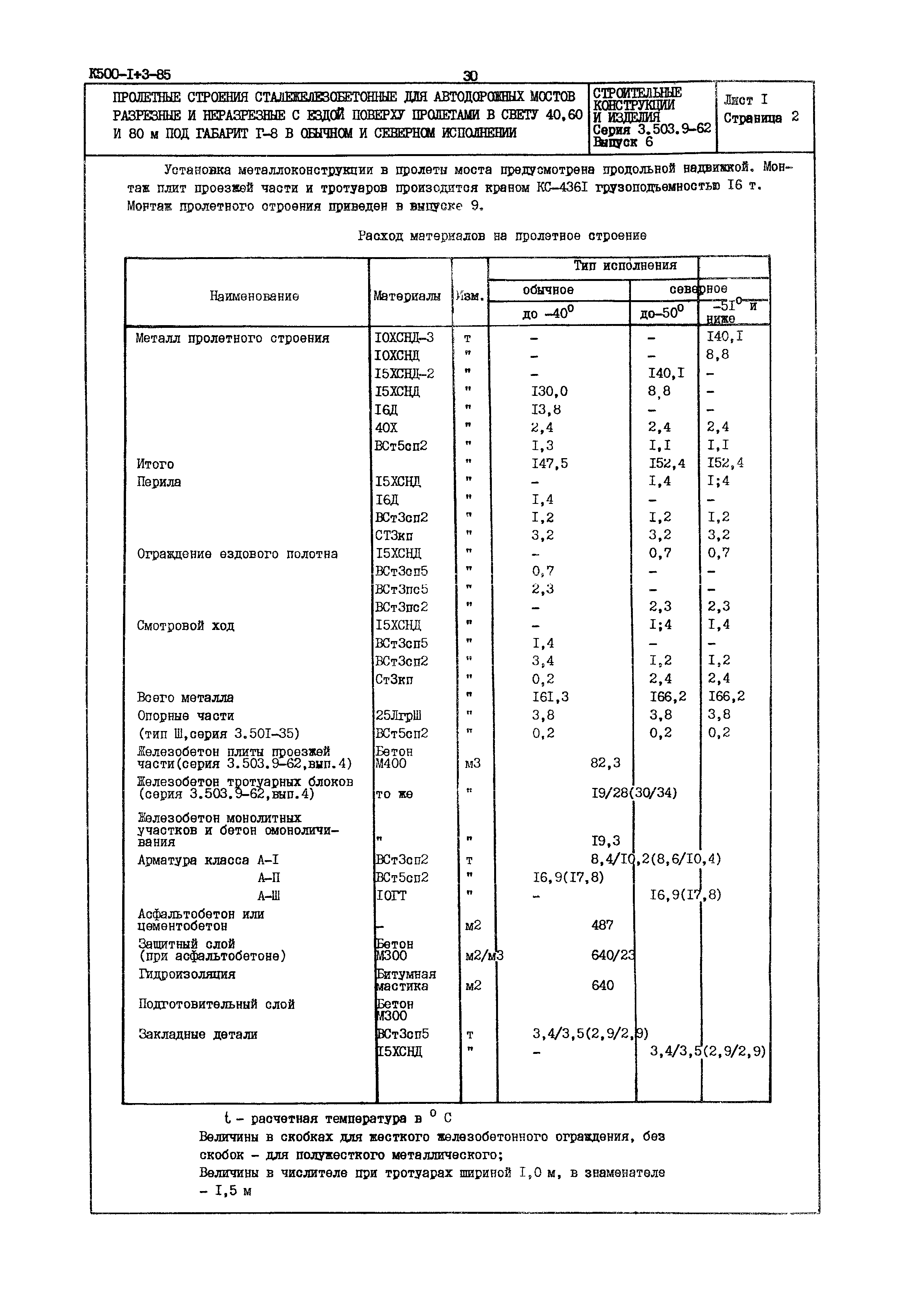
| Оглавление: | 3.503.9-62.6-00 Условные обозначения 3.503.9-62.6-00 ПЗ Пояснительная записка 3.503.9-62.6-01 Общий вид пролетного строения. Основные данные 3.503.9-62.6-02КМ Общий вид металлоконструкций 3.503.9-62.6-03КМ Монтажные стыки главных балок 3.503.9-62.6-04КМ Монтажные стыки прогона. Узлы 3.503.9-62.6-05КМ Монтажные стыки прогона. Узлы (сварной вариант) 3.503.9-62.6-06КМ Упоры главных балок и прогона (обычное исполнение) 3.503.9-62.6-07КМ Упоры главных балок и прогона (северное исполнение) 3.503.9-62.6-08КМ Домкратная балка 3.503.9-62.6-09КМ Поперечные связи (обычное исполнение) 3.503.9-62.6-10КМ Поперечные связи (северное исполнение) 3.503.9-62.6-11КМ Узлы и элементы продольных связей 3.503.9-62.6-12КМ Смотровой ход 3.503.9-62.6-13КМ Перила 3.503.9-62.6-14КМ Ограждение ездового полотна 3.503.9-62.6-15 Строительный подъем 3.503.9-62.6-16КМ Техническая спецификация металла. Ведомости металлоконструкций по маркам металла и видам профилей. Сводные ведомости монтажных болтов (обычное исполнение) 3.503.9-62.6-17КМ Техническая спецификация металла. Ведомости металлоконструкций по маркам металла и видам профилей. Сводные ведомости монтажных болтов (северное исполнение) 3.503.9-62.6-18 Схемы продольной надвижки 3.503.9-62.6-19 Монтаж плит проезжей части 3.503.9-62.6-20 Расчет пролетного строения 3.503.9-62.6-21 Монтажная схема блоков плиты проезжей части и тротуаров 3.503.9-62.6-22 Поперечный разрез плиты проезжей части и прикрепление тротуарных блоков 3.503.9-62.6-23 Мостовое полотно 3.503.9-62.6-24 Монолитный участок № 1 железобетонной плиты проезжей части 3.503.9-62.6-25 Монолитный участок № 2 железобетонной плиты проезжей части 3.503.9-62.6-26 Водоотводное устройство 3.503.9-62.6-27 Деформационный шов заполняемого типа 3.503.9-62.6-28 Деформационный шов перекрываемого типа ПС-81 3.503.9-62.6-29ВМ Ведомость потребности в материалах на пролетное строение |


