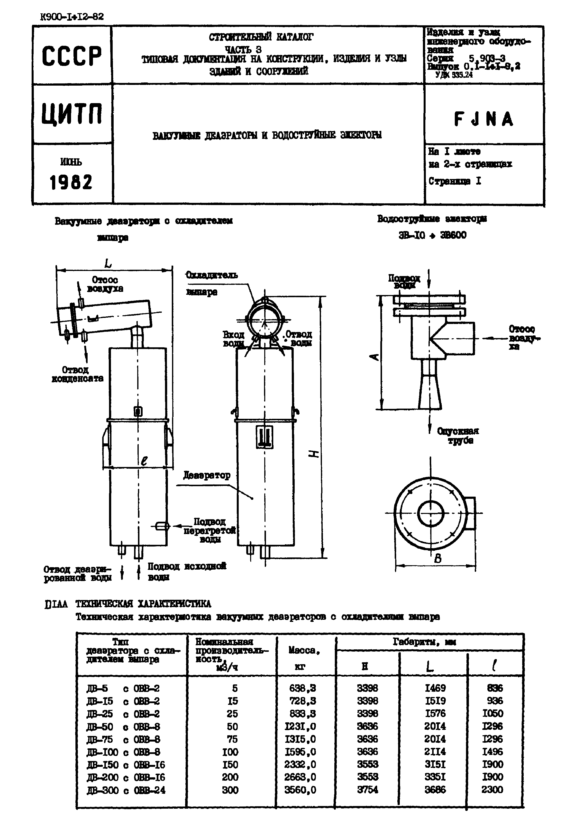
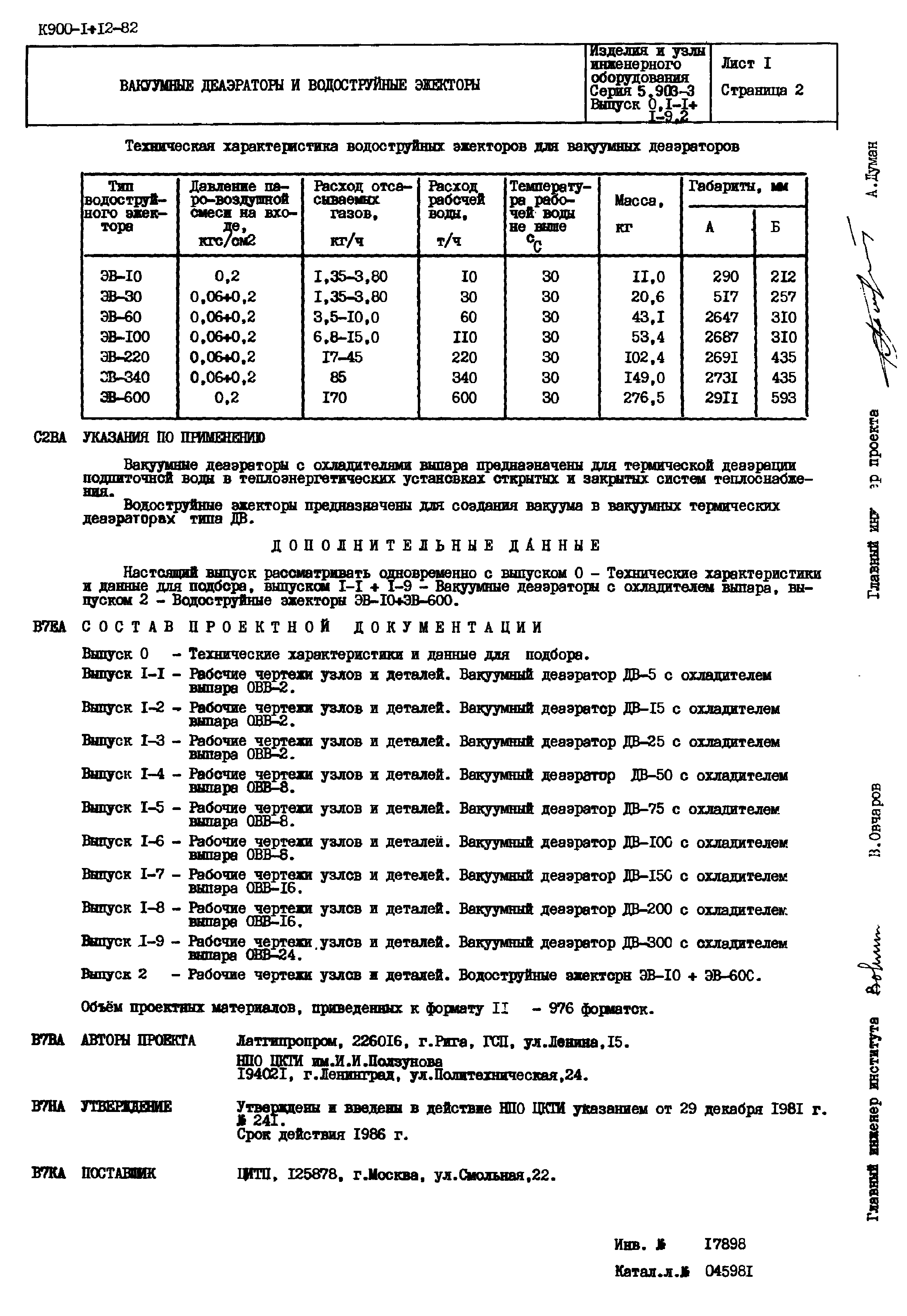
Скачать Серия 5.903-3 Вакуумные деаэраторы и водоструйные эжекторыДата актуализации: 01.01.2021
|
| Обозначение: | Серия 5.903-3 |
| Обозначение англ: | Series 5.903-3 |
| Статус: | не определен законодательством |
| Название рус.: | Вакуумные деаэраторы и водоструйные эжекторы |
| Дата добавления в базу: | 01.09.2013 |
| Дата актуализации: | 01.01.2021 |
| Дата введения: | 01.04.1982 |
| Дата окончания срока действия: | 30.06.2003 |

