Скачать Типовой проект 901-9-16.86 Служебный корпус для станции очистки воды поверхностных источников с содержанием взвешенных веществ до 1500 мг/л производительностью 50 тыс. куб. м/сутДата актуализации: 01.01.2021 Типовой проект 901-9-16.86
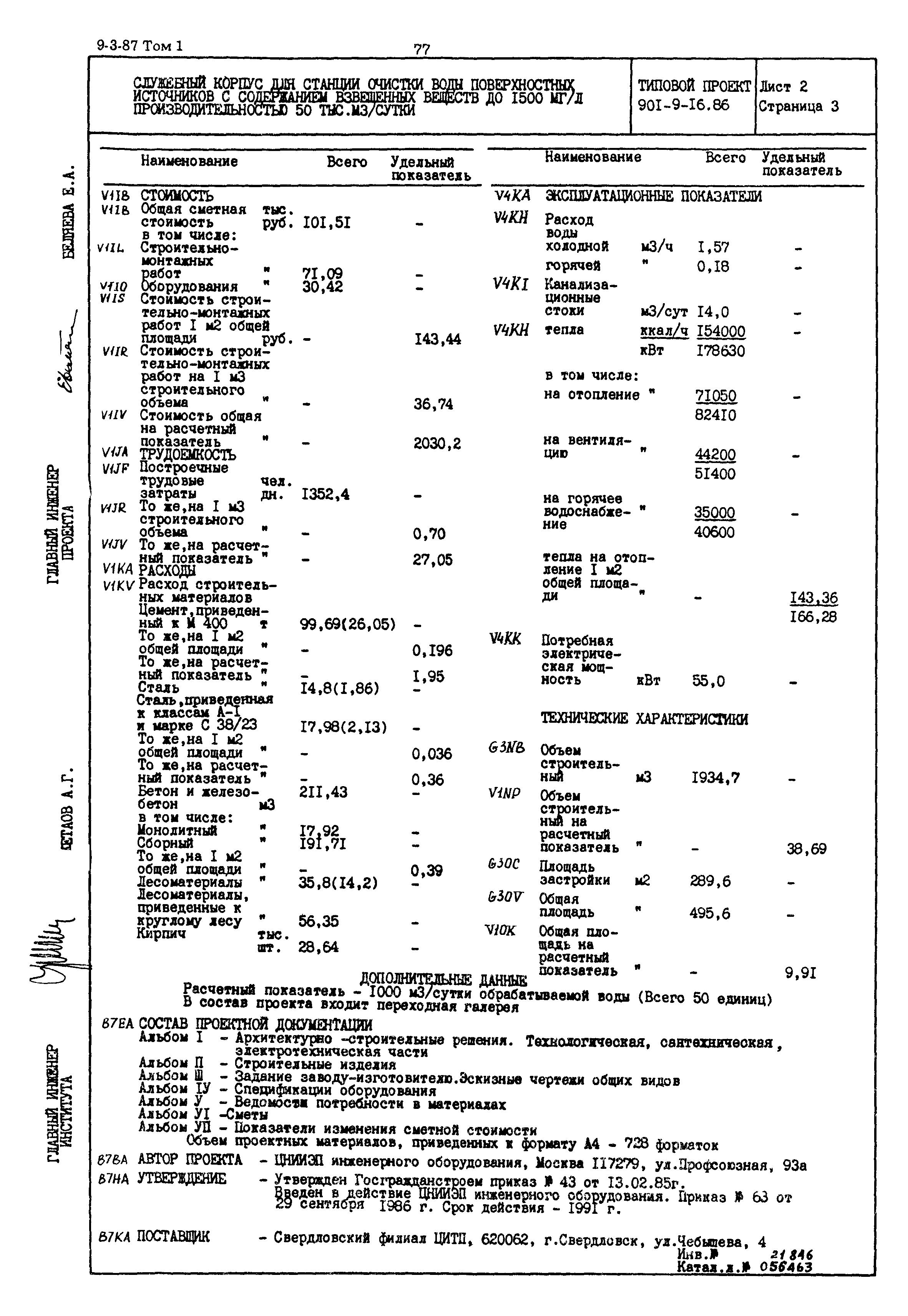
Служебный корпус для станции очистки воды поверхностных источников с содержанием взвешенных веществ до 1500 мг/л производительностью 50 тыс. куб. м/сут| Обозначение: | Типовой проект 901-9-16.86 | | Обозначение англ: | 901-9-16.86 | | Статус: | не определен законодательством | | Название рус.: | Служебный корпус для станции очистки воды поверхностных источников с содержанием взвешенных веществ до 1500 мг/л производительностью 50 тыс. куб. м/сут | | Дата добавления в базу: | 01.09.2013 | | Дата актуализации: | 01.01.2021 | | Дата введения: | 29.09.1986 | | Дата окончания срока действия: | 30.06.2003 |
 
|