Скачать Типовые проектные решения 903-1-0255.9.87 Установка контактных теплообменников для утилизации теплоты дымовых газов (типа КТАН) в котельных с котлами ДЕ-25-14ГМДата актуализации: 01.01.2021 Типовые проектные решения 903-1-0255.9.87
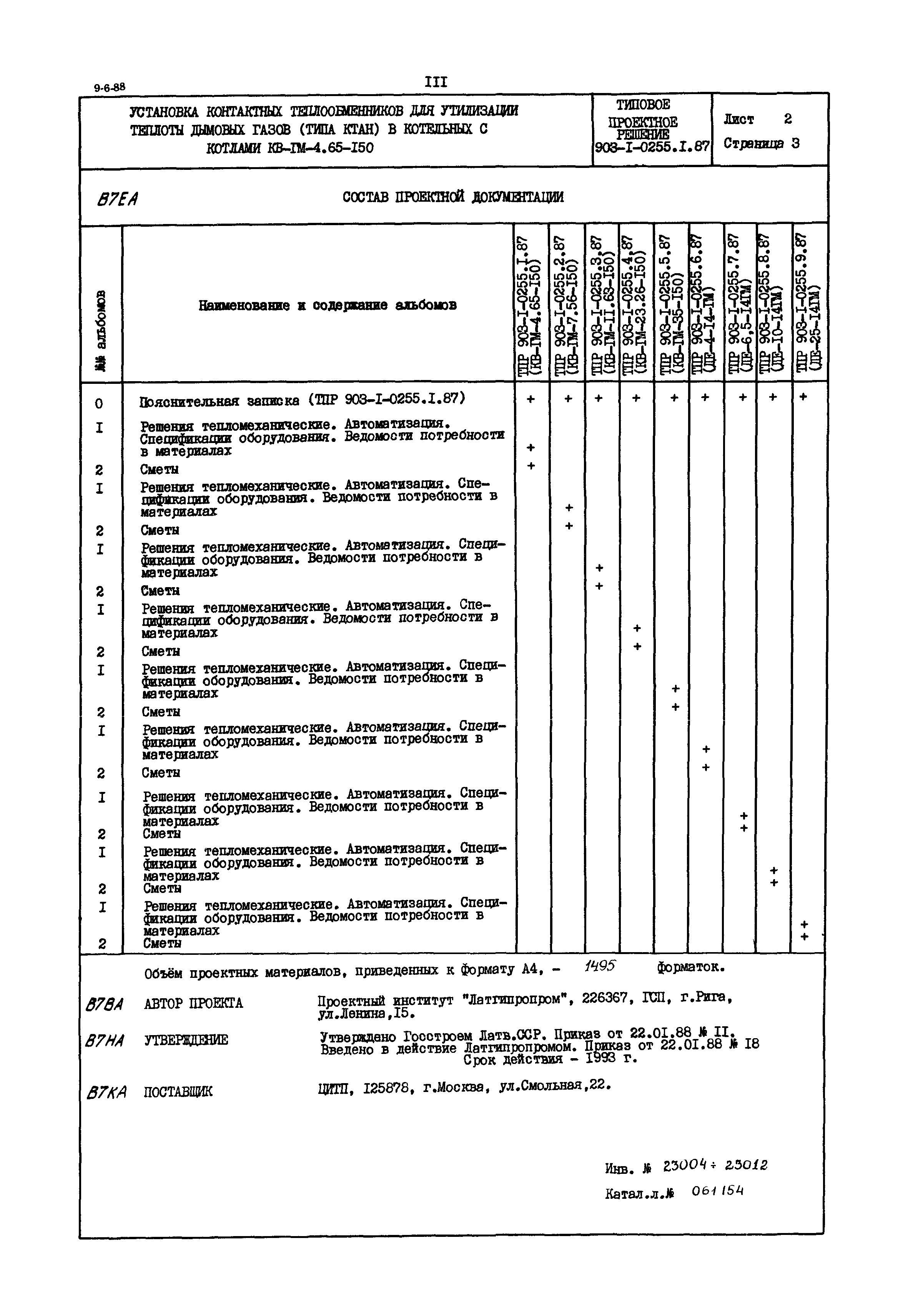
Установка контактных теплообменников для утилизации теплоты дымовых газов (типа КТАН) в котельных с котлами ДЕ-25-14ГМ| Обозначение: | Типовые проектные решения 903-1-0255.9.87 | | Обозначение англ: | 903-1-0255.9.87 | | Статус: | справочные материалы, мп, тпр | | Название рус.: | Установка контактных теплообменников для утилизации теплоты дымовых газов (типа КТАН) в котельных с котлами ДЕ-25-14ГМ | | Дата добавления в базу: | 01.09.2013 | | Дата актуализации: | 01.01.2021 | | Дата введения: | 22.01.1988 | | Область применения: | Рабочие проекты предназначены для проектных организаций, разрабатывающих мероприятия по утилизации теплоты дымовых газов в проектах котельных с котлами типа КВ-ГМ и ДЕ, использующих в качестве основного вида топлива природный газ |
 
|