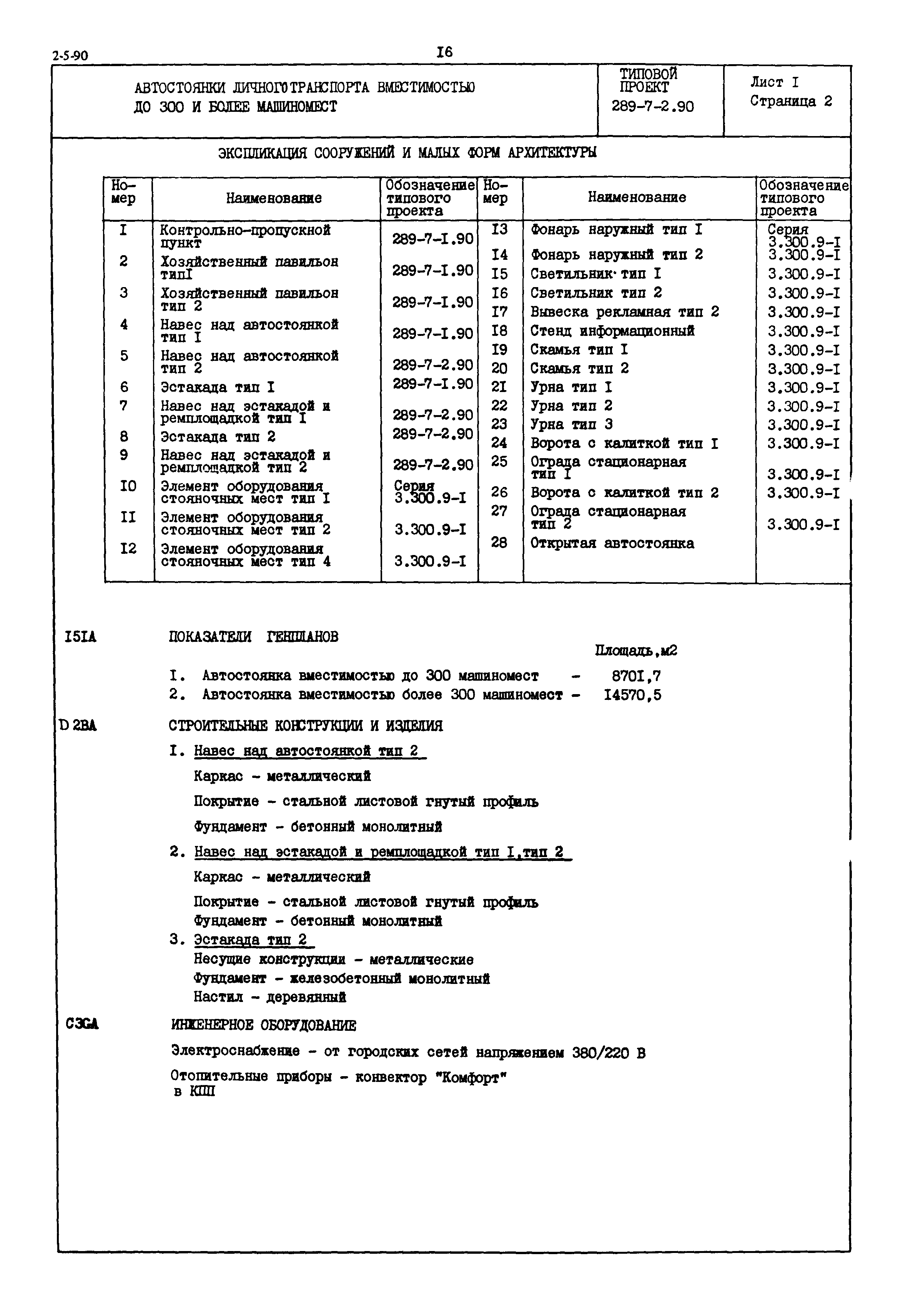
Скачать Типовой проект 289-7-2.90 Автостоянки личного транспорта вместимостью до 300 и более машиноместДата актуализации: 01.01.2021 Типовой проект 289-7-2.90
Автостоянки личного транспорта вместимостью до 300 и более машиномест| Обозначение: | Типовой проект 289-7-2.90 | | Обозначение англ: | 289-7-2.90 | | Статус: | не определен законодательством | | Название рус.: | Автостоянки личного транспорта вместимостью до 300 и более машиномест | | Дата добавления в базу: | 01.10.2014 | | Дата актуализации: | 01.01.2021 | | Дата введения: | 05.01.1989 | | Дата окончания срока действия: | 30.06.2003 |
 
|