Скачать Типовой проект 416-7-98 Подсобный корпус для хлебопекарных пунктов III группыДата актуализации: 01.01.2021
|
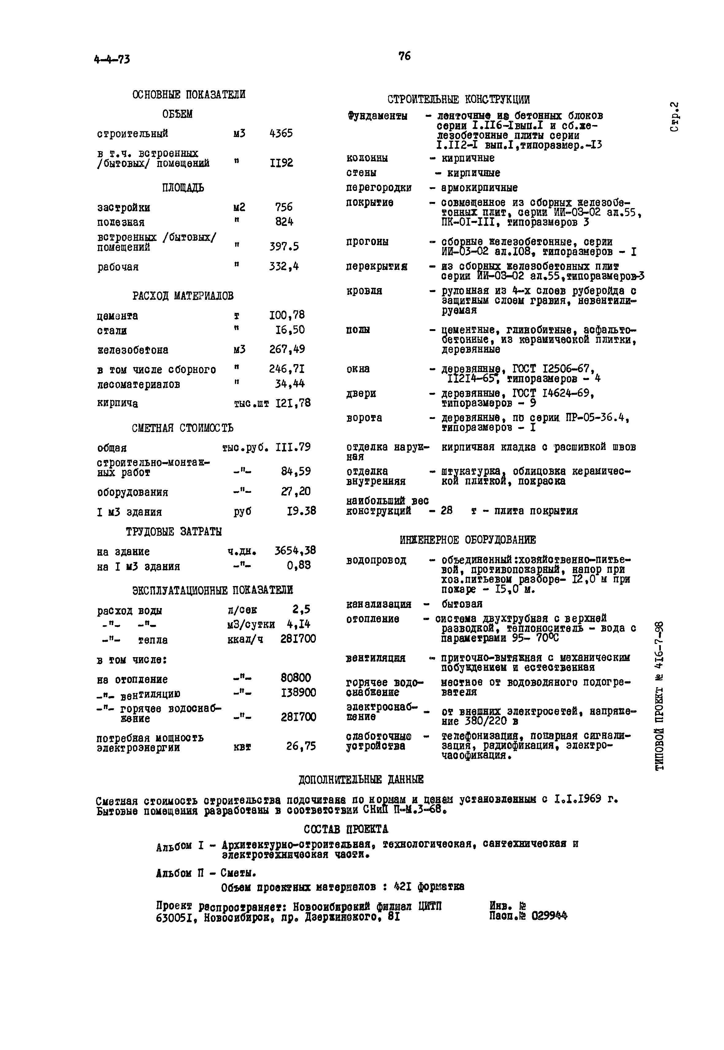
| Обозначение: | Типовой проект 416-7-98 |
| Обозначение англ: | 416-7-98 |
| Статус: | действует |
| Название рус.: | Подсобный корпус для хлебопекарных пунктов III группы |
| Дата добавления в базу: | 01.10.2014 |
| Дата актуализации: | 01.01.2021 |
| Дата введения: | 15.10.1972 |

