Скачать Типовой проект 901-3-134 Станция очистки воды поверхностных источников с содержанием взвешенных веществ до 700 мг/л с медленными фильтрами производительностью 3,2 тыс. куб. м/суткиДата актуализации: 01.01.2021 Типовой проект 901-3-134
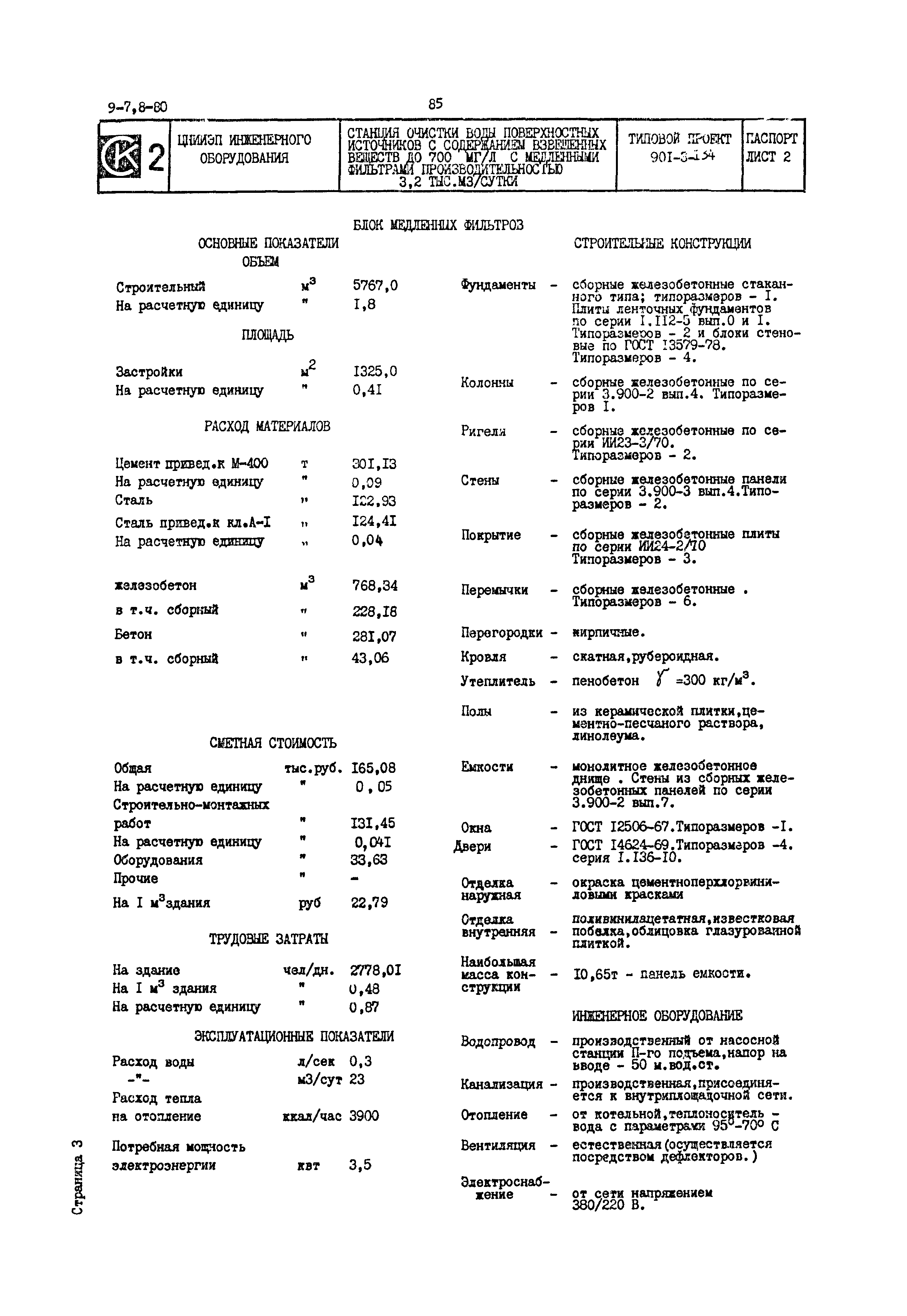
Станция очистки воды поверхностных источников с содержанием взвешенных веществ до 700 мг/л с медленными фильтрами производительностью 3,2 тыс. куб. м/сутки| Обозначение: | Типовой проект 901-3-134 | | Обозначение англ: | 901-3-134 | | Статус: | не определен законодательством | | Название рус.: | Станция очистки воды поверхностных источников с содержанием взвешенных веществ до 700 мг/л с медленными фильтрами производительностью 3,2 тыс. куб. м/сутки | | Дата добавления в базу: | 01.02.2017 | | Дата актуализации: | 01.01.2021 | | Дата введения: | 20.11.1979 | | Дата окончания срока действия: | 30.06.2003 | | Область применения: | Станция предназначена для очистки поверхностных источников с содержанием взвешенных веществ до 700 мг/л, цветностью не более 50 градусов |
       
|