Скачать Типовой проект 901-7-2 Хлораторная для обеззараживания питьевых и сточных вод производительностью 5 кг товарного хлора в часДата актуализации: 01.01.2021 Типовой проект 901-7-2
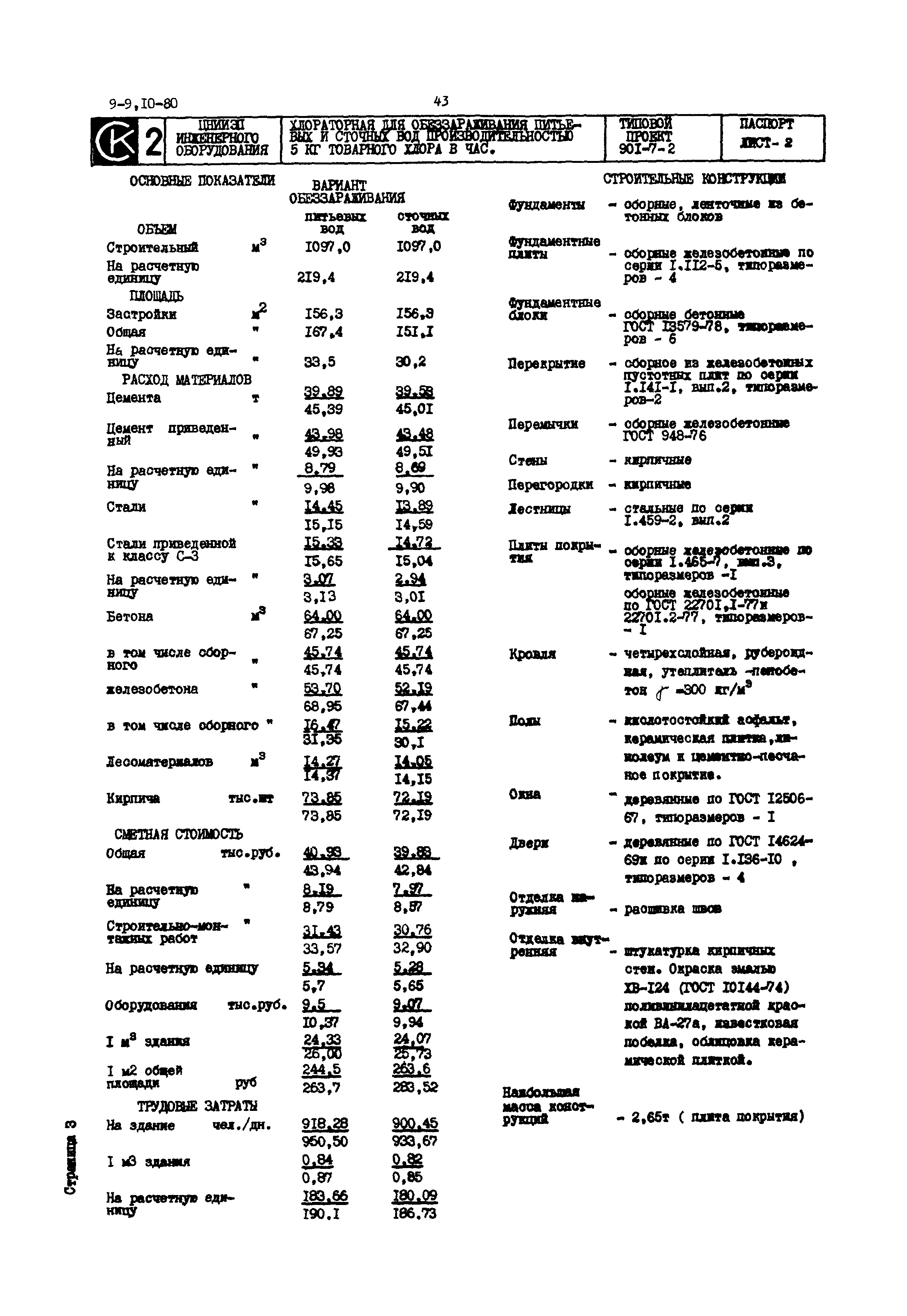
Хлораторная для обеззараживания питьевых и сточных вод производительностью 5 кг товарного хлора в час| Обозначение: | Типовой проект 901-7-2 | | Обозначение англ: | 901-7-2 | | Статус: | заменен | | Название рус.: | Хлораторная для обеззараживания питьевых и сточных вод производительностью 5 кг товарного хлора в час | | Дата добавления в базу: | 21.05.2015 | | Дата актуализации: | 01.01.2021 | | Дата введения: | 01.10.1980 | | Дата окончания срока действия: | 01.07.1984 | | Область применения: | Хораторная предназначена для строительства в составе комплексов очистных сооружений коммунальных водопроводов и канализаций |
  
|