Скачать Типовой проект 901-3-137 Станция очистки воды поверхностных источников с содержанием взвешенных веществ до 2500 мг/л производительностью 20 тыс. куб. м/сутки с микрофильтрамиДата актуализации: 01.01.2021 Типовой проект 901-3-137
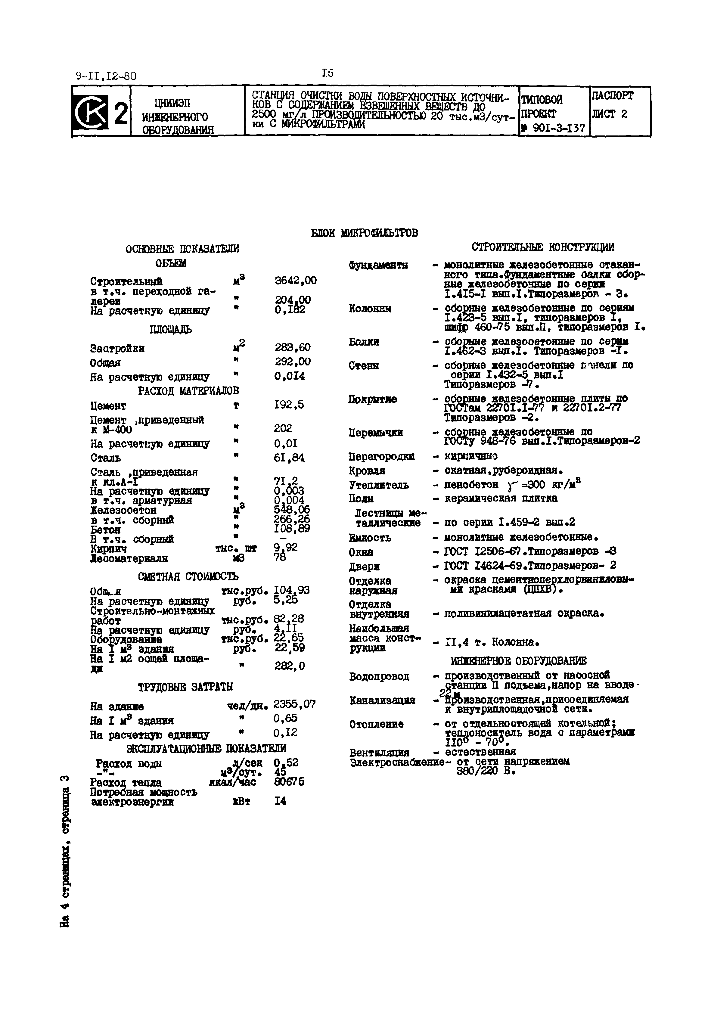
Станция очистки воды поверхностных источников с содержанием взвешенных веществ до 2500 мг/л производительностью 20 тыс. куб. м/сутки с микрофильтрами| Обозначение: | Типовой проект 901-3-137 | | Обозначение англ: | 901-3-137 | | Статус: | заменен | | Название рус.: | Станция очистки воды поверхностных источников с содержанием взвешенных веществ до 2500 мг/л производительностью 20 тыс. куб. м/сутки с микрофильтрами | | Дата добавления в базу: | 01.02.2020 | | Дата актуализации: | 01.01.2021 | | Дата введения: | 26.03.1980 | | Дата окончания срока действия: | 01.04.1989 | | Область применения: | Станция очистки воды с микрофильтрами применяется для подготовки воды поверхностных источников водоснабжения при содержании в воде планктона в количестве свыше 1000 кл/мл. |
    
|