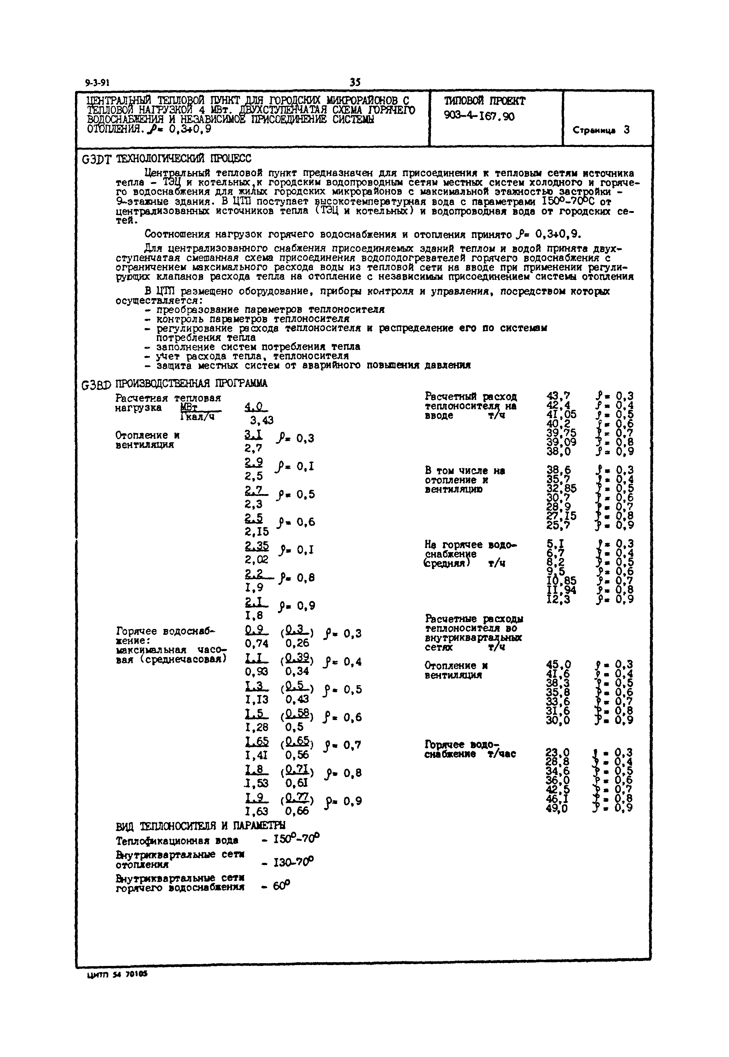
Скачать Типовой проект 903-4-167.90 Центральный тепловой пункт для городских микрорайонов с тепловой нагрузкой 4 МВт. Двухступенчатая схема горячего водоснабжения и независимое присоединение системы отопления p = 0,3 - 0,9Дата актуализации: 01.01.2021 Типовой проект 903-4-167.90
Центральный тепловой пункт для городских микрорайонов с тепловой нагрузкой 4 МВт. Двухступенчатая схема горячего водоснабжения и независимое присоединение системы отопления p = 0,3 - 0,9| Обозначение: | Типовой проект 903-4-167.90 | | Обозначение англ: | 903-4-167.90 | | Статус: | не определен законодательством | | Название рус.: | Центральный тепловой пункт для городских микрорайонов с тепловой нагрузкой 4 МВт. Двухступенчатая схема горячего водоснабжения и независимое присоединение системы отопления p = 0,3 - 0,9 | | Дата добавления в базу: | 12.02.2016 | | Дата актуализации: | 01.01.2021 | | Дата введения: | 12.11.1990 | | Дата окончания срока действия: | 30.06.2003 |
      
|