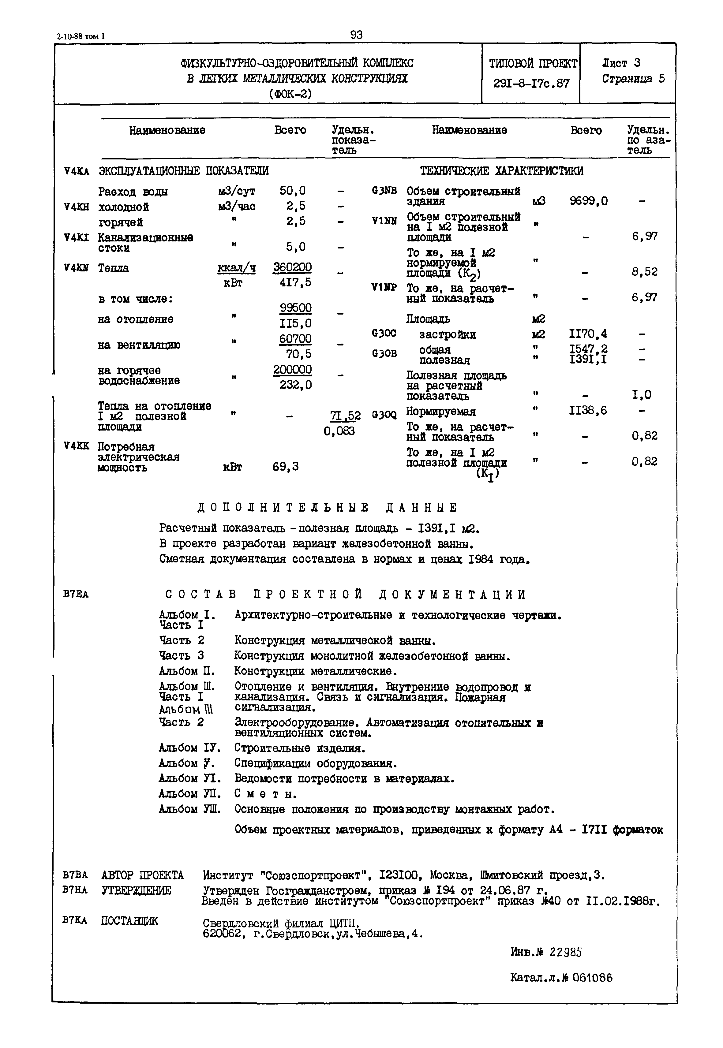
Скачать Типовой проект 291-8-17с.87 Физкультурно-оздоровительный комплекс в легких металлических конструкциях (ФОК-2)Дата актуализации: 01.01.2021 Типовой проект 291-8-17с.87
Физкультурно-оздоровительный комплекс в легких металлических конструкциях (ФОК-2)| Обозначение: | Типовой проект 291-8-17с.87 | | Обозначение англ: | 291-8-17с.87 | | Статус: | не определен законодательством | | Название рус.: | Физкультурно-оздоровительный комплекс в легких металлических конструкциях (ФОК-2) | | Дата добавления в базу: | 01.02.2020 | | Дата актуализации: | 01.01.2021 | | Дата введения: | 11.02.1988 | | Дата окончания срока действия: | 30.06.2003 |
   
|