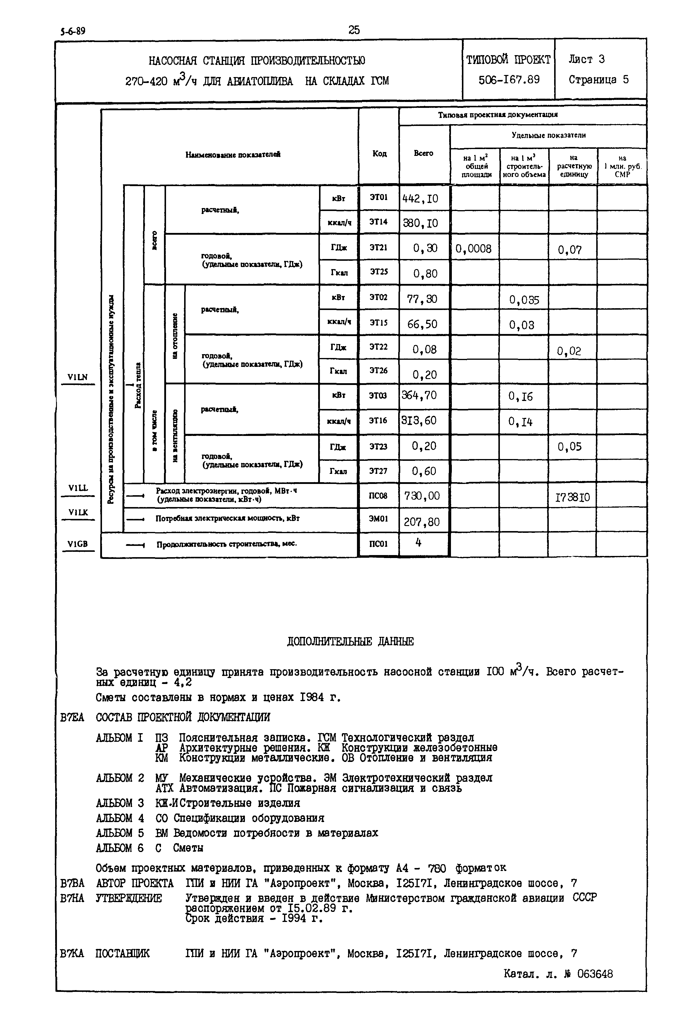
Скачать Типовой проект 506-167.89 Насосная станция производительностью 270 - 420 куб. м/ч для авиатоплива на складах ГСМДата актуализации: 01.01.2021 Типовой проект 506-167.89
Насосная станция производительностью 270 - 420 куб. м/ч для авиатоплива на складах ГСМ| Обозначение: | Типовой проект 506-167.89 | | Обозначение англ: | 506-167.89 | | Статус: | не определен законодательством | | Название рус.: | Насосная станция производительностью 270 - 420 куб. м/ч для авиатоплива на складах ГСМ | | Дата добавления в базу: | 01.02.2017 | | Дата актуализации: | 01.01.2021 | | Дата введения: | 15.02.1989 | | Дата окончания срока действия: | 30.06.2003 |
   
|