Скачать Типовой проект 901-3-139 Станция очистки воды поверхностных источников с содержанием взвешенных веществ до 700 мг/л производительностью 5 тыс. куб. м/сутки

Дата актуализации: 01.01.2021

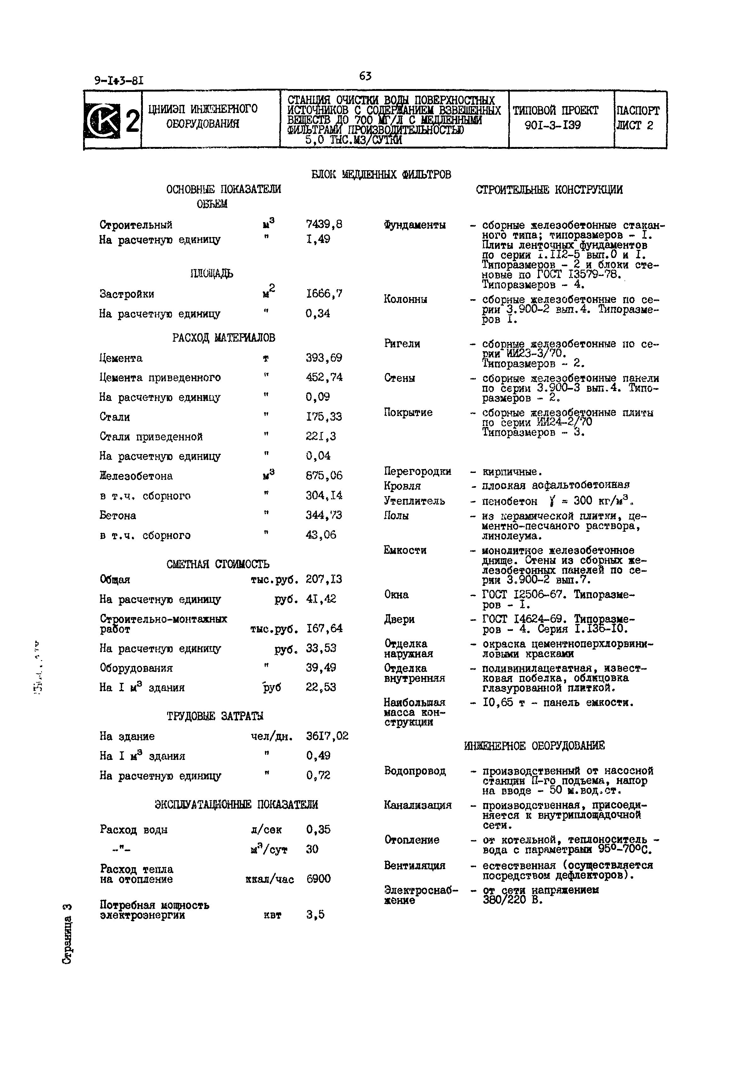
Типовой проект 901-3-139

Станция очистки воды поверхностных источников с содержанием взвешенных веществ до 700 мг/л производительностью 5 тыс. куб. м/сутки

Обозначение: Типовой проект 901-3-139
Обозначение англ: 901-3-139
Статус:не определен законодательством
Название рус.:Станция очистки воды поверхностных источников с содержанием взвешенных веществ до 700 мг/л производительностью 5 тыс. куб. м/сутки
Дата добавления в базу:01.02.2020
Дата актуализации:01.01.2021
Дата введения:12.06.1980
Дата окончания срока действия:30.06.2003
Область применения:Станция предназначена для очистки поверхностных источников с содержанием взвешенных веществ до 700 мг/л, цветностью не более 50 градусов. Подготовка воды включает в себя: фильтрование воды на медленных фильтрах и обеззараживание ее с использованием жидкого хлора. Рыхление и отмывка песка от загрязнений производится с помощью гидрорыхлителя.
Типовой проект 901-3-139Типовой проект 901-3-139Типовой проект 901-3-139Типовой проект 901-3-139