Скачать Типовой проект 901-3-145 Станция очистки воды поверхностных источников с содержанием взвешенных веществ до 700 мг/л с медленными фильтрами производительностью 8 тыс. куб. м/сутки

Дата актуализации: 01.01.2021

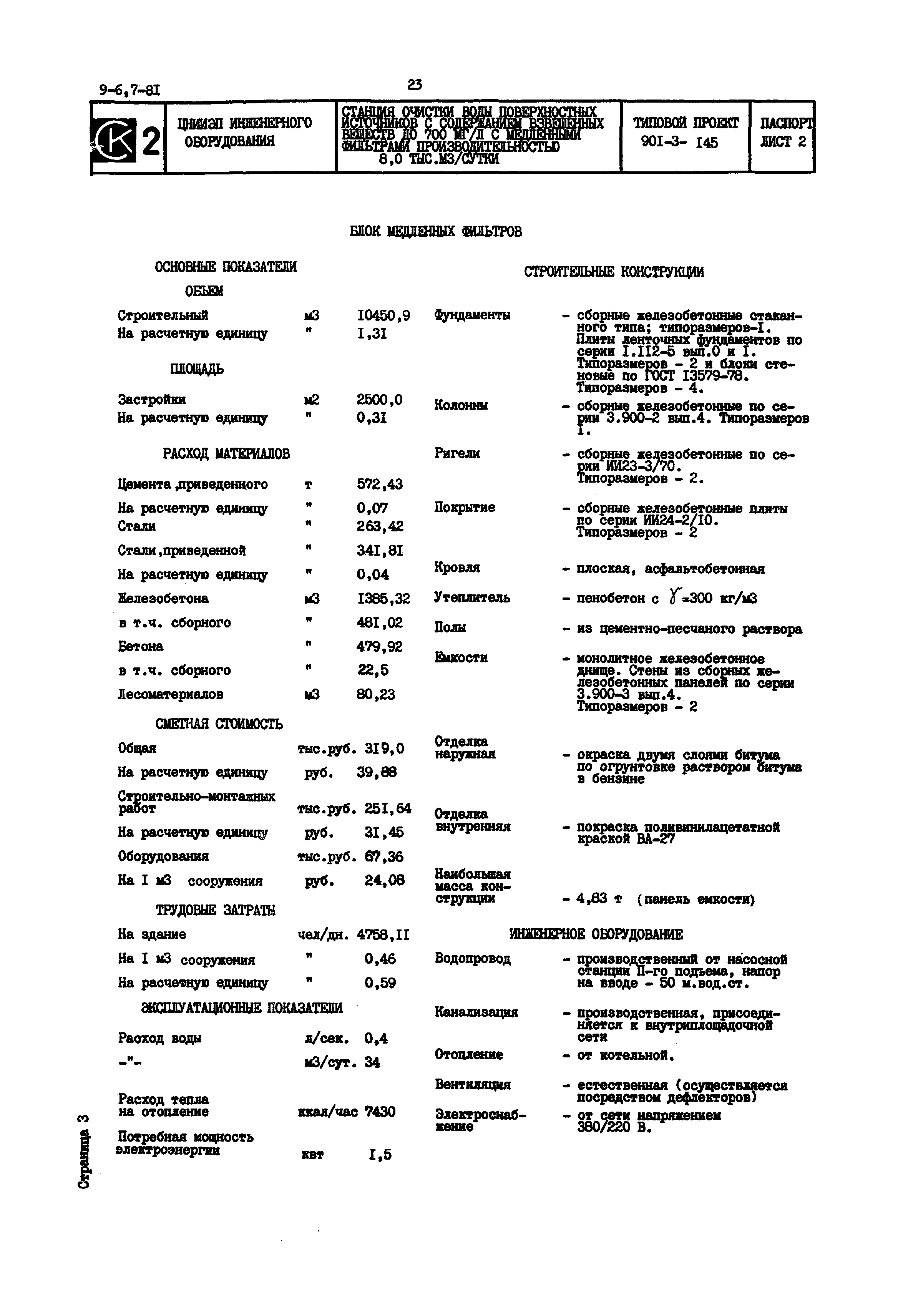
Типовой проект 901-3-145

Станция очистки воды поверхностных источников с содержанием взвешенных веществ до 700 мг/л с медленными фильтрами производительностью 8 тыс. куб. м/сутки

Обозначение: Типовой проект 901-3-145
Обозначение англ: 901-3-145
Статус:не определен законодательством
Название рус.:Станция очистки воды поверхностных источников с содержанием взвешенных веществ до 700 мг/л с медленными фильтрами производительностью 8 тыс. куб. м/сутки
Дата добавления в базу:01.02.2020
Дата актуализации:01.01.2021
Дата введения:12.12.1980
Дата окончания срока действия:30.06.2003
Область применения:Станция предназначена для очистки поверхностных источников с содержанием взвешенных веществ до 700 мг/л, цветностью не более 50 градусов. Подготовка воды включает в себя: фильтрование воды на медленных фильтрах и обеззараживание ее с использованием жидкого хлора. Рыхление и отмывка песка от загрязнений производится с помощью гидрорыхлителя.
Типовой проект 901-3-145Типовой проект 901-3-145Типовой проект 901-3-145Типовой проект 901-3-145Типовой проект 901-3-145Типовой проект 901-3-145