Скачать Типовой проект 705-1-251.93 Склад сухих минеральных удобрений вместимостью 1600 тДата актуализации: 01.01.2021
|
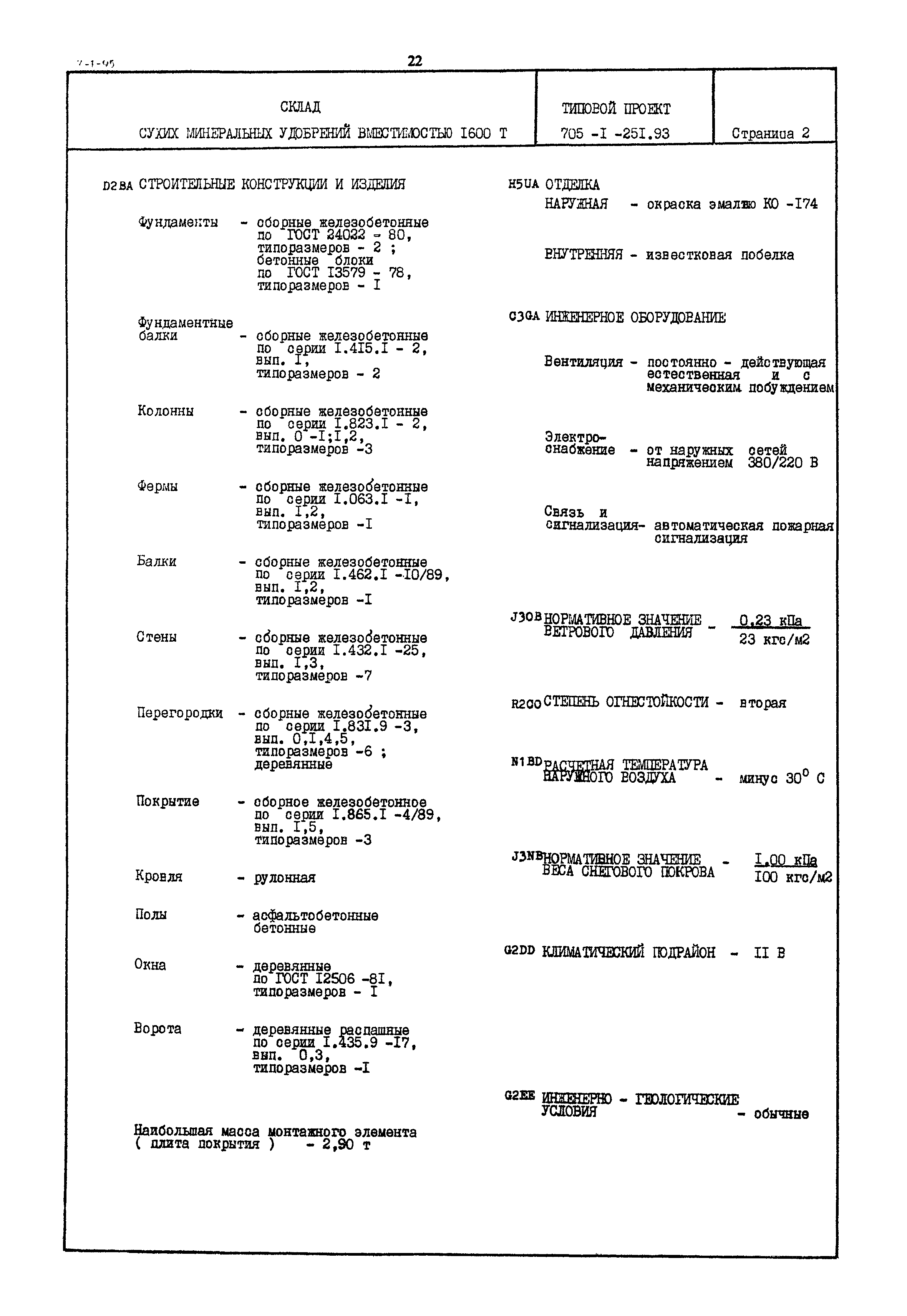
| Обозначение: | Типовой проект 705-1-251.93 |
| Обозначение англ: | 705-1-251.93 |
| Статус: | не определен законодательством |
| Название рус.: | Склад сухих минеральных удобрений вместимостью 1600 т |
| Дата добавления в базу: | 01.01.2019 |
| Дата актуализации: | 01.01.2021 |
| Дата введения: | 14.03.1994 |
| Дата окончания срока действия: | 30.06.2003 |
| Область применения: | Склад предназначен для приема, хранения, подготовки к применению и выдачи незатаренных и затаренных минеральных удобрений. |
| Список изменений: |
|





Текстовое изменение № 2 от 01.07.1991
