Скачать Сборник 7-1 Проходные пункты. Здания и сооружения общего назначения. Сборники укрупненных сметных норм (УСН). Правила разработки и применения укрупненных сметных норм и расценокДата актуализации: 01.01.2021
|
| Обозначение: | Сборник 7-1 |
| Обозначение англ: | Сборник 7-1 |
| Статус: | действует |
| Название рус.: | Проходные пункты. Здания и сооружения общего назначения. Сборники укрупненных сметных норм (УСН). Правила разработки и применения укрупненных сметных норм и расценок |
| Название англ.: | Check-in Points |
| Дата добавления в базу: | 01.09.2013 |
| Дата актуализации: | 01.01.2021 |
| Дата введения: | 01.01.1984 |
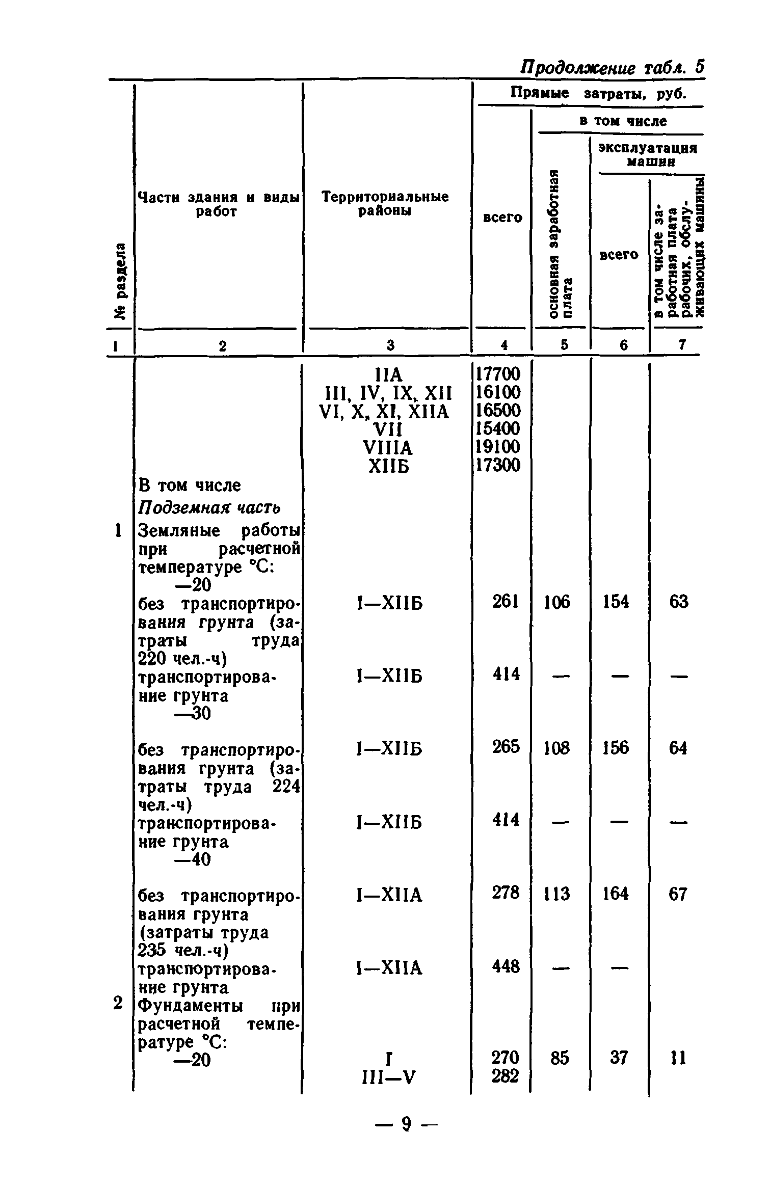
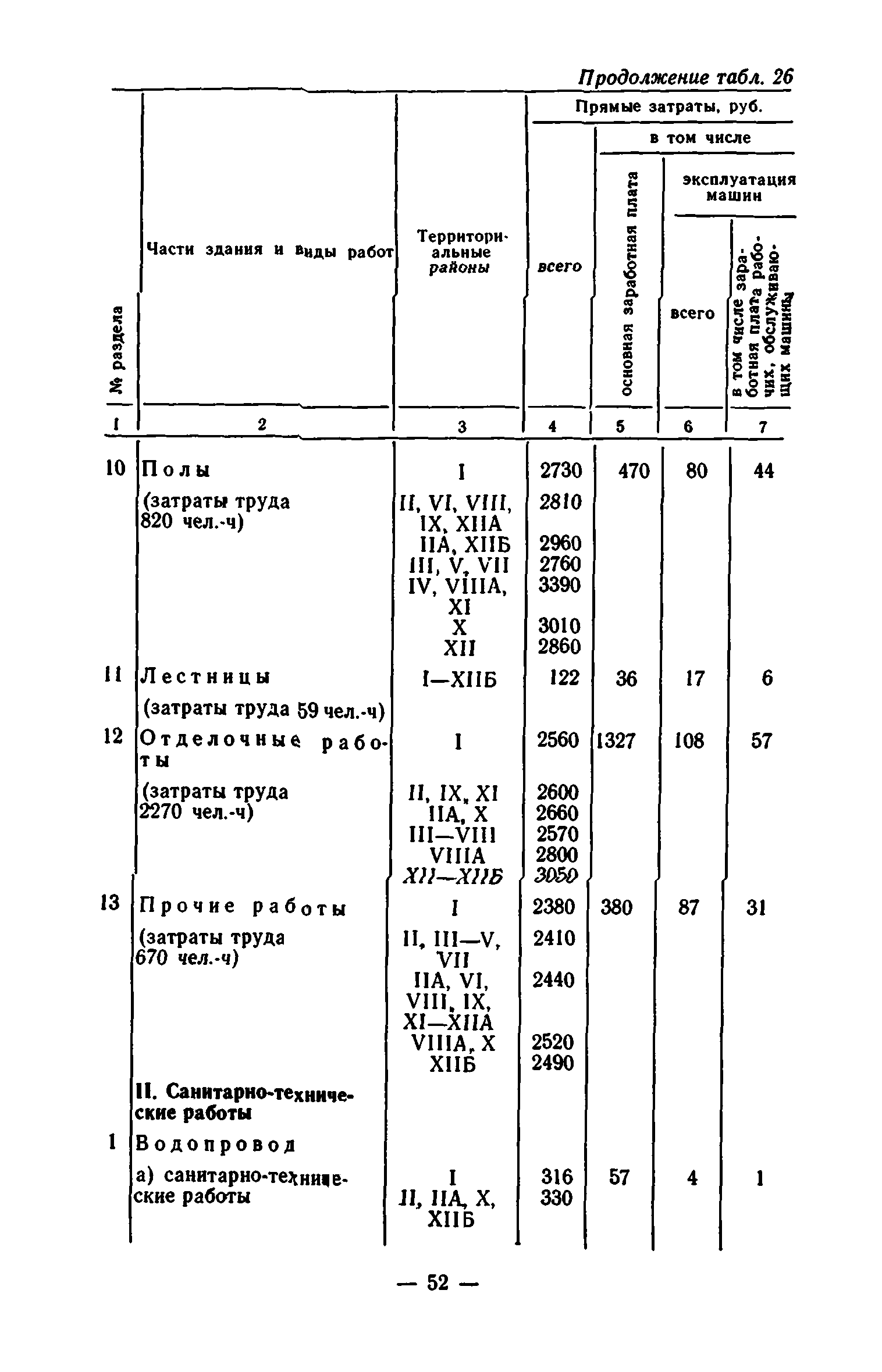
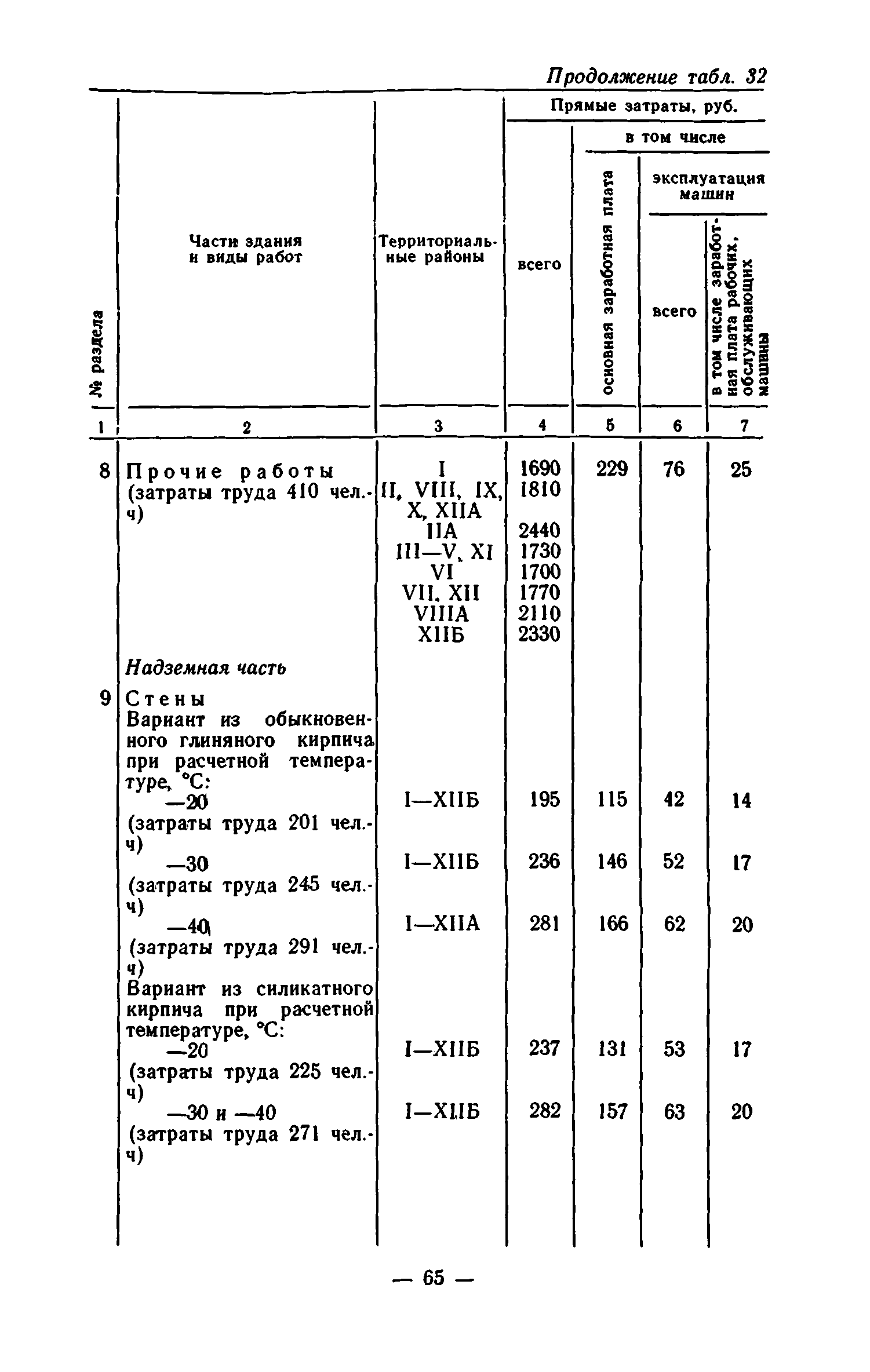
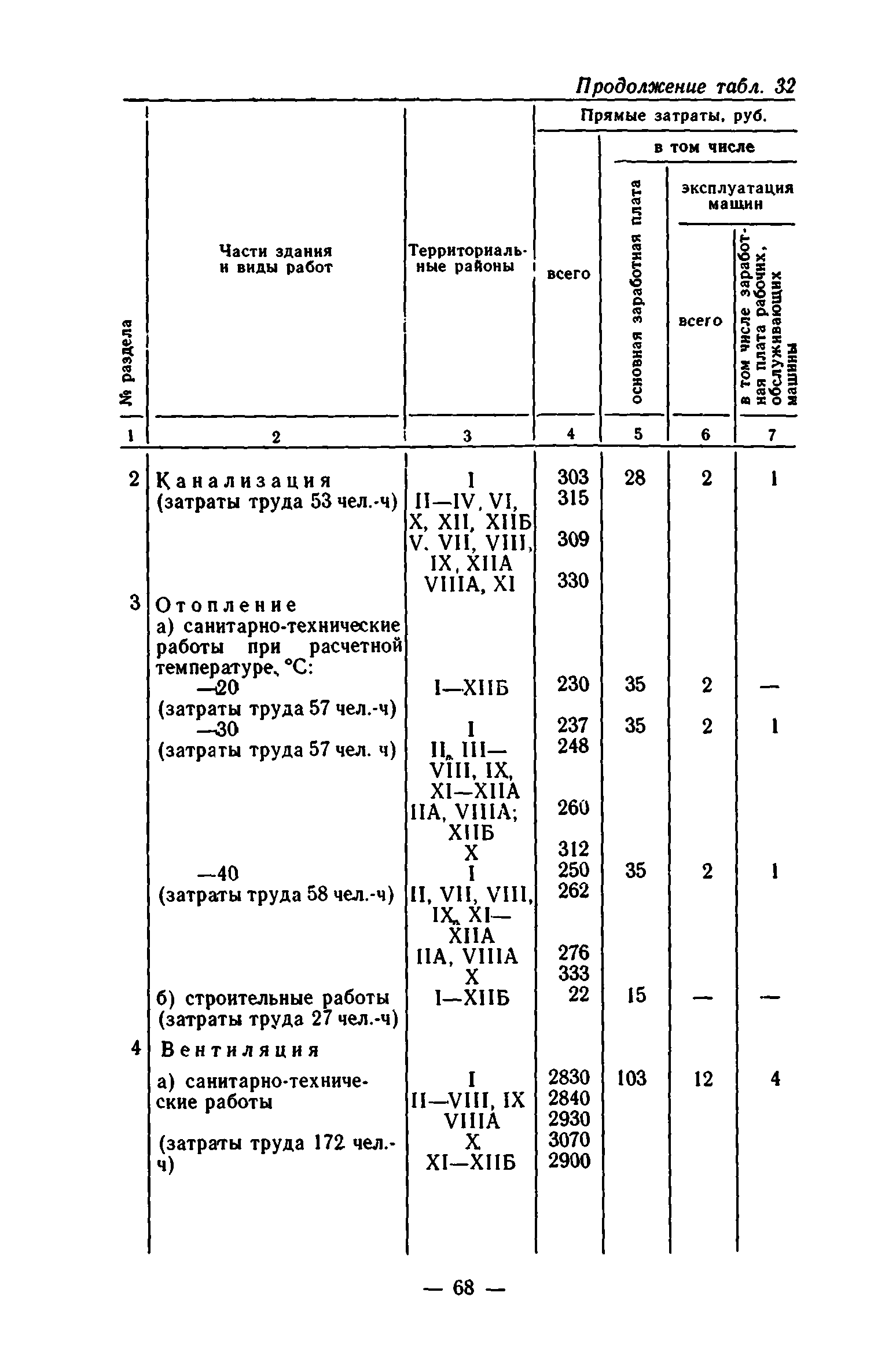
| Оглавление: | Общая часть §1. Проходной пункт на 3-4 прохода. Типовой проект № 416-5-9 (тип I) §2. Проходной пункт на 2 прохода. Типовой проект № 416-5-9 (тип II) §3. Дополнительный проходной пункт. Типовой проект № 416-5-9 (тип III) §4. Проходной пункт на 4-5 проходов. Типовой проект № 416-5-10 (тип I) §5. Проходная с пропускным пунктом и подвалом-складом. Типовой проект № 416-5-13 Приложение 1. Поправки к прямым затратам, учитывающие отклонения цен на лесоматериалы, столярные изделия, арматуру для монолитных железобетонных конструкций, теплоизоляционные материалы и изделия в подрайонах Приложение 2. Базисная стоимость проходных пунктов, включенная в сборник УСН Приложение 3. Учтенные в УСН объемы работ нулевого цикла при различной глубине заложения фундаментов и различном значении нормативного давления на грунт |
| Разработан: | Гипродрев Минлесбумпрома СССР |
| Утверждён: | 31.12.1982 Госстрой СССР (Государственный комитет Совета Министров СССР по делам строительства) (USSR Gosstroy 348) |
| Издан: | Стройиздат (1983 г. ) |
| Заменяет собой: |
|








































































































