Скачать Сборник 8-1.1 Насосные станции и радиальные отстойники. Здания и сооружения водоснабжения и канализации. Сборники укрупненных сметных норм (УСН). Правила разработки и применения укрупненных сметных норм и расценокДата актуализации: 01.01.2021
|
| Обозначение: | Сборник 8-1.1 |
| Обозначение англ: | Сборник 8-1.1 |
| Статус: | действует |
| Название рус.: | Насосные станции и радиальные отстойники. Здания и сооружения водоснабжения и канализации. Сборники укрупненных сметных норм (УСН). Правила разработки и применения укрупненных сметных норм и расценок |
| Название англ.: | Pumping Stations and Radial Sedimentation Tanks |
| Дата добавления в базу: | 01.09.2013 |
| Дата актуализации: | 01.01.2021 |
| Дата введения: | 01.01.1984 |
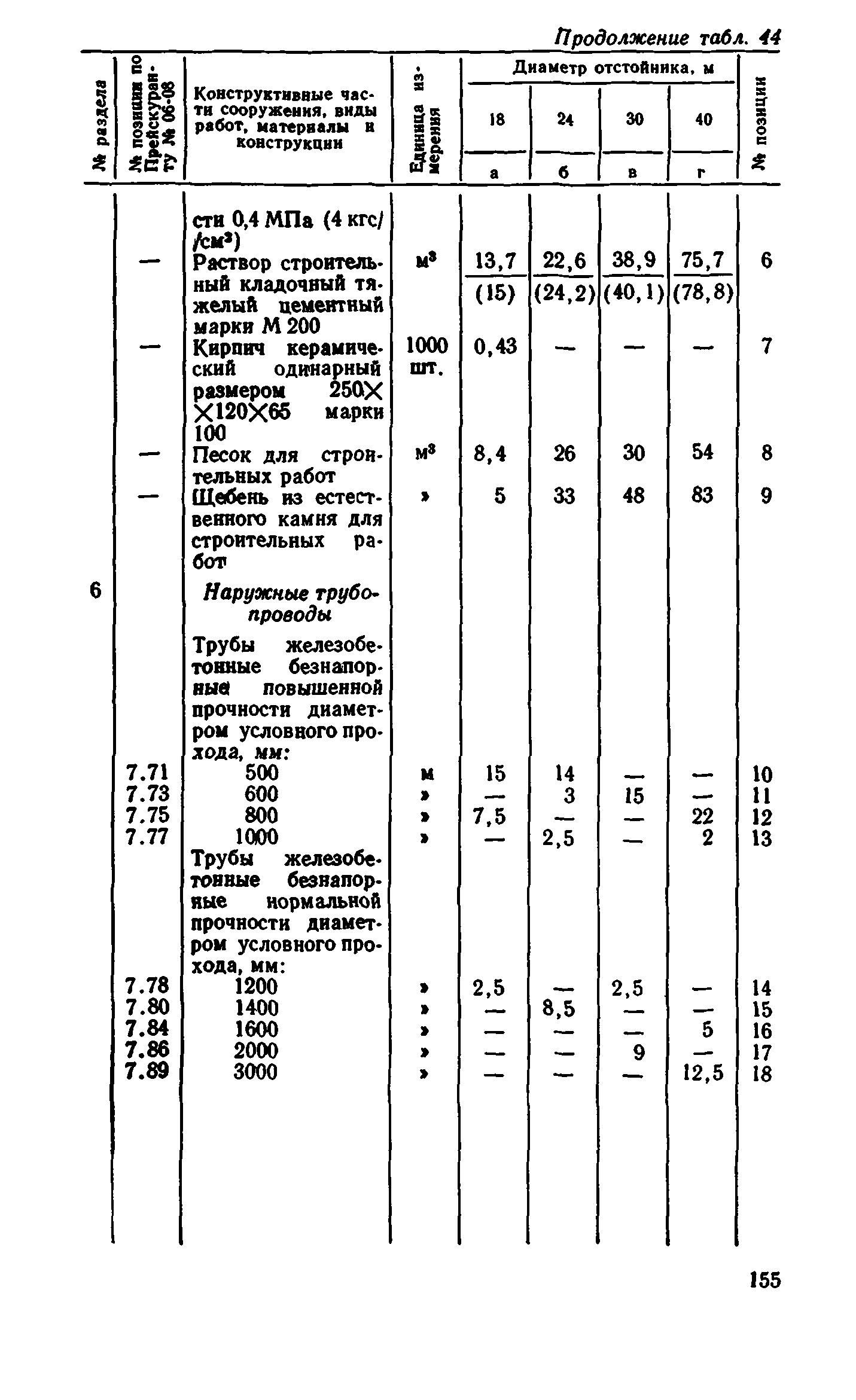
| Оглавление: | Общая часть Раздел 1. Насосные станции Техническая часть §1. Канализационная насосная станция на три насоса ФГ 144/46 (5Ф-6) или ФГ 216/24 (5Ф-12) с решетками-дробилками. По типовому проекту 902-1-37 §1-1 Строительные работы Глубина подводящего коллектора 4 м Глубина подводящего коллектора 5,5 м Глубина подводящего коллектора 7 м §1-2 Монтажные работы §1-3 Затраты на приобретение основного технологического и электротехнического оборудования, руб. §2. Канализационные насосные станции с погружными насосами производительностью 5-20 м?/ч и напором от 10 до 40 м при глубине заложения подводящего коллектора 3,4 и 5 м. По типовому проекту 902-1-53 §2-1 Строительные работы Глубина подводящего коллектора 3 м Глубина подводящего коллектора 4 м Глубина подводящего коллектора 5 м §2-2 Монтажные работы §2-3 Затраты на приобретение основного технологического, механического и электротехнического оборудования, руб. §3. Канализационные насосные станции производительностью 6-173 м?/ч и напором 6-65 м. По типовым проектам 902-1-46 (основной вариант) и 902-1-48 §3-1 Строительные работы Глубина подводящего коллектора 4 м Глубина подводящего коллектора 5,5 м Глубина подводящего коллектора 7 м §3-2 Монтажные работы. По типовому проекту 902-1-48 §4. Канализационные насосные станции производительностью 6-173 м?/ч и напором 6-65 м при глубине заложения подводящего коллектора 4;5,5 и 7 м. По типовому проекту 902-1-46 (упрощенный вариант) §4-1 Строительные работы §4-2 Монтажные работы. По типовому проекту 902-1-46 (основной и упрощенный варианты) §4-3.1 Затраты на приобретение основного технологического и электротехнического оборудования, руб. По типовому проекту 902-1-46 (основной и упрощенный варианты) §4-3.2 Затраты на приобретение основного технологического и электротехнического оборудования, руб. По типовому проекту 902-1-48 Раздел 2. Радиальные отстойники первичные и вторичные Техническая часть §5. Отстойники радиальные первичные диаметром 18, 24, 30 и 40 м §5-1. Строительные работы §5-2. Монтажные работы §5-3. Затраты на приобретение основного оборудования и его состав, руб. §6. Насосные станции при отстойниках радиальных первичных. По типовым проектам 902-2-362.83, 902-2-84/75, 902-2-85/75, 902-2-86/76 §6-1. Строительные работы §6-2. Монтажные работы §6-3. Затраты на приобретение основного оборудования, руб. §7. Дополнительные нормы к §5 на один отстойник радиальный первичный §7-1. Строительные работы §7-2. Монтажные работы §7-3. Затраты на приобретение основного оборудования, руб. §8. Отстойники радиальные вторичные диаметром 18, 24, 30 и 40 м §8-1. Строительные работы §8-2. Монтажные работы §8-3. Затраты на приобретение основного оборудования, руб. §9. Дополнительные нормы к §8 на один отстойник радиальный вторичный §9-1. Строительные работы §9-2. Монтажные работы §9-3. Затраты на приобретение основного оборудования, руб. Приложение 1. Масса грунта, т, от выемки и для обратной засыпки при строительстве насосных станций Приложение 2. Ведомости расхода привозных материалов и полуфабрикатов при строительстве насосных станций Приложение 3. Масса грунта, т, от выемки и для обратной засыпки и обвалования при строительстве узла сооружений из четырех отстойников радиальных первичных и вторичных Приложение 4. Ведомости расхода привозных материалов и полуфабрикатов при строительстве узла сооружений из четырех отстойников радиальных первичных и вторичных диаметром 18, 24, 30 и 40 м |
| Разработан: | Союзводоканалпроект Госстроя СССР НИИЭС Госстроя СССР |
| Утверждён: | 31.12.1982 Госстрой СССР (Государственный комитет Совета Министров СССР по делам строительства) (USSR Gosstroy 361) |
| Издан: | Стройиздат (1983 г. ) |
| Заменяет собой: |
|
















































































































































































