Скачать Сборник 8-4.2 Станции биологической очистки сточных вод пропускной способностью 10, 17, 25 тыс. м3/сут. Здания и сооружения водоснабжения и канализации. Сборники укрупненных сметных норм (УСН). Правила разработки и применения укрупненных сметных норм и расценокДата актуализации: 01.01.2021
|
| Обозначение: | Сборник 8-4.2 |
| Обозначение англ: | Сборник 8-4.2 |
| Статус: | действует |
| Название рус.: | Станции биологической очистки сточных вод пропускной способностью 10, 17, 25 тыс. м3/сут. Здания и сооружения водоснабжения и канализации. Сборники укрупненных сметных норм (УСН). Правила разработки и применения укрупненных сметных норм и расценок |
| Название англ.: | Stations for Biological Treatment of Wastewater with Capacity of 10, 17 and 25 Thousand Cubic Meters per Day |
| Дата добавления в базу: | 01.09.2013 |
| Дата актуализации: | 01.01.2021 |
| Дата введения: | 01.01.1988 |
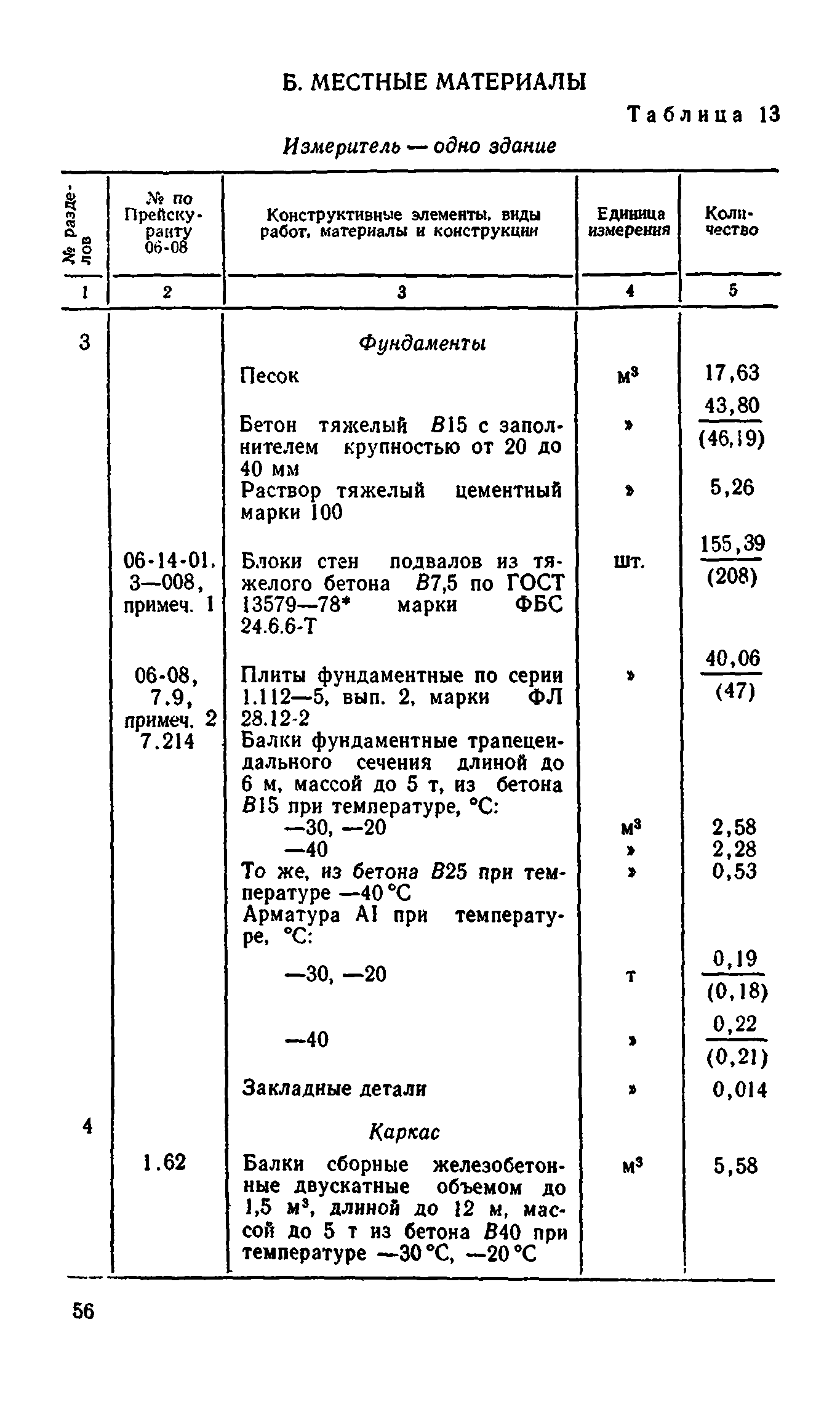
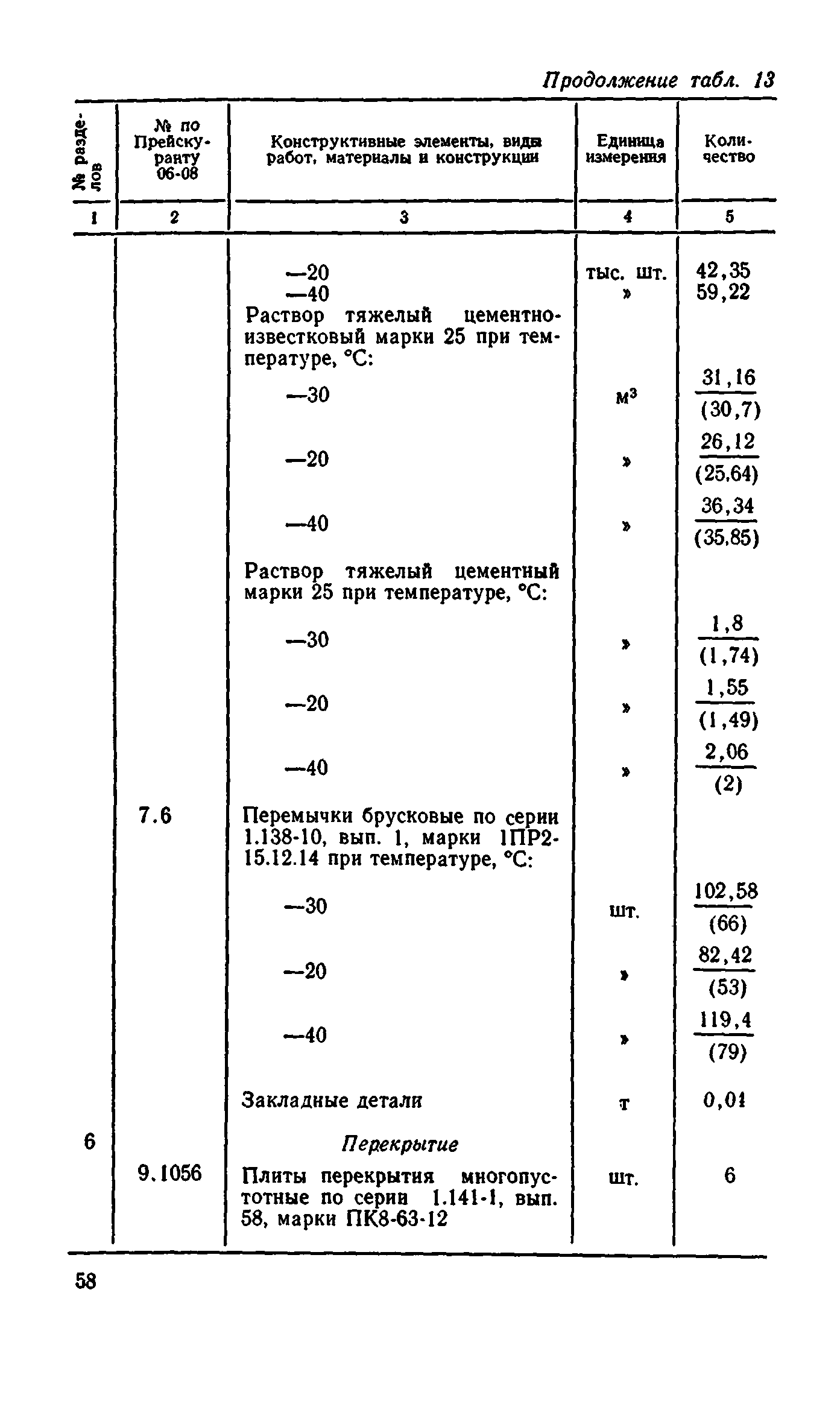
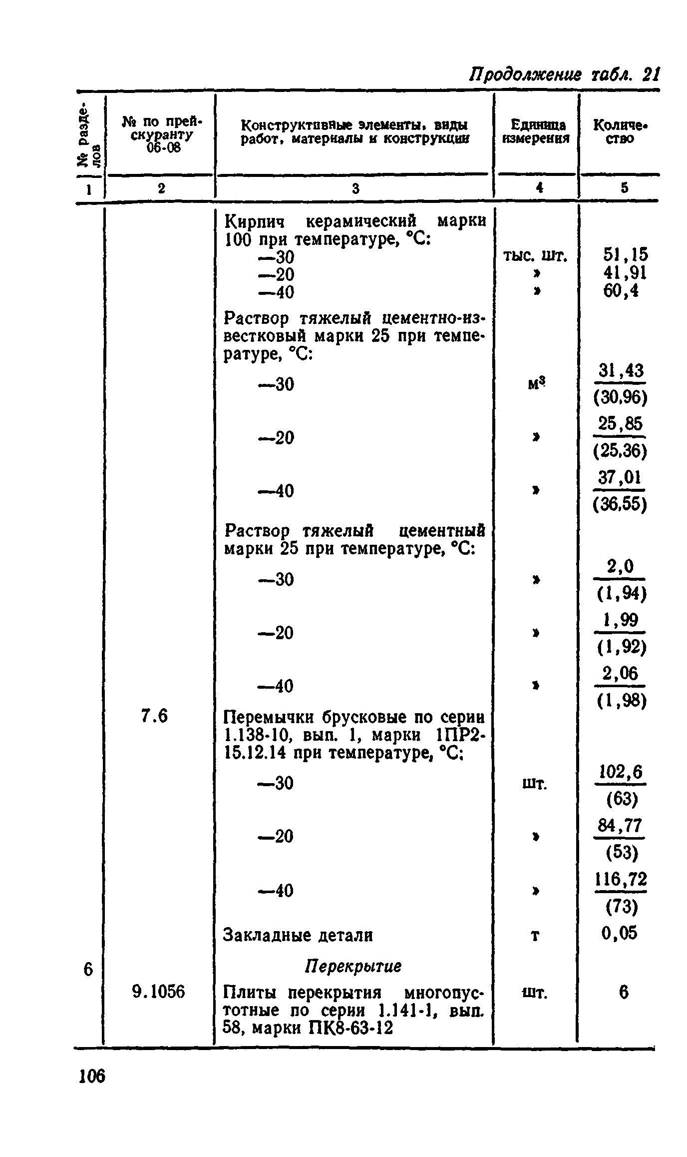
| Оглавление: | Общая часть §1. Административно-бытовое здание для станций биологической очистки сточных вод пропускной способностью 10, 17, 25 тыс. м?/сутки по типовому проекту № 902-9-19 §2 Здание решеток для станций биологической очистки сточных вод пропускной способностью 10, 17, 25 тыс. м?/сутки по типовому проекту № 902-2-351 §3. Производственное здание для станций биологической очистки сточных вод пропускной способностью 10 тыс. м?/сутки с сушкой осадка на иловых площадках по типовому проекту № 902-9-15 §4. Производственное здание для станций биологической очистки сточных вод пропускной способностью 10 тыс. м?/сутки с обезвоживанием осадка на центрифугах по типовому проекту № 902-9-16 §5. Производственное здание для станций биологической очистки сточных вод пропускной способностью 17, 25 тыс. м?/сутки с сушкой осадка на иловых площадках по типовому проекту № 902-9-17 §6. Производственное здание для станций биологической очистки сточных вод пропускной способностью 17, 25 тыс. м?/сутки с обезвоживанием осадка на центрифугах по типовому проекту № 902-9-18 §7. Транспортерная галерея к производственному зданию для станций биологической очистки сточных вод пропускной способностью 10, 17, 25 тыс. м?/сутки с обезвоживанием осадка на центрифугах в составе типовых проектов № 902-9-16, № 902-9-18 §8. Блок емкостей для станций биологической очистки сточных вод пропускной способностью 10, 17, 25 тыс. м?/сутки по типовому проекту № 902-3-20 Приложение. Местные материалы к зданию решеток для станций биологической очистки сточных вод пропускной способностью 10, 17, 25 тыс. м?/сутки по типовому проекту № 902-2-351 при высоте обсыпки здания 1, 2, 3, 4, 5 м |
| Разработан: | ЦНИИЭП инженерного оборудования Госкомархитектуры ЦНИИЭУС Госстроя России |
| Утверждён: | 07.12.1987 Госстрой СССР (Государственный комитет Совета Министров СССР по делам строительства) (USSR Gosstroy 284) |
| Издан: | Стройиздат (1989 г. ) |
































































































































































































