Скачать Сборник 9-3.1 Унифицированные крупноблочные установки тепломеханического оборудования для котельных с паровыми котлами ДЕ и КЕ. Сети и сооружения теплоснабжения. Сборники укрупненных сметных норм (УСН). Правила разработки и применения укрупненных сметных норм и расценокДата актуализации: 01.01.2021
|
| Обозначение: | Сборник 9-3.1 |
| Обозначение англ: | Сборник 9-3.1 |
| Статус: | действует |
| Название рус.: | Унифицированные крупноблочные установки тепломеханического оборудования для котельных с паровыми котлами ДЕ и КЕ. Сети и сооружения теплоснабжения. Сборники укрупненных сметных норм (УСН). Правила разработки и применения укрупненных сметных норм и расценок |
| Название англ.: | Unified Large-Size Installations of Thermal-Mechanical Equipment Units for DE and KE Steam Boilers |
| Дата добавления в базу: | 01.09.2013 |
| Дата актуализации: | 01.01.2021 |
| Дата введения: | 01.11.1985 |
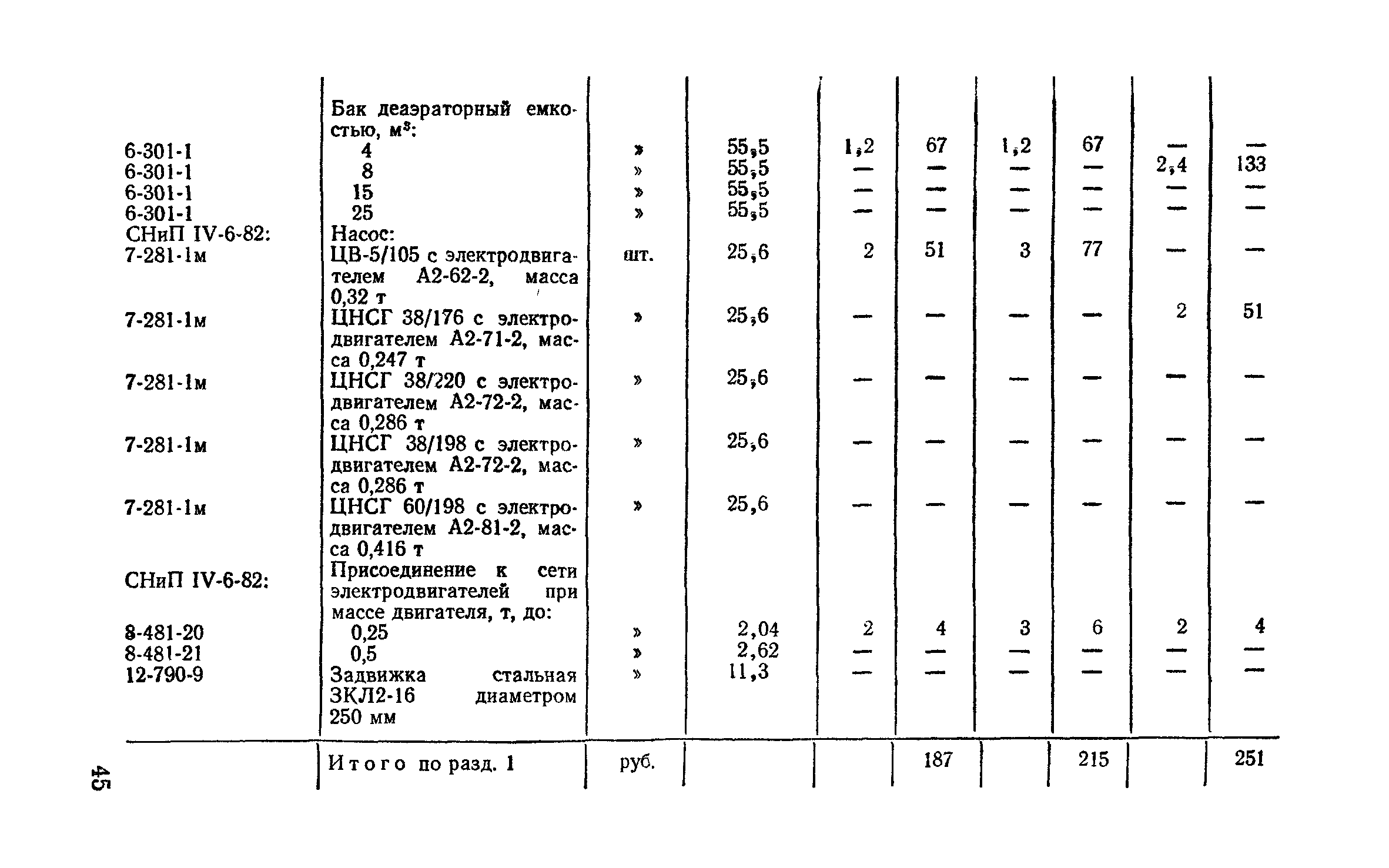
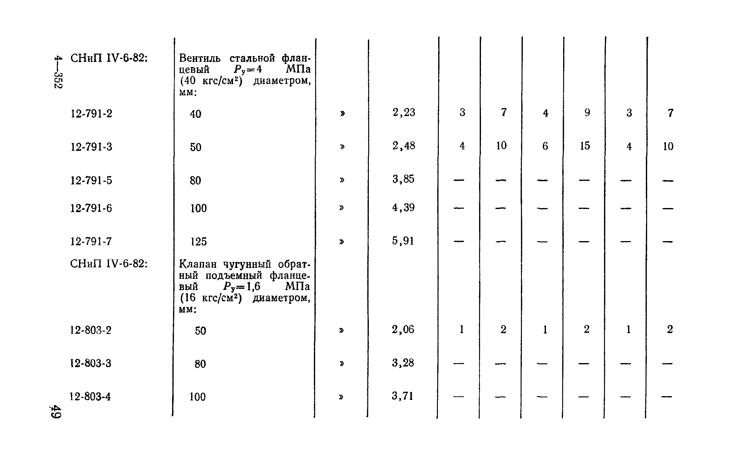
| Оглавление: | Общая часть Раздел 1. Блоки деаэрационно-питательных установок §1. Блоки крупноблочных деаэрационно-питательных установок §2. Блоки охладителя выпара §3. Блоки пульта управления §4. Блоки питательных насосов Раздел 2. Блоки установок централизованного горячего водоснабжения §1. Блоки крупноблочных установок горячего водоснабжения §2. Блок управления горячего водоснабжения §3. Блоки теплообменников §4. Блоки перекачивающих насосов §5. Блоки насосов горячего водоснабжения Приложение 1. Состав и стоимость оборудования Приложение 2. Ведомость объемов и стоимости строительно-монтажных работ. Крупноблочная деаэрационно-питательная установка Приложение 3. Ведомость объемов и стоимости строительно-монтажных работ. Блоки охладителя выпара Приложение 4. Ведомость объемов и стоимости строительно-монтажных работ. Блоки пульта управления Приложение 5. Ведомость объемов и стоимости строительно-монтажных работ. Блоки питательных насосов Приложение 6. Ведомость объемов и стоимости строительно-монтажных работ. Блоки крупноблочных установок горячего водоснабжения Приложение 7. Ведомость объемов и стоимости строительно-монтажных работ. Блок управления горячего водоснабжения Приложение 8. Ведомость объемов и стоимости строительно-монтажных работ. Блоки теплообменников Приложение 9. Ведомость объемов и стоимости строительно-монтажных работ. Блоки перекачивающих насосов Приложение 10. Ведомость объемов и стоимости строительно-монтажных работ. Блоки насосов горячего водоснабжения Приложение 11. Пример составления сметы |
| Разработан: | Сантехпроект Госстроя СССР |
| Утверждён: | 25.06.1985 Госстрой СССР (Государственный комитет Совета Министров СССР по делам строительства) (USSR Gosstroy 96) |
| Издан: | Стройиздат (1986 г. ) |


























































































































































