Скачать Инструкция по наблюдениям за деформациями бортов, откосов, уступов и отвалов на карьерах и разработке мероприятий по обеспечению их устойчивостиДата актуализации: 01.01.2021
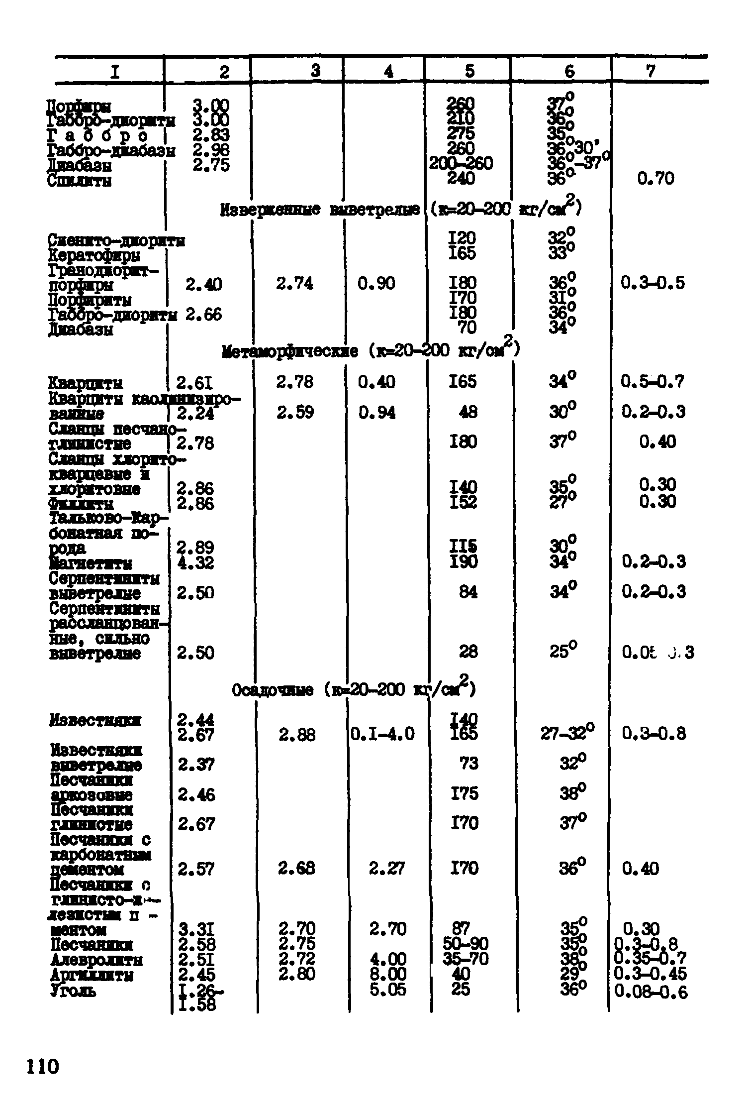
Инструкция по наблюдениям за деформациями бортов, откосов, уступов и отвалов на карьерах и разработке мероприятий по обеспечению их устойчивости| Статус: | действует | | Название рус.: | Инструкция по наблюдениям за деформациями бортов, откосов, уступов и отвалов на карьерах и разработке мероприятий по обеспечению их устойчивости | | Название англ.: | Guidelines for Monitoring Strains on Edges, Slopes, Ledges, and Spoil Heaps of Quarries and for the Development of Measures to Stabilize Them | | Дата добавления в базу: | 01.09.2013 | | Дата актуализации: | 01.01.2021 | | Оглавление: | Введение Глава 1 Общие положения Глава 2 Изучение геологического строения, трещиноватости и физикомеханических свойств горных массивов 2.1 Изучение геологического строения и физикомеханических свойств пород 2.2 Изучение структурных особенностей массива Глава 3 Маркшейдерские инструментальные наблюдения 3.1 Общие положения 3.2 Закладка наблюдательных станций 3.3 Методика маркшейдерских наблюдений 3.4 Обработка результатов маркшейдерских наблюдений 3.5 Упрощенные маркшейдерские наблюдения 3.6 Особенности маркшейдерских наблюдений за деформациями отвалов 3.7 Анализ материалов маркшейдерских наблюдений Глава 4 Упрощенные наблюдения за деформациями бортов карьеров, откосов уступов и отвалов 4.1 Наблюдения за фильтрационными деформациями 4.2 Наблюдения за прессом осыпания пород в откосах уступов 4.3 Упрощенные наблюдения за деформациями при сейсмическом воздействии Глава 5 Мероприятия по обеспечению устойчивости откосов на карьерах 5.1 Общие положения 5.2 Заоткоска уступов в их предельном положении 5.3 Укрепление слабых участков откосов на карьерах 5.4 Обеспечение общей устойчивости бортов карьеров, уступов и отвалов Глава 6 Документация нарушений устойчивости откосов на карьерах 6.1 Паспортизация нарушений устойчивости 6.2 Графические приложения к паспорту 6.3 Отчетность по наблюдениям за деформациями откосов на карьерах Приложение 1 Основные понятия и термины, используемые при изучении устойчивости откосов на карьерах Приложение 2 Классификация инженерно-геологических комплексов горных пород по условиям устойчивости бортов карьеров Приложение 3 Классификация горных пород по их устойчивости в откосах Приложение 4 Методика производства натурных испытаний сопротивления сдвигу трещиноватых пород Приложение 5 Значение коэффициента "а" для различных пород Приложение 6 Перечень и объем лабораторных определений физико-механических свойств горных пород Приложение 7 Физико-механические свойства некоторых горных пород Приложение 8 Величины углов по поверхностям ослабления Приложение 9 Методика отбора образцов из инженерно-геологических скважин Приложение 10 Ускоренный метод определения предела ползучести горных пород Приложение 11 Схема измерения длин интервалов с использованием жестких отвесов Приложение 12 Характеристика развития оползневых деформаций откосов на карьерах Приложение 13 Лабораторные исследования деформационных свойств горных пород Приложение 14 Методика испытаний на одноосное сжатие образцов горных пород неправильной формы Приложение 15 Результаты наблюдений за процессом осыпания пород в откосах уступов Приложение 16 Ориентировочные углы наклона бортов, углы откосов уступов и отвалов Приложение 17 Методика производства буро-взрывных работ при специальной заоткоске уступов в предельном положении Приложение 18 Геотехнические условные обозначения для специальных маркшейдерских планов и разрезов между масштабов 1:200-1:10000 (открытые разработки) Приложение 19 Пример заполнения паспорта обрушения Приложение 20 Пример заполнения паспорта оползня Приложение 21 Определение погрешности превышения при тригометрическом нивелировании Приложение 22 Полевой журнал тригонометрического нивелирования Приложение 23 Полевой журнал измерения длин Приложение 24 Ведомость вычисления превышений тригонометрического нивелирования Приложение 25 Ведомость вертикальных (горизонтальных) смещений Приложение 26 Ведомость скоростей смещения реперов по направлению векторов Приложение 27 Таблица поправок за температуру для стальной рулетки Литература | | Разработан: | ВИОГЕМ Минмета СССР ВНИМИ
| | Утверждён: | 21.07.1970 Госгортехнадзор СССР (USSR Gosgortekhnadzor )
| | Принят: | Министерство химической промышленности СССР (USSR Ministry of the Chemical Industry ) Министерство угольной промышленности СССР (USSR Ministry of the Coal Industry ) Министерство промышленности строительных материалов СССР (USSR Ministry of the Building Materials Industry ) Министерство черной металлургии СССР Министерство цветной металлургии СССР
|
                                                                                                                                                                                               
|