Скачать ГОСТ 24893.2-81 Балки обвязочные железобетонные для зданий промышленных предприятий. Арматурные и закладные изделия. Конструкция и размеры

Дата актуализации: 01.01.2021

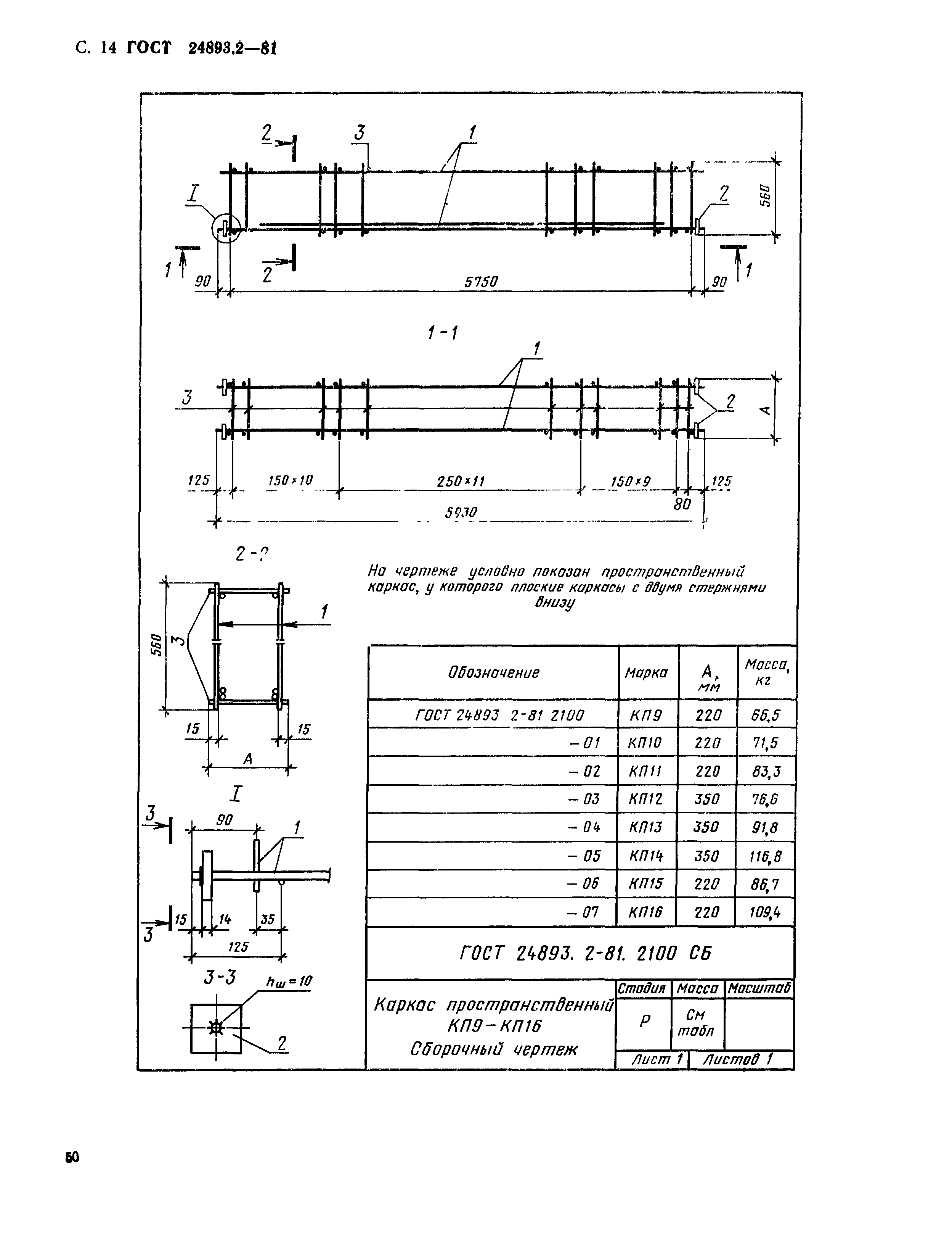
ГОСТ 24893.2-81

Балки обвязочные железобетонные для зданий промышленных предприятий. Арматурные и закладные изделия. Конструкция и размеры

Обозначение: ГОСТ 24893.2-81
Обозначение англ: GOST 24893.2-81
Статус:заменен
Название рус.:Балки обвязочные железобетонные для зданий промышленных предприятий. Арматурные и закладные изделия. Конструкция и размеры
Название англ.:Reinforced concrete frame brace for industrial buildings. Reinforcing products and inserts. Construction and dimensions
Дата добавления в базу:01.09.2013
Дата актуализации:01.01.2021
Дата введения:01.01.1983
Дата окончания срока действия:01.01.2017
Область применения:Стандарт распространяется на сварные арматурные и закладные изделия железобетонных обвязочных балок для зданий промышленных предприятий.
Разработан: ЦНИИпромзданий
Утверждён:14.07.1981 Государственный комитет Совета Министров СССР по делам строительства (119)
Издан: Издательство стандартов (1982 г. )
Издательство стандартов (1988 г. )
Нормативные ссылки:
ГОСТ 24893.2-81ГОСТ 24893.2-81ГОСТ 24893.2-81ГОСТ 24893.2-81ГОСТ 24893.2-81ГОСТ 24893.2-81ГОСТ 24893.2-81ГОСТ 24893.2-81ГОСТ 24893.2-81ГОСТ 24893.2-81ГОСТ 24893.2-81ГОСТ 24893.2-81ГОСТ 24893.2-81ГОСТ 24893.2-81ГОСТ 24893.2-81ГОСТ 24893.2-81ГОСТ 24893.2-81ГОСТ 24893.2-81ГОСТ 24893.2-81ГОСТ 24893.2-81ГОСТ 24893.2-81