Скачать Часть 4. Защита установок проводной связи и устройств радиотрансляционных сетей от опасных напряжений и токов, возникающих на воздушных линиях связи и радиофикацииДата актуализации: 01.01.2021 |
| Статус: | действует |
| Название рус.: | Часть 4. Защита установок проводной связи и устройств радиотрансляционных сетей от опасных напряжений и токов, возникающих на воздушных линиях связи и радиофикации |
| Название англ.: | Part 4: Protection of Cable Communications Devices of Radio Relay Networks Against Hazardous Voltages and Currents Appearing in Overhead Communications Lines and Closed-Circuit Radio Systems |
| Дата добавления в базу: | 01.09.2013 |
| Дата актуализации: | 01.01.2021 |
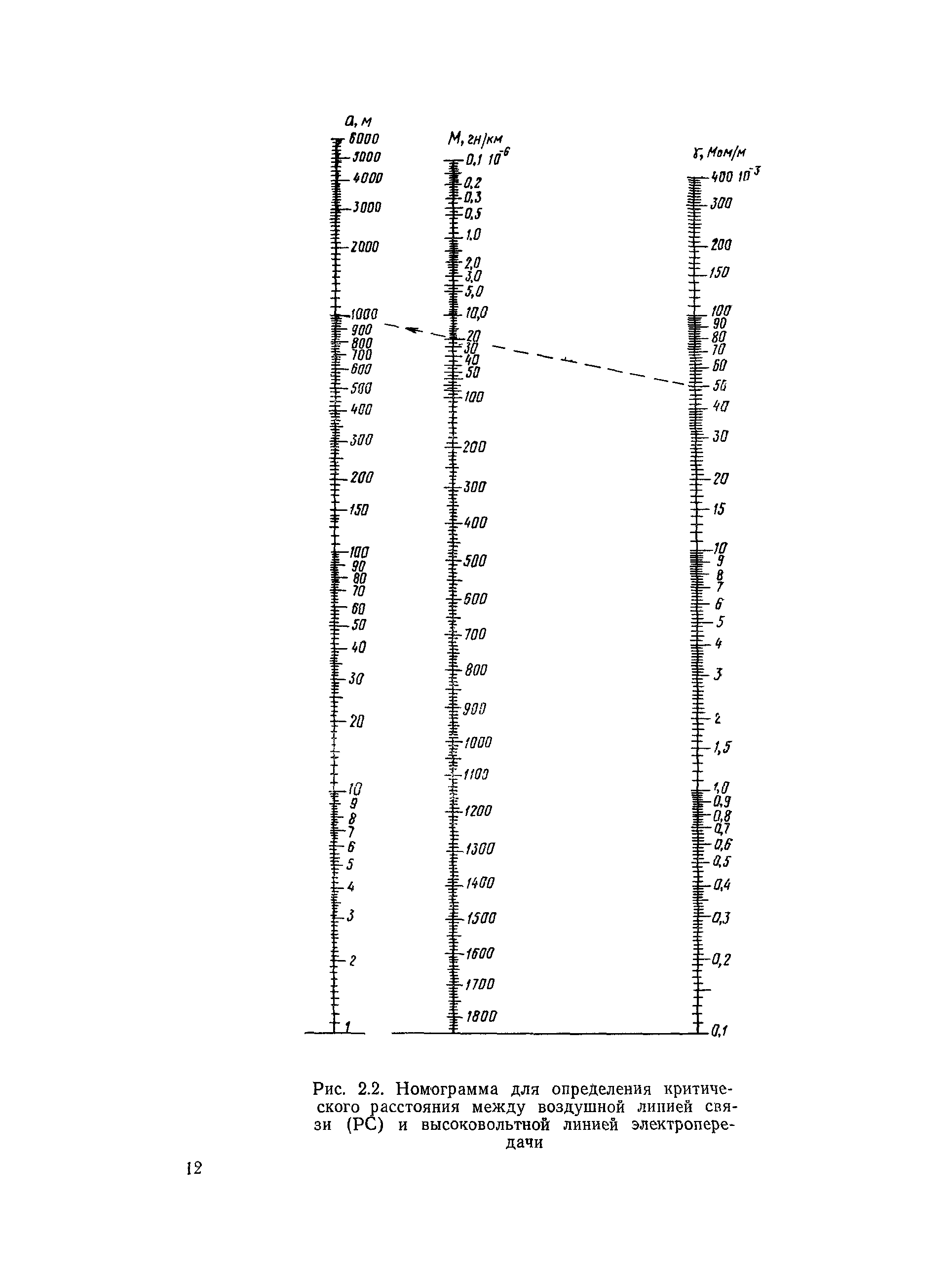
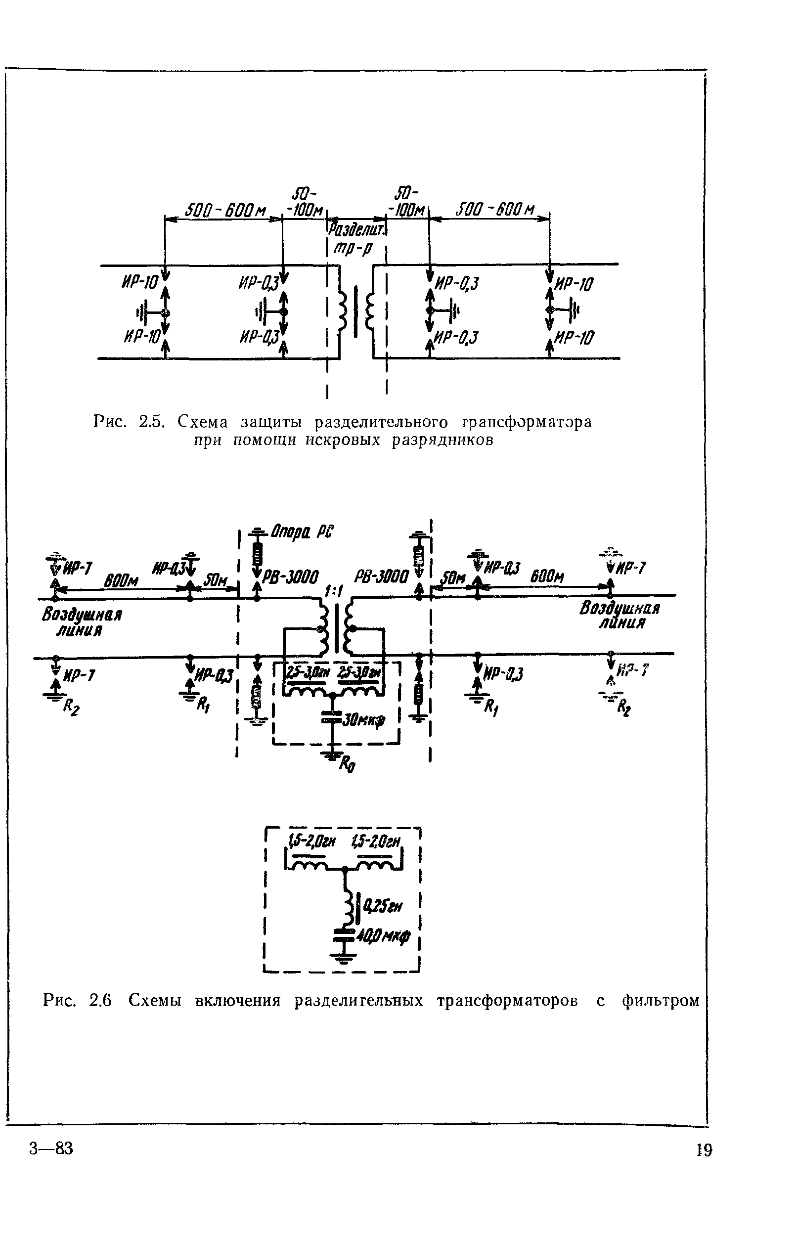
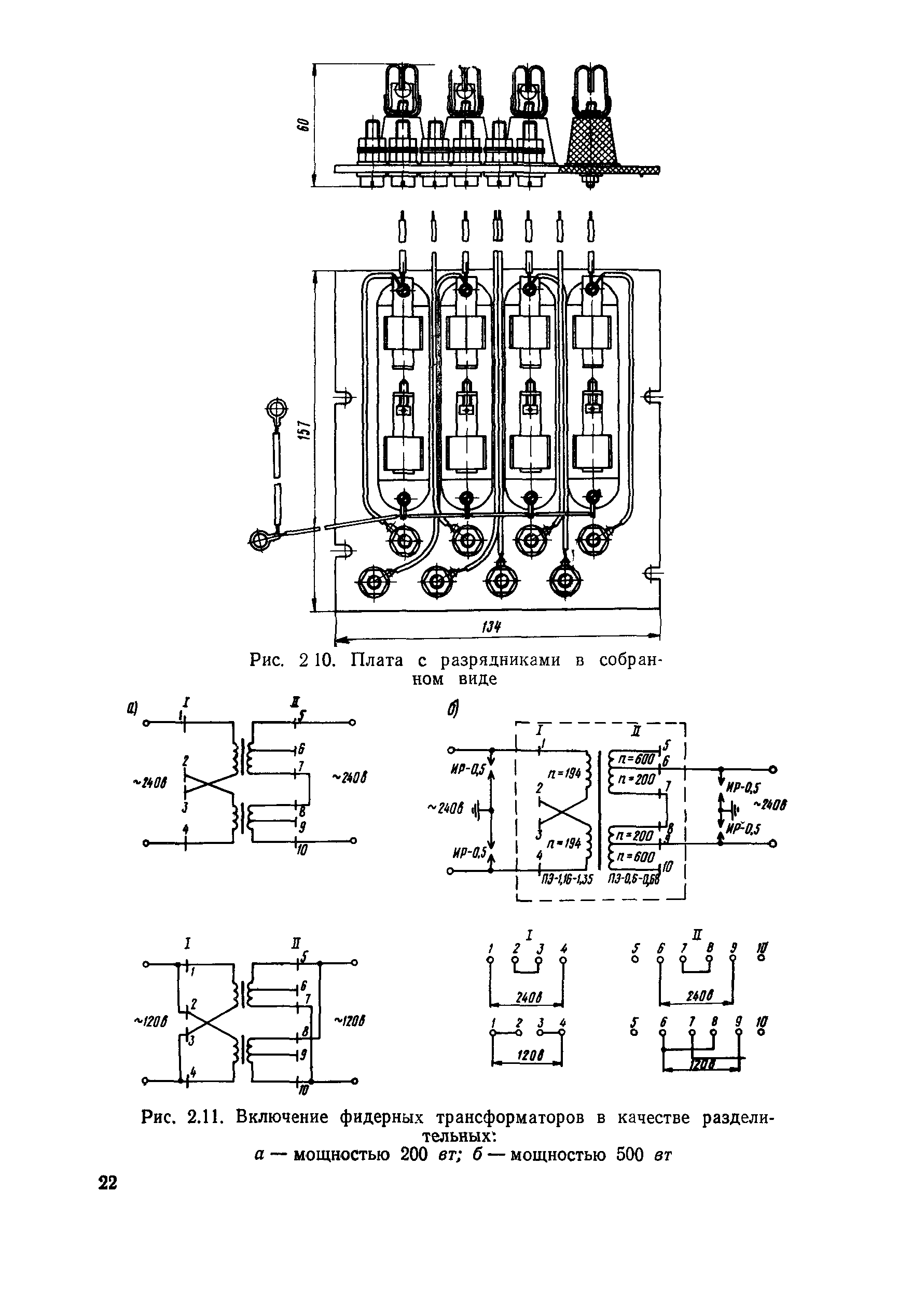
| Оглавление: | Предисловие 1. Опасные напряжения на проводах линий связи и радиотрансляционных сетей 1.1. Источники опасных напряжений. Некоторые понятия и определения 1.2. Индуктивное влияние высоковольтных воздушных линий электропередач и контактных сетей электрических железных дорог переменного тока 1.3. Влияние грозовых разрядов 1.4. Опасные напряжения на проводах ЛС и РС при непосредственном касании с проводами электрической силовой сети 2. Меры защиты от опасного влияния ВЛ и эл. Ж. д. 2.1. Меры, применяемые для защиты от влияния ВЛ и эл.ж.д 2.2. Относ воздушных линий от ВЛ и эл. ж.д. на критические расстояния 2.3. Защита специальными разрядниками 2.4. Защита разделительными трансформаторами 2.5. Защита дренажными катушками 2.6. Защита заземленными тросами из цветных металлов 2.7. Защита отсасывающими трансформаторами 2.8. Частичная или полная замена воздушных линий кабельными 3. Меры защиты от опасных напряжений, возникающих при грозовых разрядах и при соприкосновениях проводов ЛС (РС) с ВЛ напряжением до 600 В и эл. Ж. д. постоянного тока 3.1. Меры защиты от опасных напряжений, возникающих при грозовых разрядах 3.2. Меры защиты от опасных напряжений и токов, возникающих при соприкосновениях проводов ЛС (РС) с ВЛ напряжением до 600 В и эл.ж.д. постоянного тока 4. Защита установок междугородной проводной связи 4.1. Включение искровых разрядников на подходе воздушных линий к станции и УП 4.2. Схемы защиты на вводе воздушных линий связи при отсутствии опасного влияния ВЛ 4.3. Схемы защиты на вводе воздушных линий связи при наличии опасного влияния ВЛ 4.4. Включение элементов защиты 4.5. Защита установок избирательной железнодорожной связи 5. Защита установок проводной связи городских и сельских телефонных сетей и сетей местной железнодорожной связи 5.1. Включение искровых разрядников на подходе воздушных линий к станции 5.2. Схемы защиты на вводе воздушных линий и кабелей с металлической оболочкой при отсутствии опасного влияния ВЛ 5.3. Схемы защиты на вводе кабелей с пластмассовой оболочкой 5.4. Включение элементов защиты 6. Защита абонентов и установок проводного вещания 6.1. Защита оборудования, подключенного к фидерным магистральным линиям 6.2. Защита оборудования на фидерных цепях РС, подвешенных на опорах линий электропередачи напряжением 3/10 Кв 6.3. Защита оборудования с включенными фидерными распределительными линиями РС напряжением до 120 В 6.4. Защита оборудования с включенными фидерными распределительными линиями РС напряжением 240 и 340 В 6.5. Защита абонентов и оборудования на абонентских линиях напряжением 15 и 30 В 6.6. Защита кабельных вставок и катушек пупинизации 6.7. Защита аппаратуры на вводе приемных антенн 6.8. Дополнительная защита на фидерных цепях напряжением 480/2000 В 6.9. Включение элементов защиты 7. Защита на участках пересечения линий связи и РС с ВЛ 7.1. Защита при пересечении линий связи или РС с ВЛ напряжением до 1000 В 7.2. Защита при пересечении линий связи или РС с ВЛ напряжением выше 1000 В 8. Заземление 8.1. Нормы сопротивления заземлений 8.2. Устройство заземлений 8.3. Устройство заземлений в грунтах с высоким удельным сопротивлением 9. Защита опор разрушения при прямых ударах молнии 9.1. Общие указания 9.2. Защита деревянных опор воздушных линий связи и РС при помощи молниеотводов Приложение 1. Приборы защиты Приложение 2. Расчетные формулы для определения сопротивления различных заземлений Приложение 3. Условные обозначения Литература |
| Разработан: | ЦНИИС |
| Утверждён: | 08.05.1985 Минсвязи СССР (USSR Minsvyazi ) |
| Издан: | Издательство Связь (1971 г. ) |
| Нормативные ссылки: |
|



































































































