Скачать ГОСТ 22033-76 Шпильки с ввинчиваемым концом длиной 1d. Класс точности А. Конструкция и размеры

Дата актуализации: 01.01.2021

ГОСТ 22033-76

Шпильки с ввинчиваемым концом длиной 1d. Класс точности А. Конструкция и размеры

Обозначение: ГОСТ 22033-76
Обозначение англ: GOST 22033-76
Статус:взамен
Название рус.:Шпильки с ввинчиваемым концом длиной 1d. Класс точности А. Конструкция и размеры
Название англ.:Studs with threaded end of 1d. Product grade A. Construction and dimensions
Дата добавления в базу:01.09.2013
Дата актуализации:01.01.2021
Дата введения:01.07.1978
Область применения:Стандарт распространяется на шпильки с номинальным диаметром резьбы от 2 до 48 мм, изготовляемые с крупным шагом резьбы на гаечном и ввинчиваемом концах; с мелким шагом резьбы на гаечном и ввинчиваемом концах; с мелким шагом резьбы на ввинчиваемом конце и крупным шагом резьбы на гаечном конце; с крупным шагом резьбы на ввинчиваемом конце и мелким шагом резьбы на гаечном конце.
Оглавление:Приложение 1
Приложение 2
Утверждён:13.08.1976 Государственный комитет стандартов Совета Министров СССР (USSR National Committee on Standards at the Cabinet of Ministers 1934)
Издан: Издательство стандартов (1987 г. )
Список изменений:
Заменяет собой:
  • ГОСТ 11766-66 «Шпильки для деталей с резьбовыми отверстиями с диаметром резьбы от 2 до 48 мм (повышенной точности). Размеры и технические требования» (в части длины ввинчиваемого резьбового конца l1=d)
Нормативные ссылки:
ГОСТ 22033-76ГОСТ 22033-76ГОСТ 22033-76ГОСТ 22033-76ГОСТ 22033-76ГОСТ 22033-76ГОСТ 22033-76ГОСТ 22033-76ГОСТ 22033-76ГОСТ 22033-76ГОСТ 22033-76ГОСТ 22033-76ГОСТ 22033-76ГОСТ 22033-76ГОСТ 22033-76ГОСТ 22033-76ГОСТ 22033-76ГОСТ 22033-76ГОСТ 22033-76ГОСТ 22033-76

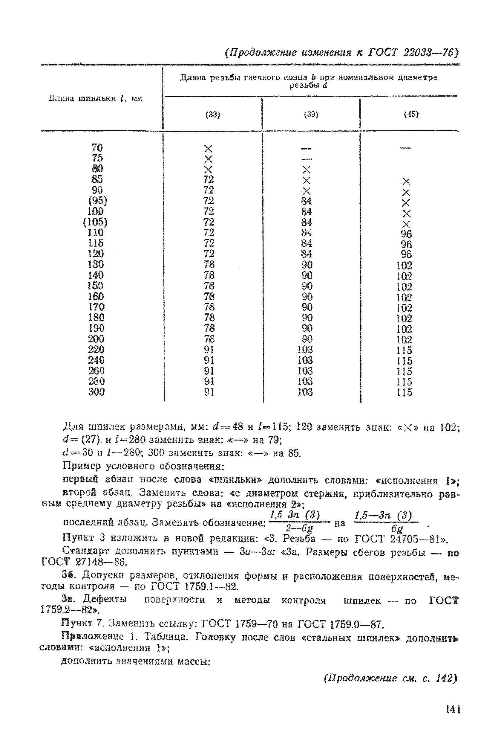
Текстовое изменение № 4 от 01.01.1989

№ 4№ 4№ 4№ 4№ 4№ 4

Текстовое изменение № 1 от 01.04.1979

№ 1