Скачать ГОСТ 11008-64 Солома конопляная. Технические условия

Дата актуализации: 01.01.2021

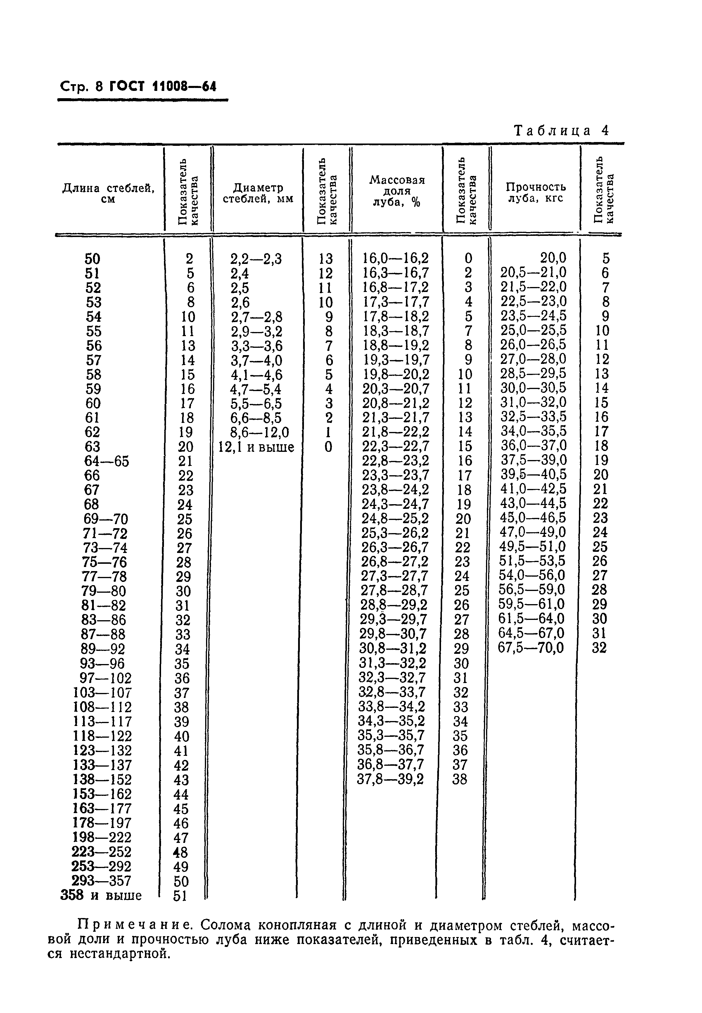
ГОСТ 11008-64

Солома конопляная. Технические условия

Обозначение: ГОСТ 11008-64
Обозначение англ: GOST 11008-64
Статус:заменен в части
Название рус.:Солома конопляная. Технические условия
Название англ.:Hemp straw. Specifications
Дата добавления в базу:01.09.2013
Дата актуализации:01.01.2021
Дата введения:01.07.1973
Дата окончания срока действия:01.01.1987
Оглавление:I. Технические требования
II. Методы испытаний
Утверждён:28.07.1964 Госстандарт СССР (USSR Gosstandart отсутствуют)
Заменяет собой:
  • ОСТ КЗ СНК 6123/192 (Сведения из перечня "Указатель государственных общесоюзных стандартов 1965 г.", Издательство стандартов 1965)
  • ОСТ КЗ СНК 8430/255 (Сведения из перечня "Указатель государственных общесоюзных стандартов 1965 г.", Издательство стандартов 1965)
  • ОСТ НКЗаг 454 (Сведения из перечня "Указатель государственных общесоюзных стандартов 1965 г.", Издательство стандартов 1965)
ГОСТ 11008-64ГОСТ 11008-64ГОСТ 11008-64ГОСТ 11008-64ГОСТ 11008-64ГОСТ 11008-64ГОСТ 11008-64ГОСТ 11008-64ГОСТ 11008-64ГОСТ 11008-64ГОСТ 11008-64ГОСТ 11008-64ГОСТ 11008-64ГОСТ 11008-64ГОСТ 11008-64