Скачать ГОСТ 12632-79 Пластины и детали резиновые пористые для низа обуви. Общие технические условияДата актуализации: 01.01.2021
|
| Обозначение: | ГОСТ 12632-79 |
| Обозначение англ: | GOST 12632-79 |
| Статус: | взамен |
| Название рус.: | Пластины и детали резиновые пористые для низа обуви. Общие технические условия |
| Название англ.: | Porous rubber sheets and details for shoes bottom. Specifications |
| Дата добавления в базу: | 01.09.2013 |
| Дата актуализации: | 01.01.2021 |
| Дата введения: | 01.07.1980 |
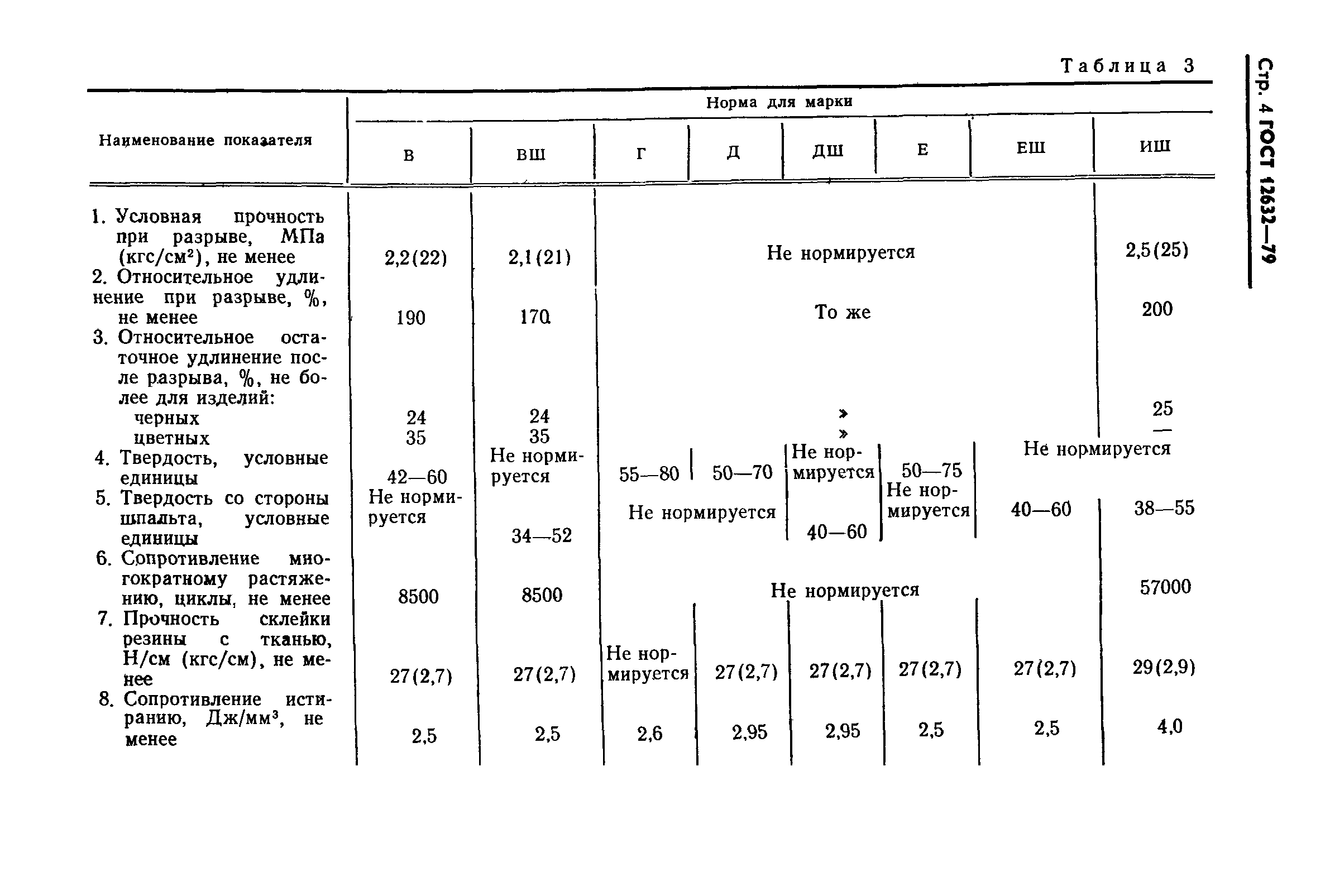
| Оглавление: | 1. Классификация 2. Технические требования 3. Правила приемки 4. Методы испытаний 5. Маркировка, упаковка, транспортирование и хранение 6. Гарантии изготовителя |
| Утверждён: | 23.05.1979 Госстандарт СССР (USSR Gosstandart 1828) |
| Заменяет собой: |
|










