Скачать ГОСТ 13218.8-80 Корпуса типа УБ подшипников качения диаметром от 160 до 400 мм. Конструкция и размеры

Дата актуализации: 01.01.2021

ГОСТ 13218.8-80

Корпуса типа УБ подшипников качения диаметром от 160 до 400 мм. Конструкция и размеры

Обозначение: ГОСТ 13218.8-80
Обозначение англ: GOST 13218.8-80
Статус:взамен
Название рус.:Корпуса типа УБ подшипников качения диаметром от 160 до 400 мм. Конструкция и размеры
Название англ.:Pillow blocks of serie УБ for rolling bearings of diameters from 160 till 400 mm. Basic dimensions
Дата добавления в базу:01.09.2013
Дата актуализации:01.01.2021
Дата введения:01.01.1982
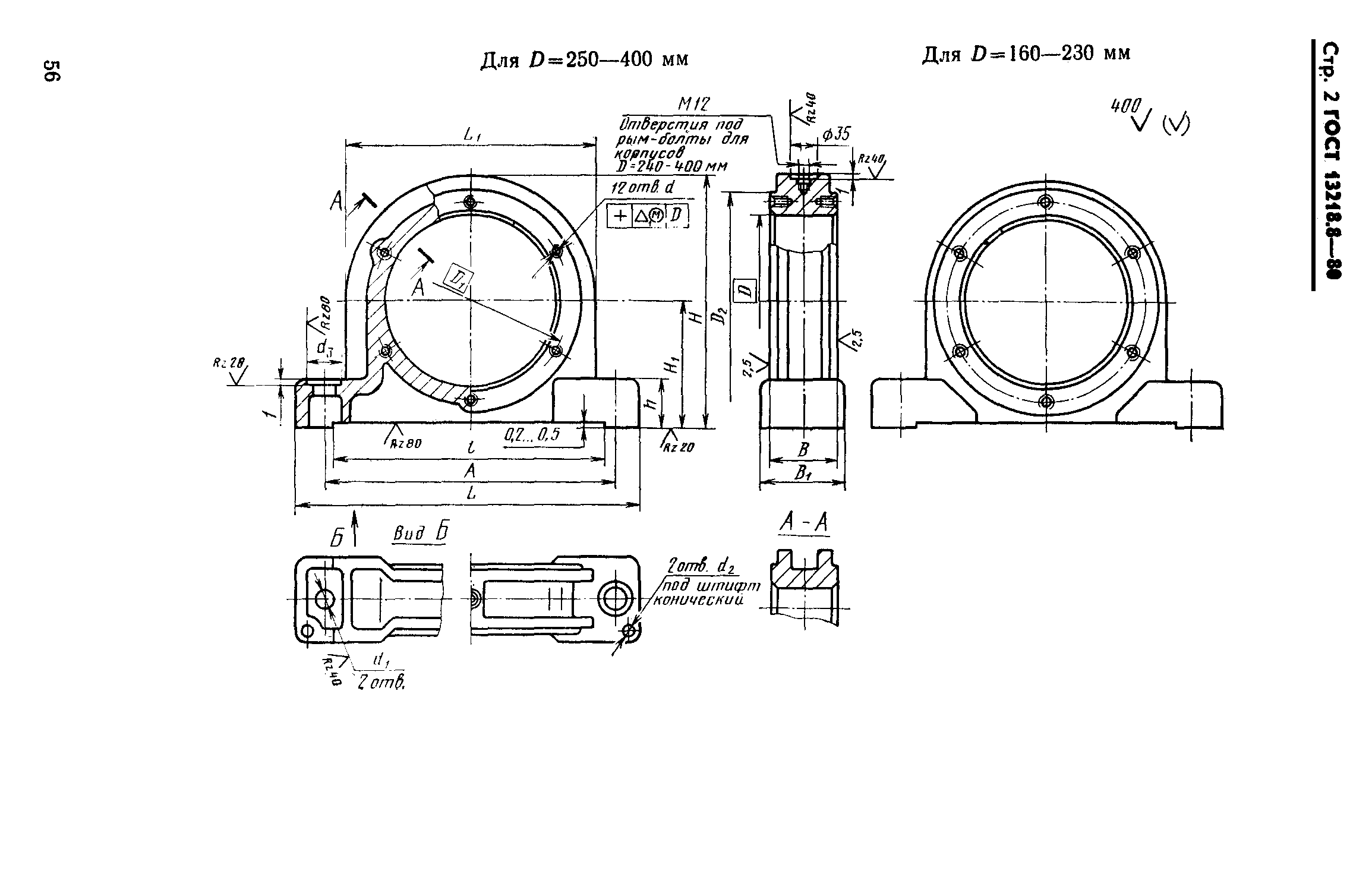
Область применения:Стандарт распространяется на неразъемные узкие корпуса типа УБ со сквозным отверстием для подшипников качения.
Утверждён:30.09.1980 Госстандарт СССР (USSR Gosstandart 4893)
Издан: Издательство стандартов (1981 г. )
Заменяет собой:
  • ГОСТ 13218.8-67 «Корпуса серии УБ подшипников качения диаметром от 160 до 400 мм. Основные размеры»
Нормативные ссылки:
ГОСТ 13218.8-80ГОСТ 13218.8-80ГОСТ 13218.8-80ГОСТ 13218.8-80