Скачать ГОСТ 13968-74 Крестовины переходные для соединений трубопроводов по наружному конусу. Конструкция и размеры

Дата актуализации: 01.01.2021

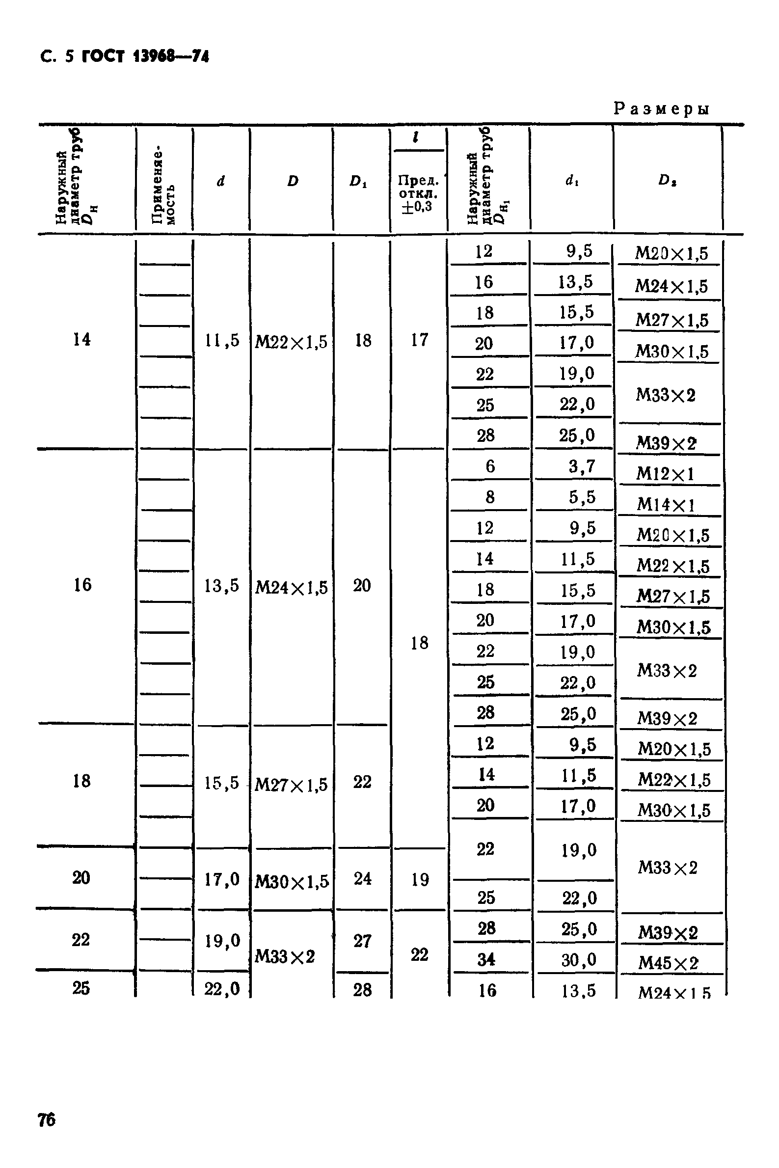
ГОСТ 13968-74

Крестовины переходные для соединений трубопроводов по наружному конусу. Конструкция и размеры

Обозначение: ГОСТ 13968-74
Обозначение англ: GOST 13968-74
Статус:взамен
Название рус.:Крестовины переходные для соединений трубопроводов по наружному конусу. Конструкция и размеры
Название англ.:Connectors for tube connections on external cone. Construction and dimensions
Дата добавления в базу:01.09.2013
Дата актуализации:01.01.2021
Дата введения:01.07.1975
Утверждён:10.09.1974 Госстандарт СССР (USSR Gosstandart 2124)
Издан: ИПК Издательство стандартов (2002 г. )
Заменяет собой:
  • ГОСТ 13968-68 «Крестовины переходные для соединения трубопроводов по наружному конусу. Конструкция и размеры»
ГОСТ 13968-74ГОСТ 13968-74ГОСТ 13968-74ГОСТ 13968-74ГОСТ 13968-74ГОСТ 13968-74ГОСТ 13968-74ГОСТ 13968-74ГОСТ 13968-74ГОСТ 13968-74ГОСТ 13968-74ГОСТ 13968-74