Скачать ГОСТ 1465-80 Напильники. Технические условияДата актуализации: 01.01.2021
|
| Обозначение: | ГОСТ 1465-80 |
| Обозначение англ: | GOST 1465-80 |
| Статус: | действует |
| Название рус.: | Напильники. Технические условия |
| Название англ.: | Files. Specifications |
| Дата добавления в базу: | 01.09.2013 |
| Дата актуализации: | 01.01.2021 |
| Дата введения: | 01.01.1984 |
| Область применения: | Стандарт распространяется на слесарные напильники общего назначения. |
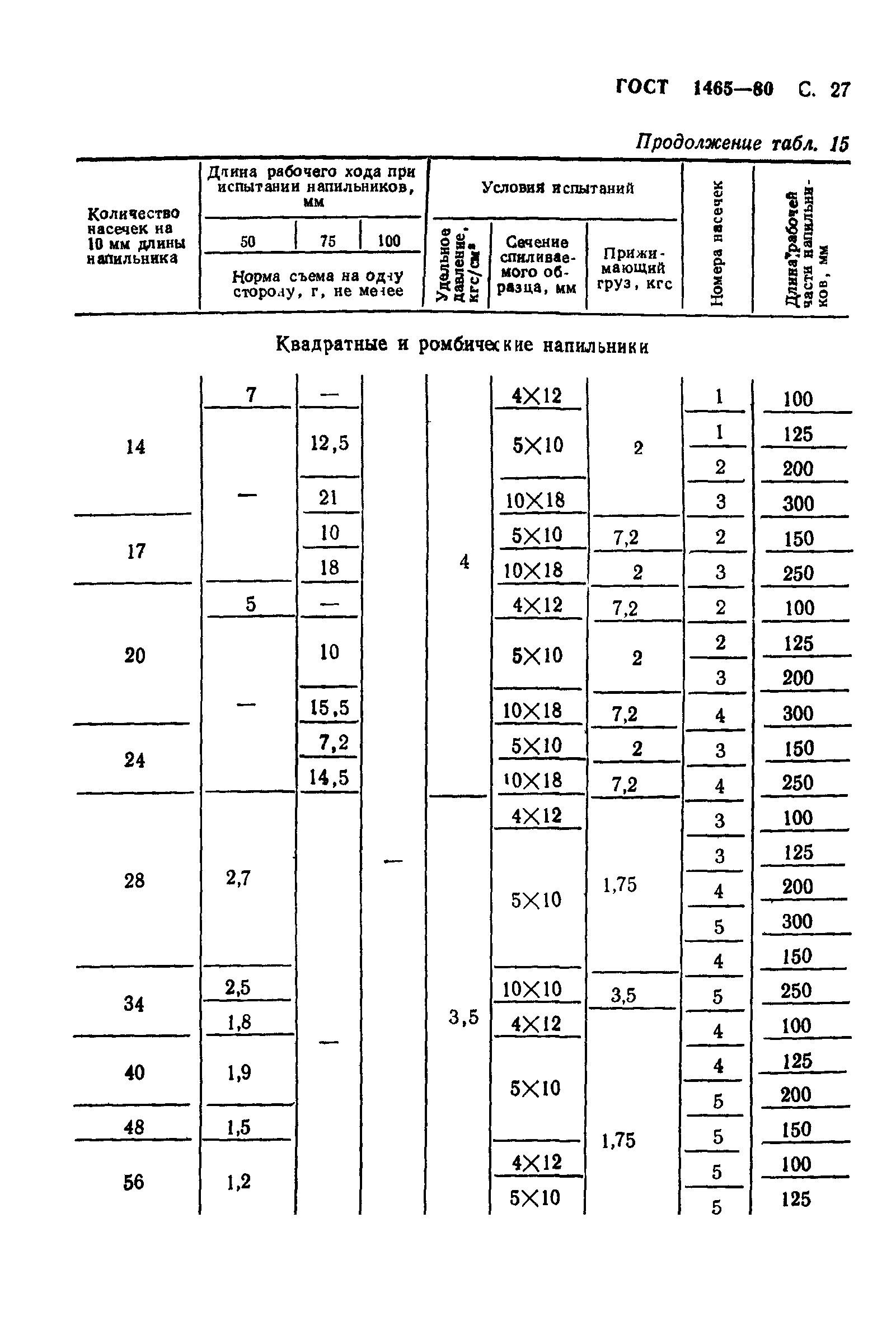
| Оглавление: | 1 Типы 2 Основные элементы насечек, нарезок и размеры напильников 3 Технические требования 4 Приемка 5 Методы контроля и испытаний 6 Транспортирование и хранение Приложение Рекомендации по назначению напильников |
| Разработан: | Министерство станкостроительной и инструментальной промышленности СССР |
| Утверждён: | 25.01.1980 Госстандарт СССР (USSR Gosstandart 354) |
| Издан: | Издательство стандартов (1980 г. ) Издательство стандартов (1992 г. ) |
| Заменяет собой: |
|
| Нормативные ссылки: |
|

































