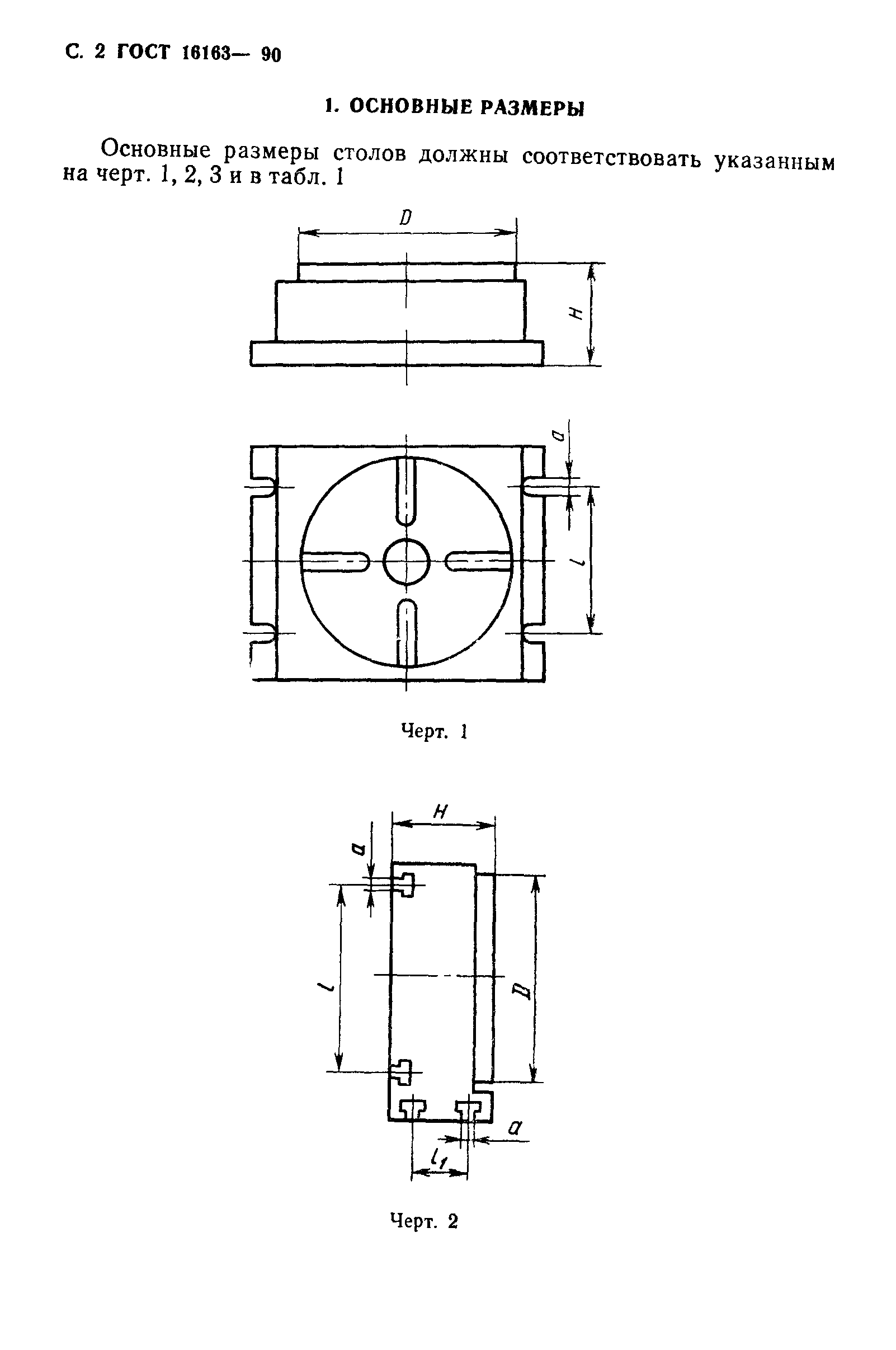
Скачать ГОСТ 16163-90 Столы поворотные делительные координатно-расточных и координатно-шлифовальных станков. Основные размеры. Нормы точностиДата актуализации: 01.01.2021
|
| Обозначение: | ГОСТ 16163-90 |
| Обозначение англ: | GOST 16163-90 |
| Статус: | действует |
| Название рус.: | Столы поворотные делительные координатно-расточных и координатно-шлифовальных станков. Основные размеры. Нормы точности |
| Название англ.: | Indexing tables of jig-boking and jig-grinding machines. Basic dimensions. Standards of accuracy |
| Дата добавления в базу: | 01.09.2013 |
| Дата актуализации: | 01.01.2021 |
| Дата введения: | 01.07.1991 |
| Область применения: | Стандарт распространяется на простые горизонтальные и вертикальные, в том числе кантуемые; универсальные поворотные делительные столы с ручным и механизированным приводом поворота планшайбы, с механической, оптической, индуктивной системами отсчета угловых координат, устройствами цифровой индикации и числового программного управления, классов точности А и С, для координатно-расточных, координатно-шлифовальных станков, координатных сверлильно-фрезерно-расточных станков изготовляемых для народного хозяйства и экспорта . |
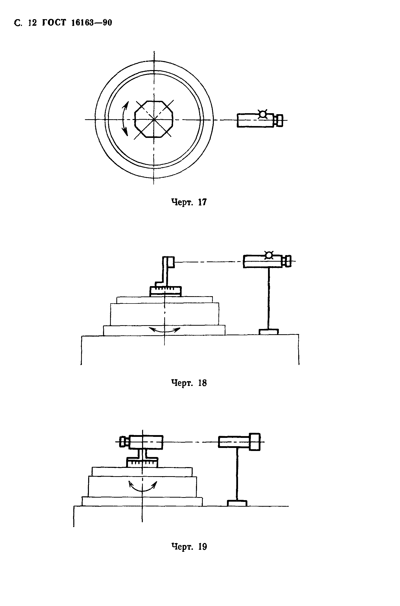
| Оглавление: | 1 Основные размеры 2 Точность стола |
| Утверждён: | 31.05.1990 Госстандарт СССР (USSR Gosstandart 1373) |
| Издан: | Издательство стандартов (1990 г. ) |
| Заменяет собой: |
|
| Нормативные ссылки: |
|

















