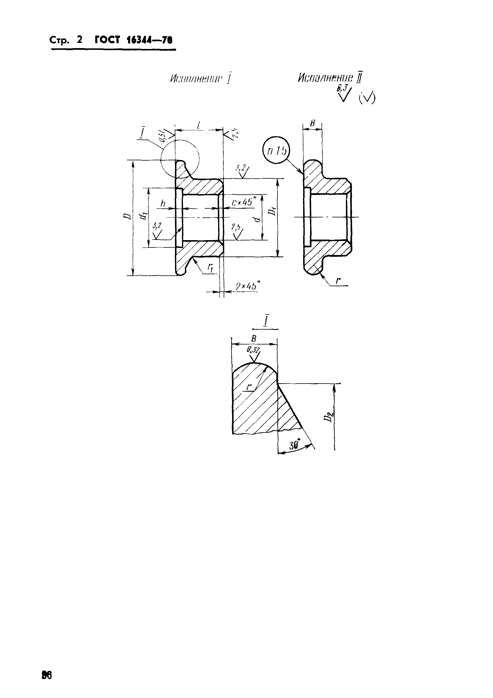
Скачать ГОСТ 16344-70 Ролики обкатные. Конструкция и размерыДата актуализации: 01.01.2021 ГОСТ 16344-70
Ролики обкатные. Конструкция и размеры| Обозначение: | ГОСТ 16344-70 | | Обозначение англ: | GOST 16344-70 | | Статус: | действует | | Название рус.: | Ролики обкатные. Конструкция и размеры | | Название англ.: | Rolling rolls. Construction and dimensions | | Дата добавления в базу: | 01.09.2013 | | Дата актуализации: | 01.01.2021 | | Дата введения: | 01.07.1971 | | Утверждён: | 28.08.1970 Госстандарт СССР (USSR Gosstandart 1351)
| | Заменяет собой: | - МН 5841-65 (Сведения из перечня "Указатель государственных стандартов СССР 1971 г.", Издательство стандартов 1971)
|
    
|