Скачать ГОСТ 1672-80 Развертки машинные цельные. Типы, параметры и размерыДата актуализации: 01.01.2021
|
| Обозначение: | ГОСТ 1672-80 |
| Обозначение англ: | GOST 1672-80 |
| Статус: | заменен |
| Название рус.: | Развертки машинные цельные. Типы, параметры и размеры |
| Название англ.: | Solid machine reameres. Types, parameters and dimensions |
| Дата добавления в базу: | 01.09.2013 |
| Дата актуализации: | 01.01.2021 |
| Дата введения: | 01.01.1982 |
| Дата окончания срока действия: | 01.01.2018 |
| Область применения: | Стандарт распространяется на машинные цельные развертки: чистовые - для обработки отверстий с полями допусков G6, H6, Js6, K6, G7, H7, Js7, K7, M7, N7, P7, E8, U8, F8, H8, D9, E9, F9, H9, H10, H11; с припуском под доводку - № 1, 2, 3, 4, 5, 6. |
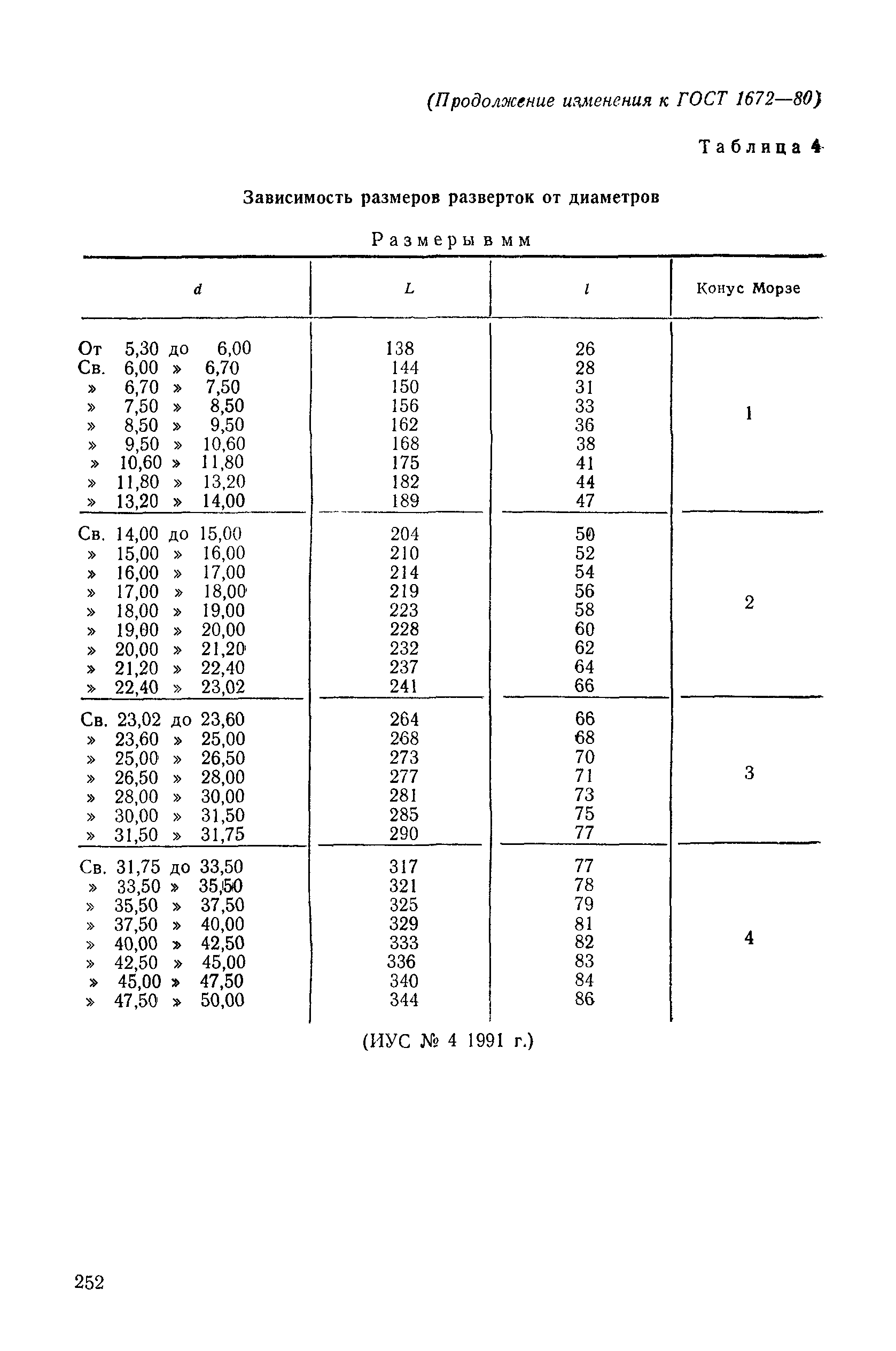
| Оглавление: | Приложение 1 (рекомендуемое) Элементы конструкции и геометрические параметры разверток Приложение 2 (обязательное) Размеры разверток по ИСО 521-75 и ИСО 2402-72 |
| Разработан: | Министерство станкостроительной и инструментальной промышленности СССР |
| Утверждён: | 19.03.1980 Государственный комитет СССР по стандартам (USSR National Committee on Standards 1222) |
| Издан: | Издательство стандартов (1980 г. ) ИПК Издательство стандартов (1998 г. ) |
| Список изменений: |
|
| Заменяет собой: |
|
| Нормативные ссылки: |
|
















Текстовое изменение № 2 от 01.07.1995





Текстовое изменение Поправка
Текстовое изменение № 1 от 01.09.1991






