Скачать ГОСТ 16980-82 Фуражки форменные. Технические условия

Дата актуализации: 01.01.2021

ГОСТ 16980-82

Фуражки форменные. Технические условия

Обозначение: ГОСТ 16980-82
Обозначение англ: GOST 16980-82
Статус:взамен
Название рус.:Фуражки форменные. Технические условия
Название англ.:Uniform caps. Specifications
Дата добавления в базу:01.09.2013
Дата актуализации:01.01.2021
Дата введения:01.01.1983
Область применения:Стандарт распространяется на форменные фуражки для военнослужащих Вооруженных Сил СССР, сотрудников органов МВД, КГБ и вспомогательного флота ВМФ.
Оглавление:1 Типы и размеры
2 Технические требования
3 Правила приемки и методы контроля
4 Маркировка, упаковка, транспортирование и хранение
Приложение 1 (справочное) Цвет околыша и канта
Приложение 2 (справочное) Расположение кокард и эмблем на фуражках
Приложение 3 (рекомендуемое) Особенности обработки форменных фуражек
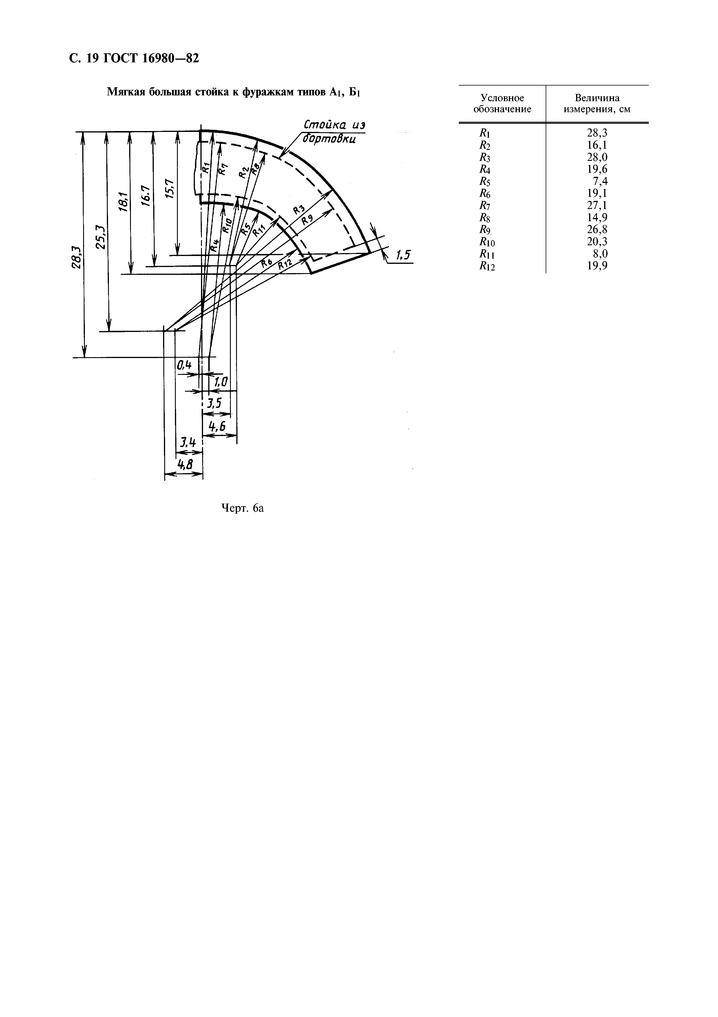
Приложение 4 (рекомендуемое) Пособие для построения чертежей лекал форменных фуражек
Приложение 5 (справочное) Коды ОКП форменных фуражек
Разработан: Министерство легкой промышленности СССР
Утверждён:17.02.1982 Государственный комитет СССР по стандартам (USSR National Committee on Standards 708)
Издан: Издательство стандартов (1982 г. )
ИПК Издательство стандартов (2001 г. )
Заменяет собой:
  • ГОСТ 16980-71 «Фуражки форменные.»
Нормативные ссылки:
ГОСТ 16980-82ГОСТ 16980-82ГОСТ 16980-82ГОСТ 16980-82ГОСТ 16980-82ГОСТ 16980-82ГОСТ 16980-82ГОСТ 16980-82ГОСТ 16980-82ГОСТ 16980-82ГОСТ 16980-82ГОСТ 16980-82ГОСТ 16980-82ГОСТ 16980-82ГОСТ 16980-82ГОСТ 16980-82ГОСТ 16980-82ГОСТ 16980-82ГОСТ 16980-82ГОСТ 16980-82ГОСТ 16980-82ГОСТ 16980-82ГОСТ 16980-82ГОСТ 16980-82ГОСТ 16980-82ГОСТ 16980-82ГОСТ 16980-82ГОСТ 16980-82