Скачать ГОСТ 17173-81 Щели спектральных приборов и насадки к ним. Типы, основные параметры и размеры. Технические требования

Дата актуализации: 01.01.2021

ГОСТ 17173-81

Щели спектральных приборов и насадки к ним. Типы, основные параметры и размеры. Технические требования

Обозначение: ГОСТ 17173-81
Обозначение англ: GOST 17173-81
Статус:взамен
Название рус.:Щели спектральных приборов и насадки к ним. Типы, основные параметры и размеры. Технические требования
Название англ.:Spectral instruments. Slits and attachments. Basic parameters and dimensions. Technical requirements
Дата добавления в базу:01.09.2013
Дата актуализации:01.01.2021
Дата введения:01.01.1983
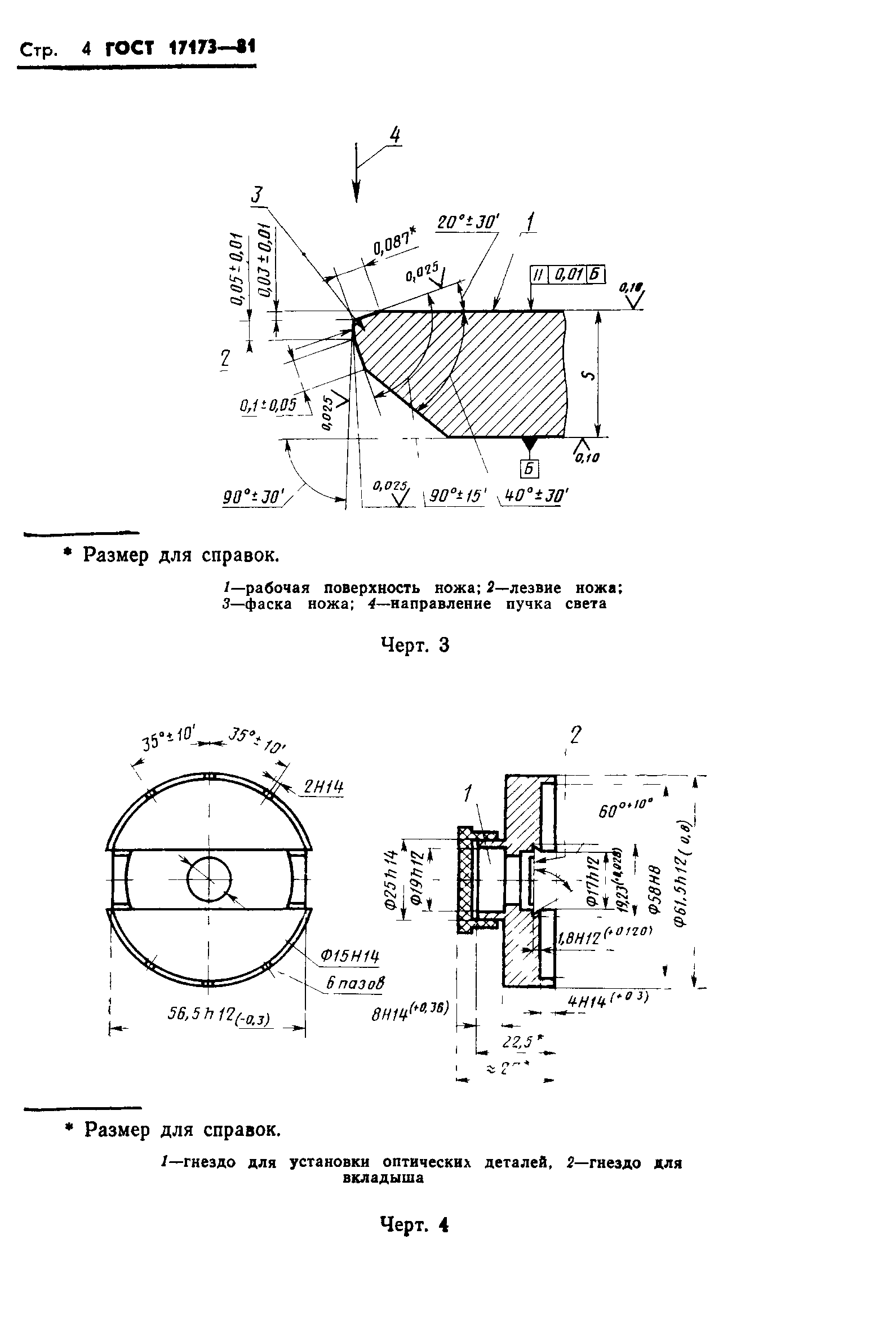
Область применения:Стандарт распространяется на симметричные регулируемые щели спектральных приборов, предназначенные для ограничения светового пучка по ширине, и насадки к ним, предназначенные для помещения перед щелью конденсорных линз, защитных стекол, светофильтров, призм сравнения, вкладышей со ступенчатыми ослабителями или фигурными диафрагмами, ограничивающими световой пучок по высоте.
Оглавление:1 Типы, основные параметры и размеры
2 Технические требования
Утверждён:30.12.1981 Государственный комитет СССР по стандартам (USSR National Committee on Standards 5791)
Издан: Издательство стандартов (1982 г. )
Список изменений:
Заменяет собой:
  • ГОСТ 17173-71 «Приборы спектральные. Щели спектральные и насадки к ним. Основные параметры и размеры. Технические требования»
ГОСТ 17173-81ГОСТ 17173-81ГОСТ 17173-81ГОСТ 17173-81ГОСТ 17173-81ГОСТ 17173-81ГОСТ 17173-81ГОСТ 17173-81ГОСТ 17173-81

Текстовое изменение № 1 от 01.01.1988

№ 1

Текстовое изменение № 2 от 01.01.1990

№ 2

Текстовое изменение поправка

поправка