Скачать ГОСТ 18944-73 Фрезы концевые сферические, оснащенные коронками из твердого сплава, для труднообрабатываемых сталей и сплавов. Конструкция и размерыДата актуализации: 01.01.2021 ГОСТ 18944-73
Фрезы концевые сферические, оснащенные коронками из твердого сплава, для труднообрабатываемых сталей и сплавов. Конструкция и размеры| Обозначение: | ГОСТ 18944-73 | | Обозначение англ: | GOST 18944-73 | | Статус: | отменен в рф | | Название рус.: | Фрезы концевые сферические, оснащенные коронками из твердого сплава, для труднообрабатываемых сталей и сплавов. Конструкция и размеры | | Название англ.: | Shank spherical cutted with carbide bits for cutting hardworking steels and alloys. Design and dimensions | | Дата добавления в базу: | 01.09.2013 | | Дата актуализации: | 01.01.2021 | | Дата введения: | 01.01.1975 | | Дата окончания срока действия: | 01.01.2009 | | Область применения: | Стандарт распространяется на фрезы концевые сферические, оснащенные коронками из твердого сплава, для труднообрабатываемых сталей и сплавов на их конструкции и размеры. Фрезы должны изготовляться двух исполнений: 1 - фрезы обычного исполнения; 2 - фрезы с торцовым зубом. | | Утверждён: | 26.06.1973 Государственный комитет стандартов Совета Министров СССР (USSR National Committee on Standards at the Cabinet of Ministers 1557)
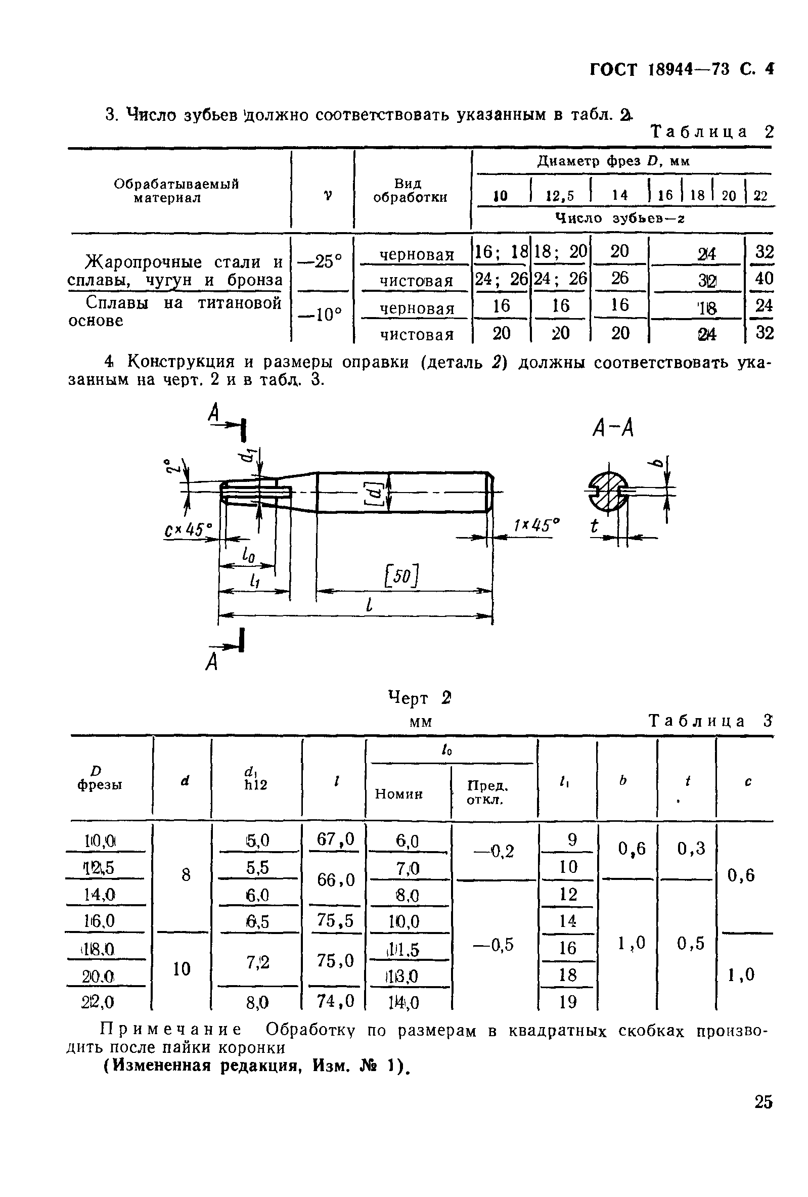
| | Нормативные ссылки: | |
  
|